Dynamic Response Analysis of Control Loops in an Electro-Hydraulic Servo Pump Control System
Abstract
1. Introduction
2. Principle of an Electro-Hydraulic Servo Pump Control System
3. System Mathematical Model
3.1. Servo Motor Control Unit
3.2. Fixed Displacement Radial Piston Pump
3.3. Double-Acting Symmetrical Hydraulic Cylinder
4. Control Characteristics Analysis of the Electro-Hydraulic Servo Pump Control System
4.1. Analysis of the Dynamic Characteristics of Current Loop
4.2. Analysis of the Dynamic Characteristics of the Speed Loop
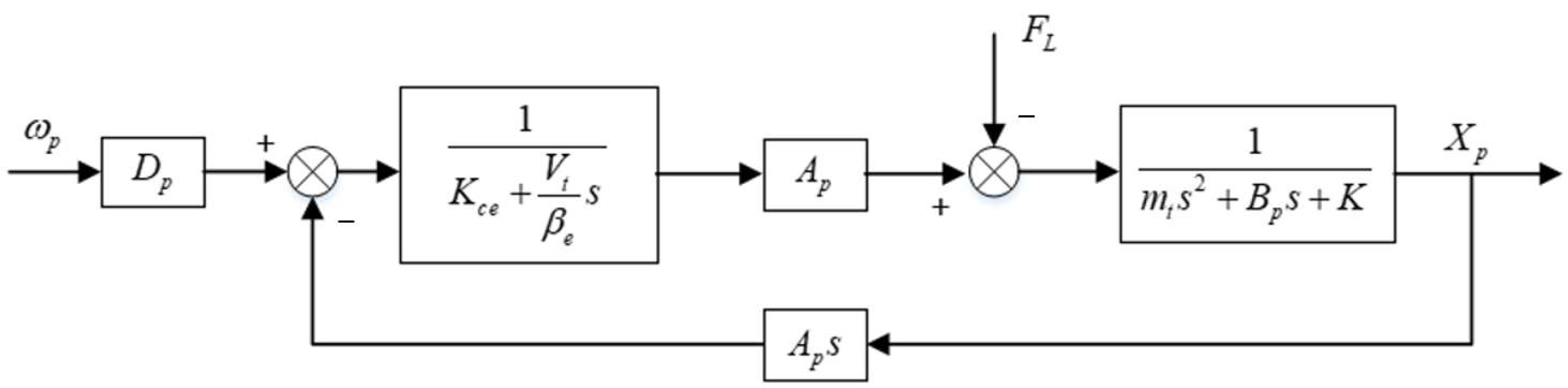
4.3. Analysis of the Dynamic Characteristics of Position Loop
- (1)
- Speed amplification factor
- The transfer function contains an integral link; therefore, in the steady state, the output of the hydraulic cylinder piston speed and motor input speed is proportional to the relationship. The proportionality coefficient A represents the sensitivity of the speed of the quantitative pump to the speed of the hydraulic cylinder, which directly affects the stability, response speed, and accuracy of the electro-hydraulic servo pump control system. Increasing the speed amplification coefficient can improve the response speed and accuracy of the system but can deteriorate the stability of the system.
- (2)
- Hydraulic natural frequency
- Hydraulic natural frequency is the bottleneck of the whole system, which limits the response speed of the system. In order to improve the response speed of the system, the hydraulic natural frequency should be increased. The specific implementation methods of improving hydraulic natural frequency are as follows:
- The hydraulic cylinder piston area Ap can be increased to improve the natural frequency of the system, but when the piston area Ap increases, the system needs more flow at the same frequency response speed.
- The integrated design scheme of EPU, functional valve set, and hydraulic cylinder can be adopted to reduce the specific connection between the oil port of quantitative pump and hydraulic cylinder and reduce the total compression volume Vt.
- The total leakage coefficient Kce of the system can be increased, but this method will sacrifice the working efficiency of the system and cause an increase in the oil working temperature; therefore, it is not suitable for long-term operation under all working conditions.
- The total mass mt converted to the piston can be reduced, increasing the effective bulk elastic modulus βe of oil.
- (3)
- Hydraulic damping ratio
- The hydraulic damping ratio represents the relative stability of the system, which is mainly determined by the total leakage coefficient Kce and viscous damping coefficient Bp. Improving the hydraulic damping ratio is of great significance to improve system performance. Specific methods are as follows:
- The bypass leakage channel can be set to increase the viscous damping Bp of the load.
- The quantitative pump and hydraulic cylinder with large leakage coefficients can increase the system damping, but will cause a large power loss, and the nonlinear characteristics of the output flow of the quantitative pump will be further intensified.
4.4. Analysis of the Dynamic Characteristics of the Pressure Loop
- (1)
- When the load stiffness K is much greater than the hydraulic spring stiffness Kh, , . In Equation (26), the second-order oscillation link and the second-order differential link approximately cancel, and the dynamic characteristics of the system are mainly determined by the integral link and the inertia link in series. Cut-off frequency , the system cut-off frequency can be improved by increasing the displacement of quantitative pump Dp, reducing the rotational inertia of motor pump group Jm, and reducing the volume of hydraulic cylinder .
- (2)
- When the load stiffness K is far less than the hydraulic spring stiffness Kh, , and then . As K decreases, , , and all decrease, and decrease more; therefore, the distance between and increases, and the resonance peak at increases. The cut-off frequency is , and the system cut-off frequency can be improved by increasing the displacement of quantitative pump Dp, decreasing the moment of inertia of motor pump group Jm, and appropriately increasing the load stiffness .
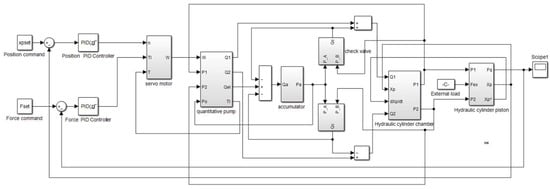
5. System Simulation Analysis
6. Experimental Study
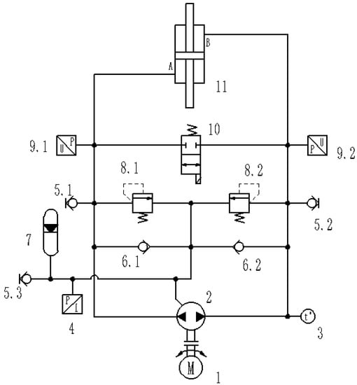
6.1. Electro-Hydraulic Servo System Test Bench Design
6.2. Experimental Study and Result Analysis
6.2.1. Position Control Experiment
6.2.2. Force Control Experiment
7. Conclusions
- (1)
- The principle of an electro-hydraulic servo pump control is introduced, and a mathematical model of an electro-hydraulic servo pump control system is established.
- (2)
- Based on the logical relationship of high-frequency dynamics, starting with the current inner loop with faster response, the dynamic characteristics of each control loop are analyzed, and the parameter values are determined in combination with the technical samples of components. The Simulink position/force simulation model of the system is built. The simulation results show that the system has good position and force control performance after the dynamic analysis of the system control loop and the determination of component parameters.
- (3)
- The experimental results show that the system parameter determination, based on the dynamic analysis of the system control loop proposed in this paper, can make the system achieve good dynamic response effect and steady-state accuracy of position/force control. However, the nonlinear mathematical model of the system is partially idealized and simplified. In order to further improve the nonlinear accuracy of the system, the nonlinear model can be further refined.
Author Contributions
Funding
Conflicts of Interest
References
- Bo, W.; Yunxiao, H.; Long, Q.; Xiangyu, W.; Lei, G.; Bin, Z. Research on characteristics of electro hydraulic servo system controlled by separate cavity independent variable speed pump. Mech. Eng. 2020, 56, 235–243. [Google Scholar] [CrossRef]
- Zhao, P. Research on Position Control of Transferable Vane Electro-Hydraulic Servo Closed Pump Control System; Yanshan University: Yanshan, China, 2020. [Google Scholar]
- Merritt, H.E. Hydraulic Control System. J. Appl. Mech. 1967, 35, 31–32. [Google Scholar] [CrossRef]
- Nakano, K.; Tanaka, Y. Energy saving type electro-hydraulic servo system. J. Fluid Control 1988, 18, 35–51. [Google Scholar]
- Xu, S. Three stages of hydraulic transmission control system development from energy saving perspective. Hydraul. Pneum. Seals 2005, 4, 24–31. [Google Scholar]
- Alden, R. C-141 and C-130 power-by-wire flight control systems. In Proceedings of the IEEE 1991 National Aerospace and Electronics Conference, Dayton, OH, USA, 20–24 May 1991; Volume 2, pp. 535–539. [Google Scholar]
- Sedrak, D. Closed-loop electronic valuing and the application of variable voltage variable frequency in hydraulics. Elev. World 1999, 47, 66–72. [Google Scholar]
- Jawaid, S.I.; Wang, L. EHA System Integration Design Analysis and Position Tracking Performance by PID Controller. Appl. Mech. Mater. 2013, 419, 826–834. [Google Scholar] [CrossRef]
- Han, R. Discussion on the technology of aviation electro-hydraulic actuator. Sci. Technol. Horiz. 2019, 12, 34–35. [Google Scholar]
- Den, D.V.; Airbus, B. The A380 Flight control electro hydrostatic actuators—Achievements and lessons learnt. In Proceedings of the 25th Congress of the International Council of the Aeronautical Sciences, Hamburg, Germany, 3–8 September 2006; Volume 6. [Google Scholar]
- Chakraborty, I.; Mavris, D.N.; Emeneth, M.; Schneegans, A. A system and mission level analysis ofelectrically actuated flight control surfaces using Pacelab SysArc. In Proceedings of the AIAA science and technology forum and exposition (SciTech 2014), National Harbor, MD, USA, 13–17 January 2014; pp. 1–22. [Google Scholar]
- Guo, X.; Wang, C.; Liu, H. Sliding mode control of pump controlled electro-hydraulic servo system based on extended observer. J. Beijing Univ. Aeronaut. Astronaut. 2020, 7, 1–12. [Google Scholar]
- Fu, J.; Maré, J.C.; Fu, Y. Modelling and simulation of flight control electromechanical actuators with special focus on model architecting, multidisciplinary effects and power flows. Chin. J. Aeronaut. 2017, 30, 47–65. [Google Scholar] [CrossRef]
- Vasiliu, N.; Vasiliu, D.; Călinoiu, C.; Puhalschi, R. Simulation of Fluid Power Systems with Simcenter Amesim; CRC Press: Boca Raton, FL, USA, 2018. [Google Scholar]
- Yu, A.; Li, Y.; Wang, C.; Jiang, J.; Yan, C. Research on electro-hydraulic servo system of direct drive single output rod symmetrical hydraulic actuator. Hydraul. Pneum. 2017, 2, 27–32. [Google Scholar]
- Kim, J.H.; Hong, Y.S. Robust internal-loop compensation of pump velocity controller for precise force control of an electro-hydrostatic actuator. J. Drive Control 2018, 15, 55–60. [Google Scholar]
- Liem, D.T.; Truong, D.Q.; Park, H.G. A Feedforward Neural Network Fuzzy Grey Predictor-based Controller for Force Control of an Electro-hydraulic Actuator. Int. J. Precis. Eng. Manuf. 2016, 17, 309–321. [Google Scholar] [CrossRef]
- Deticek, E.; Kastrevc, M. Design of Lyapunov Based Nonlinear Position Control of Electrohydraulic Servo Systems. J. Mech. Eng. 2016, 62, 163–170. [Google Scholar] [CrossRef][Green Version]
- Soon, C.C.; Ghazali, R.; Jaafar, H.I. Sliding Mode Controller Design with Optimized PID Sliding Surface Using Particle Swarm Algorithm. Procedia Comput. Sci. 2017, 105, 235–239. [Google Scholar] [CrossRef]
- Suzuki, R.; Komagata, M.; Ko, T. Development of 3-DOF wrist mechanism for electro-hydrostatically driven robot arm. Adv. Robot. 2020, 34, 958–973. [Google Scholar] [CrossRef]
- Ko, T.H.; Kaminaga, H.; Nakamura, Y. Key design parameters of a few types of electro-hydrostatic actuators for humanoid robots. Adv. Robot. 2018, 32, 1241–1252. [Google Scholar] [CrossRef]
- Fu, Y.; Yan, M. Research on sliding mode variable structure control of electromechanical actuator for loading system. Hydraul. Pneum. 2017, 2, 75–80. [Google Scholar]
- Altare, G.; Vacca, A. A Design Solution for Efficient and Compact Electro-hydraulic Actuators. Procedia Eng. 2015, 106, 8–16. [Google Scholar] [CrossRef]
- Fu, Y.; Han, X.; Sepehri, N. Design and Performance Analysis of Position-based Impedance Control for an Electrohydrostatic Actuation System. Chin. J. Aeronaut. 2018, 31, 584–596. [Google Scholar] [CrossRef]
- Kang, R.; Jiao, Z.; Mare, J.C. Nonlinear block diagram modeling and robust control method of electro-hydraulic actuator. J. Aeronaut. 2009, 30, 518–525. [Google Scholar]
- Li, Z.; Shang, Y.; Jiao, Z. Analysis of the Dynamic Performance of an Electro-hydrostatic Actuator and Improvement Methods. Chin. J. Aeronaut. 2018, 31, 2312–2320. [Google Scholar] [CrossRef]
























| Parameter | Physical Meaning | Value |
|---|---|---|
| [Ω] | Winding resistance of servo motor | 1.1 |
| [H] | Servo motor q-axis inductance | 1.87 × 10−2 |
| [H] | Servo motor d-axis inductance | 5.25 × 10−2 |
| Time constant of delay link | 3 × 10−4 | |
| Proportional gain | 31.16 | |
| Integral time constant | 1.7 × 10−2 |
| Parameter | Physical Meaning | Value |
|---|---|---|
| [N∙m/A] | Motor torque coefficient | 0.23 |
| [kg∙m2] | Motor pump moment of inertia | 8.8 × 10−4 |
| Intermediate frequency bandwidth | 1000 | |
| Proportional gain | 3.19 | |
| Integral time constant | 0.6 |
| Parameter | Physical Meaning | Value |
|---|---|---|
| [(m3/s)/Pa] | Internal leakage coefficient of pump | 1 × 10−³ |
| [(m3/s)/Pa] | External leakage coefficient of pump | 1 × 10−³ |
| [mL/r] | Pump delivery | 0.8 |
| [(m3/s)/Pa] | Internal leakage coefficient of hydraulic cylinder | 1 × 10−³ |
| [N/(m/s)] | Damping coefficient of piston | 150 |
| Gas polytropic coefficient | 1.3 | |
| [N] | Sliding static friction | 25 |
| [N] | Sliding Coulomb friction | 15 |
| [mL] | Initial volume of one side of hydraulic cylinder | 450 |
| [N/m2] | Oil elastic modulus | 6.5 × 108 |
| [cm2] | Effective area of piston | 71 |
| [Kg] | Load conversion quality | 8.5 |
| [mL] | Initial gas volume of accumulator | 800 |
| [MPa] | Initial pressure of accumulator | 3 |
| [mL] | Initial oil volume of accumulator | 200 |
| [V] | Rated voltage of servo motor | 220 |
| [kW] | Rated power of servo motor | 21 |
| [r/min] | Rated speed of servo motor | 3000 |
| [N·m] | Servo motor torque | 22 |
| [V/(rad/s)] | Servo motor counter electromotive force | 1.03 × 102 |
Publisher’s Note: MDPI stays neutral with regard to jurisdictional claims in published maps and institutional affiliations. |
© 2022 by the authors. Licensee MDPI, Basel, Switzerland. This article is an open access article distributed under the terms and conditions of the Creative Commons Attribution (CC BY) license (https://creativecommons.org/licenses/by/4.0/).
Share and Cite
Jiang, W.; Jia, P.; Yan, G.; Chen, G.; Ai, C.; Zhang, T.; Liu, K.; Jia, C.; Shen, W. Dynamic Response Analysis of Control Loops in an Electro-Hydraulic Servo Pump Control System. Processes 2022, 10, 1647. https://doi.org/10.3390/pr10081647
Jiang W, Jia P, Yan G, Chen G, Ai C, Zhang T, Liu K, Jia C, Shen W. Dynamic Response Analysis of Control Loops in an Electro-Hydraulic Servo Pump Control System. Processes. 2022; 10(8):1647. https://doi.org/10.3390/pr10081647
Chicago/Turabian StyleJiang, Wenguang, Pengshuo Jia, Guishan Yan, Gexin Chen, Chao Ai, Tiangui Zhang, Keyi Liu, Chunyu Jia, and Wei Shen. 2022. "Dynamic Response Analysis of Control Loops in an Electro-Hydraulic Servo Pump Control System" Processes 10, no. 8: 1647. https://doi.org/10.3390/pr10081647
APA StyleJiang, W., Jia, P., Yan, G., Chen, G., Ai, C., Zhang, T., Liu, K., Jia, C., & Shen, W. (2022). Dynamic Response Analysis of Control Loops in an Electro-Hydraulic Servo Pump Control System. Processes, 10(8), 1647. https://doi.org/10.3390/pr10081647
