Performance-Matching Optimization Design of Loader-Hydraulic System Based on Hydrodynamics Analysis
Abstract
:1. Introduction
2. Materials and Methods
2.1. Analysis of Hydraulic-System Parameters of Loaders
- (1)
- The Power Component—the working pump and steering pump of this type of loader are CBGQ2100 and CBGQ2080, with medium and high pressure, respectively, a quantitative gear pump with a pump-rated speed of 2000 r/min, and a nominal displacement of 100 mL/rev and 80 mL/rev, respectively. The nominal pressure is 25 MPa and 16 MPa, respectively.
- (2)
- The Actuating element—one rotary-bucket hydraulic cylinder and two movable-arm lifting hydraulic cylinders.
- (3)
- A Control and regulation device—a valve used to control and regulate the fluid pressure, flow rate, and the direction of each part of the system. There is amulti-way reversing valve, an overload-relief valve, and so on in the system.
- (4)
- Auxiliary devices, including an oil tank, oil filter, oil pipe, and connection, etc.
2.2. Fluid Basic-Property Settings
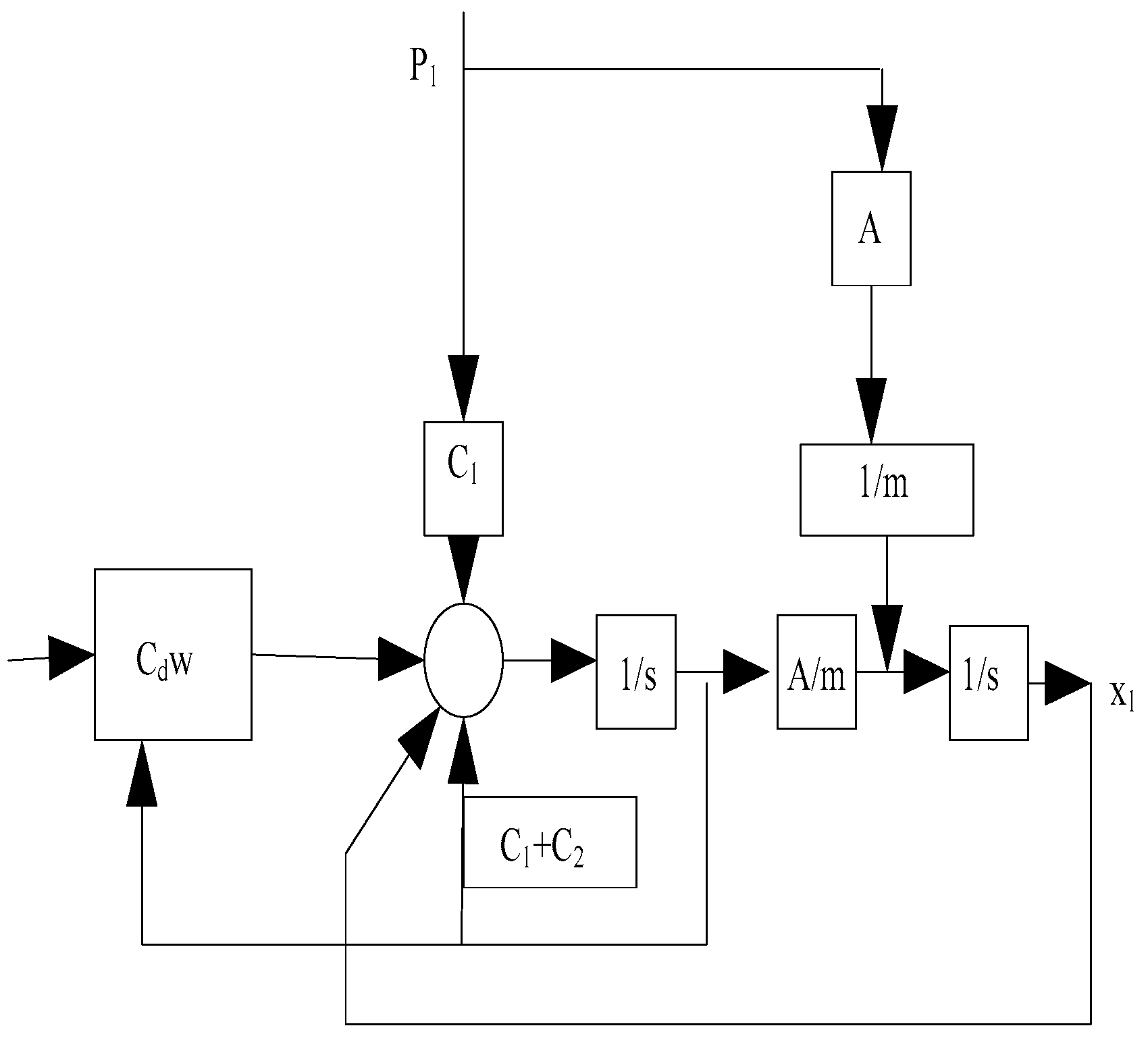
2.3. Nonlinear-Performance Matching of Hydraulic-Valve Throttles
3. Results
3.1. Experimental Analysis of Pressure-Overshoot Performance
3.2. Dynamic-Performance Test of the Piston Rod in the Hydraulic System of the Loader
3.3. Optimization of Parameter Matching
4. Discussion and Conclusions
Author Contributions
Funding
Institutional Review Board Statement
Informed Consent Statement
Data Availability Statement
Conflicts of Interest
References
- Cheng, J.; Yuan, G.; Zhou, M.; Gao, S.; Liu, C.; Duan, H. A fluid mechanics-based data flow model to estimate VANET capacity. IEEE Trans. Intell. Transp. Syst. 2019, 21, 2603–2614. [Google Scholar] [CrossRef]
- Maziar, R.; Alireza, Y.; Em, K.G. Hidden fluid mechanics: Learning velocity and pressure fields from flow visualizations. Science 2020, 367, 1026–1030. [Google Scholar]
- Rajeev, S.G. Infinitesimal quantum group from helicity in fluid mechanics. Mod. Phys. Lett. A 2020, 35, 2050245. [Google Scholar] [CrossRef]
- Lutz, B.D.; Brown, S.A.; Perova-Mello, N. Exploring practicing engineers’ understanding of fluid mechanics concepts. Int. J. Eng. Educ. 2019, 35, 535–547. [Google Scholar]
- Mossa, M. The recent 500th anniversary of Leonardo da Vinci’s death: A reminder of his contribution in the field of fluid mechanics. Environ. Fluid Mech. 2020, 21, 1–10. [Google Scholar] [CrossRef]
- Deng, G.F.; Gao, Y.T.; Ding, C.C.; Su, J.J. Solitons and breather waves for the generalized Konopelchenko-Dubrovsky-Kaup-Kupershmidt system in fluid mechanics, ocean dynamics and plasma physics. Chaos Solitons Fractals 2020, 140, 110085. [Google Scholar] [CrossRef]
- Zhou, X.; Bai, Y.; Nardi, D.C.; Wang, Y.; Wang, Y.; Liu, Z.; Picón, R.A.; Flórez-López, J. Damage Evolution Modeling for Steel Structures Subjected to Combined High Cycle Fatigue and High-Intensity Dynamic Loadings. Int. J. Struct. Stab. Dyn. 2022, 22, 2240012. [Google Scholar] [CrossRef]
- Minichiello, A.; Armijo, D.; Mukherjee, S.; Caldwell, L.; Kulyukin, V.; Truscott, T.; Elliott, J.; Bhouraskar, A. Developing a mobile application-based particle image velocimetry tool for enhanced teaching and learning in fluid mechanics: A design-based research approach. Comput. Appl. Eng. Educ. 2020, 29, 517–537. [Google Scholar] [CrossRef]
- Wrat, G.; Bhola, M.; Ranjan, P.; Mishra, S.K.; Das, J. Energy saving and fuzzy-PID position control of electro-hydraulic system by leakage compensation through proportional flow control valve. ISA Trans. 2020, 101, 269–280. [Google Scholar] [CrossRef] [PubMed]
- Das, R.; Mishra, S.C.; Ajith, M.; Uppaluri, R. An inverse analysis of a transient 2-D conduction–radiation problem using the lattice Boltzmann method and the finite volume method coupled with the genetic algorithm. J. Quant. Spectrosc. Radiat. Transf. 2008, 109, 2060–2077. [Google Scholar] [CrossRef]
- Kundu, B.; Das, R.; Lee, K.-S. Differential Transform Method for Thermal Analysis of Exponential Fins under Sensible and Latent Heat Transfer. Procedia Eng. 2015, 127, 287–294. [Google Scholar] [CrossRef]
- Singla, R.K.; Das, R. Application of Adomian decomposition method and inverse solution for a fin with variable thermal conductivity and heat generation. Int. J. Heat Mass Transf. 2013, 66, 496–506. [Google Scholar] [CrossRef]
- Panda, S.; Bhowmik, A.; Das, R.; Repaka, R.; Martha, S.C. Application of homotopy analysis method and inverse solution of a rectangular wet fin. Energy Convers. Manag. 2014, 80, 305–318. [Google Scholar] [CrossRef]
- Barbarelli, S.; Amelio, M.; Castiglione, T.; Florio, G.; Scornaienchi, N.M. Design and analysis of a new wave energy converter based on a point absorber and a hydraulic system harvesting energy from waves near the shore in calm seas. Int. J. Energy Res. 2020, 45, 661–690. [Google Scholar] [CrossRef]
- Bai, Y.; Nardi, D.C.; Zhou, X.; Picón, R.A.; Flórez-López, J. A new comprehensive model of damage for flexural subassemblies prone to fatigue. Comput. Struct. 2021, 256, 106639. [Google Scholar] [CrossRef]
- Rahman, R.; Zhu, H.P.; Yu, A.B. Numerical Analysis of Effects of Specularity Coefficient and Restitution Coefficient on the Hydrodynamics of Particles in a Rotating Drum. Processes 2022, 10, 167. [Google Scholar] [CrossRef]
- Palevicius, A.; Janusas, G.; Cekas, E.; Patel, Y. Composite Piezoelectric Material for Biomedical Micro Hydraulic System. In International Conference on Bioinformatics and Biomedical Engineering; Rojas, I., Ortuño, F., Eds.; Springer: Cham, Switzerland, 2018; Volume 10814. [Google Scholar]
- Park, C.E.; Choi, J.H.; Lee, G.C.; Lee, S.Y. Multidimensional Hydraulic Solver Using Structured and Unstructured Meshes for the System Thermal-Hydraulic Code Space. Nucl. Technol. 2018, 205, 77–93. [Google Scholar] [CrossRef]
- Boedeker, S.; von Delius, S.; Neu, B.; Weber, A.; Schmid, R.; Frimberger, E.; Abdelhafez, M. Electrohydraulic lithotripsy (EHL) with a short-access-mother-baby-system (SAMBA) for the therapy of complicated bile duct stones (SAMBA-EHL STUDY). Endoscopy 2019, 51, OP34. [Google Scholar] [CrossRef]
- Xiao, Y.; Bai, C.; Chen, Y.; Yan, W.; Du, J.; Yu, T.; Zhang, J. Effect of gas extraction on the hydrodynamics in a fluidized bed membrane reactor at elevated temperatures. Asia-Pac. J. Chem. Eng. 2019, 14, e2338. [Google Scholar] [CrossRef]
- Zhang, L.; Huang, M.; Xue, J.; Li, M.; Li, J. Repetitive mining stress and pore pressure effects on permeability and pore pressure sen-sitivity of bituminous coal. Nat. Resour. Res. 2021, 30, 4457–4476. [Google Scholar] [CrossRef]
- Yan, X.; Meng, S.; Wang, A.; Wang, L.; Cao, Y. Hydrodynamics and separation regimes in a cyclonic-static microbubble flotation column. Asia-Pac. J. Chem. Eng. 2018, 13, e2185. [Google Scholar] [CrossRef]
- Wang, Z.-J.; Qiang, H.-F. Mechanical properties of thermal aged HTPB composite solid propellant under confining pressure. Def. Technol. 2021, 18, 618–625. [Google Scholar] [CrossRef]
- Krawczyk, R.; Słania, J.; Golański, G.; Nawrocki, J. Analysis of the reasons for crack in a tank of the hydraulic system. Eng. Fail. Anal. 2020, 116, 104716. [Google Scholar] [CrossRef]
- Shaikh, J.; Bordoloi, S.; Yamsani, S.K.; Sekharan, S.; Rakesh, R.R.; Sarmah, A.K. Long-term hydraulic performance of landfill cover system in extreme humid region: Field monitoring and numerical approach. Sci. Total Environ. 2019, 688, 409–423. [Google Scholar] [CrossRef] [PubMed]
- Simic, M.; Herakovic, N. Characterisation of energy consumption of new piezo actuator system used for hydraulic on/off valves. J. Clean. Prod. 2020, 284, 124748. [Google Scholar] [CrossRef]
- Casamor, M.; Martinez-Quiroga, V.; Reventós, F.; Mendizábal, R.; Freixa, J. On the scaling of uncertainties in thermal hydraulic system codes. Ann. Nucl. Energy 2019, 136, 107026. [Google Scholar] [CrossRef]
- Yao, J.; Lu, B.; Zhang, C.; Sadatomi, M. Optimal design of hydraulic system for an industrial press machine for performance im-provement and noise reduction. Open J. Mech. Eng. 2016, 1, 19–24. [Google Scholar]
- Xin, C.; Li, Z.; Zhang, Q.; Peng, Y.; Guo, H.; Xie, S. Investigating the output performance of triboelectric nanogenerators with single/double-sided interlayer. Nano Energy 2022, 100, 107448. [Google Scholar] [CrossRef]
- Yang, Z.; Xu, P.; Wei, W.; Gao, G.; Zhou, N.; Wu, G. Influence of the Crosswind on the Pantograph Arcing Dynamics. IEEE Trans. Plasma Sci. 2020, 48, 2822–2830. [Google Scholar] [CrossRef]
- Chaudhuri, S.; Saha, R.; Chatterjee, A.; Mookherjee, S.; Sanyal, D. Adaptive neural-bias-sliding mode control of rugged electrohydraulic system motion by recurrent Hermite neural network. Control Eng. Pract. 2020, 103, 104588. [Google Scholar] [CrossRef]
- Villarreal, R.; Lozano, L.A.; Salazar, M.P.; Bellora, G.L.; Melani, E.M.; Polich, N.; Soracco, C.G. Pore system configuration and hydraulic properties. Temporal variation during the crop cycle in different soil types of Argentinean Pampas Region. Soil Tillage Res. 2019, 198, 104528. [Google Scholar] [CrossRef]
- Castellanos, L.; Noguera, A.; Velásquez, E.I.G.; Caballero, G.E.C.; Lora, E.E.S.; Cobas, V.R.M. Mathematical modeling of a system composed of parabolic trough solar collectors integrated with a hydraulic energy storage system. Energy 2020, 208, 118255. [Google Scholar] [CrossRef]
- Zhang, F.; Cheng, L.; Gao, Y.; Xu, X.; Wang, Y. Fault tree analysis of a hydraulic system based on the interval model using latin hypercube sampling. J. Intell. Fuzzy Syst. 2019, 37, 8345–8355. [Google Scholar] [CrossRef]
- Zhou, W. Simulation of Hydraulic System Faults for Marine Machinery Based on AMESim. J. Coast. Res. 2019, 94, 357–361. [Google Scholar] [CrossRef]
- Chen, Y.; Li, J.; Lu, H.; Yan, P. Coupling system dynamics analysis and risk aversion programming for optimizing the mixed noise-driven shale gas-water supply chains. J. Clean. Prod. 2020, 278, 123209. [Google Scholar] [CrossRef]










| Parameter | Numerical Value | Parameter | Numerical Value |
|---|---|---|---|
| Temperature/°C | 50 | Gas dynamic viscosity/CP | 0.05 |
| Density/kg·m−3 | 1000 | Saturation pressure/MPa | 0.0021368 |
| Elastic modulus/MPa | 2280 | Air-volume content/% | 1.45 |
| Dynamic viscosity/CP | 0.767 | Air polytropic index | 1.6 |
| The Serial Number | Symbol | Notation |
|---|---|---|
| 1 | ![]() | Three position four-way directional valve |
| 2 | ![]() | Two position two-way directional valve |
| 3 | ![]() | Hydraulic valve |
Publisher’s Note: MDPI stays neutral with regard to jurisdictional claims in published maps and institutional affiliations. |
© 2022 by the authors. Licensee MDPI, Basel, Switzerland. This article is an open access article distributed under the terms and conditions of the Creative Commons Attribution (CC BY) license (https://creativecommons.org/licenses/by/4.0/).
Share and Cite
Wang, H.; Yang, S.; Lu, T. Performance-Matching Optimization Design of Loader-Hydraulic System Based on Hydrodynamics Analysis. Processes 2022, 10, 1524. https://doi.org/10.3390/pr10081524
Wang H, Yang S, Lu T. Performance-Matching Optimization Design of Loader-Hydraulic System Based on Hydrodynamics Analysis. Processes. 2022; 10(8):1524. https://doi.org/10.3390/pr10081524
Chicago/Turabian StyleWang, Haifei, Shimin Yang, and Tan Lu. 2022. "Performance-Matching Optimization Design of Loader-Hydraulic System Based on Hydrodynamics Analysis" Processes 10, no. 8: 1524. https://doi.org/10.3390/pr10081524
APA StyleWang, H., Yang, S., & Lu, T. (2022). Performance-Matching Optimization Design of Loader-Hydraulic System Based on Hydrodynamics Analysis. Processes, 10(8), 1524. https://doi.org/10.3390/pr10081524



