An Efficiency Improvement Driver for Master Oscillator Power Amplifier Pulsed Laser Systems †
Abstract
:1. Introduction
2. Principles
2.1. Principles of Synchronous Laser Diode Driver
2.1.1. Pulse Energy Variation (Constant Frequency Current Driver)
2.1.2. Pulse Energy Variation (Synchronous Current Driver)
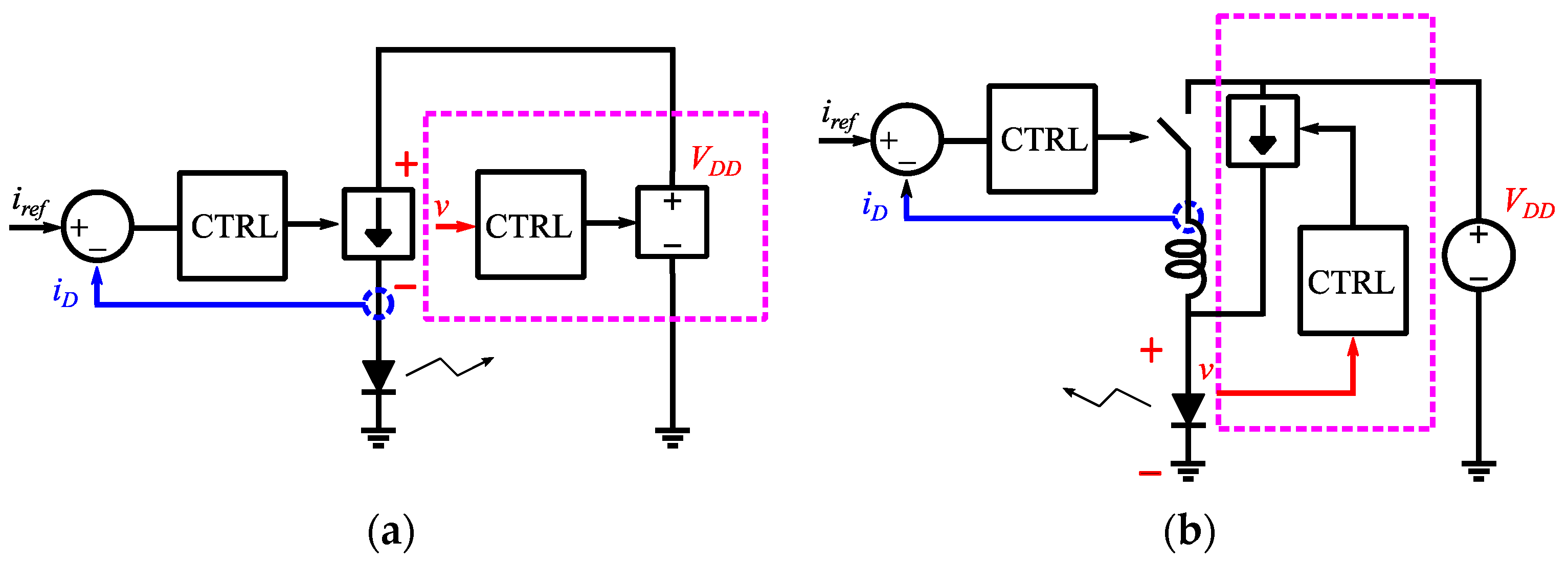
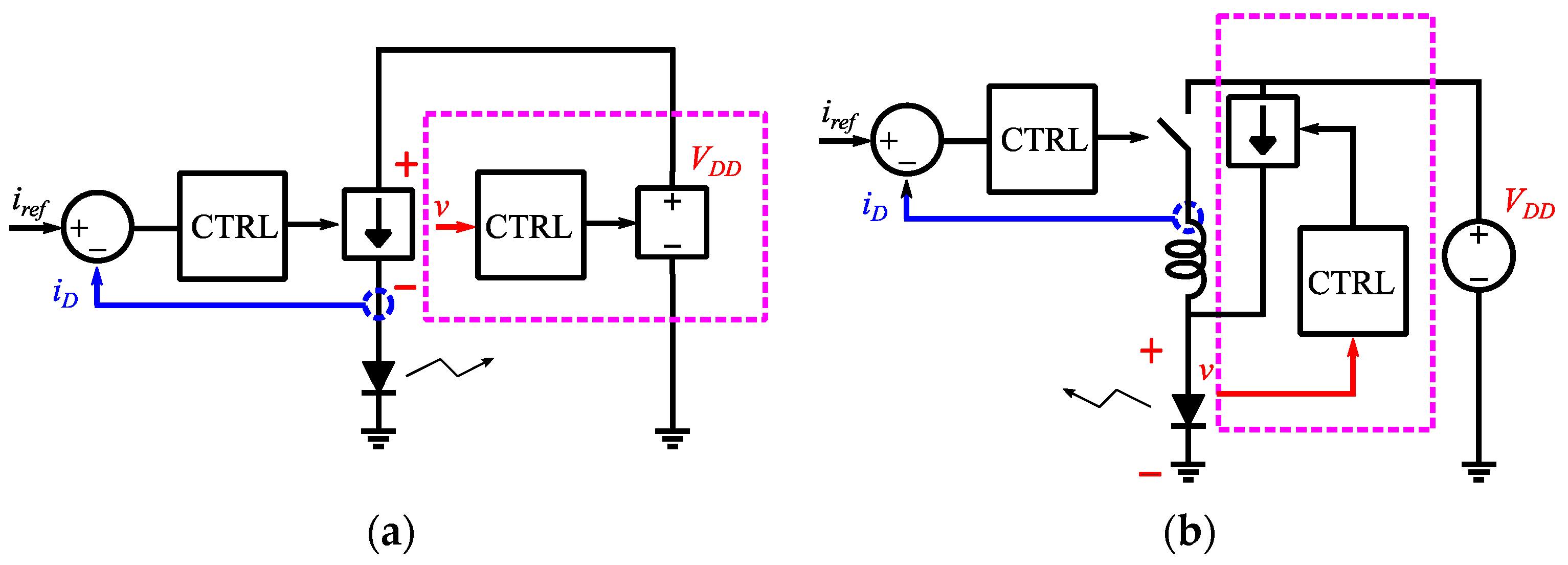
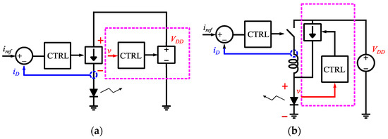
2.2. Design Consideration
2.2.1. Continuous Conduction Mode/Discontinuous Conduction Mode
2.2.2. Digital/Analog
2.3. Function and Implementation
2.3.1. Frequency Adjustable PWM
2.3.2. Synchronous and Short Pulse Generator
3. Experimental Results
4. Conclusions
5. Patents
Supplementary Materials
Author Contributions
Funding
Conflicts of Interest
References
- Zervas, M.N.; Codemard, C.A. High power fiber lasers: A review. IEEE J. Sel. Top. Quantum Electron. 2014, 20, 219–241. [Google Scholar] [CrossRef]
- Račiukaitis, G. Ultra-short pulse lasers for microfabrication: A review. IEEE J. Sel. Top. Quantum Electron. 2021, 27, 1–12. [Google Scholar] [CrossRef]
- Rincon-Mora, G.; Allen, P.E. A low-voltage, low quiescent current, low drop-out regulator. IEEE J. Solid-State Circuits 1988, 33, 36–44. [Google Scholar] [CrossRef] [Green Version]
- Jin, K.; Zhou, W. Wireless laser power transmission: A review of recent progress. IEEE Trans. Power Electron. 2019, 34, 3842–3859. [Google Scholar] [CrossRef]
- Crawford, I.D.; Harwick, J.A.; Ayres, T.M. Smart Linear Pulsed Laser Diode Driver, and Method. U.S. Patent 8184670 B2, 7 October 2012. [Google Scholar]
- Alfrey, A.J. Laser Diode Driver with Adaptive Compliance Voltage. U.S. Patent 7756173 B2, 20 June 2008. [Google Scholar]
- Thompson, M.T.; Schlecht, M.F. High power laser diode driver based on power converter technology. IEEE Trans. Power Electron. 1997, 12, 46–52. [Google Scholar] [CrossRef]
- Crawford, I.D. Low-Noise Current Source Driver for Laser Diodes. U.S. Patent 6587490 B2, 2 October 2001. [Google Scholar]
- Zhou, W.; Jin, K. Efficiency evaluation of laser diode in different driving modes for wireless power transmission. IEEE Trans. Power Electron. 2015, 30, 6237–6244. [Google Scholar] [CrossRef]
- Sharma, A.; Panwar, C.B.; Arya, R. High power pulsed current laser diode driver. In Proceedings of the International Conference on Electrical Power and Energy Systems (ICEPES), Bhopal, India, 14–16 December 2016; pp. 120–126. [Google Scholar]
- Chuanjie, D.; Hong, H. Analysis and design of high-current constant-current driver for laser diode bar. In Proceedings of the International Conference on Electronics, Communications and Control (ICECC), Ningbo, China, 9–11 September 2011; pp. 1321–1324. [Google Scholar]
- Yuan, Z.; Xu, H.; Wen, P.; Yuan, Z. A new interleaved pulsed power converter topology with improvement of response speed. In Proceedings of the IEEE International Electrical and Energy Conference (CIEEC), Beijing, China, 7–9 September 2019; pp. 933–937. [Google Scholar]
- Chen, F.; Wang, J.; Song, Y.; Ho, F. High efficiency synchronous pulse laser driver system. In Proceedings of the IEEE International Future Energy Electronics Conference and ECCE Asia, Kaohsiung, Taiwan, 3–7 June 2017; pp. 1878–1881. [Google Scholar]
- Chen, F.; Song, Y.; Tsai, H.; Chen, C. Laser Driver Module and Control Method Thereof. Taiwan Patent I603556, 31 October 2016, 21 October 2017. [Google Scholar]
- BWT Beijing Ltd. H 915 nm 30 W Fiber Coupled Diode Laser Datasheet. Available online: http://www.bwt-bj.com/en/index.html (accessed on 9 August 2016).
- Peterchev, A.V.; Sanders, S.R. Quantization resolution and limit cycling in digitally controlled pwm converters. IEEE Trans. Power Electron. 2003, 18, 301–308. [Google Scholar] [CrossRef] [Green Version]
- Peng, H.; Prodi, A.; Alarcón, E.; Maksimovic, D. Modeling of quantization effects in digitally controlled dc–dc converters. IEEE Trans. Power Electron. 2007, 22, 208–215. [Google Scholar] [CrossRef]
- Syed, A.E.; Patra, A. Saturation generated oscillations in voltage-mode digital control of dc-dc converters. IEEE Trans. Power Electron. 2016, 31, 4549–4564. [Google Scholar] [CrossRef]
- Peretz, M.M.; Ben-Yaakov, S. Digital control of resonant converters: Resolution effects on limit cycles. IEEE Trans. Power Electron. 2010, 25, 1652–1661. [Google Scholar] [CrossRef] [Green Version]
- Bradley, M.; Alarcon, E.; Feely, O. Design-oriented analysis of quantization-induced limit cycles in a multiple-sampled digitally controlled buck converter. IEEE Trans. Circuits Syst. I 2014, 61, 1192–1205. [Google Scholar] [CrossRef]



























| Repetition Rate | 20 kHz | 40 kHz | 100 kHz | 200 kHz |
|---|---|---|---|---|
| CV | 0.0518 | 0.0525 | 0.0547 | 0.0970 |
Publisher’s Note: MDPI stays neutral with regard to jurisdictional claims in published maps and institutional affiliations. |
© 2022 by the authors. Licensee MDPI, Basel, Switzerland. This article is an open access article distributed under the terms and conditions of the Creative Commons Attribution (CC BY) license (https://creativecommons.org/licenses/by/4.0/).
Share and Cite
Chen, F.-Z.; Song, Y.-C.; Ho, F.-S. An Efficiency Improvement Driver for Master Oscillator Power Amplifier Pulsed Laser Systems. Processes 2022, 10, 1197. https://doi.org/10.3390/pr10061197
Chen F-Z, Song Y-C, Ho F-S. An Efficiency Improvement Driver for Master Oscillator Power Amplifier Pulsed Laser Systems. Processes. 2022; 10(6):1197. https://doi.org/10.3390/pr10061197
Chicago/Turabian StyleChen, Fu-Zen, Yu-Cheng Song, and Fu-Shun Ho. 2022. "An Efficiency Improvement Driver for Master Oscillator Power Amplifier Pulsed Laser Systems" Processes 10, no. 6: 1197. https://doi.org/10.3390/pr10061197
APA StyleChen, F.-Z., Song, Y.-C., & Ho, F.-S. (2022). An Efficiency Improvement Driver for Master Oscillator Power Amplifier Pulsed Laser Systems. Processes, 10(6), 1197. https://doi.org/10.3390/pr10061197
