Compound Control on Constant Synchronous Output of Double Pump-Double Valve-Controlled Motor System
Abstract
1. Introduction
2. Modeling Analysis on Double-Channel Valve-Controlled Motor Systems
3. Controller Design for Double Pump-Double Motor Systems
3.1. Design for Sliding-Mode Controller of Single-Channel Motor Speed
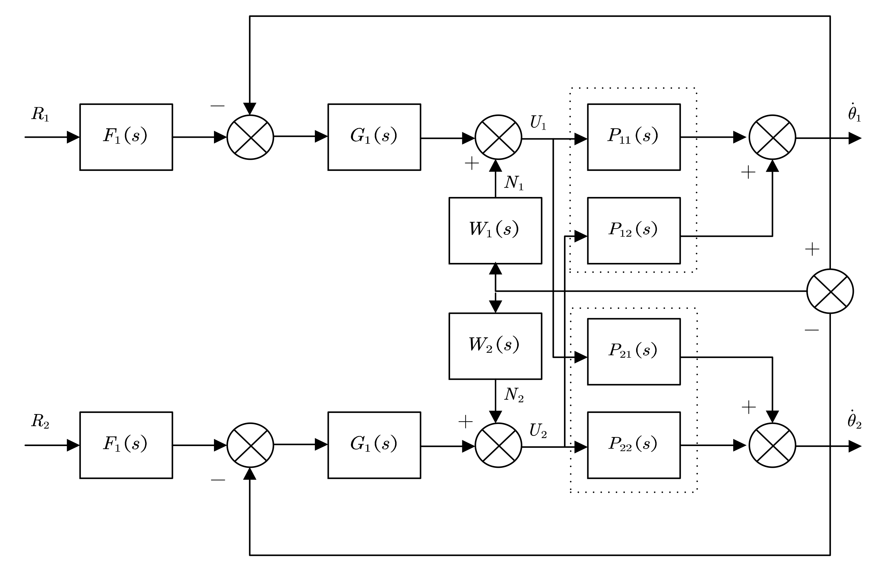
3.2. Design for Cross-Coupled Controllers
4. Simulation and Test
4.1. Design for Simulation and Test of Control Methods
- (1)
- Servo Amplifier
- (2)
- Servo Valve
- (3)
- Hydraulic Motor
- (4)
- Encoder
4.2. Analysis of Simulation and Test Results
5. Conclusions
Author Contributions
Funding
Institutional Review Board Statement
Informed Consent Statement
Data Availability Statement
Conflicts of Interest
References
- Yang, C.F.; Zheng, S.T.; Lan, X.J.; Wei, J. Adaptive robust control for spatial hydraulic parallel industrial robot. Procedia Eng. 2011, 15, 331–335. [Google Scholar] [CrossRef][Green Version]
- Chalupa, P.; Novak, J. Modeling and model predictive control of a nonlinear hydraulic system. Comput. Math. Appl. 2013, 66, 155–164. [Google Scholar] [CrossRef]
- Kong, X.D.; Song, Y.; Ai, C. Constant speed control method of variable speed input fixed displacement pump-constant speed output variable motor system. J. Mech. Eng. 2016, 52, 179–190. [Google Scholar] [CrossRef]
- Peng, T.H.; Le, N.G. Experimental study on compensation of rotational drop of variable speed pump controlled motor system. J. Mech. Eng. 2012, 48, 175–181. [Google Scholar] [CrossRef]
- Ma, Y.; Gu, L.C. Input feedforward-feedback compound compensation control for variable speed hydraulic power sources. J. Changan Univ. Nat. Sci. Ed. 2017, 37, 120–126. [Google Scholar]
- Chai, X.B.; Ai, C.; Yan, G.S. Research on feedforward compensation control of variable speed pump control motor speed control system. Mech. Eng. 2016, 33, 718–721. [Google Scholar]
- Long, M.; Hu, A.M.; Gao, Z.F.; He, X.J. Velocity and load characteristics analysis of pump-control-motor hydraulic drive system. Adv. Mater. Res. 2010, 139–141, 947–951. [Google Scholar] [CrossRef]
- Li, H.; Yang, Y.Q. Steady speed control of vehicle hydraulic generator driving condition. China Mech. Eng. 2017, 28, 979–982. [Google Scholar]
- Wang, Y. Modeling and control of variable pump control variable motor system. Control Theory Appl. 2012, 29, 41–46. [Google Scholar]
- Zheng, Q.; Li, Y.H.; Yang, L.M. Compound control strategy for the pump-controlled-parallel- variable-displacement-motor speed system. J. Beijing Univ. Aeronaut. Astronaut. 2012, 38, 692–696. [Google Scholar]
- Chen, L.Y.; Han, W.N.; Lv, Y.M.; Cai, D.; Tao, Y. Speed Control Study on Variable Speed Pump Control Motor System Based on LQ. Mach. Tools Hydr. 2017, 45, 20–22. [Google Scholar]
- Li, H.Y.; Chen, B.R.; Ma, B.; Zhang, H.L. Fuzzy adaptive PID synchronization control for hydrostatic transmission of high speed tracked vehicles. Trans. Chin. Soc. Agric. Mach. 2010, 41, 16–19. [Google Scholar]
- Cao, F.Y.; Li, H.D.; Yan, X.H.; Xu, L.Y. Hydro-mechanical compound transmission constant rotational speed output control method under step input based on double feedforward and fuzzy PID. Trans. Chin. Soc. Agric. Eng. 2019, 35, 72–82. [Google Scholar]
- Koren, Y. Cross-coupled Biaxial Computer Control for Manufacturing Systems. J. Dyn. Syst. Meas. Control 1980, 102, 265–272. [Google Scholar] [CrossRef]
- Lorenz, R.D. Synchronized motion control for process automation. In Proceedings of the Conference Record of the IEEE Industry Applications Society Annual Meeting, San Diego, CA, USA, 1–5 October 1989; pp. 1693–1698. [Google Scholar]
- Srinivasan, K.; Kulkarni, P.K. Cross-coupled control of biaxial feed drive servo mechanisms. ASME J. Dyn. Syst. Meas. Control 1990, 112, 225–232. [Google Scholar] [CrossRef]
- Cao, Y.; Li, Q.M.; Wu, G.Q.; Qiu, K.W.; Yu, R.C. The research progress of hydraulic synchronization system. Modern Manuf. Eng. 2014, 11, 136–140. [Google Scholar]
- Ye, H.P. Design and application of hydraulic synchronization control system. J. Jinggangshan Univ. (Nat. Sci.) 2020, 41, 75–78. [Google Scholar]
- Xie, J.H.; Tang, G.Y.; Huang, D.M.; Gao, L. Modeling and Simulation Optimization of position servo system Synchronous by Driven Double-Motor. Mech. Electron. 2013, 1, 22–25. [Google Scholar]
- Liu, C.F.; Wu, W. Research on dual electro-hydraulic servo system synchronization on fuzzy control. Mach. Tools Hydr. 2005, 9, 19–21. [Google Scholar]
- Guan, C.; Pan, S.X. Adaptive sliding mode control of electro-hydraulic system with nonlinear unknown parameters. Control Eng. Pract. 2008, 16, 1275–1284. [Google Scholar] [CrossRef]
- Balau, A.E.; Caruntu, C.F.; Lazar, C. Simulation and control of an electro- hydraulic actuated clutch. Mech. Sys. Signal Proc. 2011, 25, 1911–1922. [Google Scholar] [CrossRef]
- Ni, J.; Peng, L.H.; Xiang, Z.Q. Nonlinear modeling and control of electro- hydraulic servo system of pipe expanding procession. Chin. J. Mech. Eng. 2009, 45, 250–255. [Google Scholar] [CrossRef]
- Zhang, B.L.; Cao, R.M.; Hou, Z.S. The model-free adaptive cross-coupled control for two-dimensional linear motor. Trans. Inst. Meas. Control 2020, 42, 1059–1069. [Google Scholar] [CrossRef]
- Su, J.L.; Wang, H. Double Propellers Synchronous Control Based on Cross-coupling Control for Buoyancy-lifting Aircraft. J. Stat. Mech. Theory Exp. 2020, 1510, 12–21. [Google Scholar]









| Test Content | Nin/(r·min−1) | Control Method | Adjustment Time/s | Nout/(r·min−1) Value |
|---|---|---|---|---|
| Impulse response | 100 | PID | 1.6 | 100 ± 9 |
| 100 | Sliding mode control | 1.2 | 100 ± 5 | |
| Step response | 100→50 | PID | 1.4 | Nin ± 7 |
| 100→50 | Sliding mode control | 0.6 | Nin ± 5 |
| Synchronization Control Method | Speed Synchronization Error/% | Nout/(r·min−1) Value | Pout/MPa |
|---|---|---|---|
| PID control | 6.6 | 100 ± 9 | 4.6 ± 0.68 |
| Cross-coupling PID control | 2.95 | 100 ± 9 | 4.6 ± 0.60 |
| Cross-coupled sliding mode control | 1.25 | 100 ± 5 | 4.6 ± 0.40 |
Publisher’s Note: MDPI stays neutral with regard to jurisdictional claims in published maps and institutional affiliations. |
© 2022 by the authors. Licensee MDPI, Basel, Switzerland. This article is an open access article distributed under the terms and conditions of the Creative Commons Attribution (CC BY) license (https://creativecommons.org/licenses/by/4.0/).
Share and Cite
Zhu, C.; Zhang, H.; Wang, W.; Li, K.; Zhou, Z.; He, H. Compound Control on Constant Synchronous Output of Double Pump-Double Valve-Controlled Motor System. Processes 2022, 10, 528. https://doi.org/10.3390/pr10030528
Zhu C, Zhang H, Wang W, Li K, Zhou Z, He H. Compound Control on Constant Synchronous Output of Double Pump-Double Valve-Controlled Motor System. Processes. 2022; 10(3):528. https://doi.org/10.3390/pr10030528
Chicago/Turabian StyleZhu, Chenhui, Hongmei Zhang, Wanzhang Wang, Kang Li, Zheng Zhou, and Hao He. 2022. "Compound Control on Constant Synchronous Output of Double Pump-Double Valve-Controlled Motor System" Processes 10, no. 3: 528. https://doi.org/10.3390/pr10030528
APA StyleZhu, C., Zhang, H., Wang, W., Li, K., Zhou, Z., & He, H. (2022). Compound Control on Constant Synchronous Output of Double Pump-Double Valve-Controlled Motor System. Processes, 10(3), 528. https://doi.org/10.3390/pr10030528
