Unravelling the Molecular Mechanisms of a Quercetin Nanocrystal for Treating Potential Parkinson’s Disease in a Rotenone Model: Supporting Evidence of Network Pharmacology and In Silico Data Analysis
Abstract
:1. Introduction
2. Material and Methods
2.1. Potential Targets Fishing for QUE
2.2. Microarray Data and Differentially Expressed Gene Analysis
2.3. Common Targets of QUE and DEG
2.4. PPI Network Construction and Hub Gene Identification
2.5. GO and KEGG Pathway Analysis of DEGs
2.6. Molecular Docking
2.7. QUE Nanocrystal Preparation
2.8. Animals and Ethics Approval
2.9. Chemicals, Software, and Drugs
2.10. Sample Preparation for Animal Study
2.11. Experimental Procedure
2.11.1. Pole Test
2.11.2. Rotarod Test
2.11.3. Stair Test
2.11.4. Wood-Walking Test
2.11.5. Wire-Hanging test
2.12. Brain Isolation
2.13. Determination of Malondialdehyde and Antioxidant Markers
2.14. Estimation of Dopamine
2.15. Histological Staining
2.16. Statistical Analysis
3. Results and Discussion
3.1. Identification of DEGs
3.2. Common Targets for PD and QUE
3.3. PPI Network Construction and Identification of Hub Genes by CytoHubba
3.4. Gene Ontology (GO) and KEGG Pathway Analyses
3.5. Signaling Pathways and Finding of Hub Signaling of QUE against PD
3.6. Component–Target–Pathway Network
3.7. Molecular Docking
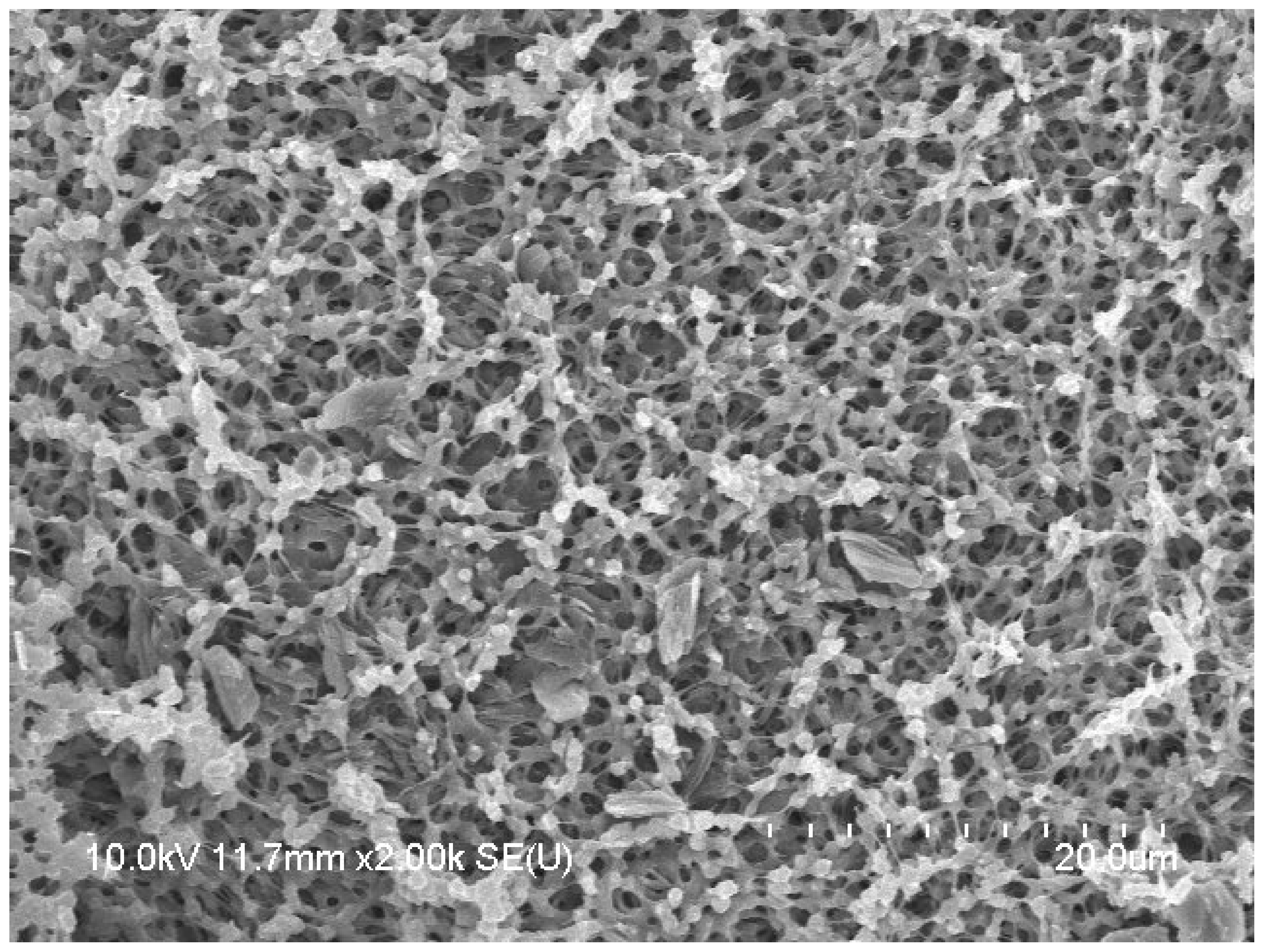
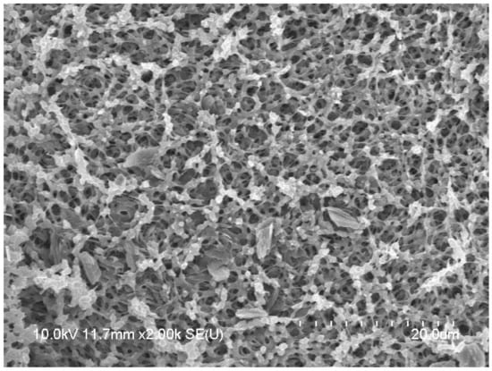
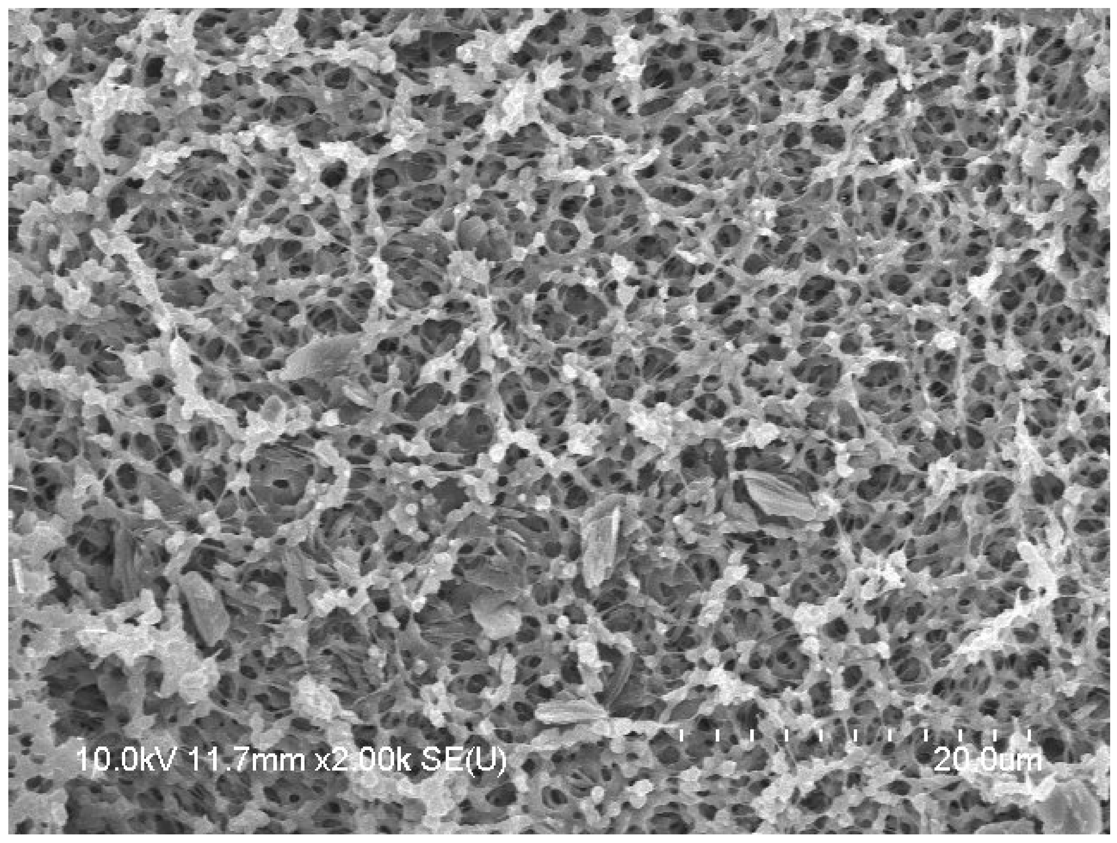
3.8. Characterization of QNC Using Zeta Size Analysis
3.9. Effect of QNC on Motor Function in Rats
3.10. Effect of QNC on Tissue Biochemical Parameters
3.10.1. Catalase (CAT) Levels
3.10.2. Superoxide Dismutase (SOD) Levels
3.10.3. Glutathione (GSH) Levels
3.10.4. Lipid Peroxidation (MDA) Levels
3.10.5. Dopamine Levels
3.11. Histological Results
4. Discussion
5. Conclusions
Author Contributions
Funding
Institutional Review Board Statement
Informed Consent Statement
Data Availability Statement
Acknowledgments
Conflicts of Interest
References
- Shim, J.S.; Kim, H.G.; Ju, M.S.; Choi, J.G.; Jeong, S.Y.; Oh, M.S. Effects of the hook of Uncaria rhynchophylla on neurotoxicity in the 6-hydroxydopamine model of Parkinson’s disease. J. Ethnopharmacol. 2009, 126, 361–365. [Google Scholar] [CrossRef]
- Hritcu, L.; Ciobica, A. Intranigral lipopolysaccharide administration induced behavioral deficits and oxidative stress damage in laboratory rats: Relevance for Parkinson’s disease. Behav. Brain Res. 2013, 253, 25–31. [Google Scholar] [CrossRef] [PubMed]
- Dong, Y.S.; Wang, J.L.; Feng, D.Y.; Qin, H.Z.; Wen, H.; Yin, Z.M.; Gao, G.D.; Li, C. Protective effect of quercetin against oxidative stress and brain edema in an experimental rat model of subarachnoid hemorrhage. Int. J. Med. Sci. 2014, 11, 282–290. [Google Scholar] [CrossRef]
- Cannon, J.R.; Tapias, V.; Na, H.M.; Honick, A.S.; Drolet, R.E.; Greenamyre, J.T. A highly reproducible rotenone model of Parkinson’s disease. Neurobiol. Dis. 2009, 34, 279–290. [Google Scholar] [CrossRef]
- Saravanan, K.S.; Sindhu, K.M.; Senthilkumar, K.S.; Mohanakumar, K.P. L-deprenyl protects against rotenone-induced, oxidative stress-mediated dopaminergic neurodegeneration in rats. Neurochem. Int. 2006, 49, 28–40. [Google Scholar] [CrossRef]
- Kamada, C.; Da Silva, E.L.; Ohnishi-Kameyama, M.; Moon, J.H.; Terao, J. Attenuation of lipid peroxidation and hyperlipidemia by quercetin glucoside in the aorta of high cholesterol-fed rabbit. Free Radic. Res. 2005, 39, 185–194. [Google Scholar] [CrossRef]
- Cho, S.Y.; Park, S.J.; Kwon, M.J.; Jeong, T.S.; Bok, S.H.; Choi, W.Y.; Jeong, W.I.; Ryu, S.Y.; Do, S.H.; Lee, C.S.; et al. Quercetin suppresses proinflammatory cytokines production through MAP kinases and NF-kappaB pathway in lipopolysaccharide-stimulated macrophage. Mol. Cell Biochem. 2003, 243, 153–160. [Google Scholar] [CrossRef] [PubMed]
- Dhawan, S.; Kapil, R.; Singh, B. Formulation development and systematic optimization of solid lipid nanoparticles of quercetin for improved brain delivery. J. Pharm. Pharmacol. 2011, 63, 342–351. [Google Scholar] [CrossRef] [PubMed]
- Shanmugam, R.; Gowthamarajan, K.; Priyanka, D.; Madhuri, K.; Karri, N. Bioanalytical method development and validation for herbal quercetin in nano formulation by RPUFLC in rabbit plasma. J. Bioequiv. Bioavailab. 2013, 5, 191–196. [Google Scholar]
- Kakran, M.; Sahoo, N.G.; Li, L.; Judeh, Z. Fabrication of quercetin nanoparticles by anti-solvent precipitation method for enhanced dissolution. Powder Technol. 2012, 223, 59–64. [Google Scholar] [CrossRef]
- Díaz, M.; Vaamonde, L.; Dajas, F. Assessment of the protective capacity of nanosomes of quercetin in an experimental model of parkinsons disease in the rat. Gen. Med. 2015, 3, 2. [Google Scholar] [CrossRef]
- Kakran, M.; Shegokar, R.; Sahoo, N.G.; Shaal, L.A.; Li, L.; Muller, R.H. Fabrication of quercetin nanocrystals: Comparison of different methods. Eur. J. Pharm. Biopharm. 2012, 80, 113–121. [Google Scholar] [CrossRef]
- Zhang, R.; Zhu, X.; Bai, H.; Ning, K. Network Pharmacology Databases for Traditional Chinese Medicine: Review and Assessment. Front. Pharmacol. 2019, 10, 123. [Google Scholar] [CrossRef] [PubMed]
- Zheng, S.; Xue, T.; Wang, B.; Guo, H.; Liu, Q. Application of network pharmacology in the study of mechanism of Chinese medicine in the treatment of ulcerative colitis: A review. Front. Bioinform. 2022, 2, 928116. [Google Scholar] [CrossRef]
- Sayers, E.W.; Beck, J.; Bolton, E.E.; Bourexis, D.; Brister, J.R.; Canese, K.; Comeau, D.C.; Funk, K.; Kim, S.; Klimke, W.; et al. Database resources of the National Center for Biotechnology Information. Nucleic Acids Res. 2021, 49, D10–D17. [Google Scholar] [CrossRef] [PubMed]
- Wang, X.; Shen, Y.; Wang, S.; Li, S.; Zhang, W.; Liu, X.; Lai, L.; Pei, J.; Li, H. PharmMapper 2017 update: A web server for potential drug target identification with a comprehensive target pharmacophore database. Nucleic Acids Res. 2017, 45, W356–W360. [Google Scholar] [CrossRef] [PubMed]
- Davis, A.P.; Grondin, C.J.; Johnson, R.J.; Sciaky, D.; Wiegers, J.; Wiegers, T.C.; Mattingly, C.J. Comparative Toxicogenomics Database (CTD): Update 2021. Nucleic Acids Res. 2021, 49, D1138–D1143. [Google Scholar] [CrossRef]
- Gfeller, D.; Grosdidier, A.; Wirth, M.; Daina, A.; Michielin, O.; Zoete, V. SwissTargetPrediction: A web server for target prediction of bioactive small molecules. Nucleic Acids Res. 2014, 42, W32–W38. [Google Scholar] [CrossRef]
- Quan, W.; Li, J.; Jin, X.; Liu, L.; Zhang, Q.; Qin, Y.; Pei, X.; Chen, J. Identification of Potential Core Genes in Parkinson’s Disease Using Bioinformatics Analysis. Parkinson’s Dis. 2021, 2021, 1690341. [Google Scholar] [CrossRef]
- Zhou, Y.; Li, Z.; Chi, C.; Li, C.; Yang, M.; Liu, B. Identification of Hub Genes and Potential Molecular Pathogenesis in Substantia Nigra in Parkinson’s Disease via Bioinformatics Analysis. Parkinson’s Dis. 2023, 2023, 6755569. [Google Scholar] [CrossRef]
- Szklarczyk, D.; Gable, A.L.; Lyon, D.; Junge, A.; Wyder, S.; Huerta-Cepas, J.; Simonovic, M.; Doncheva, N.T.; Morris, J.H.; Bork, P.; et al. STRING v11: Protein-protein association networks with increased coverage, supporting functional discovery in genome-wide experimental datasets. Nucleic Acids Res. 2019, 47, D607–D613. [Google Scholar] [CrossRef]
- Szklarczyk, D.; Morris, J.H.; Cook, H.; Kuhn, M.; Wyder, S.; Simonovic, M.; Santos, A.; Doncheva, N.T.; Roth, A.; Bork, P.; et al. The STRING database in 2017: Quality-controlled protein-protein association networks, made broadly accessible. Nucleic Acids Res. 2017, 45, D362–D368. [Google Scholar] [CrossRef]
- Chin, C.H.; Chen, S.H.; Wu, H.H.; Ho, C.W.; Ko, M.T.; Lin, C.Y. cytoHubba: Identifying hub objects and sub-networks from complex interactome. BMC Syst. Biol. 2014, 8 (Suppl. S4), S11. [Google Scholar] [CrossRef] [PubMed]
- Baru Venkata, R.; Prasanth, D.; Pasala, P.K.; Panda, S.P.; Tatipamula, V.B.; Mulukuri, S.; Kota, R.K.; Rudrapal, M.; Khan, J.; Aldosari, S.; et al. Utilizing Andrographis paniculata leaves and roots by effective usage of the bioactive andrographolide and its nanodelivery: Investigation of antikindling and antioxidant activities through in silico and in vivo studies. Front. Nutr. 2023, 10, 1185236. [Google Scholar] [CrossRef]
- Kim, S.; Chen, J.; Cheng, T.; Gindulyte, A.; He, J.; He, S.; Li, Q.; Shoemaker, B.A.; Thiessen, P.A.; Yu, B.; et al. PubChem 2019 update: Improved access to chemical data. Nucleic Acids Res. 2019, 47, D1102–D1109. [Google Scholar] [CrossRef]
- Goodsell, D.S.; Zardecki, C.; Di Costanzo, L.; Duarte, J.M.; Hudson, B.P.; Persikova, I.; Segura, J.; Shao, C.; Voigt, M.; Westbrook, J.D.; et al. RCSB Protein Data Bank: Enabling biomedical research and drug discovery. Protein Sci. 2020, 29, 52–65. [Google Scholar] [CrossRef]
- Berman, H.M.; Westbrook, J.; Feng, Z.; Gilliland, G.; Bhat, T.N.; Weissig, H.; Shindyalov, I.N.; Bourne, P.E. The Protein Data Bank. Nucleic Acids Res. 2000, 28, 235–242. [Google Scholar] [CrossRef] [PubMed]
- Kumar Pasala, P.; Donakonda, M.; Dintakurthi, P.S.N.B.K.; Rudrapal, M.; Gouru, S.A.; Ruksana, K. Investigation of Cardioprotective Activity of Silybin: Network Pharmacology, Molecular Docking, and In Vivo Studies. ChemistrySelect 2023, 8, e202300148. [Google Scholar] [CrossRef]
- Prasanth, D.S.N.B.K.; Singh, G.; Panda, S.P.; Achanti, S.; Soni, H.; Chaudhuri, T.K.; Pawar, H.A.; Jahasultana, M. In Silico Screening of Plant-Derived Anti-virals from Shorea hemsleyana (King) King ex Foxw Against SARS CoV-2 Main Protease. Chem. Afr. 2022, 6, 345–366. [Google Scholar] [CrossRef]
- Yu, W.W.; Wang, Y.A.; Peng, X. Formation and Stability of Size-, Shape-, and Structure-Controlled CdTe Nanocrystals: Ligand Effects on Monomers and Nanocrystals. Chem. Mater. 2003, 15, 4300–4308. [Google Scholar] [CrossRef]
- Sonia Angeline, M.; Chaterjee, P.; Anand, K.; Ambasta, R.K.; Kumar, P. Rotenone-induced parkinsonism elicits behavioral impairments and differential expression of parkin, heat shock proteins and caspases in the rat. Neuroscience 2012, 220, 291–301. [Google Scholar] [CrossRef] [PubMed]
- Wang, W.W.; Han, R.; He, H.J.; Li, J.; Chen, S.Y.; Gu, Y.; Xie, C. Administration of quercetin improves mitochondria quality control and protects the neurons in 6-OHDA-lesioned Parkinson’s disease models. Aging 2021, 13, 11738–11751. [Google Scholar] [CrossRef] [PubMed]
- Altharawi, A.; Alharthy, K.M.; Althurwi, H.N.; Albaqami, F.F.; Alzarea, S.I.; Al-Abbasi, F.A.; Nadeem, M.S.; Kazmi, I. Europinidin Inhibits Rotenone-Activated Parkinson’s Disease in Rodents by Decreasing Lipid Peroxidation and Inflammatory Cytokines Pathways. Molecules 2022, 27, 7159. [Google Scholar] [CrossRef] [PubMed]
- Zaitone, S.A.; Ahmed, E.; Elsherbiny, N.M.; Mehanna, E.T.; El-Kherbetawy, M.K.; ElSayed, M.H.; Alshareef, D.M.; Moustafa, Y.M. Caffeic acid improves locomotor activity and lessens inflammatory burden in a mouse model of rotenone-induced nigral neurodegeneration: Relevance to Parkinson’s disease therapy. Pharmacol. Rep. 2019, 71, 32–41. [Google Scholar] [CrossRef] [PubMed]
- Baird, A.L.; Meldrum, A.; Dunnett, S.B. The staircase test of skilled reaching in mice. Brain Res. Bull. 2001, 54, 243–250. [Google Scholar] [CrossRef]
- El-Shamarka, M.E.A.; Kozman, M.R.; Messiha, B.A.S. The protective effect of inosine against rotenone-induced Parkinson’s disease in mice; role of oxido-nitrosative stress, ERK phosphorylation, and A2AR expression. Naunyn-Schmiedeberg’s Arch. Pharmacol. 2020, 393, 1041–1053. [Google Scholar] [CrossRef]
- Lee, H.J.; Choe, K.; Park, J.S.; Khan, A.; Kim, M.W.; Park, T.J.; Kim, M.O. O-Cyclic Phytosphingosine-1-Phosphate Protects against Motor Dysfunctions and Glial Cell Mediated Neuroinflammation in the Parkinson’s Disease Mouse Models. Antioxidants 2022, 11, 2107. [Google Scholar] [CrossRef]
- Gargiulo, S.; Greco, A.; Gramanzini, M.; Esposito, S.; Affuso, A.; Brunetti, A.; Vesce, G. Mice anesthesia, analgesia, and care, Part I: Anesthetic considerations in preclinical research. ILAR J. 2012, 53, E55–E69. [Google Scholar] [CrossRef]
- He, Y.; Ye, Z.; Liu, X.; Wei, Z.; Qiu, F.; Li, H.F.; Zheng, Y.; Ouyang, D. Can machine learning predict drug nanocrystals? J. Control. Release 2020, 322, 274–285. [Google Scholar] [CrossRef]
- Ohkawa, H.; Ohishi, N.; Yagi, K. Assay for lipid peroxides in animal tissues by thiobarbituric acid reaction. Anal. Biochem. 1979, 95, 351–358. [Google Scholar] [CrossRef]
- Beutler, E.; Duron, O.; Kelly, B.M. Improved method for the determination of blood glutathione. J. Lab. Clin. Med. 1963, 61, 882–888. [Google Scholar] [PubMed]
- Aebi, H. Catalase in vitro. Methods Enzymol. 1984, 105, 121–126. [Google Scholar] [CrossRef] [PubMed]
- Sharma, N.; Bafna, P. Effect of Cynodon dactylon on rotenone induced Parkinson’s disease. Orient. Pharm. Exp. Med. 2012, 12, 167–175. [Google Scholar] [CrossRef]
- Kakkar, P.; Das, B.; Viswanathan, P.N. A modified spectrophotometric assay of superoxide dismutase. Indian. J. Biochem. Biophys. 1984, 21, 130–132. [Google Scholar] [PubMed]
- Classics Lowry, O.; Rosebrough, N.; Farr, A.; Randall, R. Protein measurement with the Folin phenol reagent. J. Biol. Chem. 1951, 193, 265–275. [Google Scholar] [CrossRef]
- Schlumpf, M.; Lichtensteiger, W.; Langemann, H.; Waser, P.G.; Hefti, F. A fluorometric micromethod for the simultaneous determination of serotonin, noradrenaline and dopamine in milligram amounts of brain tissue. Biochem. Pharmacol. 1974, 23, 2437–2446. [Google Scholar] [CrossRef]
- Bancroft, J.D.; Gamble, M. Theory and Practice of Histological Techniques; Elsevier Health Sciences: Amsterdam, The Netherlands, 2008. [Google Scholar]
- Ahmad, A.; Ramasamy, K.; Jaafar, S.M.; Majeed, A.B.; Mani, V. Total isoflavones from soybean and tempeh reversed scopolamine-induced amnesia, improved cholinergic activities and reduced neuroinflammation in brain. Food Chem. Toxicol. 2014, 65, 120–128. [Google Scholar] [CrossRef]
- Khurana, N.; Gajbhiye, A. Ameliorative effect of Sida cordifolia in rotenone induced oxidative stress model of Parkinson’s disease. Neurotoxicology 2013, 39, 57–64. [Google Scholar] [CrossRef]
- Chen, Z.; Wang, X.; Li, Y.; Wang, Y.; Tang, K.; Wu, D.; Zhao, W.; Ma, Y.; Liu, P.; Cao, Z. Comparative Network Pharmacology Analysis of Classical TCM Prescriptions for Chronic Liver Disease. Front. Pharmacol. 2019, 10, 1353. [Google Scholar] [CrossRef] [PubMed]
- Cai, F.F.; Bian, Y.Q.; Wu, R.; Sun, Y.; Chen, X.L.; Yang, M.D.; Zhang, Q.R.; Hu, Y.; Sun, M.Y.; Su, S.B. Yinchenhao decoction suppresses rat liver fibrosis involved in an apoptosis regulation mechanism based on network pharmacology and transcriptomic analysis. Biomed. Pharmacother. 2019, 114, 108863. [Google Scholar] [CrossRef]
- Shawky, E. Prediction of potential cancer-related molecular targets of North African plants constituents using network pharmacology-based analysis. J. Ethnopharmacol. 2019, 238, 111826. [Google Scholar] [CrossRef] [PubMed]
- Hungin, A.P.S.; Whorwell, P.J.; Tack, J.; Mearin, F. The prevalence, patterns and impact of irritable bowel syndrome: An international survey of 40,000 subjects. Aliment. Pharmacol. Ther. 2003, 17, 643–650. [Google Scholar] [CrossRef]
- Kathia, M.H.; Tiago, L.M.; Adriano, D.A. Pharmacokinetic Properties and In Silico ADME Modeling in Drug Discovery. Med. Chem. 2013, 9, 163–176. [Google Scholar] [CrossRef]
- Bocci, G.; Carosati, E.; Vayer, P.; Arrault, A.; Lozano, S.; Cruciani, G. ADME-Space: A new tool for medicinal chemists to explore ADME properties. Sci. Rep. 2017, 7, 6359. [Google Scholar] [CrossRef]
- Du, W.; Liang, X.; Wang, S.; Lee, P.; Zhang, Y. The Underlying Mechanism of Paeonia lactiflora Pall. in Parkinson’s Disease Based on a Network Pharmacology Approach. Front. Pharmacol. 2020, 11, 581984. [Google Scholar] [CrossRef] [PubMed]
- Boyina, H.K.; Geethakhrishnan, S.L.; Panuganti, S.; Gangarapu, K.; Devarakonda, K.P.; Bakshi, V.; Guggilla, S.R. In Silico and In Vivo Studies on Quercetin as Potential Anti-Parkinson Agent. In Proceedings of the GeNeDis 2018: 3rd World Congress on Genetics, Geriatrics and Neurodegenerative Disease Research, Toronto, ON, Canada, 25–28 October 2018; Volume 1195, pp. 1–11. [Google Scholar] [CrossRef]
- Jadhav, R.; Kulkarni, Y.A. Neuroprotective Effect of Quercetin and Memantine against AlCl(3)-Induced Neurotoxicity in Albino Wistar Rats. Molecules 2023, 28, 417. [Google Scholar] [CrossRef]
- Jin, T.; Zhang, Y.; Botchway, B.O.A.; Huang, M.; Lu, Q.; Liu, X. Quercetin activates the Sestrin2/AMPK/SIRT1 axis to improve amyotrophic lateral sclerosis. Biomed. Pharmacother. 2023, 161, 114515. [Google Scholar] [CrossRef] [PubMed]
- Barroso-Chinea, P.; Luis-Ravelo, D.; Fumagallo-Reading, F.; Castro-Hernández, J.; Salas-Hernández, J.; Rodríguez-Núñez, J.; Febles-Casquero, A.; Cruz-Muros, I.; Afonso-Oramas, D.; Abreu-Gonzalez, P.; et al. DRD3 (Dopamine Receptor D3) but Not DRD2 Activates Autophagy Through MTORC1 Inhibition Preserving Protein Synthesis. Autophagy 2019, 16, 1279–1295. [Google Scholar] [CrossRef]
- Tokunaga, N.; Choudhury, M.E.; Nishikawa, N.; Nagai, M.; Tujii, T.; Iwaki, H.; Kaneta, M.; Nomoto, M. Pramipexole Upregulates Dopamine Receptor D2 and D3 Expression in Rat Striatum. J. Pharmacol. Sci. 2012, 120, 133–137. [Google Scholar] [CrossRef]
- Rathore, A.; Asati, V.; Mishra, M.; Das, R.; Kashaw, V.; Kashaw, S.K. Computational approaches for the design of novel dopamine D(2) and serotonin 5-HT(2A) receptor dual antagonist towards schizophrenia. In Silico Pharmacol. 2022, 10, 7. [Google Scholar] [CrossRef]
- Kumar, P.; Sharma, G.; Kumar, R.; Singh, B.; Malik, R.; Katare, O.P.; Raza, K. Promises of a biocompatible nanocarrier in improved brain delivery of quercetin: Biochemical, pharmacokinetic and biodistribution evidences. Int. J. Pharm. 2016, 515, 307–314. [Google Scholar] [CrossRef] [PubMed]
- Junghanns, J.U.; Muller, R.H. Nanocrystal technology, drug delivery and clinical applications. Int. J. Nanomed. 2008, 3, 295–309. [Google Scholar] [CrossRef]
- Palle, S.; Neerati, P. Quercetin nanoparticles attenuates scopolamine induced spatial memory deficits and pathological damages in rats. Bull. Fac. Pharm. Cairo Univ. 2017, 55, 101–106. [Google Scholar] [CrossRef]
- Khalil, W.K.; Assaf, N.; ElShebiney, S.A.; Salem, N.A. Neuroprotective effects of bee venom acupuncture therapy against rotenone-induced oxidative stress and apoptosis. Neurochem. Int. 2015, 80, 79–86. [Google Scholar] [CrossRef] [PubMed]
- Heim, K.E.; Tagliaferro, A.R.; Bobilya, D.J. Flavonoid antioxidants: Chemistry, metabolism and structure-activity relationships. J. Nutr. Biochem. 2002, 13, 572–584. [Google Scholar] [CrossRef]
- Erden Inal, M.; Kahraman, A. The protective effect of flavonol quercetin against ultraviolet a induced oxidative stress in rats. Toxicology 2000, 154, 21–29. [Google Scholar] [CrossRef]
- Karuppagounder, S.S.; Madathil, S.K.; Pandey, M.; Haobam, R.; Rajamma, U.; Mohanakumar, K.P. Quercetin up-regulates mitochondrial complex-I activity to protect against programmed cell death in rotenone model of Parkinson’s disease in rats. Neuroscience 2013, 236, 136–148. [Google Scholar] [CrossRef]
- Guo, J.D.; Zhao, X.; Li, Y.; Li, G.R.; Liu, X.L. Damage to dopaminergic neurons by oxidative stress in Parkinson’s disease (Review). Int. J. Mol. Med. 2018, 41, 1817–1825. [Google Scholar] [CrossRef]
- Hamed, M.; Aboul Naser, A.; Elbatanony, M.; El-Feky, A.; Matloub, A.; El-Rigal, N.; Khalil, W. Therapeutic Potential of Citrus sinensis Peels Against Rotenone Induced Parkinsonism in Rats. Curr. Bioact. Compd. 2021, 17, 22–39. [Google Scholar] [CrossRef]
- Zhao, X.; Kong, D.; Zhou, Q.; Wei, G.; Song, J.; Liang, Y.; Du, G. Baicalein alleviates depression-like behavior in rotenone-induced Parkinson’s disease model in mice through activating the BDNF/TrkB/CREB pathway. Biomed. Pharmacother. 2021, 140, 111556. [Google Scholar] [CrossRef]
- Neethu, C.; Kavitha, V.; Krishnakumar, K. Quercetin nanocrystal formulation: In vitro anti-tumor activity against dalton lymphoma cells. J. Drug Discov. Ther. 2015, 3. [Google Scholar]






















| Rank | Abbreviation | Full Form | Description |
|---|---|---|---|
| 1 | DRD2 | Dopamine Receptor D2 | A gene encoding a dopamine receptor subtype implicated in various neurological and psychiatric conditions. |
| 2 | DRD4 | Dopamine Receptor D3 | Another dopamine receptor subtype involved in neuropsychiatric disorders. |
| 3 | DBH | Dopamine Beta-Hydroxylase | It is involved in the conversion of dopamine into norepinephrine and has relevance to various neurological and psychiatric conditions. |
| 4 | NTRK3 | Neurotrophic Tyrosine Kinase Receptor Type 3 | Encodes a receptor for neurotrophins and plays a role in neuronal development and function. |
| 5 | CDH1 | Cadherin-1 | Encodes a protein involved in cell adhesion and is associated with various cancers, particularly gastric cancer. |
| 6 | GFRA1 | GDNF Family Receptor Alpha 1 | A receptor for the glial cell line-derived neurotrophic factor (GDNF) that plays a role in neuronal development and maintenance. |
| 7 | BDNF | Brain-Derived Neurotrophic Factor | A gene encodes a protein that supports the survival and growth of neurons. It is important in neurodevelopment and mental health. |
| 8 | CCND1 | Cyclin D1 | Encodes a protein involved in cell cycle regulation and is frequently overexpressed in cancer. |
| 9 | CREBBP | CREB-Binding Protein | It is important for gene regulation and is associated with Rubinstein–Taybi syndrome and other conditions. |
| 10 | RET | Ret Proto-Oncogene | Associated with developing multiple endocrine neoplasia type 2 (MEN2) and other cancers. |
| Ligands | Target | Binding Affinity, ΔG (Kcal/mol) | Amino Acids Involved and Distance (Å) | ||
|---|---|---|---|---|---|
| Hydrogen Bond Interactions | Hydrophobic Interactions | Electrostatic Interactions | |||
| QUE | D2 receptor (PDB:6CM4) | −8.4 | SER A:193 (3.86) | VAL A:115 (5.22), CYS A:118 (6.70), TRP A:386 (7.29), PHE A:389 (6.17), HIS A:393 (6.07) | ASP A:114 (6.09) |
| L-Dopa | −6.4 | ASP A:114 (3.82), VAL A:115 (3.56) | SER A:193 (3.92), SER A:197 (4.43) | ASP A:114 (5.93) | |
| Co-Crystallized Ligand (Risperidone) | −8.0 | - | VAL A:91 (5.23), LEU A:94 (6.07), TRP A:100 (6.56), PHE A:110 (6.34), TYR A:408 (4.26), THR A:412 (5.43), VAL A:115 (4.73), PHE A:390 (7.25), SER A:197 (5.03), TRP A:386 (5.02), PHE A:389 (6.69), CYS A:118 (5.03, 4.41, 5.02, 6.68) | - | |
| QUE | D4 receptor (PDB:5WIU) | −8.3 | VAL A:116 (2.91), CYS A:185 (3.34) | LEU A:187 (5.17), HIS A:414 (6.18, 4.62, 5.15), VAL A:116 (5.38), PHE A:410 (6.39, 6.52) | MET A:112 (6.35), ASP A:115 (5.85) |
| L-Dopa | −6.2 | LEU A:187 (3.63), SER A:196 (4.82), HIS A:414 (4.77) | VAL A:116 (6.38), PHE A:410 (6.38), SER A:196 (3.82) | - | |
| Co-Crystallized Ligand (Nemonapride) | −8.7 | ASP A:115 (4.31) | LEU A:90 (7.70), PHE A:91 (4.53), LEU A:111 (6.24), ASP A:115 (3.99), CYS A:119 (4.81, 7.09), TRP A:407 (4.39), PHE A:410 (5.25, 6.24), VAL A:193 (4.12), PHE A:411 (6.42) | - | |
Disclaimer/Publisher’s Note: The statements, opinions and data contained in all publications are solely those of the individual author(s) and contributor(s) and not of MDPI and/or the editor(s). MDPI and/or the editor(s) disclaim responsibility for any injury to people or property resulting from any ideas, methods, instructions or products referred to in the content. |
© 2023 by the authors. Licensee MDPI, Basel, Switzerland. This article is an open access article distributed under the terms and conditions of the Creative Commons Attribution (CC BY) license (https://creativecommons.org/licenses/by/4.0/).
Share and Cite
Lakshmi, Y.S.; Prasanth, D.S.N.B.K.; Kumar, K.T.S.; Ahmad, S.F.; Ramanjaneyulu, S.; Rahul, N.; Pasala, P.K. Unravelling the Molecular Mechanisms of a Quercetin Nanocrystal for Treating Potential Parkinson’s Disease in a Rotenone Model: Supporting Evidence of Network Pharmacology and In Silico Data Analysis. Biomedicines 2023, 11, 2756. https://doi.org/10.3390/biomedicines11102756
Lakshmi YS, Prasanth DSNBK, Kumar KTS, Ahmad SF, Ramanjaneyulu S, Rahul N, Pasala PK. Unravelling the Molecular Mechanisms of a Quercetin Nanocrystal for Treating Potential Parkinson’s Disease in a Rotenone Model: Supporting Evidence of Network Pharmacology and In Silico Data Analysis. Biomedicines. 2023; 11(10):2756. https://doi.org/10.3390/biomedicines11102756
Chicago/Turabian StyleLakshmi, Yeruva Sai, D. S. N. B. K. Prasanth, Karumuri Taraka Sunil Kumar, Sheikh F. Ahmad, Seemaladinne Ramanjaneyulu, Nalluri Rahul, and Praveen Kumar Pasala. 2023. "Unravelling the Molecular Mechanisms of a Quercetin Nanocrystal for Treating Potential Parkinson’s Disease in a Rotenone Model: Supporting Evidence of Network Pharmacology and In Silico Data Analysis" Biomedicines 11, no. 10: 2756. https://doi.org/10.3390/biomedicines11102756
APA StyleLakshmi, Y. S., Prasanth, D. S. N. B. K., Kumar, K. T. S., Ahmad, S. F., Ramanjaneyulu, S., Rahul, N., & Pasala, P. K. (2023). Unravelling the Molecular Mechanisms of a Quercetin Nanocrystal for Treating Potential Parkinson’s Disease in a Rotenone Model: Supporting Evidence of Network Pharmacology and In Silico Data Analysis. Biomedicines, 11(10), 2756. https://doi.org/10.3390/biomedicines11102756

