Next Article in Journal
Electro-Mechanical Whole-Heart Digital Twins: A Fully Coupled Multi-Physics Approach
Next Article in Special Issue
H and Passive Fuzzy Control for Non-Linear Descriptor Systems with Time-Varying Delay and Sensor Faults
Previous Article in Journal
Neural Architecture Search for Lightweight Neural Network in Food Recognition
Previous Article in Special Issue
Optimization of Financial Asset Neutrosophic Portfolios
 
 
Font Type:
Arial Georgia Verdana
Font Size:
Aa Aa Aa
Line Spacing:
Column Width:
Background:
Article

Stability Analysis of Systems with Fuzzy PI Controllers Applied to Electric Drives

by
Constantin Voloşencu
Department of Automation and Applied Informatics, Faculty of Automation and Computers, “Politehnica” University Timisoara, 300223 Timişoara, Romania
Mathematics 2021, 9(11), 1246; https://doi.org/10.3390/math9111246
Submission received: 27 April 2021 / Revised: 24 May 2021 / Accepted: 25 May 2021 / Published: 29 May 2021
(This article belongs to the Special Issue Fuzzy and Extension of Fuzzy Theories)

Abstract

This paper analyzes the stability of fuzzy control systems with applications for electric drives. Ensuring the stability of these systems is a necessity in practice. The purpose of the study is the analysis of the dynamic characteristics of the speed control systems of electric drives based on fuzzy PI controllers in the context of performing stability analyses, both internal and input–output, finding solutions to stabilize these systems and provide guidance on fuzzy regulator design. The main methods of treatment applied are as follows: framing the control system in the theory of stability of multivariable non-linear systems, application of Lyapunov’s theory, performing an input–output stability analysis, and verification of the stability domain. The article presents the conditions for correcting the fuzzy controller to ensure internal and external stability, determines the limits of the stability sector, and gives indications for choosing the parameters of the controller. The considerations presented can be applied to various structures for regulating the speed of electric drives which use various PI fuzzy controllers.

1. Introduction

The study presented in this paper fits into the broader context of the mathematics of fuzzy controllers, Mamdani structures, and the control of electric drives, as well as the industrial application of fuzzy control systems. Various scientific papers have appeared in the literature for many years, presenting examples of the use of fuzzy logic in regulating the speed of electric drives [1,2]. The paper [3] addresses a variety of issues related to advances in control techniques for electric drives in emerging fields such as electric vehicles, UAVs, trains, and motion control. Fuzzy logic is an instrument of artificial intelligence which translates human reasoning into numerical calculations [4,5]. In these studies, there are particular cases of the use of fuzzy PI regulators. In practice, however, their widespread application in commercial equipment to control electric drives is hampered by a number of impediments, such as the lack of precise methods for designing control systems based on fuzzy logic, the lack of precise methods of stability analysis, based on which one can be confident that they can undoubtedly ensure a certain quality of stability of the control systems of electric drives, and, finally, the increased complexity of the development systems of driving equipment based on fuzzy logic.
The analysis of the stability of fuzzy control systems is approached in the literature by using various methods of analysis: utilization of a small-signal state-space linearized model [6] based on Lyapunov’s direct method [7,8], using the Toeplitz matrices and their singular values [9], analyzing input-to-state stability and imposing some conditions [10], and applying Lyapunov’s functions and theorem [11,12].
This paper provides solutions to eliminate the disadvantages in the implementation of speed regulators based on fuzzy blocks. The analysis performed in the paper is intended for various types of fuzzy block, made with various membership functions, fuzzyfication methods, rule bases, inferences, or defuzzification methods. In practice, many fuzzy blocks, which have a general Mamdani structure, meet the sector conditions necessary to ensure stability in accordance with the method of this paper. Several structures of fuzzy blocks that have three, five, and seven membership functions, rule bases with 3 × 3, 3 × 5, 5 × 5, and 5 × 7 fuzzy values, inferences with min–max and prod–sum methods, and defuzzification with the center of gravity meeting the sector conditions are necessary to ensure stability in accordance with the methods of this paper. The stability analysis performed will show which sector conditions the fuzzy blocks must meet to ensure the global asymptotic internal stability of speed control systems. Answering these questions, it will be possible to eliminate, at a later design stage, the empirical and unsystematic character of implementing the knowledge of the operator and of the synthesis of the speed regulator based on fuzzy logic. Another major disadvantage to which a solution is given is the impossibility of demonstrating the stability of fuzzy control systems in general in the absence of valid models for control systems based on fuzzy logic. Hence, it is impossible to determine the quality of the stability of the control system. In the design of control structures with regulators based on fuzzy logic, knowledge of automatic control engineering was applied, despite the opinion of some that the use of fuzzy logic is possible without any knowledge of the theory of control systems. No matter how much fuzzy logic-based control structures have been developed, as will be seen in the paper, one cannot advance without using knowledge from the theory of invariant linear and non-linear control systems, a theory that is strong and well-structured and that meets practical requirements. Due to the fact that control structures based on fuzzy logic can only be implemented by using digital equipment, such as fast digital signal processors, it is necessary to use the theory of digital control systems and apply theories for quasi-continuous systems.
The paper is further structured into four sections: preliminaries, stability analysis, discussions, and conclusions. The steps followed in the stability analysis procedure are presented below, in a step-by-step flowchart.
StepsResults
Determination of the mathematical model of the regulation systemBlock diagram of the control system, mathematical models of the components (motor, converter, sensors), parameter values
Determination of the fuzzy PI controller modelBlock diagram of the fuzzy controller
Calculation of the transfer characteristics of the fuzzy non-linear block
Equivalence of the mathematical model of the fuzzy regulator
Designing the coefficients of the fuzzy regulator
Construction of the block scheme for stability analysisCalculation of the mathematical model for stability analysis
Calculation of the transfer characteristics of the non-linear part
Analysis of the steady-state regimeCalculation of the steady-state regime values for the system variables
Analysis of the state portrait of the rule baseDemonstration of the existence of stable state trajectories
Calculation of the root locus of the linear partCalculation of the poles and zeros of the linear part
Determination of the shape of the root locus
Correction of the non-linear partCalculation of the transfer characteristics of
the corrected non-linear part
Calculation of the range of variation of the limits of the stability sector in which the non-linearity fallsCalculation of the minimum and maximum values of
the sector domain
Construction of the block diagram for the analysis of internal stabilityCalculation of its mathematical model
Application of the Kalman–Yakubovich–Popov lemmaDetermination of the positively defined function
Demonstration of internal stability applying Lyapunov’s methodChoosing the Lyapunov function
Demonstration of absolute global internal stability
Application of the circle criterionConstruction of the linear part hodograph.
Location of the circle
The procedure for correcting the characteristics of non-linearity and determining the stability sectorIndication for correcting the sector limits
Simulation testing of the limits of the stability sectorDetermining the transient regime characteristics for various values of the scaling coefficient
Demonstration of the external bounded-input bounded-output (BIBO) stabilityDetermining the equations of the regulation system for the analysis of the input–output stability
Demonstration of the fulfillment of the conditions for
BIBO external stability
Verification by simulation of the BIBO external stability of
the control system

2. Preliminaries

2.1. Control Structure

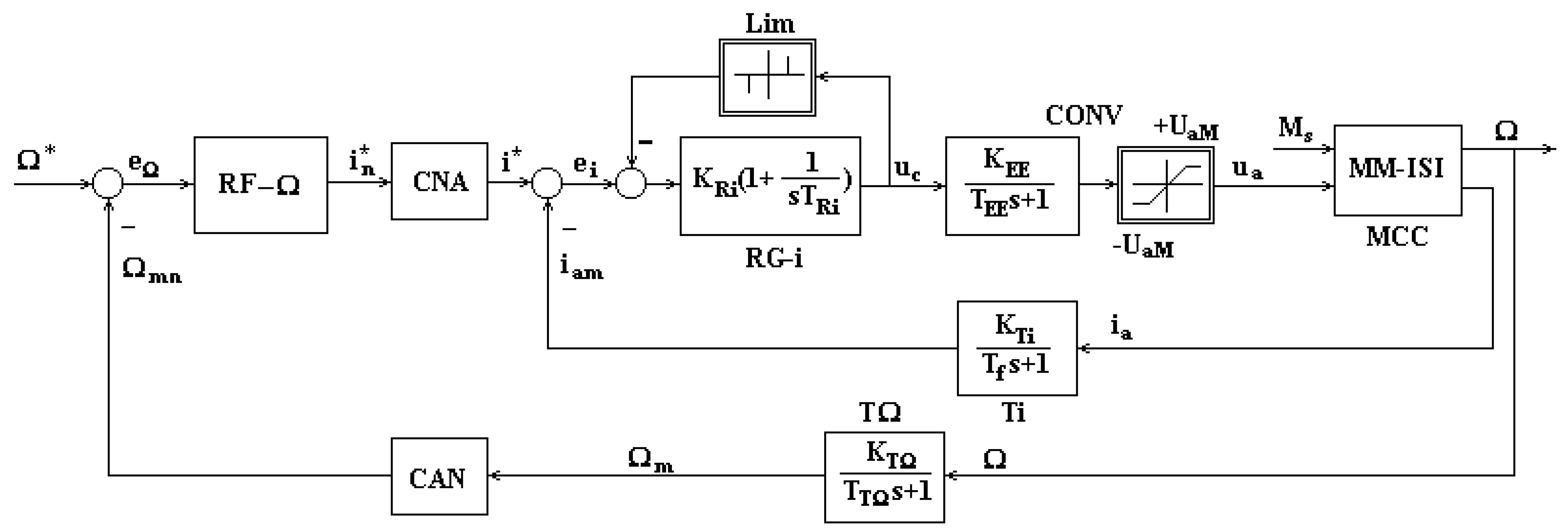
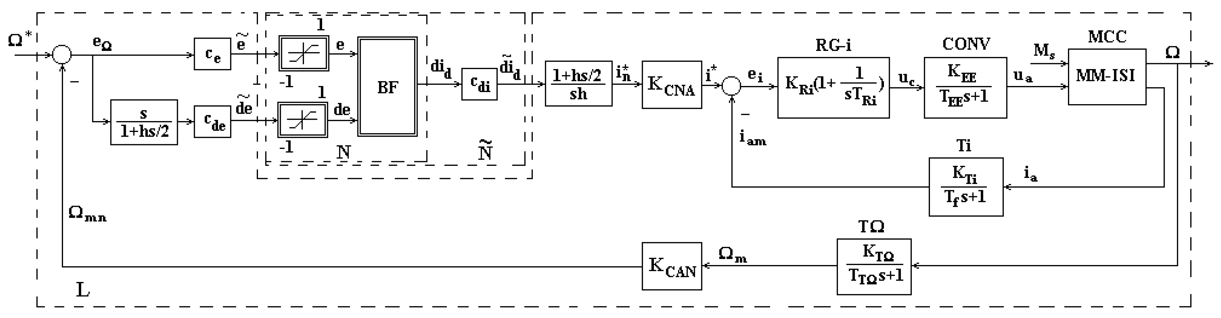
Figure 1 shows the speed control structure of the electric drive, with a speed regulator based on fuzzy logic [13,14].
The meaning of the notations in the figure is as follows: MCC—DC motor, MM-ISI—motor state-space equations, Ms—load torque, Ω—rotational speed, ua—armature voltage, +/−UaM—armature voltage limitations, CONV—electronic power convertor, KEE—convertor gain, TEE—convertor time constant, s—Laplace transformation complex variable, uc—control variable from the current controller, RG-i—current controller, KRGi—current controller gain, TRi—integrating time constant of the current regulator, Lim—non-linear limiting block with anti-wind-up effect, ei—current error, CNA—digital to analog convertor, i*—analog current reference, ia*—digital current reference, RF-Ω—fuzzy speed controller, eΩ—speed error, Ω*—speed reference, Ωmn—digital measured speed, CAN—analog to digital converter, TΩ—speed sensor, K—speed sensor gain, T—speed sensor time constant. The speed control structure was classic [15], and it replaced the linear PI speed controller with a fuzzy PI controller. The current control loop was dimensioned based on the modulus optimum criterion, in the Kessler version [16].
The DC motor has the equations:
u a = R a i a + L a d i a d t + e J d Ω d t = M k f Ω M s
where
e = k e Ω M = k m i a
The motor parameters are as follows: Pn = 1 kW, Un = 220 V, nn = 3000 rot./min, η = 0.75, p = 2, J = 0.006 kgm2, Mn = Pnn = 3.2 Nm, Ωn = 2 πnn/60 = 314 rad/s, In = Pn/η/Un = 6 A, IM = Ilim = 1.8 In = 10.8 A, Ra = 0.055 Un/In = 2.01 Ω, La = 5.6 Un/nn/p/In = 0.034 H, Ta = La/Ra = 0.017 ms, ke = (UnInRa)/Ωn = 0.664 Vs, km = Mn/In = 0.533 Nm/A, kf = 0.08 Mnn = 8.10−4 Nms. The parameters of the current regulator, those of the power converter and of the current and speed sensors are: KRGi = 0.2, TRGi = Ta = 0.017 ms, KEE = 22, TEE = 0.8 ms, KTi = 1 A−1, TTi = 4 ms, K = 0.1 π/Vs, T = 10 ms. The analog-to-digital and digital-to-analog converters used in the control structure were considered to be 12 bits and have a maximum analog voltage of 10 V. In this case, for the values of the amplifications introduced by these converters, the following values resulted as: KCAN = 211/10 = 204.8 bit/Volt and KCNA = 1/KCAN = 0.0049 Volt/bit.

2.2. Speed Fuzzy PI Controller

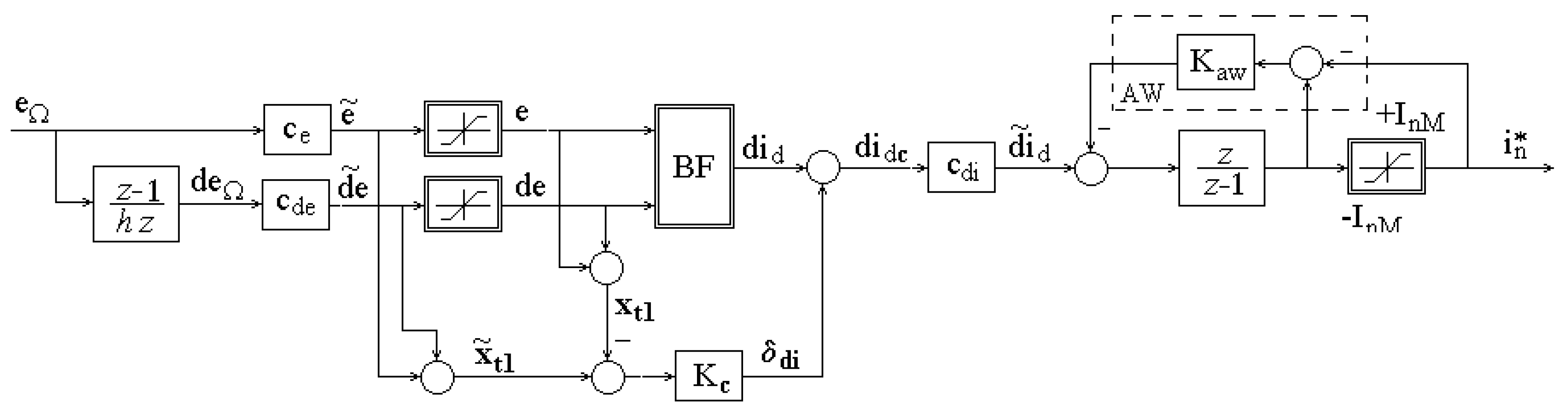
The block diagram of the speed controller based on fuzzy logic had a structure as shown in Figure 2 [17,18,19].
The speed controller is a PI fuzzy controller with integration (summation) at the output. A circuit with a negative reaction anti-wind-up, denoted AW, was introduced in this scheme. The meanings of the notations in the figure are as follows: eΩ—speed error, deΩ—error derivative, ce and cde—scaling coefficients, BF—fuzzy block, did—defuzzified value, current increment, cdi—control output gain, KAW—gain coefficient, +/−InM—the maximum limit current prescribed in transient regime, in*—digital current reference, e, de—fuzzy block inputs. The values at the fuzzy bloc inputs are scaled in the universes of discourse.
For the amplification coefficients ce and cde, from the two inputs of the fuzzy block, values obtained by a pseudo-equivalence of the fuzzy PI regulator with a linear PI regulator dimensioned with the symmetrical optimal criterion in Kessler’s variant were adopted, after iterative tests.

2.3. Transfer Characteristics of the Fuzzy Block

The fuzzy block BF from Figure 2 may be developed using Mamdani’s structure, with different membership functions, fuzzyfication methods, rule bases, inference methods and defuzzification methods [17,18,19]. In this paper, an example of fuzzy block with membership functions from Figure 3a, a rule base with nine rules, min–max inference and defuzzification with center of gravity is taken in consideration. It has the highest non-linear character. Its transfer characteristics are presented in Figure 3b–d, where xt1 = e + de [17,18,19].

2.4. Pseudo-Equivalence of the Fuzzy PI Controller

A pseudo-equivalence with a linear PI controller is used to design the fuzzy PI controller, in accordance with [20,21,22,23]. The fuzzy block BF is linearized around the steady state operating point: (e = 0, de = 0, did = 0). Its output is given by Equation (3):
d i d = K 0 ( e + d e )
K0 is calculated from the characteristic families KBF = (xt1; de) with Equation (4):
K 0 = lim x t 1 0 K B F ( x t 1 ;   0 )
The characteristic of the fuzzy block linearized around the origin is:
d i d ˜ = c d i K 0 ( e + d e ) ,   c ˜ d i = c d i K 0
The transfer function of the fuzzy speed controller RF-Ω in the z domain is:
i n * ( z ) = z z 1 c ˜ d i [ e ( z ) + d e ( z ) ] = z z 1 c ˜ d i [ c e + c d e z 1 h z ] e Ω ( z )
The transfer function of the fuzzy speed controller RF-Ω is:
H R F ( z ) = i n * ( z ) e Ω ( z ) = z z 1 c ˜ d i ( c e + c d e z 1 h z )
The linear PI controller has the transfer function:
H R Ω ( s ) = K R Ω ( 1 + 1 s T R Ω )
With a quasi-continuous form:
H R F ( s ) = i n * ( s ) e Ω ( s ) = H R F ( z ) | z = 1 + s h / 2 1 s h / 2 = c ˜ d i h ( c d e + h 2 c e ) [ 1 + c e ( c d e + c e h / 2 ) s ]
In accordance with [20,21,22], the relationships for controller coefficients are:
c e = h K R Ω c d M K 0 T R Ω ,   c d e = c e ( T R Ω h / 2 )
were h is the sampling period.

2.5. Model of the Control System Used in Stability Analysis

For the analysis of the stability of the speed control system of electric drives based on fuzzy speed controller, we worked with a quasi-continuous model of the control system, as shown in Figure 4.
The elements of derivation and numerical integration have been replaced by continuous transfer functions [20,21,22,23]. The sampling step was denoted by h.
The system from Figure 4 has the equations:
Ω ˙ m n = 1 T T Ω Ω m n + K C A N K T Ω T T Ω Ω x ˙ a 1 = 2 c d e h Ω m n 2 h x a 1 + 2 c d e h Ω * Ω ˙ = k f J Ω + k m J i a 1 J M s i ˙ a = k e L a Ω R a L a i a + 1 L a u a u ˙ a = 1 T E E u a + K E E T E E x a 2 K E E K R i T E E i a m + K E E K R i T E E x a 3 + K E E K R i K C N A 2 T E E d i ˜ d x ˙ a 2 = K R i T R i i a m + K R i T R i x a 3 + K R i K C N A 2 T R i d i ˜ d i ˙ a m = 1 T f i a m + K T i T f i a x ˙ a 3 = K C A N h d i ˜ d y ˜ 1 = e ˜ = c e Ω m n + c e Ω * y ˜ 2 = d e ˜ = 2 c d e h Ω m n 2 h x a 1 + 2 c d e h Ω * d i ˜ d = c d i d i d = c d i f B F ( e , d e ) = f ˜ N ˜ ( e ˜ , d e ˜ )
where
x a 1 = c d e e Ω h 2 d e ˜ e Ω = Ω * Ω m n x a 2 = u c K R i e i e i = i * i a m x a 3 = i * K C N A 2 d i ˜ d
In the block diagram in Figure 3, the fuzzy block, BF, together with the saturated elements at its inputs form a nonlinear part are symbolized with N. The non-linear part N, with the increment coefficient of the current cdi, forms the global non-linearity N ˜ . The linear L part is formed by the rest of the blocks. In the structure in Figure 3, the block AW was not taken into account. In the above equations the fuzzy bloc is described by the two variable non-linear functions f B F ( e , d e ) , and f ˜ N ˜ ( e ˜ , d e ˜ ) . The function of two variables of N is f ˜ N ˜ ( y ˜ ) .
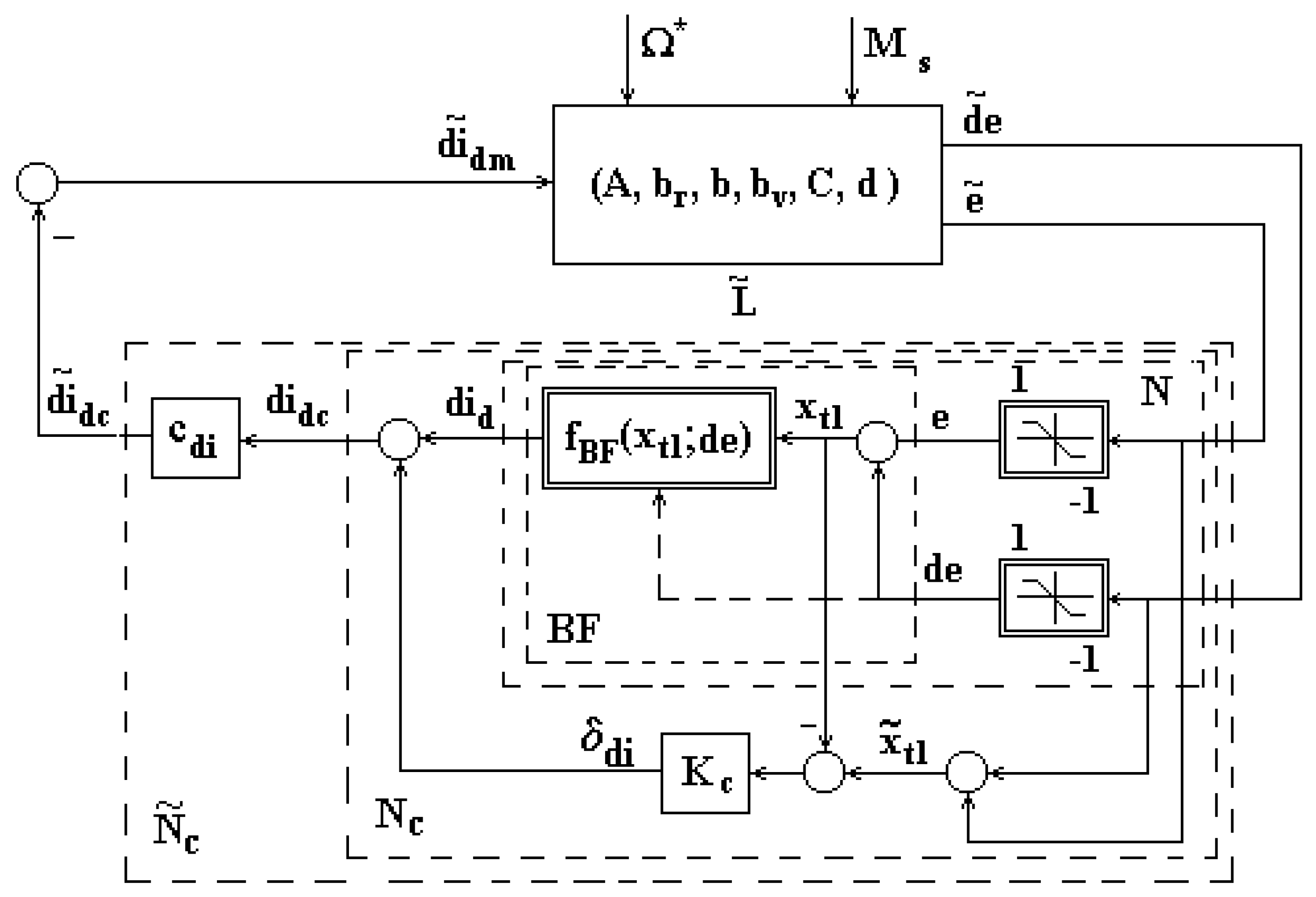
Figure 5 shows the structure of Figure 4, reconfigured into a structure specific to addressing the problem of absolute stability, recommended in [24,25,26,27], for systems with a non-linearity.
In Figure 5, the linear part L ˜ has d i ˜ d m = d i ˜ d as an input variable. The block L ˜ differs from the block L by the placement of an inverter block at the entrance. Its output is y ˜ = [ y ˜ 1     y ˜ 2 ] T = [ e ˜   d e ˜ ] T . The non-linearity N ˜ is placed in the negative feedback. The fuzzy block BF has the inputs y = [ y 1   y 2 ] T = [ e   d e ] T . Equations (11) and (12) of the control system can be reproduced and concentrated, following the inserting of the input inverter block by the mathematical model:
x ˙ ( t ) = A · x ( t ) + b r · d i ˜ d m ( t ) + b · Ω * ( t ) + b v · M s ( t ) y ˜ ( t ) = C · x ( t ) + d · Ω * ( t ) d i ˜ d m = f ˜ N ˜ ( e ˜ , d e ˜ ) = c d i · d i d d i d = f N ( e ˜ , d e ˜ )
where
x = [ Ω m n x a 1 Ω i a u a x a 2 i a m x a 3 ] T y ˜ = [ e ˜ d e ˜ ] T A = [ 1 T T Ω 0 K C A N K T Ω T T Ω 0 0 0 0 0 2 c d e h 2 h 0 0 0 0 0 0 0 0 k f J k m J 0 0 0 0 0 0 k e L a R a L a 1 L a 0 0 0 0 0 0 0 1 T E E K E E T E E K E E K R i T E E K E E K R i T E E 0 0 0 0 0 K R i T R i 0 K R i T R i 0 0 0 0 0 0 1 T f K T i T f 0 0 0 0 0 0 0 0 ] b r = [ 0 0 0 0 K E E K R i K C N A 2 T E E K R i K C N A 2 T R i 0 K C N A h ] T b = [ 0 2 c d e h 0 0 0 0 0 0 ] T b v = [ 0 0 1 J 0 0 0 0 0 ] T C = [ c e 0 0 0 0 0 0 0 2 c d e h 2 h 0 0 0 0 0 0 ] d = [ c e 2 c d e h ] T
The non-linear function of two variables was attached to the fuzzy block:
d i d = f B F ( e , d e )
with the universes of discourse Ue, Ude and Udi from Figure 3a.
With the compound variable xt1:
x t 1 = [ 1 1 ] y = e + d e
and the function of variable xt1 and parameter de:
K B F ( x t 1 ; d e ) = f B F ( e , d e ) x t 1 , x t 1 0
the variable did is expressed under the form:
d i d = { K B F ( x t 1 ; d e ) x t 1   , p t . x t 1 0 0 , p t . x t 1 = 0
The families of characteristics did = f(xt1; de), from Figure 3c, have the property that they are only in quadrants I and III [20,21,22].
The values of the function KBF(xt1; de) may be determined from the family of characteristics from Figure 3d [20,21,22]. This family of characteristics induces the need for the relationship:
0 K B F ( x t 1 ; d e ) K M
The values of KM may be determined from Figure 3d [17,18,19].
The new structure obtained from Figure 5 after the transformation with the Equations (16)–(18) is presented in Figure 6.
The fuzzy block works on the discourse universe [−1, 1], x t 1 [ 2 ,   2 ] . The family of characteristics did = f (xt1; de) is shown in Figure 7.
If the fuzzy block is working on the extended universe of discourse, the “indeterminacy syndrome” appears. This is due to the saturations of the membership functions at the extremities of universes of discourse. Therefore, did is 0 for any e > 1, and de < −1 for any e < −1 and de > 1. This behavior can be observed in Figure 3b,c.
In the analysis of the stability of the speed control system of the direct current machine, it must be taken into account that the non-linearity N has saturation parts.
It has the non-linear function:
d i d = f N ( e ˜ , d e ˜ )
With a new compound variable:
x ˜ t 1 = [ 1 1 ] y ˜ = e ˜ + d e ˜
and a new function KN of the compound variable x ˜ t 1 and parameter d e ˜
K N ( x ˜ t 1 ; d e ˜ ) = f N ( e ˜ , d e ˜ ) x ˜ t 1 , x ˜ t 1 0
the variable did may be expressed under the form:
d i d = { K N ( x ˜ t 1 ; d e ˜ ) x ˜ t 1   , p t . x ˜ t 1 0 0 , p t . x ˜ t 1 = 0
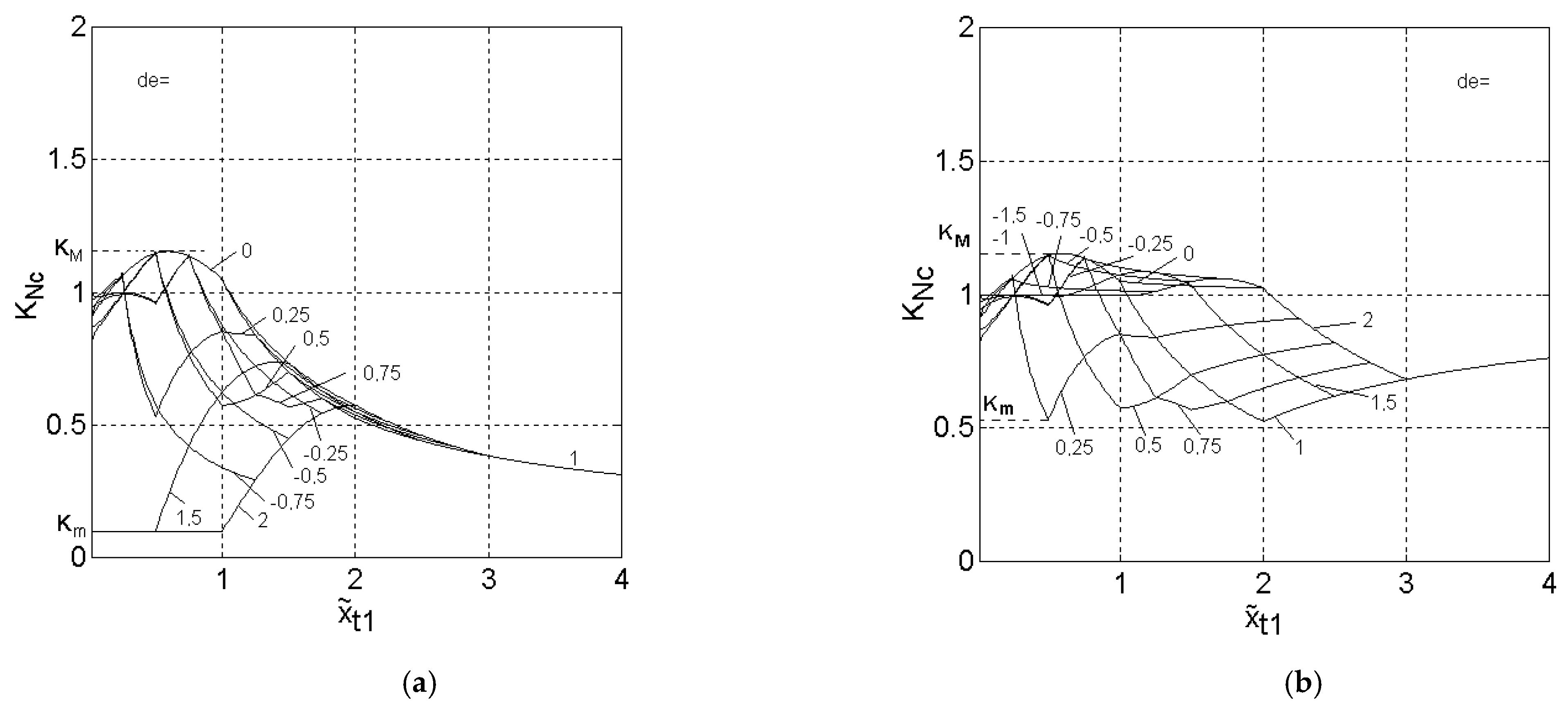
The family of characteristics d i d = f ˜ ( x ˜ t 1 ; d e ˜ ) has the property that it is only in quadrants I and III. Figure 8a shows the family of characteristics d i d = f ˜ ( x ˜ t 1 ; d e ˜ ) for the fuzzy block, where x ˜ t 1 , d e ˜ R .
The family of characteristics K N ( x ˜ t 1 ; d e ˜ ) induces the consideration of the relationship:
0 K N ( x ˜ t 1 ; d e ˜ ) K M
The family of characteristics K N ( x ˜ t 1 ; d e ˜ ) , for x ˜ t1 ≠ 0 is presented in Figure 8b.
The non-linearity N has a spatial sector property (25) deduced from (20):
f N ( e ˜ , d e ˜ ) { f N ( e ˜ , d e ˜ ) K N M [ 1 1 ] [ e ˜ d e ˜ ] T } 0 , [ e ˜ d e ˜ ] R 2
With Equation (25) the non-linearity may be seen with two inputs and one output. The theory for multivariable non-linearities from [26] may be applied. Using Equations (21)–(23), the equivalent block diagram of the system can be drawn up, as shown in Figure 9.
From the analysis of the family of characteristics in Figure 8a, it is observed that portions of characteristics of the non-linearity N with zero intervention (non-intervention) appear again, due to the limiting elements with saturation from the inputs: did is 0 for x ˜ t 1 [ 1 , 1 ] , for | d e ˜ | = 1 ; 1 , 5 ; 2 at the limits of the universe of discourse.
To determine a Lyapunov function on the basis of which to prove the absolute internal stability of the nonlinear control system, according [24,26,27], the non-linearity f ˜ N ˜ ( e ˜ ; d e ˜ ) or with the equivalent notation f ˜ N ˜ ( y ˜ ) can be time-variant or invariant, but it must be continuous in time intervals and must locally satisfy Lipschitz’s property with respect to y ˜ , i.e., there must be a finite ν > 0 such that:
f ˜ N ˜ ( y ˜ 1 ) f ˜ N ˜ ( y ˜ 2 ) ν y ˜ 1 y ˜ 2 ,     y ˜ 1 = [ e ˜ 1 d e ˜ 1 ]   a n d   y ˜ 2 = [ e ˜ 2 d e ˜ 2 ]
In this case the non-linearity, f ˜ N ˜ ( y ˜ ) is not time variant. The output values depend at any time only on the values at its two inputs e ˜ and d e ˜ .
N ˜ satisfies a condition of space sector:
f ˜ N ˜ ( e ˜ , d e ˜ ) [ f ˜ N ˜ ( e ˜ , d e ˜ ) K max [ 1 1 ] y ˜ ] 0 ,   t 0 ,   y ˜ R 2
and
K max = c d i K M > 0

2.6. The Steady State of the System

It will be shown below that the steady state of the fuzzy control system considered in Figure 4, Figure 6 and Figure 9 is the only equilibrium state of the system for null entries. For this purpose, the unforced system are described by Equations (11)–(14), in which, on the one hand they are replaced Ω * = 0 and M s = 0 , and on the other hand, it is considered that the system is in steady state. It is observed that d e ˜ = d e = 0 . Additionally, it follows from Equation (11) that d i ˜ d = 0 . In these conditions, the following relationship results:
f ˜ N ˜ ( e ˜ , 0 ) = 0
The dependence d i d = f ˜ e ( e ˜ ,   0 ) is bijective, and Equation (29) has a unique solution e ˜ = 0 .
It results that absolutely all the variables take the value zero. Therefore, the point of steady state is an equilibrium point. e ˜ = 0 is the unique solution of Equation (29); therefore, it is the only equilibrium point.
Therefore, it is necessary that when de = 0, the fuzzy block to give the output of did = 0 only when e = 0. Analyzing the single-input–single-output characteristics did = f (e; de), for de = 0, we may see the condition is fulfilled when defuzzification with the center of gravity is used [17,18,19]. Fuzzy blocks that use defuzzification with the mean of maximum method, for example, do not meet this condition.

2.7. The Vague State Portrait of the Rule Base

Qualitatively, a first stability analysis can be performed on the rule base chosen for the fuzzy block, in the space of vague states [28]. The rule bases may be seen as the vague state portrait. Figure 10 presents the primary rule base with 3 × 3 rules.
Thus, if it is assumed that the initial conditions are e0 = P and de0 = P, according to Equation (3), the command is did = P. If the speed control system is stable and controllable, the state path can follow the following rules in order: (9), (6), (4), with rule (1) in the steady state. If the system has initial condition specific to rules (9), (6) or (4), the specified state trajectory can only be traversed from these initial positions. Another possible route example for an ‘aperiodic linguistic behavior’ would be (2), (8), (7), (5) and (1). The rule base contains the vague state trajectories which, due to the integrative character of the controller, lead the system, from any point of the rule base from which one would start to the steady state rule. Analyzing other rule bases with 3 × 5, 5 × 5 or 5 × 7 fuzzy values [17,18,19], it is observed that they can ensure the linguistic trajectories of the fuzzy variable e, de and did, similar to those described above.

2.8. Observations on the Linear Part

Considering the structures of Figure 4 and Figure 9, in the situation Ω* = 0, the transfer matrix of the linear part L ˜ is H0(s), and y ˜ ( s ) = H 0 ( s ) d i ˜ d m ( s ) . Its characteristic polynomial has a zero at the origin, due to the integrative character introduced in the dynamics of the fuzzy speed regulator, thus H0(s) is not Hurwitz. The non-linearity f ˜ N ˜ ( y ˜ ) , multivariable at the input and single-variable at the output, can be assimilated with an equivalent non-linearity f ˜ N ˜ ( x ˜ t 1 ; d e ˜ ) , single-variable at the input and output. The influence of d e ˜ makes it time-variant. The transfer function from the input variable d i ˜ d m to the calculation variable x ˜ t 1 , which is required in connection with the block diagram in Figure 9, is obtained with the relationship:
H 01 ( s ) = x ˜ t 1 ( s ) d i ˜ d m ( s ) = [ 1 1 ] H 0 ( s )
and it has the expression:
H 01 ( s ) = 1 + h s / 2 h s H i ( s ) k m J s + k f H T Ω ( s ) ( c e + c d e s 1 + h s / 2 )
In deducing the above expression, the equality KCAN = 1/KCNA was taken into account. With Hi(s), the transfer function equivalent to the current control loop was noted. HTΩ (s) is the transfer function of the speed sensor.
The structure from Figure 11 was used in the analysis of the possibility of stabilizing the system.
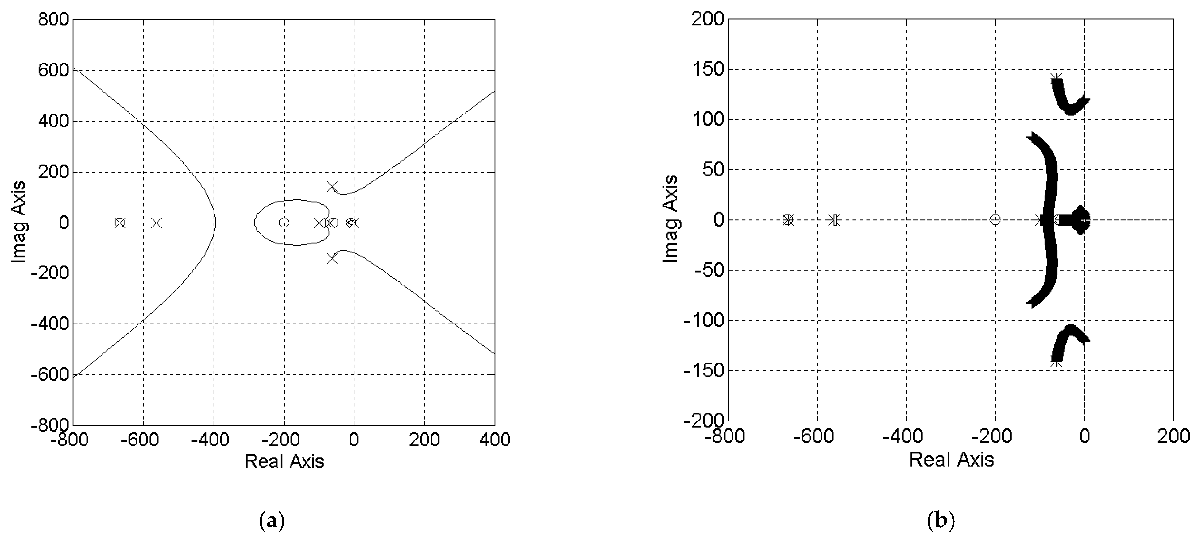
Additionally, for this structure the root locus drawn for the equation 1 + K H 01 ( s ) = 0, was used, which had the form of Figure 12a.
The eigenvalues of the linear part are poles: −666.67; −100; −562.66; −63.25 + 140.40 j; −63.25, −140.40 j; −69.64; −0.11; 0, and zeros: −8.51; −58.82; −666.67; −200. The root locus intersects the imaginary axis for K = KH ≅ 4794. The detail obtained for K ∈ [0; 4795] is represented in Figure 12b. The linear part can be made stable with linear negative feedback, as shown in Figure 11. The coefficient K ∈ [ε; 4794), where ε > 0, no matter how small. This is an ε-stability situation.
In Figure 9, the nonlinear block N ˜ must stabilize the linear part L ˜ , unstable due to the existence of the pole at the origin. According to [26], the non-linearity f ˜ N ˜ ( y ˜ ) must be situated into a sector of the form [Kmin, Kmax], of which the sector cannot exceed the Hurwitz sector [ε, KH):
[ K min , K max ] [ ε , K H )
In other words, Kmin must be chosen to obtain a Hurwitz matrix:
H 1 ( s ) = H 01 ( s ) 1 + K min H 01 ( s )
associable with the system of Figure 11. The next section will present the solution adopted to ensure stability.

2.9. Correction of Non-Linearity Characteristics

According to [29], the relationship that characterizes the fuzzy block depends primarily on the rule base. However, the relationship f B F ( e , d e ) that describes the fuzzy block also depends on the form of the chosen membership functions. The characteristics of the fuzzy block, defined only on the set [−1, 1], is characteristically situated into a sector of the form [K1, K2], 0 < K1 < K2, as can be seen from Figure 7. When introducing the saturation elements with a limiting role before the fuzzy block, the resulting non-linearity N ˜ is situated within [0, K], as seen in Figure 8a. In order to meet the sector condition of the shape (32) necessary to ensure stability, a correction of the non-linearity characteristic according to Figure 13 is made.
The correction is made with the added variable δdi:
δ d i = K c [ ( e ˜ e ) + ( d e ˜ d e ) ] = K c ( x ˜ t 1 x t 1 )
In this case, an important observation must be made. The correction is non-linear, it is on the feedforward channel, and it does not affect the non-linear character of the fuzzy block. It only works if there are limitations to the two inputs of the fuzzy block. It does not affect the action of the fuzzy block. It removes the action of non-linearity from the area of non-intervention. The stability is assured with the coefficient Kc [26,27]. The nonlinear correction moves the characteristics did = f(xt1; de), from Figure 8a, eliminating the non-intervention area, which may be seen on the x axis, with zero value for did when e and de are different from zero.
The coefficient Kc > 0 must be chosen for the characteristics of the non-linear part N ˜ c to be situated within a suitable sector [Kmin, Kmax].
Two examples of the family of characteristics didc = f( x ˜ t 1 ; d e ˜ ), for Kc = 0.1 and Kc = 1, are presented in Figure 14a,b, respectively. This shows the placement in quadrants I and III and a sector condition of the form:
[ f N ˜ ( e ˜ , d e ˜ ) K m [ 1 1 ] y ˜ ] [ f N ˜ ( e ˜ , d e ˜ ) K M [ 1 1 ] y ˜ ) ] 0 , y R 2
This condition can be transcribed as:
( d i d c K m x ˜ t 1 ) ( d i d c K M x ˜ t 1 ) 0 ,   x ˜ t 1 R
In order to determine Km and KM, the families of characteristics are considered:
K N c ( x ˜ t 1 ;   d e ˜ ) = d i d c x ˜ t 1 , x ˜ t 1 0
from Figure 15, associated with the features of Figure 14.
It can be observed that the family of characteristics KNc( x ˜ t1; d e ˜ ), has the limits Km and KM of the sector in which it is situated, variable depending on the coefficient Kc.
Figure 16 shows how these two limits vary depending on the value of K c [ 0 ,   1 ] .
Analyzing Figure 16, it can be seen that the value of KM is constant, being approximately 1.17, for any Kc. Therefore, the correction does not change the maximum associated with the family of functions KNc( x ˜ t1; d e ˜ ). The value of Km varies linearly with Kc, from 0 to KmM ≅ 0.52, for Kc = 0.55. Km is constant at about 0.52 for Kc values greater than 0.55. The ratio between Km and KM varies depending on Kc between 0 and about 0.32. Corroborating this result with condition (32), it follows that cdi and Kc must be adopted so that:
[ c d i K m , c d i K M ] [ K min , K max ] [ ε , K H )
As can be seen from the developed equivalent block diagrams, the cdi current increment coefficient is included in the non-linearity structure. It simultaneously affects both limits of the sector in which the non-linearity N ˜ c falls, according to Equation (38). The lower limit of the sector in which the non-linearity N ˜ c falls is also corrected with the help of the correction coefficient Kc. The accessible values of Kmin, Kmax and cdi for the speed control system of the DC machine will be determined following a stability analysis.

3. Stability Analysis

3.1. Internal Stability Analysis

In order to analyze the stability of the DC motor fuzzy speed regulation system, a fictitious transformation of the control loop of Figure 13, shown in Figure 17 [26,27], is used.
A negative feedback (block 1) K min [ 1 1 ] is applied to the linear part, and also for its total compensation on the non-linear part (block 2). The result is a modified linear part L ˜ m and a non-linear part Nm. The linear part L ˜ has the non-Hurwitz state matrix A, and the non-linear part f ˜ N ˜ ( y ˜ ) satisfies:
[ f ˜ N ˜ ( y ˜ ) K m [ 1 1 ] y ˜ ] [ f ˜ N ˜ ( y ˜ ) K M [ 1 1 ] y ˜ ) ] 0 ,   y ˜ R 2
The linear part L ˜ m has the mathematical model:
x ˙ = ( A b r K min [ 1 1 ] C ) x + b r · d i ˜ d m + b Ω * + b v M s y ˜ = C x + d · Ω *
Let Kmin be such that the matrix of the system L ˜ m
A ˜ = A b r K min [ 1 1 ] C
is Hurwitz. Then, the nonlinear part Nm has the relationship:
f m ( y ˜ ) = f ˜ N ˜ ( y ˜ ) K min [ 1 1 ] y ˜
It can be clearly seen that from Equation (39) this results in:
f m ( y ˜ ) [ f m ( y ˜ ) K [ 1 1 ] y ˜ ) ] 0 ,   y ˜ R 2
with K = KmaxKmin.
For the analysis of the internal stability the unforced (autonomous) system was considered, in which Ω* = 0 and Ms = 0. The mathematical model of the unforced system is:
x ˙ = A ˜ x + b r d i ˜ d m y ˜ = C x d i ˜ d m = f m ( y ˜ )
The system (Equation (44)) has a non-linearity with two input variables and one output variable. In [26], it is recommended to use the circle criterion for multivariable systems in which the non-linearity has an equal number of inputs and outputs. That is not the case here. Using the change of non-linearity made in the paper from the form with two input variables (20) to the form with a single input variable and a parameter ((21) ÷ (23)), the circle criterion proposed in [24,26,27] can be used, for systems with a single input–single output non-linearity, but time-variant. Furthermore, it will be shown that a statement of the circle criterion can be given even if the non-linearity has two input variables and only one output variable, but satisfies Equation (38). The demonstration occurs in three stages.
Stage I. In the first stage, the following particular variant of the Kalman–Yakubovich–Popov lemma [24,25,26,27] may be used:
Lemma 1.
Let it be:
F ( s ) = 1 + K H 1 ( s ) = 1 + K [ 1 1 ] C ( s I A ˜ ) 1 b r
with H1(s) defined by (33), A ˜ is a Hurwitz matrix, ( A ˜ , b r ) controllable and ( [ 1 1 ] C , A ˜ ) observable. Then, F(s) is strictly positive if and only if there is a positively defined symmetric matrix P with (P = PT > 0), a vector M and a constant ε > 0 such that:
P A ˜ + A ˜ T P = M T M ε P P b r = C T K [ 1 1 ] T 2 M T
Taking into account Equations (31) and (33), this results in:
F ( s ) = 1 + ( K max K min ) H 01 ( s ) 1 + K min H 01 ( s ) = 1 + K max H 01 ( s ) 1 + K min H 01 ( s ) = 1 + K max [ 1 1 ] H 0 ( s ) 1 + K min [ 1 1 ] H 0 ( s )
Stage II. It is assumed that the conditions in the Kalman–Yakubovich–Popov lemma are met and there are matrices P and M. Then, with the matrices P and M, a Lyapunov function V(x) is constructed, and it is proved that its derivative V ˙ ( x ) is negative when the sector condition is fulfilled [30].
Thus, the Lyapunov function is chosen:
V ( x ) = x T P x
where x = x ( t ) is given by Equation (44).
Consequently:
V ˙ ( x ) = x T ( P A ˜ + A ˜ T P ) x 2 x T P b r f m ( y ˜ )
Increasing the right parameter of Equation (49) by 2 f m ( y ˜ ) ( f m ( y ˜ ) K [ 1 1 ] y ˜ ) 0 , see (43), we obtain:
V ˙ ( x ) x T ( P A ˜ + A ˜ T P ) x 2 x T P b r f m ( y ˜ ) 2 f m ( y ˜ ) { f m ( y ˜ ) K [ 1 1 ] y ˜ } = x T ( P A ˜ + A ˜ T P ) x 2 x T P b r f m ( y ˜ ) 2 f m ( y ˜ ) { f m ( y ˜ ) K [ 1 1 ] C x } =   x T ( P A ˜ + A ˜ T P ) x + 2 x T ( C T K [ 1 1 ] T P b r ) f m ( y ˜ ) 2 f m 2 ( y ˜ )
Making substitutions in the right member of the Equation (50) in the first and second term based on Equation (46), using the matrices P and M and the number ε, results in:
V ˙ ( x )   x T ( M T M ε P ) x + 2 2 x T M T f m ( y ˜ ) 2 f m 2 ( y ˜ ) = ε x T P x x T M T M x + 2 2 x T M T f m ( y ˜ ) 2 f ˜ m 2 ( y ˜ ) = ε x T P x [ M x 2 f m ( y ˜ ) ] T [ M x 2 f m ( y ˜ ) ]   ε x T P x
Therefore, the existence of P, M and ε that satisfy (46) makes V ˙ ( x ) negative. Consequence. Consider the system (44), where A ˜ is Hurwitz, ( A ˜ , br) is stabilizable and fm( y ˜ ) satisfies the sector conditions (42) and (43) on R3. Then, the system (44) is globally absolutely stable if the transfer function F(s), given by (45) and (47), is strictly positive real.
Stage III. After the above demonstration, it can be stated that the following statement for the circle criterion is valid, if the non-linearity has two input variables and one output variable:
Theorem 1 (Circle criterion).
It is considered that the non-linear system with the linear part ε-stable, is controllable and observable, with the transfer function H01(s) and the non-linearity of the fuzzy block satisfying the sector condition (39). The system is globally absolutely stable if H1(s) is Hurwitz and F(s) is strictly positive real.
The transfer matrix H0(s) is a transfer matrix of a linear part with one input variable and two output variables.
In these conditions, the system is absolutely stable in the sector [Kmin, Kmax] if the hodograph H1() is located to the right of a vertical line passing through the point of abscissa (−1/K, 0), with KKmaxKmin. A stability analysis based on a graphical method is performed in [31], but for a fuzzy controller with two inputs and two outputs.
To use the circle criterion, the hodograph of the linear part H01() is drawn, which has the shape of Figure 18a, with detail shown in Figure 18b.
The hodograph of the linear part H01(jω) imposes a dependence between Kmax and Kmin. The circles must be to the left and most tangent to the hodograph. If there is no correction, the non-linear part remains in the sector [0, K] and we cannot tell from the equilibrium point x = 0 whether it is stable or unstable. There are states of the system with V(x) > 0 and V ˙ ( x ) 0 , but we do not know whether or not the system passes to states in which V(x) > 0 and V ˙ ( x ) < 0 .

3.2. Determining the Limits of the Stability Sector

In Figure 18b, it is observed that the hodograph intersects the real axis at the point DI, of coordinates xI ≅ −1/2500 and yI = 0. Analysis of the properties of the sector is conducted for Re{H(jω)} ≤ xI, to ensure that the stability the circles would be located to the left of the point DI. To ensure stability, the circles must have a radius Rc less than the distance d from their center to the hodograph. The analysis is made with reference to Figure 19.
For a certain frequency ωi, i = 1, …, np there is determined by calculations a point on the hodograph denoted Pi, of coordinates (ui, vi). At this point, the hodograph admits a tangent denoted dti and a normal denoted dni. The distance from the center Ci of a circle that can be built to the left of the hodograph is calculated on the normal dni to the hodograph. It is the distance between the point on the hodograph Pi at which the normal dni rises and the point Ci at which the normal intersects the real axis. If circles are constructed on the real axis with center in xci, these circles must have radius Rci less than the distance di. Circles that can be constructed with the center in xci intersect the real axis to the left at the point Mm of coordinates ym = 0 and,
x m i = 1 / K min i
and to the right at the point MM of coordinates yM = 0 and,
x M i = 1 / K max i
The extreme values of the xmi and xMi coordinates are limited by the distance di to the hodograph:
( x m i ) min = x c i d i ( x M i ) max = x c i + d i
Additionally, the values of the extreme limits of the sector are limited:
( K min i ) min = 1 / ( x m i ) min ( K max i ) max = 1 / ( x M i ) max
Below are the graphs of the dependencies between the parameters that characterize the location of the circles relative to the hodograph.
Figure 20a shows how the abscissa xc of the center of the circle varies, located on the normal taken at a point on the hodograph. The point on the hodograph is defined by the value of the real coordinate Re{H01(jω)}. It is natural that as the position on the hodograph moves to the left, the position of the center of the circle must move to the left. On the central part of the characteristic, the dependence is almost linear. In the vicinity of the intersection of the hodograph with the real axis, there is a portion on which there is a wider margin of location of the center of the circle. To the left of the hodograph asymptote, the center of the circle can be located as far to the left as the real axis. This figure shows that the dependence between the position on the hodograph and the center of the circle is univocal, i.e., from a point on the real axis, only one normal can be taken to the hodograph. Figure 20b shows how the distance from the center of the circle varies from normal to hodograph, depending on the position of a point on the hodograph. Figure 20c shows the dependence between the extreme values of Kmax and Kmin. This feature is plotted parametrically, depending on the position on the hodograph. Figure 20d shows how Kmax and Kmin depend on the abscissa Re{H01(jω)} of the tangent point of the circle at the hodograph.
It is observed, as is natural, that for points on the hodograph located closer to the DI point (from Figure 18b), the maximum limit of the stability sector increases, tending to the Hurwitz value, the maximum limit of the sector KH = 2500. It is observed that the Kmax/Kmin ratio has the maximum value, of approximately 12, next to the point of intersection with the real axis. The ratio decreases in the central area of the hodograph. The ratio obviously increases to the left of the asymptote at the hodograph. The constraint imposed by the non-linear part depends on Kc, as shown in Figure 16 and the value of the current increment coefficient cdi. A maximum cdiM value can be determined for the current increment coefficient. The maximum cdiM value is limited by the capability of the speed control system to control the motor supply current. It is determined by the maximum numerical value of the prescribed current:
c d i M = I M K C A N K T i
Kmax is given by the product cdi.KM. The maximum value of KM is constant, and at the same time, it depends on Kc. Additionally, KmM varies with Kc.
The maximum range in which a stability sector can be chosen is determined using Figure 21.
In this figure, the characteristics are represented in logarithmic coordinates, to highlight the various portions of it. The values of cdi can also be placed on the abscissa axis (see the upper side), because:
c d i = K max / K M
Additionally, in Figure 21, the characteristic:
K min M = c d i K m M
is drawn in which KmM (see Figure 16) depends on KM. The value of KminM increases as Kc increases.
The stability sector can be chosen only in the field shaded in the figure, because only these domains are located between the graph of Kmin = f(Kmax) and the graph of KminM = f(cdi).
The domain is limited to:
K max M = c d i M K M
The verification of the findings regarding the stability domains is presented in the paper by transient regime analyses of the unforced system.

3.3. Indications for Correction Characteristics of Non-Linearity and Determination of the Stability Sector

To establish an acceptable dynamic behavior for the closed loop control system, the values of the scaling coefficients ce, cde and cdi may be chosen. Additionally, to correct the non-linearity characteristics, the value of the coefficient Kc may be modified. Below are some indications for choosing the parameters cdi and Kc, considering the previously chosen values of the parameters ce and cde, for the case of the electric drive taken as an example in the paper.
(1) For a certain type of fuzzy block, the values Km and KM may be chosen from the characteristics KNc = f( x ˜ t1), or didc = f( x ˜ t1; de).
(2) The current incremental coefficient is limited by the capability of the control system to regulate the current through the electric machine. The prescribed current difference at a sampling step h is:
Δ i n k + 1 * = i n k + 1 * i n k *
The current increment coefficient can be determined with the relationship that describes the numerical integration function:
c d i = Δ i n k + 1 * d i d k + 1
For the example taken in consideration, the maximum value of the prescribed current may not exceed: I M * = K C A N I a M K T i = 204.8 × 10.8 = 2211.84 . This value is dimensionless. It only appears in calculations. The maximum value at the fuzzy block output is approximately d i d M = 1.4 . Therefore, at an integration step, on a sampling period h, a value greater than c d i M = I M * / d i d M 1579.89 is not justified for the current coefficient. For this maximum value of the current increment coefficient, a maximum value of the upper limit of the non-linearity of cdiM.KM = 1848.47 can be chosen.
(3) The values of the coefficients cdi and Kc are chosen so that K min c d i K m < c d i K M K max < K H = 4794 .
In practice, this choice will be made following repeated transient regime analyses, establishing a value of cdi that will ensure an acceptable dynamic behavior.
(4) In choosing cdi, the maximum value KM of the upper limit of non-linearity for a certain fuzzy block must be taken into account. For a fuzzy block with 3 × 3 fuzzy variables, max–min inference and defuzzification with center of gravity, with transfer characteristics from Figure 3, KM = 1.17, and results in:
c d i = K max / K M
This value must be less than cdiM.
(5) Kc is chosen with the relationship:
K c = r k K M
where the ratio,
rK = Kmin/Kmax
is taken into account.
If Kc results in relatively small values, the non-linearity of the fuzzy block does not change significantly. The non-linear character of the fuzzy block, the main attribute of the fuzzy controller, remains.
It is recommended that the family of characteristics fNc( x ˜ t1; d e ˜ ) be included in the stability sector; therefore, at variations of the parameters of the electric drives, these characteristics do not leave the stability sector.
The placement of a circle with the following coordinates: xm = −0.0048 and xM = −6.416 × 10−4, close to −1/KH, is shown in Figure 22.
In this case, the limits of the stability sector are: Kmin = 206.26 and Kmax = 1558.4. The center of the circle has the abscissa xc = −0.0027. The distance from the center to the hodograph has the value d = 0.0021. The tangent of the circle at the hodograph has the coordinates (−0.0016; −0.0017). The ratio between the extreme values of the sector limits has the value rK = 7.5553. For this circle, cdi ≅ 1332 and Kc ≅ 0.1 may be approximated.
Figure 23 presents an example of the location of the characteristics didc( x ˜ t1; d e ˜ ) in quadrants I and III, in the sector [Km, KM] admitted.

3.4. Testing the Domain of Stability Sector Limits

Verification of the findings made in the previous paragraphs regarding the internal stability was performed for some cases specific to the domain in which the correction parameters of the non-linearity Kc and cdi can take values. This verification consisted of performing transient analyses on the model in Figure 1, in which the speed controller was numerically implemented. The unforced regime was taken into account, because it was considered when the internal stability analysis was performed. The values chosen for the correction parameters are presented in Table 1.
The values chosen for cdi place the non-linearity in various parts of the stability domain, as in Figure 21.
Following the correction made on the non-linearity, the PI fuzzy speed controller has the block diagram shown in Figure 24 [13,14,26,27].
It is observed that the correction performed resulted in a quasi-fuzzy structure, in which a linear structure was introduced in parallel with the fuzzy block.
The Matlab/Simulink program was used to simulate the fuzzy control system.
An unforced control system, with Ω* = 0 and Ms = 0, was considered. It was also considered that the control system was brought to a certain initial state, for example, ia0 = 1 A şi Ω0 = 100 rad/s. In the analysis of the transient regime, the behavior over time of the state variables ia and Ω and of the variables e ˜ , d e ˜ and d i ˜ d was analyzed. In Figure 25a–e, the characteristics in the unforced regime for the variables chosen above are presented in cases 1, 2, 3, 4 and 5 of Table 1, respectively.
It is observed that in cases 1, 2, 3 and 4, the steady state is a state of stable equilibrium, and in case 5, it is at the limit of stability, practically unstable. The fm( y ˜ ) function is null outside that neighborhood. Continuing the reasoning, one can take this neighborhood no matter how small around the steady state, and then the fuzzy block can be linearized around the steady state. It follows that in this vicinity, in the stability analysis of the speed control system of the electric drive based on fuzzy regulator, criteria from the stability analysis for linear systems might be used. Moreover, the above findings could suggest that the fuzzy regulator-based control system is asymptotically internal stable even in the Hurwitz sector [0, KH).

3.5. Input–Output Stability Analysis

For analysis of the input–output stability of the speed control system of the DC machine based on the fuzzy PI controller, the block diagram in Figure 4 and the mathematical input-state–output model given by Equations (11) and (12) considered these relations written in a general form:
x ˙ ( t ) = f x ( x ( t ) , u ( t ) ) Ω ( t ) = f Ω ( x ( t ) , u ( t ) )
where non-linearity was considered introduced in fx.
The input variables were:
u = [ Ω * M s ] T
and the output variable was Ω.
In the analysis of internal stability, the emphasis was on the behavior of state variables for the unforced system. The mathematical input-state–output model connected the output Ω and the inputs, grouped in the vector of the input variables u, by means of the internal structure of the speed regulation system based on the fuzzy regulator. In the analysis of input–output stability, the system is seen as a black box, which can be accessed only through inputs and outputs.
According to the application considered, the grouped inputs in the vector of the input variables u belong, according to the theory [26], to a normed linear signal space £2 of functions u:[0, +∞] → R2. Such a space is, for example, the space of uniformly bounded functions £, provided by the norm:
u = sup t 0 u ( t ) <
If u ∈ £2 is considered to be a suitable input, which ‘behaves well’, the question is whether the output Ω ‘will behave well’, meaning whether Ω will belong to a function space with a similar norm as to Equation (67). A system that has the property that any input with ‘good behavior’ generates an output with ‘good behavior’ is called a stable input–output system [26]. For the case when the inputs and outputs belong to uniformly bounded function spaces, the definition of input–output stability becomes the notion of bounded input-bounded output (BIBO) stability. In other words, the system is £—stable if for any bounded input, the output is bounded.
The following theorem [24,26,27] is used in the study of input–output stability.
Theorem 2.
Let the dynamic system given by the Equation (65), where x ∈ R8, u ∈ R2, Ω ∈ R, fx:R8 × R2 → R8 is derivable and fΩ: R8 × R2 → R is continuous. Suppose that:
1. 
x = 0 is an equilibrium point of (65) with u = 0, i.e., fx(0, 0) = 0, ∀t ≥ 0;
2. 
x = 0 is an equilibrium point global exponential stable of the autonomous (unforced) system:
x ˙ = f x ( x , 0 )
3. 
The Jacobian matrix [ f x / x ] , evaluated for u = 0 and [ f x / u ] are globally bounded;
4. 
fΩ(t, x, u) satisfies:
f Ω ( x , u ) k 1 x + k 2 u + k 3
globally, for k1, k2, k3 > 0.
Then, for any x ( 0 ) η , there exist the constants γ > 0 and β = β ( η , k 3 ) 0 such that
sup t 0 Ω ( t ) sup t 0 u ( t ) + β
  • Condition 1 is met, as shown in Section 3.1;
  • For condition 2, the following theorem [26] can be taken into account.
Theorem 3.
Let x = 0 be a point of equilibrium of the nonlinear system, where fx is derivable with respect to the state variables and the Jacobian matrix [ f x / x ] is bounded and Lipschitz. Thus,
A ˜ 0 = f x x | x = 0
Then, the origin is a stable exponential equilibrium point for the control system, if it is a stable exponential equilibrium point for the linear system:
x ˙ = A ˜ 0 x
The matrix A ˜ 0 in this case is given by the relationship:
A ˜ 0 = A b r ( c d i K 0 ) [ 1 1 ] C
where
K 0 = K B F ( 0 ; 0 )
In this case, the linearized system around the origin was considered, and for the fuzzy block, the value in Equation (74) of function KBF(xt1; de) was considered.
The linear system is exponentially stable because all its poles have a real negative side.
  • The Jacobian matrices in condition 3 have, as elements, the coefficients of the state and input variables in Equations (13) and (14), respectively, and the partial derivatives of f m ( e ˜ , d e ˜ ) in relation to the state variables and with respect to the input variables. The coefficients of the system are constant, and therefore limited. Fuzzy blocks with max–min inference and defuzzification with the center of gravity method have continuous multi-input–single output (MISO) characteristics on the universes of discourse, as can be seen from Figure 3a–c [17,18,19]. The non-linearities resulting from the use of these fuzzy blocks and limiting elements also have the continuous MISO characteristic on R2. Therefore, the partial derivatives of the non-linearities, in the composition of which such fuzzy blocks are introduced, are bounded. It can be said that condition 3 is also met in the case of using fuzzy blocks with max–min or sum–prod inference, and defuzzification based on the center of gravity method [17,18,19]. In other cases, for example, in the case of fuzzy blocks that use the defuzzification with the mean of maxima method, the partial derivatives are infinite at the points where the characteristics exhibit jumps, and the third condition is not met;
  • Condition 4 is met because the output variable Ω is also the state variable in this case; thus, it is a component of the vector x. Equation (69) is, in fact, a necessary condition for the vector space to which the vectors x and u belong to be linearly normal.
It has been shown that the speed control system of the electric drive based on a fuzzy PI controller in which the non-linearity has a correction is globally asymptotically internal stable; therefore, the conditions can be determined for which this system is ensured, and input–output stability, within the concept of ‘bounded input–bounded output’, for any variable applied to the reference input, is part of the normal space of uniformly bounded functions.
In this case, the steady state values for the closed-loop system, for steady state values Ω* and Ms of the input variables, are given by the following relationships:
Ω m n = K C A N K T Ω Ω ,   x a 1 = 0 ,   i a = k f k m Ω 1 k m M s ,   u a = R a i a + k e Ω , u c = 1 K E E u a ,   x a 2 = 0 ,   i a m = K T i i a ,   x a 3 = i * ,   d i ˜ d m = 0 , e ˜ = e = 0 , d e ˜ = d e = 0 ,   Ω = 1 K C A N K T Ω Ω *
The verification of the input–output stability was performed by transient regime analysis on the model from Figure 1, with the numerical fuzzy controller in Figure 23, having the fuzzy block corrected, in a forced regime, applying step signals at the speed reference input Ω* and at the load torque disturbance input Ms, as in Figure 26.
Figure 26 shows, in case 1 from Table 1, the variations of the input variable Ω* and Ms, which fall into bounded domains, and the way in which the output variable Ω varies. It can be observed, obviously, that the output variable falls within a bounded domain.
The presented characteristics suggest a stable behavior in relation to the control variable Ω* and in relation to the external disturbance Ms.

4. Discussion

The transfer characteristics used in the paper can be obtained by calculations, and they characterize a wide range of fuzzy blocks developed based on the general structure of Mamdani, with various membership functions, rule bases as 3 × 3, 3 × 5, 5 × 5, 5 × 7, and inference methods as prod–sum and min–max, and combinations with defuzzification and the center of gravity. It is recommended to use the defuzzification method with the center of gravity method, which ensures continuous transfer characteristics. Their use allows a grapho-analytical treatment of the stability analysis. These characteristics suggest the existence of the sector property of fuzzy blocks.
The fuzzy PI-type controller can easily be equated with a linear PI controller, for an initial choice of parameters. Equivalence relationships can be used for various types of fuzzy blocks.
The steady state of the fuzzy controller assures a stable equilibrium point.
The vague state portrait of the rule base assures a stable behavior. The rule bases used for the fuzzy controller ensure, in general, the stabilization of the speed regulation system.
The analysis performed on the linear part of the control system shows that it is ε-stable and requires a non-linear part located in a sector [Kmin, Kmax].
The non-linearity of the control structure, which contains a fuzzy block, falls into a sector of the form [0, K]. There are two causes: one, the use of trapezoidal membership functions, which introduce saturations at the ends of universes of discourse; and two, the use of saturation elements at the inputs of the fuzzy block. It is specified that in order to ensure stability, the characteristic of non-linearity must be corrected, so that it is located in a sector of the form [Kmin, Kmax].
The correction made on the non-linear part does not change the non-linear character of the fuzzy block, and it can place the non-linearity in a domain that can be conveniently chosen. The values of the two correction coefficients can be chosen according to the type of fuzzy block, so that the characteristic of non-linearity is found in the sector [Kmin, Kmax], which ensures the absolute global internal stability of the control system. The stability analysis shows that the system can be globally asymptotically internally stable if the recommended correction is applied.
The circle criterion can easily be applied in practice, requiring the frequency characteristics of the linear part, which can be obtained by experimental measurements.
Ensuring internal stability leads to obtaining external stability.

5. Conclusions

The object of the stability analysis performed in the paper was a speed regulation system of an electric drive with a direct current motor, in which a speed regulator of PI fuzzy-type was used. The analysis was undertaken theoretically for the general case, and was applied on a particular case for which the experimental values of the parameters taken into account were given. Any other particular case could be approached with the method presented in the paper. Mamdani’s structure is general, and a multitude of regulator configurations can be considered for such an analysis. The method can be applied to any type of fuzzy controller that has a Mamdani structure, to any type of rule base, for example, 3 × 3, 3 × 5, 5 × 5 or 7 × 7, for min–max and sum–prod inferences, or combinations thereof. The most common fuzzy blocks in practice often have the property of the sector on their universes of discourse, and therefore, the method of analyzing the stability of the motor speed control system presented in the paper can be widely used in practice. The paper demonstrates that the non-linearity of the fuzzy controller can be framed in a sector that ensures the stability of the control system. All the fuzzy controllers mentioned above have transfer characteristics with the sector property. The transfer characteristics provide values, data, and information that can be used in the equivalence of the regulator and in the stability analysis.
The relationships for equivalence of the fuzzy PI controller may be used for any kind of fuzzy block, and may be also used in the equivalence of PD and PID fuzzy controllers.
The characteristic of the regulator can be corrected with the help of two correction coefficients. The values of the two correction coefficients can be chosen depending on the type of fuzzy block, so that the characteristic of non-linearity is found in the sector [Kmin, Kmax], which ensures the absolute global asymptotic stability of the system.
The paper offers detailed indications for correction characteristics of non-linearity and determination of the stability sector.
The limitations of the method appear when a mathematical model of the linear part cannot be determined, when the frequency characteristics of the linear part cannot be drawn, and when the fuzzy block does not meet the required sector conditions.
The corrections made in the paper on fuzzy blocks can be widely applied to other control systems based on fuzzy PI controllers. This can provide stabilization for wider classes of control systems based on fuzzy logic.
If internal stability is ensured, the external BIBO type stability can be demonstrated.
The presented method uses the frequency characteristics of the linear part, which are easy to obtain in practice by frequency analysis, for various types of electric drive.
The analysis can be developed similarly in the cases of other electric motors widely used in practice, such as induction or permanent magnet synchronous motors.
The most common fuzzy blocks in practice often have sector property over their universes of discourse, and therefore the method of analyzing the stability of the DC motor speed control system presented in the paper can be widely used in practice.
This analysis could be developed similarly in other cases of industrial processes.

Funding

This research received no external funding.

Institutional Review Board Statement

Ethical review and approval were waived for this study, due to reason as follows. The research does not involve human subjects, the use of animals in research, cell lines, plants, clinical trials, sex or gender notions and there is no potential dispute on borders and territories.

Informed Consent Statement

Patient consent was waived due to the reason no other subjects were involved in the study.

Data Availability Statement

Data are contained within the article.

Conflicts of Interest

The authors declare no conflict of interest.

References

  1. De Luca, F.; Calderaro, V.; Galdi, V. A Fuzzy Logic-Based Control Algorithm for the Recharge/V2G of a Nine-Phase Integrated On-Board Battery Charger. Electronics 2020, 9, 946. [Google Scholar] [CrossRef]
  2. Štil, V.J.; Varga, T.; Benšic, T.; Barukcic, M. A Survey of Fuzzy Algorithms Used in Multi-Motor Systems Control. Electronics 2020, 9, 1788. [Google Scholar] [CrossRef]
  3. Merabet, A. Advanced Control for Electric Drives: Current Challenges and Future Perspectives. Electronics 2020, 9, 1762. [Google Scholar] [CrossRef]
  4. Kahraman, C.; Deveci, M.; Bolturk, E.; Turk, S. Fuzzy controlled humanoid robots: A literature review. Robot. Auton. Syst. 2020, 134, 103643. [Google Scholar] [CrossRef]
  5. Zeren, B.; Deveci, M.; Coupland, S.; John, R.; Ozcan, E. A study on the interpretability of a fuzzy system to control an inverted pendulum. In Proceedings of the 2019 IEEE International Conference on Fuzzy Systems (FUZZ-IEEE), New Orleans, LA, USA, 23–26 June 2019; pp. 1–6. [Google Scholar]
  6. Begum, M.; Eskandari, M.; Abuhilaleh, M.; Li, L.; Zhu, J. Fuzzy-Based Distributed Cooperative Secondary Control with Stability Analysis for Microgrids. Electronics 2021, 10, 399. [Google Scholar] [CrossRef]
  7. Li, L.; Sun, Y. Adaptive Fuzzy Control for Nonlinear Fractional-Order Uncertain Systems with Unknown Uncertainties and External Disturbance. Entropy 2015, 17, 5580–5592. [Google Scholar] [CrossRef]
  8. Rehman, M.-U.; Alzabut, J.; Anwar, M.F. Stability Analysis of Linear Feedback Systems in Control. Symmetry 2020, 12, 1518. [Google Scholar] [CrossRef]
  9. Alessandri, A. Lyapunov Functions for State Observers of Dynamic Systems Using Hamilton–Jacobi Inequalities. Mathematics 2020, 8, 202. [Google Scholar] [CrossRef]
  10. Park, J.; Choi, Y. Input-to-State Stability of Variable Impedance Control for Robotic Manipulator. Appl. Sci. 2020, 10, 1271. [Google Scholar] [CrossRef]
  11. Dragičević, D.; Preda, C. Lyapunov Type Theorems for Exponential Stability of Linear Skew-Product Three-Parameter Semiflows with Discrete Time. Axioms 2020, 9, 47. [Google Scholar] [CrossRef]
  12. Cao, Y.; Xu, Y.; Li, Y.; Yu, J.; Yu, J. A Lyapunov Stability Theory-Based Control Strategy for Three-Level Shunt Active Power Filter. Energies 2017, 10, 112. [Google Scholar] [CrossRef]
  13. Volosencu, C. Fuzzy Control of Electrical Drives. In Proceedings of the 8th WSEAS International Conference on Power Systems, Santander, Spain, 23–25 September 2008; pp. 172–180. [Google Scholar]
  14. Volosencu, C. Fuzzy Control of Electrical Drives, based on Fuzzy Logic. WSEAS Trans. Syst. Control 2008, 9, 809–822. [Google Scholar]
  15. Leonhard, W. Control of Electrical Drives; Springer: Berlin, Germany, 1985. [Google Scholar]
  16. Kessler, C. Das symmetrische optimum. Regelungstechnik 1958, 6, 395–400, 432–436. [Google Scholar]
  17. Volosencu, C. (Ed.) Introductory Chapter: Basic Properties of Fuzzy Relations. In Fuzzy Logic; IntechOpen: London, UK, 2020; pp. 3–10. [Google Scholar]
  18. Volosencu, C. On Some Properties of Fuzzy Systems. In Proceedings of the 8th WSEAS International Conference on Signal Processing, Robotics and Automation (ISPRA09), Cambridge, UK, 21–23 February 2009; pp. 178–186. [Google Scholar]
  19. Volosencu, C. Properties of Fuzzy Systems. WSEAS Trans. Syst. 2009, 2, 210–228. [Google Scholar]
  20. Volosencu, C. Tuning Fuzzy PID Controllers. In Theory, Tuning and Application to Frontier Areas; Panda Rames, C., Ed.; IntechOpen: London, UK, 2012; pp. 171–190. [Google Scholar]
  21. Volosencu, C. Pseudo-Equivalence of Fuzzy PI Controller. In Proceedings of the 8th WSEAS International Conference on Signal Processing, Robotics and Automation (ISPRA09), Cambridge, UK, 21–23 February 2009; pp. 162–168. [Google Scholar]
  22. Volosencu, C. Pseudo-Equivalence of Fuzzy PID Controllers. WSEAS Trans. Syst. Control 2009, 4, 163–176. [Google Scholar]
  23. Buhler, H.R. Reglage Par Logique Floue; Press Polytechnique et Universitaire Romand: Lausanne, Switzerland, 1991. [Google Scholar]
  24. Khalil, H.K. Nonlinear Systems; Macmillan Publishing: New York, NY, USA, 1991. [Google Scholar]
  25. Slotine, J.J.; Li, W. Applied Nonlinear Control; Prentice Hall: Englewood Cliffs, NJ, USA, 1991. [Google Scholar]
  26. Volosencu, C. Stabilization of the Fuzzy Control Systems, with Application at the Second Order Systems. In Proceedings of the 8th WSEAS International Conference on Simulation, Modellling and Optimization, Santander, Spain, 23–25 September 2008; pp. 127–132. [Google Scholar]
  27. Volosencu, C. Stabilization of Fuzzy Control Systems. WSEAS Trans. Syst. Control 2008, 10, 879–896. [Google Scholar]
  28. Braae, M.; Rutherford, D. Selection of parameters for a fuzzy logic controller. Fuzzy Sets Syst. 1979, 2, 185–199. [Google Scholar] [CrossRef]
  29. Johansen, T. Fuzzy model based control: Stability, robustness, and performance issues. IEEE Trans. Fuzzy Syst. 1994, 2, 221–234. [Google Scholar] [CrossRef]
  30. Scheel, T.; Kiendl, H. Stability Analysis of Fuzzy and Other Non-Linear Systems Using Integral Lyapunov Functions; EUFIT’95: Aachen, Germany, 1995. [Google Scholar]
  31. Katoh, R.; Yamashita, T.; Singh, S.; Yamaguchi, T. Graphical Stability Analysis of a Control System Having 2-Input and 2-Output Fuzzy Controller. JSME Int. J. 1996, 39, 1. [Google Scholar] [CrossRef]
Figure 1. Block diagram of the speed control system with fuzzy regulator, used in stability analysis.
Figure 1. Block diagram of the speed control system with fuzzy regulator, used in stability analysis.
Mathematics 09 01246 g001
Figure 2. The block diagram of the fuzzy PI speed controller.
Figure 2. The block diagram of the fuzzy PI speed controller.
Mathematics 09 01246 g002
Figure 3. Fuzzy block characteristics: (a) membership functions, (b) fe(e; de), (c) f(xt1; de) (d) KBF(xt1; de).
Figure 3. Fuzzy block characteristics: (a) membership functions, (b) fe(e; de), (c) f(xt1; de) (d) KBF(xt1; de).
Mathematics 09 01246 g003
Figure 4. Block diagram of the motor speed control system with fuzzy regulator, used in stability analysis.
Figure 4. Block diagram of the motor speed control system with fuzzy regulator, used in stability analysis.
Mathematics 09 01246 g004
Figure 5. Block diagram for stability analysis.
Figure 5. Block diagram for stability analysis.
Mathematics 09 01246 g005
Figure 6. The first equivalent control structure.
Figure 6. The first equivalent control structure.
Mathematics 09 01246 g006
Figure 7. The family of characteristics did = f (xt1; de).
Figure 7. The family of characteristics did = f (xt1; de).
Mathematics 09 01246 g007
Figure 8. Families of characteristics (a) d i d = f ˜ ( x ˜ t 1 ; d e ˜ ) , (b) K N ( x ˜ t 1 ; d e ˜ ) .
Figure 8. Families of characteristics (a) d i d = f ˜ ( x ˜ t 1 ; d e ˜ ) , (b) K N ( x ˜ t 1 ; d e ˜ ) .
Mathematics 09 01246 g008
Figure 9. The second equivalent block diagram of the non-linear control system.
Figure 9. The second equivalent block diagram of the non-linear control system.
Mathematics 09 01246 g009
Figure 10. The vague state portrait of the rule base.
Figure 10. The vague state portrait of the rule base.
Mathematics 09 01246 g010
Figure 11. Block diagram of the linear part stabilized with a linear feedback.
Figure 11. Block diagram of the linear part stabilized with a linear feedback.
Mathematics 09 01246 g011
Figure 12. (a) Root locus of the function 1 + KH01(s); (b) detail for K ∈ [0, 4795].
Figure 12. (a) Root locus of the function 1 + KH01(s); (b) detail for K ∈ [0, 4795].
Mathematics 09 01246 g012
Figure 13. The structure of the correction system of the non-linearity N.
Figure 13. The structure of the correction system of the non-linearity N.
Mathematics 09 01246 g013
Figure 14. Family of corrected characteristics did = f( x ˜ t1; d e ˜ ), (a) for Kc = 0.1, (b) for Kc = 1.
Figure 14. Family of corrected characteristics did = f( x ˜ t1; d e ˜ ), (a) for Kc = 0.1, (b) for Kc = 1.
Mathematics 09 01246 g014
Figure 15. Family of characteristics KNc( x ˜ t 1 ; d e ˜ ), (a) for Kc = 0.1, (b) for Kc = 1.
Figure 15. Family of characteristics KNc( x ˜ t 1 ; d e ˜ ), (a) for Kc = 0.1, (b) for Kc = 1.
Mathematics 09 01246 g015
Figure 16. The variation of the sector limits, depending on Kc.
Figure 16. The variation of the sector limits, depending on Kc.
Mathematics 09 01246 g016
Figure 17. Block diagram for applying the circle criterion.
Figure 17. Block diagram for applying the circle criterion.
Mathematics 09 01246 g017
Figure 18. (a) The hodograph H01(jω); (b) detail of hodograph H01(jω).
Figure 18. (a) The hodograph H01(jω); (b) detail of hodograph H01(jω).
Mathematics 09 01246 g018
Figure 19. Positioning the circle with respect to the hodograph.
Figure 19. Positioning the circle with respect to the hodograph.
Mathematics 09 01246 g019
Figure 20. (a) Variation of the position of the center of the circle with respect to the hodograph; (b) variation of the distance from the center of the circle to the hodograph, depending on the position on the hodograph; (c) dependence between the extreme values of Kmax and Kmin; (d) extreme values of Kmax and Kmin depending on the position on the hodograph.
Figure 20. (a) Variation of the position of the center of the circle with respect to the hodograph; (b) variation of the distance from the center of the circle to the hodograph, depending on the position on the hodograph; (c) dependence between the extreme values of Kmax and Kmin; (d) extreme values of Kmax and Kmin depending on the position on the hodograph.
Mathematics 09 01246 g020
Figure 21. The domain of the stability sector.
Figure 21. The domain of the stability sector.
Mathematics 09 01246 g021
Figure 22. Example of a circle located close to −1/KH.
Figure 22. Example of a circle located close to −1/KH.
Mathematics 09 01246 g022
Figure 23. Framing the characteristics of Nc non-linearity in the stability sector.
Figure 23. Framing the characteristics of Nc non-linearity in the stability sector.
Mathematics 09 01246 g023
Figure 24. Block diagram of fuzzy speed controller corrected.
Figure 24. Block diagram of fuzzy speed controller corrected.
Mathematics 09 01246 g024
Figure 25. Transient characteristics: (a) case 1; (b) case 2; (c) case 3; (d) case 4; (e) case 5 from Table 1.
Figure 25. Transient characteristics: (a) case 1; (b) case 2; (c) case 3; (d) case 4; (e) case 5 from Table 1.
Mathematics 09 01246 g025
Figure 26. Characteristics of the transient regime for verification of the input–output stability.
Figure 26. Characteristics of the transient regime for verification of the input–output stability.
Mathematics 09 01246 g026
Table 1. Stability verification cases.
Table 1. Stability verification cases.
CasecdiKc
115000.1
21000.55
3100.55
410.55
550000.55
Publisher’s Note: MDPI stays neutral with regard to jurisdictional claims in published maps and institutional affiliations.

Share and Cite

MDPI and ACS Style

Voloşencu, C. Stability Analysis of Systems with Fuzzy PI Controllers Applied to Electric Drives. Mathematics 2021, 9, 1246. https://doi.org/10.3390/math9111246

AMA Style

Voloşencu C. Stability Analysis of Systems with Fuzzy PI Controllers Applied to Electric Drives. Mathematics. 2021; 9(11):1246. https://doi.org/10.3390/math9111246

Chicago/Turabian Style

Voloşencu, Constantin. 2021. "Stability Analysis of Systems with Fuzzy PI Controllers Applied to Electric Drives" Mathematics 9, no. 11: 1246. https://doi.org/10.3390/math9111246

APA Style

Voloşencu, C. (2021). Stability Analysis of Systems with Fuzzy PI Controllers Applied to Electric Drives. Mathematics, 9(11), 1246. https://doi.org/10.3390/math9111246

Note that from the first issue of 2016, this journal uses article numbers instead of page numbers. See further details here.

Article Metrics

Back to TopTop