Apply Fuzzy DEMATEL to Explore the Decisive Factors of the Auto Lighting Aftermarket Industry in Taiwan
Abstract
1. Introduction
2. Literature Review
2.1. Auto Lighting Industry
2.2. Key Success Factors
3. Research Methodology
The Fuzzy DEMATEL Approach
4. A Practical Case Study
4.1. The Subject of a Case Study
4.2. Applications of the Proposed Method
4.2.1. Analysis of the Questionnaires
4.2.2. Factor Analysis
4.2.3. Analyzing Cause and Effect Relations among the Main Constructs
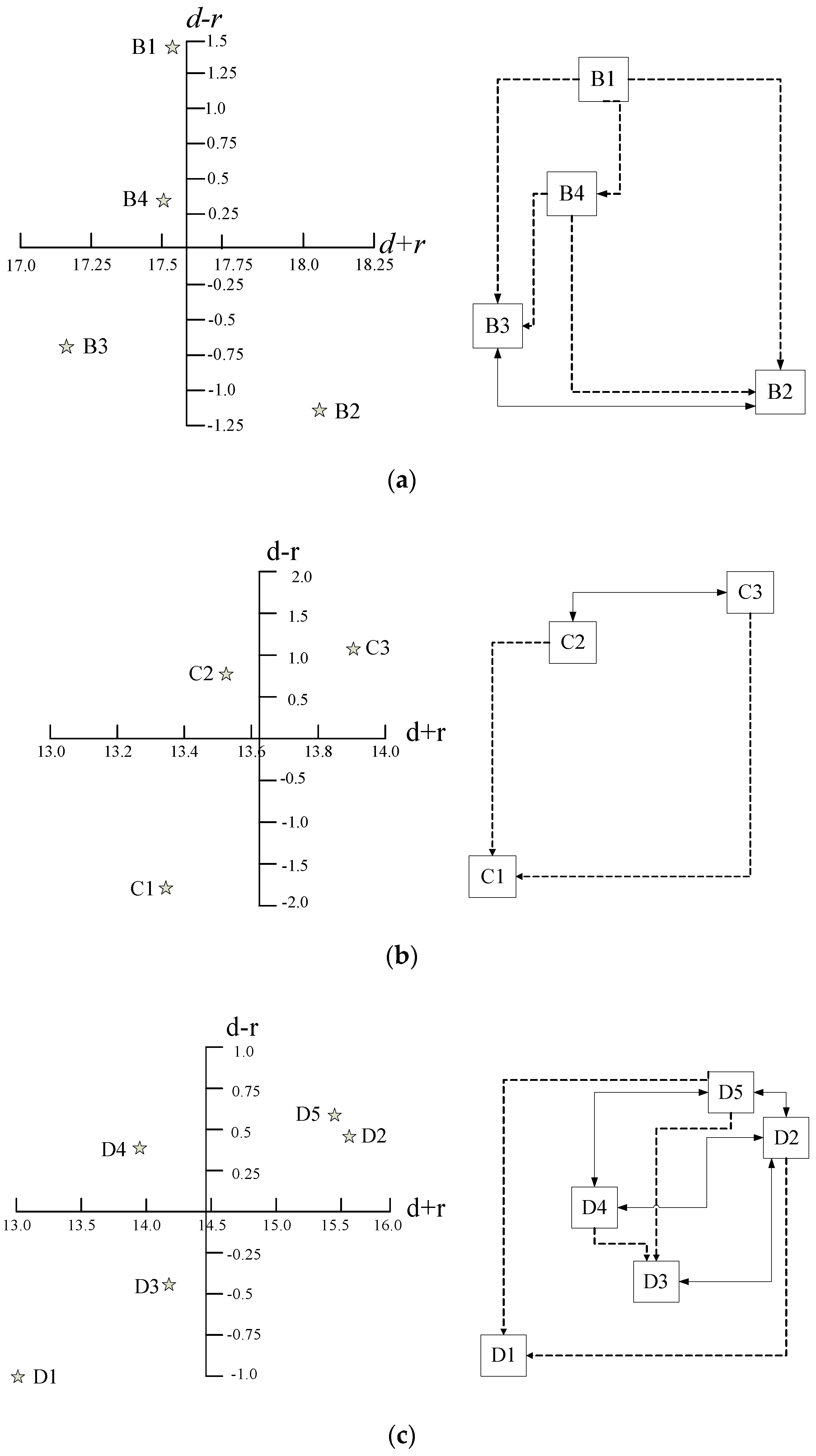
4.2.4. Analyzing Cause and Effect Interrelations among Indicators
5. Result and Discussions
5.1. Results of Main Construct Analysis
5.2. Results of Indicators under Various Construct
5.2.1. Operating Cost
5.2.2. Quality and Brand
5.2.3. Technology Development
5.2.4. Product Integrity
5.2.5. Customer Satisfaction
5.3. Discussions
6. Conclusions and Implications
6.1. Conclusions
6.2. Managerial Implications
Author Contributions
Funding
Conflicts of Interest
Appendix A
| Definition | Reference Literature | |
|---|---|---|
| Promoting standardization of materials | Ability to standardize manufacturing processes and materials within the company | [49,51] |
| Bargaining power over the suppliers | Price space and flexibility obtained from bargaining with suppliers | [53] |
| Key components prices | Better price judgment for key components in the manufacturing process | [55] |
| Outsourcing production | Products are produced and purchased by external companies to reduce costs | [56] |
| Mass production | Products are produced in larger quantities to reduce costs | [58] |
| Incentive and reward system | Design incentive and reward systems for various departments | [59] |
| Improve brand awareness and reputation | Corporate brand awareness and external reputation | [47] |
| Acquire quality certification | The ability to successfully obtain various certifications required in the automotive lamp industry | [64] |
| Process productivity improvement | Ability to further improve product process yield | [46] |
| Planning a future vision | The operator can plan the vision that leads to the future of the company | [44] |
| Profit feedback to the community | The business operator can give back to the place after making a profit | [66] |
| Perfect quality management system | Complete quality data management and pass quality control certification or audit | [65] |
| Mold development capability | New mold development capabilities | [67] |
| Cross-border collaborative development | Partners in different technical fields develop products together | [42] |
| Product portfolio strengthening | Combining technology and components of car lamp products to enhance product value | [18] |
| Optical technology improvement | Can further enhance the technical capabilities of car lamp sources | [43] |
| Advanced executive support | Senior executives within the company agree to accept grassroots recommendations | [66] |
| Mutually supported cross-departmental team | Make good use of project teams that support each other across departments | [47] |
| Product differentiation | Differences in products from competitors | [44] |
| Miniature production and Diversified production | Products can be produced more diversely and in smaller quantities | [67] |
| Product value-added | New products can give customers a sense of added value, such as environmental protection | [45] |
| Accelerating the Introduction Frequency of New product | Accelerate the promotion of suitable products in line with market trends | [46] |
| Customized manufacturing | Enterprises can meet the manufacture of various types of customized products | [68] |
| On-time delivery | Provide the required products on time according to the time required by the customer | [76] |
| Shortening the operation time of customers/suppliers | Provide a complete supply chain platform to reduce operating time | [75] |
| Building global marketing channels | The marketing channels of car lamp products can be increased | [66] |
| Quick response to customer demands | Respond quickly to customer needs | [69,70] |
| Maintain the level of creativity and innovation | Enterprises can make consumers feel the difference between new products | [44] |
Appendix B
| Operating Cost | SD | D | N | A | SA |
| 1. Promoting standardization of materials | □ | □ | □ | □ | □ |
| 2. Bargaining power over the suppliers | □ | □ | □ | □ | □ |
| 3. Key components prices | □ | □ | □ | □ | □ |
| 4. Outsourcing production | □ | □ | □ | □ | □ |
| 5. Mass production | □ | □ | □ | □ | □ |
| 6. Incentive and reward system | □ | □ | □ | □ | □ |
| Quality and brand | SD | D | N | A | SA |
| 1. Improve brand awareness and reputation | □ | □ | □ | □ | □ |
| 2. Acquire quality certification | □ | □ | □ | □ | □ |
| 3. Process productivity improvement | □ | □ | □ | □ | □ |
| 4. Planning a future vision | □ | □ | □ | □ | □ |
| 5. Profit feedback to the community | □ | □ | □ | □ | □ |
| 6. Perfect quality management system | □ | □ | □ | □ | □ |
| Technology development | SD | D | N | A | SA |
| 1. Mold development capability | □ | □ | □ | □ | □ |
| 2. Cross-border collaborative development | □ | □ | □ | □ | □ |
| 3. Product portfolio strengthening | □ | □ | □ | □ | □ |
| 4. Optical technology improvement | □ | □ | □ | □ | □ |
| 5.Top manager support | □ | □ | □ | □ | □ |
| 6. Mutually supported cross-departmental team | □ | □ | □ | □ | □ |
| Product integrity | SD | D | N | A | SA |
| 1. Product differentiation | □ | □ | □ | □ | □ |
| 2. Miniature production & Diversified production | □ | □ | □ | □ | □ |
| 3. Product value-added | □ | □ | □ | □ | □ |
| 4. Accelerating the introduction frequency of new product | □ | □ | □ | □ | □ |
| 5. Customized manufacturing | □ | □ | □ | □ | □ |
| Customer Satisfaction | SD | D | N | A | SA |
| 1. On-time delivery | □ | □ | □ | □ | □ |
| 2. Shortening the operation time of customers/suppliers | □ | □ | □ | □ | □ |
| 3. Building global marketing channels | □ | □ | □ | □ | □ |
| 4. Quick response to customer demands | □ | □ | □ | □ | □ |
| 5. Maintain the level of creativity and innovation | □ | □ | □ | □ | □ |
References
- Industrial Technology Research Institute. Industrial Information Intelligence-Vehicle Industry Analysis. 2015. Available online: http://iekweb3.iek.org.tw/iekppt/client/default.aspx?industry=8 (accessed on 15 June 2019).
- Mulatu, A. On the concept of ‘competitiveness’ and its usefulness for policy. Struct. Chang. Econ. Dyn. 2016, 36, 50–62. [Google Scholar] [CrossRef]
- Ekici, Ş.Ö.; Kabak, Ö.; Ülengin, F. Linking to compete: Logistics and global competitiveness interaction. Transp. Policy 2016, 48, 117–128. [Google Scholar] [CrossRef]
- Voinescu, R.; Moisoiu, C. Competitiveness, Theoretical and Policy Approaches. Towards a More Competitive EU. Procedia Econ. Financ. 2015, 22, 512–521. [Google Scholar] [CrossRef]
- Wang, W.P. Evaluating new product development performance by fuzzy linguistic computing. Expert Syst. Appl. 2009, 36, 9759–9766. [Google Scholar] [CrossRef]
- Luh, Y.H.; Jiang, W.J.; Huang, S.C. Trade-related spillovers and industrial competitiveness: Exploring the linkages for OECD countries. Econ. Model. 2016, 54, 309–325. [Google Scholar] [CrossRef]
- Henderson, K.M.; Evans, J.R. Successful implementation of Six Sigma: Benchmarking General Electric Company. Benchmarking Int. J. 2000, 7, 260–282. [Google Scholar] [CrossRef]
- Scherrer-Rathje, M.; Boyleb, T.A.; Deflorin, P. Lean, take two! Reflections from the second attempt at lean implementation. Bus. Horiz. 2009, 52, 79–88. [Google Scholar] [CrossRef]
- Black, S.A.; Porter, L.J. Identification of the Critical Factors of TQM. Decis. Sci. 1996, 27, 1–21. [Google Scholar] [CrossRef]
- Bortolotti, T.; Boscari, S.; Danese, P. Successful lean implementation: Organizational culture and soft lean practices. Int. J. Prod. Econ. 2015, 160, 182–201. [Google Scholar] [CrossRef]
- Lin, S.W. Identifying the Critical Success Factors and an Optimal Solution for Mobile Technology Adoption in Travel Agencies. Int. J. Tour. Res. 2016, 19, 127–144. [Google Scholar] [CrossRef]
- Netland, T.H. Critical success factors for implementing lean production: The effect of contingencies. Int. J. Prod. Res. 2016, 54, 2433–2448. [Google Scholar] [CrossRef]
- Black, J.T. Design rules for implementing the Toyota Production System. Int. J. Prod. Res. 2007, 45, 3639–3664. [Google Scholar] [CrossRef]
- Sila, I.; Ebrahimpour, M. Examination and comparison of the critical factors of total quality management (TQM) across countries. Int. J. Prod. Res. 2003, 41, 235–268. [Google Scholar] [CrossRef]
- Näslund, D. Lean and six sigma—Critical success factors revisited. Int. J. Qual. Serv. Sci. 2013, 5, 86–100. [Google Scholar] [CrossRef]
- Bian, T.; Deng, Y. Identifying influential nodes in complex networks: A node information dimension approach. Chaos Interdiscip. J. Nonlinear Sci. 2018, 28, 043109. [Google Scholar] [CrossRef] [PubMed]
- Fei, L.; Wang, H.; Chen, L.; Deng, Y. A new vector valued similarity measure for intuitionistic fuzzy sets based on OWA operators. Iran. J. Fuzzy Syst. 2019, 16, 113–126. [Google Scholar]
- Chen, Z.M. Research on the Key Success Factors of Traditional Industry Management-Taking the Automobile Lamp Industry as an Example. Master’s Thesis, Department of Enterprise Management, Feng Chia University, Taichung, Taiwan, 2015. [Google Scholar]
- Statistics Department, Ministry of Economic Affairs. Statistics of Industrial Production, Sales and Inventory Dynamic Survey Products. 2019. Available online: https://dmz26.moea.gov.tw/GMWeb/investigate/InvestigateDA.aspx (accessed on 31 July 2019).
- Daniel, D.R. Management Information Crisis. Harv. Bus. Rev. 1961, 39, 111–121. [Google Scholar]
- Aaker, D.A. Strategic Market Management; John Wiley & Sons: New York, NY, USA, 1984. [Google Scholar]
- Aaker, D.A.; Moorman, C. Strategic Market Management, 11th ed.; John Wiley & Sons: New York, NY, USA, 2017. [Google Scholar]
- Laudon, K.C.; Laudon, J.P. Management Information Systems: Managing the Digital Firm, 16th ed.; Pearson Prentice Hall: Upper Saddle River, NJ, USA, 2019. [Google Scholar]
- Rockart, J.F. Chief Executives Define Their Own Data Needs. Harv. Bus. Rev. 1979, 57, 81–93. [Google Scholar]
- Alazmi, M.; Zairi, M. Knowledge management critical success factors. Total Qual. Manag. Bus. Excell. 2003, 14, 199–204. [Google Scholar] [CrossRef]
- Huang, L.S.; Lai, C.P. An investigation on critical success factors for knowledge management using structural equation modeling. Procedia Soc. Behav. Sci. 2012, 40, 24–30. [Google Scholar] [CrossRef]
- Boynton, A.C.; Zmud, R.W. An Assessment of Critical Success Factors. Sloan Manag. Rev. 1984, 25, 17–27. [Google Scholar]
- Hardaker, M.; Ward, B.K. How to make a teamwork. Harv. Bus. Rev. 1987, 65, 112–120. [Google Scholar]
- Fishman, A. Critical success factors: Key to attaining goals. Inside Tuscon Bus. 1998, 8, 10–12. [Google Scholar]
- Hayes, B.J. Assessing for Lean Six Sigma Implementation and Success. 2000. Available online: https://www.isixsigma.com/implementation/basics/assessing-lean-six-sigma-implementation-and-success/ (accessed on 30 September 2019).
- Guimaraes, T.; Gupta, Y.P.; Rainer, R.K. Empirically Testing the Relationship Between End-User Computing Problems and Information Center Success Factors. Decis. Sci. 1999, 30, 393–413. [Google Scholar] [CrossRef]
- Dwyer, S.; Hill, J.; Martin, W. An Empirical Investigation of Critical Success Factors in the Personal Selling Process for Homogenous Goods. J. Pers. Sell. Sales Manag. 2000, 20, 151–159. [Google Scholar]
- Lee, M.S. The Study of Key Success Factors for Competitive Advantages as Well as Strategies in Promotion of Agricultural Biotechnology Industry in Taiwan. Agric. Econ. Semi Annu. 2007, 82, 107–156. [Google Scholar]
- Wu, Q.S. Empirical Research on Success Factors, Company Capabilities and Alliance Strategies of Taiwan’s Information Electronics Industry. Taiwan Univ. Manag. Ser. 1993, 4, 209–226. [Google Scholar]
- Lee, M.S.; Liu, K.N.; Ting, S.M.; Chou, J.N. A Study on the Key Success Factors of Biotechnology Industry in Taiwan. Soochow J. Econ. Bus. 2007, 56, 27–51. [Google Scholar]
- Yang, C.C.; Tai, S.H.; Kuo, Y.Y. Empirical Analysis of Critical Success Factors in Service Industry. J. Qual. 2016, 23, 415–424. [Google Scholar]
- Hsu, V.; Hsu, M.L.; Ou-Yang, H.H. An Exploration of Key Success Factors for Silicon Wafer Material Industry in Taiwan. J. Sci. Technol. Manag. 2005, 10, 69–96. [Google Scholar]
- Chen, S.H.; Yang, B.T.; Lee, P.C. Key Success Factors of Taiwan’s Cement Industry Relocating to the Mainland China. J. Bus. 2019, 27, 1–21. [Google Scholar]
- Fan, P.H.; Liao, S.K. A Study of Key Success Factors for the Business Excellent of Taiwan Small and Medium Enterprises. J. Innov. Bus. Manag. 2017, 7, 31–49. [Google Scholar]
- Habidin, N.F.; Yusof, S.M. Critical success factors of Lean Six Sigma for the Malaysian automotive industry. Int. J. Lean Six Sigma 2013, 4, 60–82. [Google Scholar] [CrossRef]
- Roth, A.V.; Miller, J.G. Success Factors in Manufacturing. Bus. Horiz. 1992, 35, 73–81. [Google Scholar]
- Wang, B.J. Global Operational Research Alliance of Automotive AM Parts Industry HUB; Wireless Identification Center, Industrial Technology Research Institute: Hsinchu, Taiwan, 2008. [Google Scholar]
- He, X.Y. Lamp Design, Innovative Development; ARTC Vehicle Research Information: Changhua County, Taiwan, 2008; pp. 32–34. [Google Scholar]
- Chiu, C.C. Knowledge Management and Case-Based Reasoning Applications for the New Product Development of Vehicle Lighting–Case Study on D Company. Master’s Thesis, Department of Industrial Engineering Management, National Cheng Kung University, Tainan, Taiwan, 2009. [Google Scholar]
- Chiu, H.T. Investigation of Knowledge Management and New Product Development Performance of the Automotive Lighting Industry in Tainan Taiwan. Master’s Thesis, Department of Enterprise Management, Southern Taiwan University of Science and Technology, Tainan, Taiwan, 2005. [Google Scholar]
- Chen, G.F. Application of Quality Function Development and Value Analysis to Discuss the Development of Aftermarket Automotive Headlight Products. Master’s Thesis, Department of Management, National University of Kaohsiung, Kaohsiung, Taiwan, 2013. [Google Scholar]
- Tsai, M.Z.; Zhang, S.J. Taiwan Automotive Components Efficiency Evaluation and Model Construction. J. Ind. Technol. Educ. 2014, 11, 1–13. [Google Scholar]
- Wu, W.Y.; Kuo, H.P.; Peng, Y.L. Interrelationships between Organizational Culture, Management Modes, Competitive Advantages and Management Performance for Medical Center. J. Med. Manag. 2002, 3, 17–38. [Google Scholar]
- Perera, H.S.C.; Nagarur, N.; Tabucanon, M.T. Component part standardization: A way to reduce the life-cycle costs of products. Int. J. Prod. Econ. 1999, 60, 109–116. [Google Scholar] [CrossRef]
- Sanchez-Rodriguez, C.; Hemsworth, D.; Martinez-Lorente, A.R.; Clavel, J.G. An empirical study on the impact of standardization of materials and purchasing procedures on purchasing and business performance. Supply Chain Manag. Int. J. 2006, 11, 56–64. [Google Scholar] [CrossRef]
- Sered, Y.; Reich, Y. Standardization and modularization driven by minimizing overall process effort. Comput. Aided Des. 2006, 38, 405–416. [Google Scholar] [CrossRef]
- Hsin, C.H. The Establishment of Components Standardization System—A Case Study of NKG Group. Master’s Thesis, Department of Enterprise Management, National Chiao Tung University, Hsinchu, Taiwan, 2011. [Google Scholar]
- Porter, M.E. The Five Competitive Forces That Shape Strategy. Harv. Bus. Rev. 2008, 86, 78–93. [Google Scholar]
- Ye, W.M. A Research on Relationship of Business Strategy and Competitive Advantage-TFT-LCD Industry in Taiwan. Master’s Thesis, Institute of Enterprise Management, Chung Yuan Christian University, Taoyuan City, Taiwan, 2006. [Google Scholar]
- Chuang, Y. Improvement Study of Procurement and Inventory Management of Key Components to Smart Mobile Device Industry—Case study for Smart Mobile Maker S Company. Master’s Thesis, Department of Industrial Engineering and Management, National Chiao Tung University, Hsinchu, Taiwan, 2013. [Google Scholar]
- Jiang, H.Y. Analysis of the Impact of Manufacturers’ Foreign Investment and Outsourcing Production on R&D Decisions. Master’s Thesis, Institute of Economics, Taiwan University, Taipei, Taiwan, 2005. [Google Scholar]
- Tseng, J.J.; Kao, T.C.; Ho, Y.C. Exploring the Influence of Marketing System and Human Capital on Operating Efficiency of the Life Insurance Industry Based on the Balanced Scorecard Perspective. J. Natl. Chiao Tung Univ. 2005, 25, 179–204. [Google Scholar]
- Liao, S.C. Apply Industry of Product Research and Development and Multi Criteria Decision Making for Enhancing Business Excellence. J. Manag. Inf. 2014, 19, 63–93. [Google Scholar] [CrossRef]
- Wen, T.Y. The Effect of Incentive Enhancement Factors on Production Performance and Production Qualitzy—A Case Study of S Company. Master’s Thesis, Marketing and Circulation Management Institute, Yu-Da University of Science and Technology, Zaoqiao, Taiwan, 2017. [Google Scholar]
- Yang, F.H.; Yang, M.Y.; Yang, F.S. Research on the Relationship between Socialization of Employee Organization of Multinational Enterprises, Internal Marketing and Service Quality. J. Bus. 2011, 19, 69–88. [Google Scholar]
- Wu, Q.W.; Liu, Z.Y.; Xu, Y.X. Research on Service Quality and Brand Image of News Website. Inf. Soc. Res. 2008, 15, 153–180. [Google Scholar]
- Wu, J.H.; Liu, L.F. The Effect of Product Quality Brand Image and Self-Concept on Customer Relationship. Hongguang J. Humanit. Soc. Sci. 2008, 8, 45–68. [Google Scholar]
- Chen, H.Y. The Key Success Factors of Taiwan Long-standing Stores. Master’s Thesis, Institute of Business Automation and Management, National Taipei University of Technology, Taipei, Taiwan, 2009. [Google Scholar]
- Hsu, C.L. Some Thoughts on Service Quality Enhancement. Master’s Thesis, Administration of National Taiwan University of Science and Technology, Taipei, Taiwan, 2009. [Google Scholar]
- Lin, M.D. The Exploration of Contextual Factors of Total Quality Management in a Medical Center. Master’s Thesis, Institute of Business Administration, Da-Yeh University, Changhua, Taiwan, 2001. [Google Scholar]
- Zhan, Z.U. The Analysis of the Core Competency of Taiwanese Auto Lamp Industry. Master’s Thesis, Department of Management and Management, Feng Chia University, Taichung, Taiwan, 2010. [Google Scholar]
- Liu, C.P. Research on International Business Strategy of Automobile Component Manufacturers-A Case study of the Tong Yang Group (TYG). Master’s Thesis, Institute of Enterprise Management, National Chengchi University, Taipei, Taiwan, 2007. [Google Scholar]
- Chen, J.S.; Ho, C.T.; Tsou, H.T.; Lo, T.K. Mass customization capabilities and agility research: Pre-factors and the impact on corporate competitive advantage. J. Electron. Commer. 2009, 11, 489–518. [Google Scholar]
- Ahmad, M.F.; Yusof, S.M.; Yusof, N.M. Comparative study of quality practices between Japanese and non-Japanese based electrical and electronics companies in Malaysia: A survey. J. Teknol. 2007, 47, 75–89. [Google Scholar] [CrossRef]
- Snee, R.D.; Gardner, E.C. Putting all together-continuous improvement is better than postponed perfection. In Quality Progress; American Society for Quality (ASQ): Milwaukee, WI, USA, 2008; pp. 56–59. [Google Scholar]
- Liao, T.Y.; Lou, Y.C. Service Quality and Customer Satisfaction for Home-delivery Service Providers-Case Study of Five Providers in Taiwan. J. Electron. Commer. 2013, 15, 461–490. [Google Scholar]
- Ittner, C.D.; Larcker, D.F. Quality strategy, strategic control systems and organizational performance. Account. Organ. Soc. 1997, 22, 293–314. [Google Scholar] [CrossRef]
- Dow, D.; Samson, D.; Ford, S. Exploding the myth: Do all quality management practices contribute to superior quality performance? Prod. Oper. Manag. 1999, 8, 1–27. [Google Scholar] [CrossRef]
- Zakuan, N.; Yusof, S.M.; Mat Saman, M.Z.; Shaharoun, A.M. Confirmatory factor analysis of TQM practices in Malaysia and Thailand automotive industries. Int. J. Bus. Manag. 2010, 5, 160–175. [Google Scholar] [CrossRef][Green Version]
- Huang, M.Z. Discuss how public stadiums can improve customer satisfaction from a service quality perspective. NCYU Phys. Educ. Health Recreat. J. 2009, 8, 267–276. [Google Scholar]
- Hwang, Y.J.; Huang, L.N.; Ru, K.P.; Yang, S.H. Applying DO-MITIC Problem Solving Methodology to Improve the On-Time Delivery for Procurement. J. Qual. 2008, 15, 355–369. [Google Scholar]
- Millson, M.R.; Wilemon, D. Innovation in heavy construction equipment manufacturing: An exploratory study. Int. J. Innov. Manag. 2006, 10, 127–161. [Google Scholar] [CrossRef]
- Chen, J.; He, Y.B.; Jin, X. A Study on the Factors that Influence the Fitness between Technology Strategy and Corporate Strategy. Int. J. Innov. Technol. Manag. 2008, 5, 81–103. [Google Scholar] [CrossRef]
- Li, R.J. Fuzzy method in group decision making. Comput. Math. Appl. 1999, 38, 91–101. [Google Scholar] [CrossRef]
- Tamura, M.; Akazawa, K. Structural modeling and systems analysis of uneasy factors for realizing safe, secure and reliable society. J. Telecommun. Inf. Technol. 2005, 3, 64–72. [Google Scholar]
- Hu, H.Y.; Chiu, S.I.; Cheng, C.C. Applying the IPA and DEMATEL models to improve the order-winner criteria: A case study of Taiwan’s network communication equipment manufacturing industry. Expert Syst. Appl. 2011, 38, 9674–9683. [Google Scholar] [CrossRef]
- Hsu, C.Y.; Chen, K.T.; Tzeng, G.H. FMCDM with Fuzzy DEMATEL Approach for Customers’ Choice Behavior Model. Int. J. Fuzzy Syst. 2007, 9, 236–246. [Google Scholar]
- Hair, J.F.; Black, W.C.; Babin, B.J.; Anderson, R.E.; Tatham, R.L. Multivariate Data Analysis; Pearson Education: Upper Saddle River, NJ, USA, 2006. [Google Scholar]
- Bagozzi, R.P.; Yi, Y. On the evaluation of structural equation models. J. Acad. Mark. Sci. 1988, 16, 74–94. [Google Scholar] [CrossRef]
- Fornell, C.; Larcker, D.F. Structural Equation Models with Unobservable Variables and Measurement Error; Algebra and Statistics; Sage Publications Sage CA: Los Angeles, CA, USA, 1981. [Google Scholar]
- Bentler, P.M.; Bonett, D.G. Significance tests and goodness of fit in the analysis of covariance structures. Psychol. Bull. 1980, 88, 588. [Google Scholar] [CrossRef]
- Scott, J.E. The measurement of information systems effectiveness: Evaluating a measuring instrument. ACM SIGMIS Database Database Adv. Inf. Syst. 1995, 26, 43–61. [Google Scholar] [CrossRef]
- Browne, M.W.; Cudeck, R. Alternative ways of assessing model fit. Sociol. Methods Res. 1992, 21, 230–258. [Google Scholar] [CrossRef]




| A1 | A2 | A3 | A4 | A5 | |
|---|---|---|---|---|---|
| A1 | 0 | 2 | 2 | 3 | 3 |
| A2 | 2 | 0 | 1 | 3 | 4 |
| A3 | 2 | 1 | 0 | 2 | 1 |
| A4 | 3 | 3 | 2 | 0 | 3 |
| Linguistic Terms | Triangular Fuzzy Numbers (l,m,r) |
|---|---|
| Very high influence (VH):4 | (0.75, 1, 1) |
| High influence (H):3 | (0.5, 0.75, 1) |
| Low influence (L):2 | (0.25, 0.5, 0.75) |
| Very low influence (VL):1 | (0, 0.25, 0.5) |
| No influence (No):0 | (0, 0, 0.25) |
| Main Construct | Indicator | Factor Loading | CR | AVE |
|---|---|---|---|---|
| Operating cost (A1) | Promoting standardization of materials (B1) | 0.778 | 0.77 | 0.47 |
| Bargaining power over the suppliers (B2) | 0.682 | |||
| Key components prices (B3) | 0.663 | |||
| Outsourcing production (B4) | 0.589 | |||
| Quality and brand (A2) | Improve brand awareness and reputation (C1) | 0.839 | 0.77 | 0.54 |
| Acquire quality certification (C2) | 0.784 | |||
| Perfect quality management system (C3) | 0.552 | |||
| Technology development (A3) | Mold development capability (D1) | 0.777 | 0.83 | 0.50 |
| Cross-border collaborative development (D2) | 0.761 | |||
| Product portfolio strengthening (D3) | 0.696 | |||
| Optical technology improvement (D4) | 0.684 | |||
| Mutually supported cross-departmental team (D5) | 0.581 | |||
| Product integrity (A4) | Product differentiation (E1) | 0.696 | 0.70 | 0.37 |
| Miniature production and diversified production (E2) | 0.628 | |||
| Accelerating the introduction frequency of new product (E3) | 0.542 | |||
| Customized manufacturing (E4) | 0.542 | |||
| Customer satisfaction (A5) | On-time delivery (F1) | 0.581 | 0.65 | 0.32 |
| Shortening the operation time of customers/suppliers (F2) | 0.553 | |||
| Building global marketing channels (F3) | 0.552 | |||
| Quick response to customer demands (F4) | 0.581 |
| Fit Index | χ2/df | GFI | AGFI | RMSEA | NFI | TLI | CFI |
|---|---|---|---|---|---|---|---|
| Recommended criteria | <3 | >0.8 | >0.80 | <0.08 | >0.90 | >0.90 | >0.90 |
| Model results | 92.059/32 = 2.886 | 0.835 | 0.816 | 0.083 | 0.922 | 0.935 | 0.947 |
| A1 | A2 | A3 | A4 | A5 | |
|---|---|---|---|---|---|
| A1 | (0.00,0.00,0.25) | (0.33,0.56,0.80) | (0.52,0.75,0.92) | (0.48,0.72,0.89) | (0.49,0.73,0.90) |
| A2 | (0.38,0.63,0.84) | (0.00,0.00,0.25) | (0.44,0.69,0.88) | (0.31,0.55,0.79) | (0.50,0.75,0.92) |
| A3 | (0.58,0.83,0.95) | (0.50,0.75,0.92) | (0.00,0.00,0.25) | (0.38,0.63,0.84) | (0.48,0.72,0.89) |
| A4 | (0.50,0.75,0.92) | (0.38,0.63,0.84) | (0.54,0.77,0.94) | (0.00,0.00,0.25) | (0.58,0.83,0.95) |
| A5 | (0.44,0.69,0.88) | (0.50,0.75,0.92) | (0.49,0.73,0.90) | (0.54,0.77,0.94) | (0.00,0.00,0.25) |
| A1 | A2 | A3 | A4 | A5 | |
|---|---|---|---|---|---|
| A1 | (0.00,0.00,0.06) | (0.08,0.14,0.21) | (0.13,0.19,0.24) | (0.12,0.19,0.23) | (0.13,0.19,0.23) |
| A2 | (0.10,0.16,0.22) | (0.00,0.00,0.06) | (0.11,0.18,0.23) | (0.08,0.14,0.20) | (0.13,0.19,0.24) |
| A3 | (0.15,0.21,0.24) | (0.13,0.19,0.24) | (0.00,0.00,0.06) | (0.10,0.16,0.22) | (0.12,0.19,0.23) |
| A4 | (0.13,0.19,0.24) | (0.10,0.16,0.22) | (0.14,0.20,0.24) | (0.00,0.00,0.06) | (0.15,0.21,0.24) |
| A5 | (0.11,0.18,0.23) | (0.13,0.19,0.24) | (0.13,0.19,0.23) | (0.14,0.20,0.24) | (0.00,0.00,0.06) |
| A1 | A2 | A3 | A4 | A5 | |
|---|---|---|---|---|---|
| A1 | 3.433 | 3.503 | 3.555 * | 3.534 * | 3.551 * |
| A2 | 3.512 * | 3.082 | 3.528 * | 3.489 | 3.542 * |
| A3 | 3.568 * | 3.542 * | 3.442 | 3.518 * | 3.554 * |
| A4 | 3.556 * | 3.521 * | 3.568 * | 3.433 | 3.578 * |
| A5 | 3.541 * | 3.544 * | 3.556 * | 3.552 * | 3.447 |
| Construct | d | r | d + r (Centrality) | d − r (Causality) | Quadrant | Causal Relationship |
|---|---|---|---|---|---|---|
| A1 | 17.576 | 17.609 | 35.185 | −0.033 | 4th | Effect construct |
| A2 | 17.153 | 17.192 | 34.345 | −0.039 | 3rd | Independence construct |
| A3 | 17.623 | 17.647 | 35.270 | −0.024 | 4th | Effect construct |
| A4 | 17.656 | 17.526 | 35.182 | 0.130 | 1st | Cause construct |
| A5 | 17.639 | 17.672 | 35.311 | −0.033 | 4th | Effect construct |
| Average | 17.529 | 17.529 | 35.059 | 0 |
| Construct | Indicator | d | r | d + r (Centrality) | d − r (Causality) | Quadrant | Causal Relationship |
|---|---|---|---|---|---|---|---|
| Operating cost | B1 | 9.528 | 8.044 | 17.572 | 1.484 | 2nd | Other indicator |
| B2 | 8.474 | 9.603 | 18.077 | −1.129 | 4th | Effect indicator | |
| B3 | 8.214 | 8.942 | 17.156 | −0.728 | 3rd | Independence indicator | |
| B4 | 8.955 | 8.583 | 17.538 | 0.372 | 2nd | Other indicator | |
| Quality and brand | C1 | 5.833 | 7.545 | 13.378 | −1.712 | 3rd | Independence indicator |
| C2 | 7.115 | 6.411 | 13.526 | 0.704 | 2nd | Other indicator | |
| C3 | 7.454 | 6.447 | 13.901 | 1.007 | 1st | Cause indicator | |
| Technology development | D1 | 6.009 | 7.015 | 13.024 | −1.006 | 3rd | Independence indicator |
| D2 | 8.021 | 7.561 | 15.582 | 0.460 | 1st | Cause indicator | |
| D3 | 6.911 | 7.366 | 14.277 | −0.455 | 3rd | Independence indicator | |
| D4 | 7.184 | 6.788 | 13.972 | 0.396 | 2nd | Other indicator | |
| D5 | 8.051 | 7.445 | 15.496 | 0.606 | 1st | Cause indicator | |
| Product integrity | E1 | 8.979 | 8.961 | 17.940 | 0.018 | 1st | Cause indicator |
| E2 | 8.302 | 8.370 | 16.672 | −0.068 | 3rd | Independence indicator | |
| E3 | 8.366 | 9.026 | 17.392 | −0.660 | 3rd | Independence indicator | |
| E4 | 9.564 | 8.853 | 18.417 | 0.711 | 1st | Cause indicator | |
| Customer Satisfaction | F1 | 15.585 | 18.566 | 34.151 | −2.981 | 3rd | Independence indicator |
| F2 | 17.781 | 18.434 | 36.215 | −0.653 | 4th | Effect indicator | |
| F3 | 19.065 | 15.590 | 34.655 | 3.475 | 2nd | Other indicator | |
| F4 | 18.480 | 18.321 | 36.801 | 0.159 | 1st | Cause indicator |
© 2020 by the authors. Licensee MDPI, Basel, Switzerland. This article is an open access article distributed under the terms and conditions of the Creative Commons Attribution (CC BY) license (http://creativecommons.org/licenses/by/4.0/).
Share and Cite
Li, J.; Wu, C.-H.; Chen, C.-W.; Huang, Y.-F.; Lin, C.-T. Apply Fuzzy DEMATEL to Explore the Decisive Factors of the Auto Lighting Aftermarket Industry in Taiwan. Mathematics 2020, 8, 1187. https://doi.org/10.3390/math8071187
Li J, Wu C-H, Chen C-W, Huang Y-F, Lin C-T. Apply Fuzzy DEMATEL to Explore the Decisive Factors of the Auto Lighting Aftermarket Industry in Taiwan. Mathematics. 2020; 8(7):1187. https://doi.org/10.3390/math8071187
Chicago/Turabian StyleLi, Jing, Chi-Hui Wu, Chien-Wen Chen, Yi-Fen Huang, and Ching-Torng Lin. 2020. "Apply Fuzzy DEMATEL to Explore the Decisive Factors of the Auto Lighting Aftermarket Industry in Taiwan" Mathematics 8, no. 7: 1187. https://doi.org/10.3390/math8071187
APA StyleLi, J., Wu, C.-H., Chen, C.-W., Huang, Y.-F., & Lin, C.-T. (2020). Apply Fuzzy DEMATEL to Explore the Decisive Factors of the Auto Lighting Aftermarket Industry in Taiwan. Mathematics, 8(7), 1187. https://doi.org/10.3390/math8071187

