Next Article in Journal
A Study on Path Planning for Curved Surface UV Printing Robots Based on Reinforcement Learning
Previous Article in Journal
Mathematical Modeling and Recursive Algorithms for Constructing Complex Fractal Patterns
 
 
Font Type:
Arial Georgia Verdana
Font Size:
Aa Aa Aa
Line Spacing:
Column Width:
Background:
Article

Implementation of Constant Power Control for a Reamer Using a Fuzzy PID Algorithm

1
School of Transportation and Logistics Engineering, Wuhan University of Technology, Wuhan 430063, China
2
State Key Laboratory of Maritime Technology and Safety, Wuhan 430063, China
*
Author to whom correspondence should be addressed.
Mathematics 2025, 13(4), 647; https://doi.org/10.3390/math13040647
Submission received: 3 January 2025 / Revised: 8 February 2025 / Accepted: 12 February 2025 / Published: 16 February 2025

Abstract

With the continuous development of the shipping industry, suction dredgers play a crucial role as functional vessels for channel dredging. The reamer, as the core component of a cutter suction dredger, significantly impacts the energy consumption of the entire vessel. Most suction dredger reamers are powered by three-phase asynchronous motors. To fully utilize the motor’s output power, there is an urgent need to design a constant power control system to ensure stable and consistent power output despite variations in system parameters. This paper proposes a fuzzy PID control algorithm to address the limitations of traditional PID control, such as slow and insufficient response times, in order to achieve smoother and faster reamer power regulation. The proposed control strategy is validated through both simulations and experiments. Results show that the fuzzy PID algorithm reduces overshoot by an average of 9.85%, rise time by 38.58%, and regulation time by 42%, compared to traditional PID control. Additionally, the fuzzy PID control demonstrates superior robustness in dynamic responses to system changes. Overall, the fuzzy PID control system outperforms traditional PID in maintaining constant power control of the reamer.

1. Introduction

With continuous advancements in industrial automation, China’s dredger manufacturing technology has significantly progressed. Cutter suction dredgers demonstrate strong adaptability to various soil conditions, offer a wide digging depth range, and provide high operational efficiency, making them essential for dredging projects [1]. The control system is a crucial component of any cutter suction dredger. Older dredgers are primarily controlled by relays, which result in complex control circuits and high equipment failure rates. The use of programmable logic controllers (PLCs) offers a solution to the shortcomings of traditional electronic control systems [2]. The widespread adoption of frequency conversion speed regulation in high-performance AC motors has led to significant energy savings and flexible operation, gradually replacing traditional mechanical and DC speed regulation motors [3,4]. In port machinery, frequency conversion devices enable stepless motor speed regulation, enhancing operational efficiency, ensuring motor safety, and achieving energy savings [5]. Large engineering vessels also utilize frequency conversion speed control technology, which significantly improves motor control and expands both the speed range and power density [6,7].
The reamer Is a core component of suction dredgers, responsible for cutting soil and enhancing the efficiency of mud transportation through pipelines. It is typically driven by a three-phase asynchronous motor. Achieving automatic control of the reamer is crucial for the realization of fully intelligent dredging operations. The power consumed by the reamer constitutes a significant portion of the suction dredger’s overall power consumption. Given the wide fluctuations in working conditions during dredging, implementing effective control measures for the reamer is essential. During the soil-cutting process, precise control of the reamer’s power is essential for optimal dredging performance. In cutter suction dredgers, the primary soil types encountered are rock, sand, and clay. Each type of soil requires specific cutting power, and the power demand directly impacts the energy consumption of the cutter suction dredger [8]. The reamer’s power significantly affects both the working efficiency and dredging capacity of the vessel. Generally, higher reamer power corresponds to greater dredging capacity and improved operational efficiency. Due to the complexity of soil conditions during dredging operations, fluctuations in operating conditions are common. If the reamer’s power cannot promptly respond to these changes, construction efficiency may decrease, and energy consumption may increase. To maintain energy consumption within a reasonable range, the reamer’s output power must be carefully controlled [9].
In industrial production, many controlled systems experience load variations or external disturbances, leading to changes in system parameters or structure. Adaptive control leverages modern control theory to identify system parameters in real time and adjust the control strategy accordingly. This ensures that the control system’s performance metrics remain within the optimal range. However, the precision of control depends on the accuracy of the identification model, which may be inadequate for complex systems. As a result, PID algorithms are widely employed in industrial processes. PID control provides feedback for the system, eliminates steady-state errors through integral action, and anticipates future trends via derivative action. Overall, PID algorithms offer stable performance, broad applicability, and a simple structure. When appropriately tuned, PID parameters can achieve the desired control accuracy [10].
While traditional PID methods are simple in structure and widely applied, they may fail to achieve the desired system output due to their linear response to error and error variation [11,12,13,14,15]. To overcome the limitations of traditional PID methods, more sophisticated control algorithms, such as neural network PID, genetic PID, and fuzzy PID, have been developed. These algorithms improve motor dynamics by optimizing regulating factors to provide more precise control [16,17,18]. Liu employed an S7-1500 controller combined with an expert PID algorithm to develop an accurate industrial flow control model [19], whereas Maraba and Kuzucuoglu utilized an S7-300 controller in conjunction with a neural network PID algorithm to design a speed control model for asynchronous motors with second-order characteristics [20]. Howimanporn et al. integrated a PID algorithm with particle swarm optimization to regulate the speed and position of a DC motor [21], while Sangeetha et al. utilized an S7-1200 controller in conjunction with an open platform communication (OPC) server to implement control of a PID serial structure [22]. Kroičs K. and Būmanis A. achieved rapid and precise speed control of a low-power brushless DC motor using a fuzzy PID algorithm [23]. Ma C. et al. utilized a fuzzy PID controller to achieve precise position control of a permanent magnet synchronous motor. The robustness and reliability of this method were demonstrated through both simulation and experimental validation [24]. Zhao X. et al. employed Simulink to develop a fuzzy PID control system, enhancing both control accuracy and operational stability of the ECSMS motor [25,26]. Yin Luo et al. applied a fuzzy PID controller to the control system of a three-phase asynchronous motor in a centrifugal pump, ensuring high-efficiency operation and energy savings [27].
Kumar R. and Sikander A. proposed a fuzzy PID controller to manage unexpected frequency variations and transmission line power fluctuations caused by transient load changes in power systems. The simulation model was developed using Simulink, and the results verified that the fuzzy PID controller could stabilize voltage and power in the NRT power system [28]. Given the difficulty in establishing an accurate mathematical model for a liquid molten salt reactor, Zeng W. et al. proposed a fuzzy PID controller to address this challenge. The superiority of the fuzzy PID control over conventional PID was confirmed through simulation results [29]. Numerous scholars have achieved more precise control of DC motor speed by employing fuzzy PID algorithms through experimental and simulation methods [30,31,32,33]. To address the limitations of large load fluctuations and traditional singleton control methods, Guo T. et al. designed a segmented constant power control strategy for the stable operation of electric excavators. The stability of this control strategy was verified through both simulation and experimentation [34]. Sen Yan and Mao Jun et al. applied fuzzy logic technology to the constant power control of cutting and grinding machines. However, their paper focused solely on the theoretical aspects and did not present the final control results [35,36]. Xiao Cheng et al. implemented power control for a track grinder using a fuzzy PID algorithm. Despite this, the resulting error remained significant, indicating that the control performance was not ideal. Additionally, the algorithm’s resistance to interference was not validated [37]. Liao et al. developed a mathematical model for a high-pressure water pump using the fuzzy PID algorithm and simulated it in MATLAB R2024a. However, experimental validation was not conducted [38].
In summary, while research on DC motors is more prevalent both domestically and internationally, there has been less focus on three-phase asynchronous motors, which hold greater scientific research value. Furthermore, a comprehensive approach involving both MATLAB simulation and motor experiments for mutual verification is often overlooked. If the simulation results are not properly addressed, the simulation outcomes may be invalid, and experimental results cannot be effectively validated. Therefore, this paper applies the fuzzy PID algorithm to achieve a constant power control system for cutter suction dredgers. The algorithm’s anti-interference performance is validated under conditions of significant fluctuations in the ship’s construction environment. Overall, the results demonstrate minimal error, fast response time, and good robustness.
Given that a constant power control system for a stranded suction dredger has yet to be developed, the algorithms presented above provide a foundation for its implementation. This paper focuses on controlling a three-phase asynchronous motor with variable load by integrating an S7-1200 series PLC and a fuzzy PID control algorithm to achieve constant power control modes for the winch blade of a cutter suction dredger. The effectiveness of the control algorithm is validated through a combination of a fuzzy control simulation model developed in Simulink R2024a and actual experimental data. The structure of this paper is as follows: Section 2 covers model development, Section 3 addresses the construction and simulation of the fuzzy controller, and Section 4 presents the experimental data analysis. The final Section 5 summarizes the results and conclusions of the study.

2. Mathematical Development

Currently, frequency conversion speed control technology is widely used, allowing for more precise control of the reamer’s speed through the use of a frequency converter, with faster response times. The rotational speed of the reamer, the load torque, and the power share a proportional relationship determined by a specific coefficient. During the operation of a cutter suction dredger, the torque applied to the reamer may fluctuate continuously. In this case, constant power control is achieved through reamer speed adjustment to ensure that the overall power remains stable. The process of constant power control for the reamer is illustrated in Figure 1.
The power formula for the reamer is
P = T · n 9550
where P represents the power of the reamer (kW), T is the torque of the reamer (N·m), and n is the reamer’s rotational speed (rpm). If the power of the reamer remains constant, the torque is inversely proportional to the rotational speed. Thus, an increase in torque leads to a decrease in speed, whereas a decrease in torque results in an increase in speed. When the torque of the reamer changes, the PID controller receives the power variation signal, calculates the corresponding speed, and sends this value to the PLC. The PLC maintains constant power by adjusting the output of the frequency converter, thus achieving the regulation required for constant power mode.
The variable speed mode of the reamer can be programmed in Siemens TIA Portal V15.1 software by integrating the PLC with the frequency converter. For a three-phase asynchronous motor, the speed equation is expressed as follows:
n = 60 f i 1 s
where n represents the rotational speed of the motor (rpm), f is the operating frequency of the three-phase AC power supply (Hz), i denotes the number of magnetic pole pairs in the three-phase asynchronous motor, and s is the slip rate. The equation for the slip rate of an asynchronous motor is
s = n 1 n n
where n represents the rotor speed, and n 1 represents the synchronous speed (rotational speed of the magnetic field). In asynchronous motors, n is less than n 1 , which indicates that the relative motion between the rotor and the magnetic field induces an electromotive force and current, leading to the generation of electromagnetic torque.
Siemens TIA Portal software is utilized for configuring and programming hardware devices such as PLCs, converters, and sensors. Before programming, communication between the computer console, PLC, and converter must be established via Ethernet to enable data transmission and control signals. During program development, the converter parameters must be defined first. The converter directly controls the three-phase asynchronous motor, and the parameters of both devices must be properly matched for correct operation. In this experimental setup, the Siemens G120C converter is used, and its specific parameters are listed in Table 1.
In engineering practice, the transfer function of the converter can be approximated as a small inertia system, and the converter can be represented by the following transfer function:
G s = ω 1 s U s = k 1 + T s
where ω 1 represents the output angular frequency of the converter, U denotes the input voltage of the converter, ω 1 s and U s are the Laplace transforms of ω 1 and U , respectively, s is the complex variable, T is a constant typically ranging from tens to hundreds, and k is the proportionality coefficient, expressed as
k = ω 1 U
The transfer function of an asynchronous motor can be expressed as
ω s ω 1 s = K d 1 + T d s
where ω is the rotor angular velocity; ω s is the Laplace transform of ω ; and T d is a constant.
K d = K 0 J
K 0 = i R 2 · U 10 ω 10 2
T d = D + K 0 + K m J
where i represents the number of pole pairs, J represents the rotational inertia, U 10 and ω 10 are the values of the stator power supply voltage and angular frequency at the static operating point, respectively, R 2 is the stator-side rotor resistance, D is the friction coefficient, and K m is a constant.
From the above, it can be observed that the transfer function of this system, where the input is voltage and the output is power, is a second-order system, and the general form can be expressed as follows:
G s = P s U s = K s + 1 T 1 s + 1 + T 2 s + 1
where K , T 1 and T 2 are constants.
Since the inverter itself has a parameter self-tuning function, it is challenging to determine the transfer function of the system through theoretical methods. Therefore, this paper establishes the control model of the experimental bench using an empirical response curve method. Through several sets of experiments, the input and output values are recorded and imported into Matlab. The transfer function of this system is then identified using the System Identification function, as shown in Figure 2.
The finalized transfer function is
G ( s ) = 0.7547 s + 0.0605 s 2 + 1.1006 s + 0.0892

3. Simulation Model Construction

3.1. Traditional PID Model

As shown in Figure 3, the traditional PID formula is
u = K p e n + K i i = 0 n e i + K d e n e n 1 t
u t = K p e t + K i 0 t e t d t + K d d e t d t
e t = r t y t
where u t is the output value of the PID controller; e t is the input of the PID controller (the difference between the given value of the signal and the measured value); r t is the set value; y t is the process value; K p is the proportionality coefficient; K i is the integral coefficient; and K d is the differential coefficient.
The P I D _ C o m p a c t controller in the Siemens TIA Portal software employs anti-integral saturation and can weight the proportional and differential actions. This controller can be expressed as
y = K p ( b · w x + 1 T i s w x + T d · s a · T d · s + 1 ( c · w x )
K i = K p T i
K d = K p T d
where y is the output value of the PID algorithm; s is the Laplace operator; b is the proportional action weight; w is the set value; x is the process value; a is the differential delay coefficient; c is the differential action weight; T i is the integration time; and T d is the differential time.
The proportional action weights and differential action weights are usually set to 1. Only the proportional gain, integration time, and differential time need to be modified.
Proportional regulation effect: The output value increases proportionally with the control deviation. The regulation effect is fast and powerful, but cannot eliminate the residual difference. The proportional gain acts on the deviation, the integral value of the deviation, and the differential value of the deviation. Therefore, a larger proportional gain produces a stronger proportional regulation effect.
Integral regulating action: The integral action of the output value keeps increasing until the deviation is 0, eliminating the residual difference in conjunction with the proportional action. The integral time acts on the size of the deviation and is in the denominator of the integral function. Hence, a smaller integral regulation produces a stronger action.
Differential regulation effect: The differential effect increases with the rate of change in control deviation. The process value is corrected to the set value as soon as possible. If the rate of change in control deviation decreases, the differential effect will be weakened, effectively predicting the trend in the deviation and regulating any over-adjustment. The differential action is applied according to the change in the deviation, so a larger differential regulation effect produces a stronger action.
The proportional component plays a dominant role in PID regulation. The reasonable use of the integral component stimulates the role of the proportional component to eliminate the residual deviation [13], but this prolongs the regulation time; i.e., the process value does not quickly reach the set value. The differential component senses the rate of change in the deviation and plays an extremely strong regulatory role when the deviation rate changes to inhibit future changes, control over-adjustment, and shorten the regulation time. Therefore, choosing the right PID parameters is crucial for engineering applications. The influence of parameters on the algorithm is listed in Table 2.

3.2. Fuzzy PID Control

The fuzzy PID controller is based on traditional PID control, incorporating intelligent fuzzy control to improve various performance aspects, such as overshoot, dynamic response speed, and stability. Fuzzy PID control primarily involves the design of fuzzy sets within fuzzy mathematics, the selection of the membership function, the calculation of quantization levels and proportionality factors, and reasoning through fuzzy statements. The structure of the fuzzy PID controller is shown in Figure 4.
e and e c represent the deviation and the deviation change rate, respectively. r t is the set value, and y t is the output value of the control quantity. It follows that the outputs derived from fuzzy inference are K p , K i and K d . Therefore, the real-time output of the PID control is the value of the previous moment ( K p , K i and K d ) plus the changes derived from fuzzy inference ( K p , K i and K d ), as follows:
K p = K p + K p K i = K i + K i K d = K d + K d
The steps for designing the fuzzy controller are outlined as follows:
  • The structure of the fuzzy controller is determined and input and output fuzzification is performed.
  • The inputs are the deviation, e , which represents the difference between the implemented motor power y t and the system-set power value r t , and the rate of change in this deviation, e c . The outputs are the parameter values that need to be adjusted, making the controller a two-input, three-output structure. The fuzzy controller is designed within the MATLAB environment, as shown in Figure 5.
The fuzzy theory domain of the input and output is set to seven levels, which are expressed as [NB, NM, NS, ZO, PS, PM, PB] in the fuzzy linguistic set. [NB, NM, NS, ZO, PS, PM, and PB] represent negative large, negative medium, negative small, zero, positive small, positive medium, and positive large, respectively. Each level is associated with a membership function.
The values of e and e c are in the range of [−5, 5], and the values of K p , K i and K d are in the range of [−3, 3]. Considering simplicity in calculation, the gaussmf membership function is selected for NB and PB, while the trimf membership function is used for the remaining levels. The design results are shown in Figure 6.
The actual input quantities are fed into the fuzzy domain and need to be transformed into the range required by the membership function. Since the range of the power deviation is [−1400, 1400] and the range of the fuzzy domain E of the power error, e , is [−5, 5], the quantization factor for the conversion from the actual power deviation to the fuzzy domain is
k e = 5 1400 = 0.0036
Since the power deviation change rate e c shares the same actual domain range and fuzzy domain as the power deviation e , its quantization factor is defined as
k e c = k e = 0.0036
The system output has a fuzzy range of [−3, 3], which can be analyzed and debugged in MATLAB, yielding a basic range of [−4.5, 4.5] for K p , [−6, 6] for K i , and [−4.5, 4.5] for K d . Thus, the scaling factors for K p , K i and K d are
k k p = 4.5 3 = 1.5 # # k k i = 6 3 = 2 k k d = 4.5 3 = 1.5
A fuzzy control rule consists of a set of “if–then” conditions. “If” represents the input state, while “then” indicates the corresponding output state. The fuzzy rules applied in this paper are presented in Table 3.
The impact of incorporating control rules into the fuzzy controller is illustrated in Figure 7.
The final step is defuzzification, which involves converting the fuzzy output set generated from fuzzy inference into a precise value. In this paper, the center of gravity method is employed for defuzzification, ensuring stable control outcomes and yielding clearer control values. The corresponding expression is as follows:
K x = i = 1 49 μ j K x K x i = 1 49 μ j K x
where x represents p , i , d and μ j ( K x ) denotes the combined membership function of K x at point j.
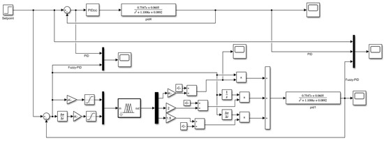
The simulation model is constructed in Simulink, as illustrated in Figure 8.
As shown in Figure 9a,b, the horizontal axis represents the simulation time, while the vertical axis represents the power value. For a single-step input signal, the fuzzy PID controller responds faster with no overshoot, whereas the conventional PID controller exhibits a maximum overshoot of 7%. As shown in Figure 9c,d, the horizontal axis represents the simulation time, while the vertical axis represents the error value. When the frequency of input signal changes is increased, the conventional PID controller overshoots at all stages, while the fuzzy PID controller exhibits only a 0.9% overshoot at the set value of 1300 W. Moreover, the fuzzy PID controller demonstrates better response time and stability compared to the conventional PID controller.

4. Experimental Verification

4.1. Experimental Platform Construction

As shown in Figure 10, the experimental setup uses a PC as the host computer to set the power value, which is then transmitted to the PLC. The PLC outputs control signals to the frequency converter, which in turn controls the motor’s rotation. A sensor provides real-time feedback of the power signal to the PLC, where the fuzzy PID controller calculates the error and adjusts the frequency converter output, thereby controlling the motor speed.
The PLC offers high reliability, strong anti-interference capability, and precise control. The experimental platform utilizes a Siemens S7-1200 series PLC (SIEMENS, Munich, Germany), known for its comprehensive process functions, integrated I/O, compact size, and cost-effectiveness. The specific hardware components are listed in Table 4.

4.2. Experimental Results

The experimental data were sampled at a frequency of 1 Hz, with the data recorded using Kingview Configuration King software (KingView.7.5.SP3). The experiment was conducted in six groups, with power values tested at 300 W, 500 W, 700 W, 900 W, 1100 W, 1300 W, and a range from 300 W to 1100 W. Additionally, torque oscillation curves are provided for power values at 300 W, 700 W, and 1100 W. In the figure, the green curve represents the fuzzy PID controller, the red curve represents the traditional PID, the blue curve shows the set value, and the yellow curve displays the torque value. The results are presented as follows:
As shown in Figure 11, at 500 W, the fuzzy PID controller peaks at 511 W with a rise time of 3 s, while the traditional PID peaks at 575 W with a rise time of 4 s. At 900 W, the fuzzy PID peaks at 970 W with a 3 s rise time, compared to the traditional PID, which peaks at 1030 W with a rise time of 6 s. At 1300 W, the fuzzy PID peaks at 1372 W with a rise time of 3 s, whereas the traditional PID peaks at 1428 W with a rise time of 6 s.
As shown in Figure 12, at 300 W, the fuzzy PID controller exhibits nearly no overshoot and has a rise time of 4 s, while the traditional PID peaks at 347 W with the same rise time of 4 s. At 700 W, the fuzzy PID peaks at 761 W with a rise time of 3 s, whereas the traditional PID peaks at 856 W with a rise time of 5 s. For 1100 W, the fuzzy PID peaks at 1170 W with a rise time of 3 s, while the traditional PID peaks at 1239 W with a rise time of 6 s. The instantaneous change in torque directly impacts the controller output, leading to oscillations in the response curves. However, a clear comparison reveals that the fuzzy PID controller achieves the steady-state value more rapidly.
From the data presented in Table 5, it is evident that the fuzzy PID algorithm outperforms the traditional PID in terms of overshoot, rise time, regulation time, and downstroke, demonstrating the effectiveness of the proposed control strategy. Additionally, in the experimental groups where value stabilization was tested by incorporating torque oscillation curves, the response of the two algorithms to sudden changes was compared. The fuzzy PID controller achieves an average overshoot of 5.12%, representing a 9.83% reduction compared to the conventional PID controller. The average rise time is 2.67 s, which is 2.5 s faster than that of the conventional PID controller. Additionally, the average settling time is 6.67 s, marking an improvement of 4.83 s. The average undershoot is 4.68%, which is 2.78% lower than that of the conventional PID controller.
The results clearly show that the fuzzy PID algorithm responds more rapidly to abrupt changes, with smaller amplitude oscillations compared to the traditional PID, and avoids frequent oscillation phenomena.

5. Conclusions

This paper focuses on the winch control system of a suction dredger, utilizing a motor constant power test platform for experimental validation. A mathematical model of the system was established through a combination of theoretical calculations and parameter identification. By comparing the traditional PID algorithm with the fuzzy PID algorithm, both modeled using Simulink in MATLAB, the superior performance of the fuzzy PID control was demonstrated. To further validate the algorithm’s effectiveness, experiments were conducted within the 300 W-1100 W range on the motor constant power test platform. The results clearly show that the fuzzy PID algorithm significantly outperforms the traditional PID in terms of control performance. The specific conclusions are as follows:
(1) Comparison of six sets of experimental data revealed that the fuzzy PID controller outperformed the traditional PID controller. On average, the fuzzy PID reduced overshoot by 9.85%, shortened rise time by 38.68%, and decreased regulation time by 42%. These results confirm the effectiveness of the fuzzy PID algorithm and highlight its robustness.
(2) In experiments involving torque oscillation curves, the traditional PID control exhibited significant fluctuations, resulting in inconsistent output speeds—sometimes too fast and other times too slow—negatively impacting the energy efficiency of the winch suction vessel. In contrast, the fuzzy PID controller reduced the fluctuation range substantially, improving regulation and achieving notable energy savings.

Author Contributions

Conceptualization, Y.Y.; Software, C.C.; Validation, P.J.; Writing—original draft, Y.Y.; Writing—review & editing, X.D. All authors have read and agreed to the published version of the manuscript.

Funding

This research received no external funding.

Data Availability Statement

The original contributions presented in the study are included in the article, further inquiries can be directed to the corresponding author.

Conflicts of Interest

The authors declare no conflict of interest.

References

  1. Tang, J.Z. Research on the Optimization and Control of Dredging Operation of Stranded Suction Dredger. Ph.D. Thesis, Zhejiang University, Hangzhou, China, 2007. [Google Scholar]
  2. Zheng, L. Application of PLC in control system of small and medium-sized dredger. Electr. Times 2013, 7, 104–105. [Google Scholar]
  3. Zhou, X.; Huang, T.; Ma, Y.; Gao, Z. The research on system of frequency conversion and speed regulation of exchange asynchronous motor. In Proceedings of the 2017 IEEE International Conference on Mechatronics and Automation (ICMA), Takamatsu, Japan, 6–9 August 2017; IEEE: New York, NY, USA, 2017; pp. 1–6. [Google Scholar]
  4. Zhou, J.; Tan, X.L.; Wang, W.B. Research of Control System of Variable Frequency Motor. Appl. Mech. Mater. 2014, 556, 2244–2247. [Google Scholar] [CrossRef]
  5. Hong, B.; Fu, Z.Y.; Du, J. The application of speeder based on frequency conversion and fluid viscous soft start in port. Appl. Mech. Mater. 2013, 373, 167–170. [Google Scholar] [CrossRef]
  6. Liu, Y.; Xue, S. Study on Hoisting Speed Control for the 7500T Full Revolving Floating Crane. In Proceedings of the 2009 International Conference on Measuring Technology and Mechatronics Automation, Zhangjiajie, China, 11–12 April 2009; IEEE: New York, NY, USA, 2009; Volume 1, pp. 886–889. [Google Scholar]
  7. Manuelle, P.; Singam, B.; Siala, S. Induction motors fed by PWM MV7000 converters enhance electric propulsion performance. In Proceedings of the 2009 13th European Conference on Power Electronics and Applications, Barcelona, Spain, 8–10 September 2009; IEEE: New York, NY, USA, 2009; pp. 1–9. [Google Scholar]
  8. Tang, J.; Wang, Q.; Zhong, T. Automatic monitoring and control of cutter suction dredger. Autom. Constr. 2009, 18, 194–203. [Google Scholar] [CrossRef]
  9. Luan, J.; Yu, M.; Yuan, W. Research on power distribution control strategy cutter suction dredger. In Proceedings of the 2020 Chinese Automation Congress (CAC 2020), Shanghai, China, 6–8 November 2020; pp. 945–950. [Google Scholar]
  10. Jingqing, D.; Shiqiao, G.; Chuang, L.; Haipeng, L. An improved control method based on PID algorithm. In Proceedings of the 2010 2nd International Conference on Advanced Computer Control, Shenyang, China, 27–29 March 2010; pp. 124–129. [Google Scholar]
  11. Sengupta, A.; Das, D.K. Delay dependent wide area damping controller design for a linear parameter varying (LPV) power system model considering actuator saturation and changing environmental condition. Sādhanā 2022, 47, 78. [Google Scholar] [CrossRef]
  12. Deepika, D.; Singh, N. Exponential state observer based finite time control of fully active hybrid energy storage system. Sādhanā 2022, 47, 21. [Google Scholar] [CrossRef]
  13. Khan, M.A.; Haque, A.; Kurukuru, V.S.B.; Blaabjerg, F. Optimizing the Performance of Single-Phase Photovoltaic Converter using Wavelet-Fuzzy Controller. e-Prime-Adv. Electr. Eng. Electron. Energy 2023, 3, 100093. [Google Scholar] [CrossRef]
  14. García-Triviño, P.; Sarrias-Mena, R.; García-Vázquez, C.A.; Leva, S.; Fernández-Ramírez, L.M. Optimal online battery power control of grid-connected energy-stored quasi-impedance source converter with PV system. Appl. Energy 2023, 329, 120286. [Google Scholar] [CrossRef]
  15. Long, B.; Li, X.Y.; Rodriguez, J.; Chong, K.T. Frequency stability enhancement of an islanded microgrid: A fractional-order virtual synchronous generator. Int. J. Electr. Power Energy Syst. 2023, 147, 108896. [Google Scholar] [CrossRef]
  16. Tamir, T.S.; Xiong, G.; Shen, Z.; Gong, X.; Liu, S.; Lodhi, E.; Wan, L.; Dong, X. Comparative study of four speed controllers of brushless DC motors for industrial applications. Ifac-PapersOnline 2020, 53, 59–64. [Google Scholar] [CrossRef]
  17. Shyam, A.; JL, F.D. A comparative study on the speed response of BLDC motor using conventional PI controller, anti-windup PI controller and fuzzy controller. In Proceedings of the 2013 International Conference on Control Communication and Computing (ICCC), Thiruvananthapuram, India, 13–15 December 2013; IEEE: New York, NY, USA, 2013; pp. 68–73. [Google Scholar]
  18. Yin, H.; Yi, W.; Wu, J.; Wang, K.; Guan, J. Adaptive fuzzy neural network PID algorithm for BLDCM speed control system. Mathematics 2021, 10, 118. [Google Scholar] [CrossRef]
  19. Liu, Q.X. Design of flow control system based on expert PID. In Proceedings of the 2016 International Symposium on Computer, Consumer and Control (IS3C), Xi’an, China, 4–6 July 2016; pp. 1031–1034. [Google Scholar]
  20. Maraba, V.A.; Kuzucuoglu, A.E. PID neural network based speed control of asynchronous motor using programmable logic controller. Adv. Electr. Comput. Eng. 2011, 11, 23–28. [Google Scholar] [CrossRef]
  21. Howimanporn, S.; Chookaew, S.; Sootkaneung, W. Implementation of PSO based gain-scheduled PID and LQR for DC motor control using PLC and SCADA. In Proceedings of the 2018 International Conference on Control and Robots (ICCR), Hong Kong, China, 15–17 September 2018; pp. 52–56. [Google Scholar]
  22. Sangeetha, A.L.; Naveenkumar, B.; Ganesh, A.B.; Bharathi, N. Experimental validation of PID based cascade control system through SCADA-PLC-OPC and internet architectures. Measurement 2012, 45, 643–649. [Google Scholar] [CrossRef]
  23. Kroičs, K.; Būmanis, A. BLDC Motor Speed Control with Digital Adaptive PID-Fuzzy Controller and Reduced Harmonic Content. Energies 2024, 17, 1311. [Google Scholar] [CrossRef]
  24. Ma, C.; Huang, B.; Basher, M.K.; Rob, M.A.; Jiang, Y. Fuzzy PID Control Design of Mining Electric Locomotive Based on Permanent Magnet Synchronous Motor. Electronics 2024, 13, 1855. [Google Scholar] [CrossRef]
  25. Zhao, X.; Zhao, H.; Wang, Z.; Li, J.; Yu, H.; Yan, Q. Electronic control seed-metering system for precision seeding maize based on fuzzy PID. Int. J. Agric. Biol. Eng. 2024, 17, 217–226. [Google Scholar]
  26. Zhao, S.; Zhang, Y. Design and Field Test of Corn Seeding System Base on Fuzzy Pid Control Method Combine with PSO. Eng. Agrícola 2024, 44, e20230123. [Google Scholar] [CrossRef]
  27. Yin, L.; Tao, J.; Xiao, L.; Qin, X.; Han, Y. Research on Pump Speed Control System Based on Fuzzy PID. Mechanics 2023, 29, 225–234. [Google Scholar]
  28. Kumar, R.; Sikander, A. A novel load frequency control of multi area non-reheated thermal power plant using fuzzy PID cascade controller. Sādhanā 2023, 48, 25. [Google Scholar] [CrossRef]
  29. Zeng, W.; Jiang, Q.; Xie, J.; Yu, T. A fuzzy-PID composite controller for core power control of liquid molten salt reactor. Ann. Nucl. Energy 2020, 139, 107234. [Google Scholar] [CrossRef]
  30. Sami, A.; Kadri, M.B.; Aziz, N.; Pirwani, Z. Design & simulation of fuzzy PID for hydro power plant. In Proceedings of the 2016 Sixth International Conference on Innovative Computing Technology (INTECH), Dublin, Ireland, 24–26 August 2016; IEEE: New York, NY, USA, 2016; pp. 683–687. [Google Scholar]
  31. Fu, X.D.; Cao, G.Z.; Huang, S.D.; Wu, C. Fuzzy PID control of the planar switched reluctance motor for precision positioning. In Proceedings of the 2017 7th International Conference on Power Electronics Systems and Applications-Smart Mobility, Power Transfer & Security (PESA), Hong Kong, China, 12–14 December 2017; IEEE: New York, NY, USA, 2017; pp. 1–4. [Google Scholar]
  32. Zheng, C.J. Design of Fuzzy PID Compound Control for Ultrasonic Motor Based on DDS Technology. Adv. Mater. Res. 2012, 341, 601–605. [Google Scholar] [CrossRef]
  33. Chu, C.T.; Wang, Y.K.; Liang, H.L. SISO PID-fuzzy controller for BLDC motor speed control base on low cost MSP430 solution. In Proceedings of the 2016 5th International Symposium on Next-Generation Electronics (ISNE), Hsinchu, Taiwan, 4–6 May 2016; IEEE: New York, NY, USA, 2016; pp. 1–2. [Google Scholar]
  34. Guo, T.; Lin, T.; Chen, Q.; Ren, H.; Fu, S. Research on constant power control strategy of pure electric excavator. Appl. Sci. 2020, 10, 7599. [Google Scholar] [CrossRef]
  35. Yan, S.; Zhang, J.Q.; Diao, W.Z. Ball Mill Automatic Control System Design Based on Fuzzy PID Control. Appl. Mech. Mater. 2014, 441, 825–828. [Google Scholar] [CrossRef]
  36. Mao, J.; Hou, J.; Shen, D. The application of PID parameter self-tuning fuzzy controller in the constant-power speed control system of heading machine. In Proceedings of the International Conference on Graphic and Image Processing (ICGIP 2012), Singapore, 6–7 October 2012; SPIE: Bellingham, WA, USA, 2013; Volume 8768, pp. 1107–1111. [Google Scholar]
  37. Cheng, X.; Qian, J.; Zheng, C.; You, F.; Wang, H.; Zhang, J.; Kuang, S. A fuzzy adaptive PID control method for novel designed rail grinding equipment. IEEE Access 2022, 11, 118–124. [Google Scholar] [CrossRef]
  38. Liao, X.; Yang, S.; Hu, D.; Gong, G.; Peng, X. Control Performance Improvement of Hydro-Viscous Clutch Based on Fuzzy-PID Controller. Energies 2021, 14, 8282. [Google Scholar] [CrossRef]
Figure 1. Control flowchart.
Figure 1. Control flowchart.
Mathematics 13 00647 g001
Figure 2. Parameter identification methods. (a) Parameter recognition interface; (b) function fit.
Figure 2. Parameter identification methods. (a) Parameter recognition interface; (b) function fit.
Mathematics 13 00647 g002
Figure 3. PID algorithm.
Figure 3. PID algorithm.
Mathematics 13 00647 g003
Figure 4. Fuzzy PID control flowchart.
Figure 4. Fuzzy PID control flowchart.
Mathematics 13 00647 g004
Figure 5. Input/output controller.
Figure 5. Input/output controller.
Mathematics 13 00647 g005
Figure 6. Input/output affiliation functions.
Figure 6. Input/output affiliation functions.
Mathematics 13 00647 g006
Figure 7. Fuzzy rule configuration and preview. (a) Control rule configuration; (b) rule validation window; (c) input and output characteristic surfaces.
Figure 7. Fuzzy rule configuration and preview. (a) Control rule configuration; (b) rule validation window; (c) input and output characteristic surfaces.
Mathematics 13 00647 g007
Figure 8. Simulation model of the fuzzy PID control system.
Figure 8. Simulation model of the fuzzy PID control system.
Mathematics 13 00647 g008
Figure 9. Simulation results. (a) Simulation results for a single-step input signal; (b) error variation for a single-step input; (c) simulation results for multiple-step input signals; (d) error variation for multiple-step inputs.
Figure 9. Simulation results. (a) Simulation results for a single-step input signal; (b) error variation for a single-step input; (c) simulation results for multiple-step input signals; (d) error variation for multiple-step inputs.
Mathematics 13 00647 g009
Figure 10. Constant power test bench setup (1—PC; 2—PLC; 3—G120C converter; 4—three-phase asynchronous motor; 5—sensor; 6—eddy current brake; 7—tension controller).
Figure 10. Constant power test bench setup (1—PC; 2—PLC; 3—G120C converter; 4—three-phase asynchronous motor; 5—sensor; 6—eddy current brake; 7—tension controller).
Mathematics 13 00647 g010
Figure 11. Un-torqued shock curve experimental group: (a) 500 W; (b) 900 W; (c) 900 W.
Figure 11. Un-torqued shock curve experimental group: (a) 500 W; (b) 900 W; (c) 900 W.
Mathematics 13 00647 g011
Figure 12. Torque oscillation curve experimental group: (a) 300 W; (b) 700 W; (c) 1100 W.
Figure 12. Torque oscillation curve experimental group: (a) 300 W; (b) 700 W; (c) 1100 W.
Mathematics 13 00647 g012
Table 1. Main parameters for motor speed control using the G120C converter.
Table 1. Main parameters for motor speed control using the G120C converter.
Parameter CodeNameSet Value
P96Application LevelDynamic Drive Control
P304Motor Rated Voltage380 V
P305Motor Rated Current3.4 A
P307Motor Rated Power1.5 kW
P310Motor Rated Frequency50 Hz
P311Motor Rated Speed1440 rpm
P922Message SelectionFree Message Design Using BICO
P1120Ramp-up Time10 s
P1121Ramp-down Time10 s
Table 2. Effect of changing PID parameters.
Table 2. Effect of changing PID parameters.
ParameterRising TimeOvershootStabilization TimeSteady-State Error
K p Inverse proportionalityDirect proportionalityLargely unrelatedDirect proportionality
T i Inverse proportionalityDirect proportionalityDirect proportionalityInverse proportionality
T d Largely unrelatedInverse proportionalityInverse proportionalityLargely unrelated
Table 3. Fuzzy rule table.
Table 3. Fuzzy rule table.
K p / K i / K d e c
NBNMNSZOPSPMPB
e NBPB/NB
/PS
PB/NB
/NS
PB/NM
/NB
PB/NM
/NB
PM/NS
/NB
PS/ZO
/NM
ZO/ZO
/PS
NMPB/NB
/PS
PB/NB
/NS
PB/NM
/NB
PB/NS
/NM
PM/NS
/NM
ZO/ZO
/NS
ZO/ZO
/ZO
NSPM/NB
/ZO
PM/NM
/NS
PM/NS
/NM
PM/NS
/NM
ZO/ZO
/NS
PS/PS
/NS
NS/PS
/ZO
ZOPM/NM
/ZO
PM/NM
/NS
PS/NS
/NS
ZO/ZO
/NS
NS/PS
/NS
NS/PM
/NS
NM/PM
/ZO
PSPS/NM
/ZO
PS/NS
/ZO
ZO/ZO
/ZO
NS/PS
/ZO
NM/PS
/ZO
NM/PM
/ZO
NM/PB
/ZO
PMPS/ZO
/PB
ZO/ZO
/PS
NS/PS
/PS
NM/NM/PSNM/PM
/PS
NM/PB
/PS
NB/PB
/PB
PBZO/ZO
/PB
ZO/ZO
/PM
NM/PS
/PM
NM/PM
/PM
NM/PM
/PS
NB/PB
/PS
NB/PB
/PB
Table 4. Hardware composition of motor test bench.
Table 4. Hardware composition of motor test bench.
NumberNameTypology
1CPUS7-1200 1214C/DC/DC/DC
2Digital input/output modulesSM1223 DI8/DQ8x 24VDC
3Analog input/output modulesSM1234 AI4/AQ2
4ConverterG120C PN 2.2 KW
5Three-phase asynchronous motorSiemens 1LE0003 1.5 KW 380 V
6Torque speed dynamic measuring instrument0–20 Nm/1500 rpm
7Eddy current brakeWZ-20
8Tension controllerWLK-5A
Table 5. Fuzzy PID vs. PID experimental data comparison table.
Table 5. Fuzzy PID vs. PID experimental data comparison table.
PowerControllerOvershootRising TimeAdjustment TimeDownstroke
300 WFuzzy PID0%4 s5 s5%
PID15.6%4 s8 s8.3%
500 WFuzzy PID2.2%3 s6 s-
PID15%4 s10 s-
700 WFuzzy PID8.7%3 s7 s3.6%
PID22.3%5 s11 s5%
900 WFuzzy PID7.8%3 s5 s-
PID14.4%6 s11 s-
1100 WFuzzy PID6.4%3 s8 s5.45%
PID12.6%6 s14 s9.09%
1300 WFuzzy PID5.5%3 s9 s-
PID9.8%6 s15 s-
Disclaimer/Publisher’s Note: The statements, opinions and data contained in all publications are solely those of the individual author(s) and contributor(s) and not of MDPI and/or the editor(s). MDPI and/or the editor(s) disclaim responsibility for any injury to people or property resulting from any ideas, methods, instructions or products referred to in the content.

Share and Cite

MDPI and ACS Style

Jiang, P.; Yang, Y.; Cao, C.; Dong, X. Implementation of Constant Power Control for a Reamer Using a Fuzzy PID Algorithm. Mathematics 2025, 13, 647. https://doi.org/10.3390/math13040647

AMA Style

Jiang P, Yang Y, Cao C, Dong X. Implementation of Constant Power Control for a Reamer Using a Fuzzy PID Algorithm. Mathematics. 2025; 13(4):647. https://doi.org/10.3390/math13040647

Chicago/Turabian Style

Jiang, Pan, Yongkang Yang, Chenghui Cao, and Xinyu Dong. 2025. "Implementation of Constant Power Control for a Reamer Using a Fuzzy PID Algorithm" Mathematics 13, no. 4: 647. https://doi.org/10.3390/math13040647

APA Style

Jiang, P., Yang, Y., Cao, C., & Dong, X. (2025). Implementation of Constant Power Control for a Reamer Using a Fuzzy PID Algorithm. Mathematics, 13(4), 647. https://doi.org/10.3390/math13040647

Note that from the first issue of 2016, this journal uses article numbers instead of page numbers. See further details here.

Article Metrics

Back to TopTop