Emission-Constrained Dispatch Optimization Using Adaptive Grouped Fish Migration Algorithm in Carbon-Taxed Power Systems
Abstract
1. Introduction
- (1)
- Algorithmic innovation: AGFMO is extended the traditional fish migration model through adaptive dynamic grouping and local disturbance mechanisms, enhancing exploration capacity in constrained, high-renewable scenarios. It addresses the convergence limitations often observed in PSO-based dispatch models.
- (2)
- Context-specific dispatch framework: The model is explicitly developed for fossil-fuel-dependent grids operating without international market access. It provides actionable strategies for emission-aware dispatch and renewable integration under isolated policy regimes.
- (3)
- Scalable application for isolated or developing regions: While tailored to Taiwan, the framework is designed to be flexible enough to be adapted to other regions facing similar geopolitical or infrastructural constraints. The framework offers a viable carbon reduction pathway that complements international climate objectives without requiring full market integration.
2. Application of Data Mining in Wind Power Output and Installed Capacity Forecasting
2.1. Application of Data Mining in Wind Power Forecasting
- (1)
- Data Collection and Cleaning:
- (2)
- Feature Selection and Modeling:
- (3)
- Construction of the wind power forecasting model
2.2. Relationship Between Data Mining and Installed Capacity
- (1)
- Installed capacity analysis:
- (2)
- Modeling the Efficiency Relationship:
- (3)
- Integrating forecast and optimization:
3. Optimal Power Flow (OPF) with Carbon Emission Constraints
3.1. Objective Equation
3.1.1. Equality Constraints
3.1.2. Inequality Constraints
3.2. The ECI for Power Flow Solution
- Step 1:
- The process begins with defining the allowable error threshold, typically set below 10−6.
- Step 2:
- Import the system data required for analysis, which includes bus data, transmission line details, as well as predefined voltage settings and real/reactive power values.
- Step 3:
- Formulate the admittance matrix (YBus) for the power system.
- Step 4:
- Check for the presence of any voltage-controlled buses (PV Bus) in the system.
- Step 5:
- Make necessary adjustments to the Jacobian matrix before moving to Step 6.
- Step 6:
- Perform LU decomposition on the Jacobian matrix.
- Step 7:
- Compute the equivalent current injection at load buses and calculate the error values for the real and imaginary components of the generator bus voltage.
- Step 8:
- Use the computed voltage error values to update the voltage values.
- Step 9:
- Check if the computed error falls within the acceptable range (error tolerance). If so, the process concludes; otherwise, return to Step 5 for further iterations.
4. Adaptive Grouped Fish Migration Optimization (AGFMO) with Carbon Emission Constraints
4.1. AGFMO
- (1)
- Initialization: The initial fish population is generated by randomly assigning positions and velocities within predefined bounds. Each fish’s position Pi represents a candidate solution to the optimization problem (e.g., generator dispatch levels), and is initialized as:
- (2)
- Fitness function: Each fish is evaluated using a fitness function that accounts for both economic and environmental objectives. Specifically:
- (3)
- Swim process: In each iteration, every fish evaluates multiple candidate positions within its movement range before selecting the best one. The swimming distance is governed by its velocity Us and a time t parameter:
- (4)
- Dynamic grouping: The population is dynamically divided into two groups based on fitness:
- (1)
- Local search group: Fish with higher fitness values perform fine-tuned local exploitation around known optima.
- (2)
- Global search group: Lower-performing individuals explore under-sampled regions of the search space to maintain population diversity and avoid premature convergence.
- (5)
- Migration process: Fish that fail to improve their fitness through local search are reallocated to new global positions, a process aimed at escaping local optima. Their updated position is calculated using a velocity-based rule inspired by social best guidance:
4.2. AGFMO for Solving the Power Dispatch Problem with Carbon Emission Constraints
- Step 1: Initialization
- (1)
- Population Initialization: Each fish is randomly initialized within permissible generation bounds, where its position Pi corresponds to a specific generation schedule across all units.
- (2)
- Velocity Initialization: Each fish is also assigned an initial velocity vector Ui, representing its search direction in the solution space.
- Step 2: Fitness Evaluation
- Step 3: Dynamic grouping
- (1)
- Local search group: Fish with better fitness values perform local exploitation, refining the solutions in their immediate neighborhood.
- (2)
- Global search group: Fish with lower fitness values explore new regions of the search space, ensuring diversity and preventing premature convergence.
- Step 4: Local search (swimming process)
- Step 5: Global search (migration process)
- Step 6: Cooperative evolution
- Step 7: Update fitness and selection
- Step 8: Termination
- Step 9: Return the Optimal Dispatch Solution
| Algorithm 1. Pseudocode of the AGFMO algorithm. |
| Initialize parameters: Set population size N, maximum iterations T, velocity limits, and generator output bounds. Initialize fish population: P ← Random positions Pi within bounds for each fish; U ← Random initial velocities Ui for each fish; Evaluate initial fitness: For each fish Pi in population: Compute fitness: (Pi) Store personal best position: Pbest_i ← Pi Set global best: Gbest ← best(Pbest_i) While iteration < T do: Sort fish by fitness F(Pi) Divide population into two groups: Local search group: top-performing fish; Global search group: remaining fish; For each fish in local search group: Update velocity; Update position; Apply bounds to Pi; Re-evaluate fitness F(Pi); If F(Pi) < F(Pbest_i): Pbest_i = Pi For each fish in global search group: Migrate to a new random position within bounds; Re-evaluate fitness F(Pi); If F(Pi) < F(Pbest_i): Pbest_i = Pi Apply cooperative evolution across groups; Update fish positions and velocities across all dimensions; If stopping criteria met (e.g., max iterations or no fitness improvement): Break loop; Return: Return best-found solution |
5. Case Analysis and Discussion
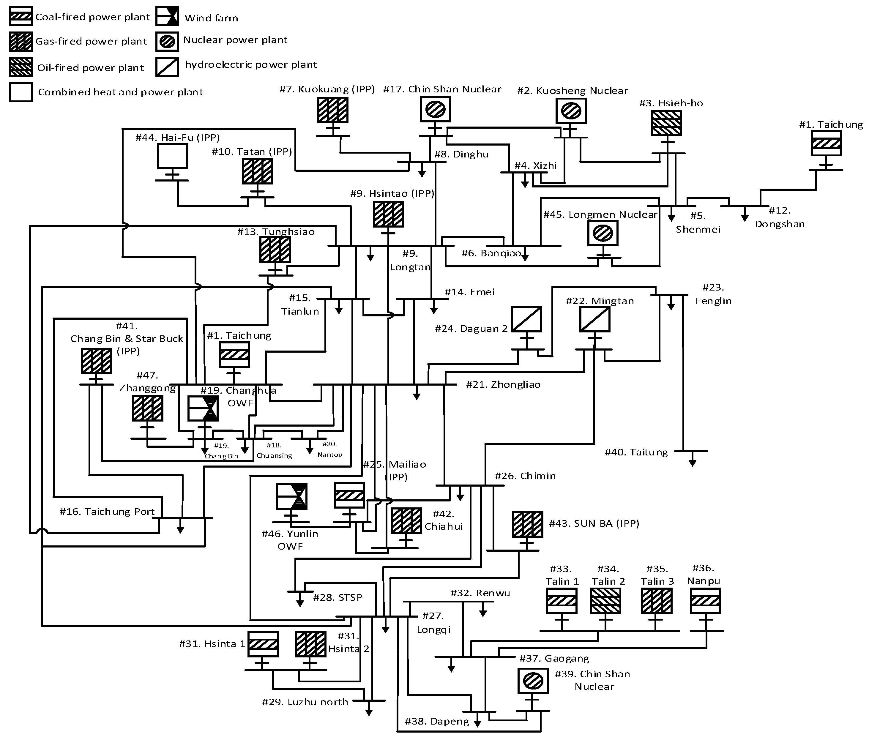
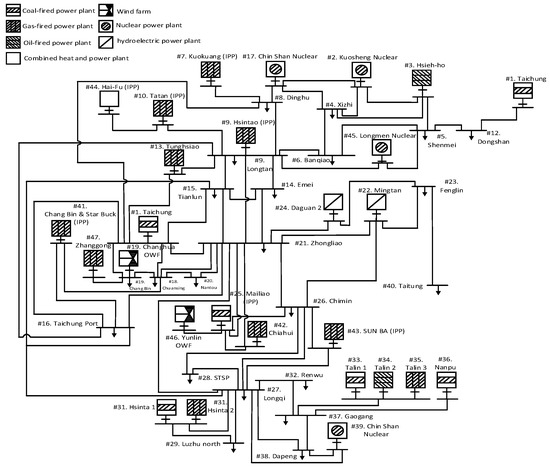
5.1. The Model of Taipower’s 345 kV High-Voltage Transmission System
5.2. Utilizing Data Mining for the Assessment of Wind Power Output and Installed Capacity
5.3. Minimization of Fuel Dispatch Costs and Emissions Under Carbon Tax Scenarios
5.4. Balancing Cost and Carbon: Dispatch Optimization Under Emission Limits
5.5. Performance Evaluation of AGFMO
6. Conclusions and Critical Analysis
Author Contributions
Funding
Data Availability Statement
Conflicts of Interest
References
- Zhang, W.; Ji, C.; Liu, Y.; Hao, Y.; Song, Y.; Cao, Y.; Qi, H. Dynamic Interactions of Carbon Trading, Green Certificate Trading, and Electricity Markets: Insights from System Dynamics Modeling. PLoS ONE 2024, 19, e0304478. [Google Scholar] [CrossRef]
- Zhao, X.; Chen, H.; Hu, S.; Zhou, Y. The Impact of Carbon Quota Allocation and Low-Carbon Technology Innovation on Carbon Market Effectiveness: A System Dynamics Analysis. Environ. Sci. Pollut. Res. 2023, 30, 28943–28955. [Google Scholar] [CrossRef] [PubMed]
- Liu, Z.; Deng, Z.; He, G.; Wang, H.; Zhang, X.; Lin, J.; Qi, Y.; Liang, X.; Davis, S.J. Challenges and Opportunities for Carbon Neutrality in China. Nat. Rev. Earth Environ. 2022, 3, 141–155. [Google Scholar] [CrossRef]
- Huang, S.; Du, C.; Jin, X.; Zhang, D.; Wen, S.; Jia, Z. The Impact of Carbon Emission Trading on Renewable Energy: A Comparative Analysis Based on the CGE Model. Sustainability 2023, 15, 12649. [Google Scholar] [CrossRef]
- National Development Council, Taiwan. Taiwan’s Pathway to Net-Zero Emissions by 2050. Available online: https://www.ndc.gov.tw/en/Content_List.aspx?n=B154724D802DC488 (accessed on 3 November 2024).
- Global Taiwan Institute. On the Path to Net Zero: Will Taiwan Reach Its Goal? Available online: https://globaltaiwan.org/2023/08/on-the-path-to-net-zero-will-taiwan-reach-its-goal/ (accessed on 3 November 2024).
- International Energy Agency (IEA). Chinese Taipei—IEA Country Profile. Available online: https://www.iea.org/countries/chinese-taipei (accessed on 3 November 2024).
- Ang, T.-Z.; Salem, M.; Kamarol, M.; Das, H.S.; Nazari, M.A.; Prabaharan, N. A Comprehensive Study of Renewable Energy Sources: Classifications, Challenges and Suggestions. Energy Strategy Rev. 2022, 43, 100939. [Google Scholar] [CrossRef]
- Hassan, Q.; Algburi, S.; Sameen, A.Z.; Salman, H.M.; Jaszczur, M. A Review of Hybrid Renewable Energy Systems: Solar and Wind-Powered Solutions: Challenges, Opportunities, and Policy Implications. Results Eng. 2023, 20, 101621. [Google Scholar] [CrossRef]
- Qiu, K.; Entchev, E. Modeling, Design and Optimization of Integrated Renewable Energy Systems for Electrification in Remote Communities. Sustain. Energy Res. 2024, 11, 10. [Google Scholar] [CrossRef]
- De Carne, G.; Maroufi, S.M.; Beiranvand, H.; De Angelis, V.; D’Arco, S.; Gevorgian, V.; Waczowicz, S.; Mather, B.; Liserre, M.; Hagenmeyer, V. The Role of Energy Storage Systems for a Secure Energy Supply: A Comprehensive Review of System Needs and Technology Solutions. Electr. Power Syst. Res. 2024, 236, 110963. [Google Scholar] [CrossRef]
- Wu, Y.-H.; Dai, H.; Xie, Y.; Masui, T. The Efforts of Taiwan to Achieve NDC Target: An Integrated Assessment on the Carbon Emission Trading System. Nat. Hazards 2019, 99, 1295–1310. [Google Scholar] [CrossRef]
- Leal Filho, W.; Balogun, A.-L.; Surroop, D.; Lange Salvia, A.; Narula, K.; Li, C.; Hunt, J.D.; Gatto, A.; Sharifi, A.; Feng, H.; et al. Realising the Potential of Renewable Energy as a Tool for Energy Security in Small Island Developing States. Sustainability 2022, 14, 4965. [Google Scholar] [CrossRef]
- Hameed, G.; Nair, P.S.B.; Tan, R.R.; Foo, D.C.Y.; Short, M. A Novel Mathematical Model to Incorporate Carbon Trading and Other Emission Reduction Techniques within Energy Planning Models. Sustain. Prod. Consum. 2023, 40, 571–589. [Google Scholar] [CrossRef]
- Bechara, C.A.; Alnouri, S.Y. Energy Assessment Strategies in Carbon-Constrained Industrial Clusters. Energy Convers. Manag. 2022, 254, 115204. [Google Scholar] [CrossRef]
- Han, H.; Wei, T.; Wu, C.; Xu, X.; Zang, H.; Sun, G.; Wei, Z. A Low-Carbon Dispatch Strategy for Power Systems Considering Flexible Demand Response and Energy Storage. Front. Energy Res. 2022, 10, 883602. [Google Scholar] [CrossRef]
- Russo, M.A.; Carvalho, D.; Martins, N.; Monteiro, A. Forecasting the Inevitable: A Review on the Impacts of Climate Change on Renewable Energy Resources. Sustain. Energy Technol. Assess. 2022, 52, 102283. [Google Scholar] [CrossRef]
- Gao, L.; Yang, S.; Chen, N.; Gao, J. Integrated Energy System Dispatch Considering Carbon Trading Mechanisms and Refined Demand Response for Electricity, Heat, and Gas. Energies 2024, 17, 4705. [Google Scholar] [CrossRef]
- Pierri, E.; Hellkamp, D.; Thiede, S.; Herrmann, C. Enhancing Energy Flexibility through the Integration of Variable Renewable Energy in the Process Industry. Procedia CIRP 2021, 98, 7–12. [Google Scholar] [CrossRef]
- Hadi, M.B.; Moeini-Aghtaie, M.; Khoshjahan, M.; Dehghanian, P. A Comprehensive Review on Power System Flexibility: Concept, Services, and Products. IEEE Access 2022, 10, 99257–99267. [Google Scholar] [CrossRef]
- Li, H.; Han, Y.; Wang, X.; Wen, F. Optimal Strategies of Power Generation Companies and Electricity Customers Participating in Electricity Retailing Trading. IEEE Access 2023, 11, 129660–129670. [Google Scholar] [CrossRef]
- Li, P.; Liu, Q. Optimizing Energy Management Strategies for Microgrids through Chaotic Local Search and Particle Swarm Optimization Techniques. Heliyon 2024, 10, e36669. [Google Scholar] [CrossRef]
- Liu, Z.; Sun, Y.; Xing, C.; Liu, J.; He, Y.; Zhou, Y.; Zhang, G. Artificial Intelligence Powered Large-Scale Renewable Integrations in Multi-Energy Systems for Carbon Neutrality Transition: Challenges and Future Perspectives. Energy AI 2022, 10, 100195. [Google Scholar] [CrossRef]
- Cheraghi, R.; Jahangir, M.H. Multi-Objective Optimization of a Hybrid Renewable Energy System Supplying a Residential Building Using NSGA-II and MOPSO Algorithms. Energy Convers. Manag. 2023, 294, 117515. [Google Scholar] [CrossRef]
- Qin, M.; Yang, Y.; Zhao, X.; Xu, Q.; Yuan, L. Low-Carbon Economic Multi-Objective Dispatch of Integrated Energy System Considering the Price Fluctuation of Natural Gas and Carbon Emission Accounting. Prot. Control Mod. Power Syst. 2023, 8, 1–18. [Google Scholar] [CrossRef]
- Taiwan Power Company. About Us. Available online: https://www.taipower.com.tw (accessed on 3 November 2024).
- Fan, W.; Fu, Y.; Zheng, S.; Bian, J.; Zhou, Y.; Xiong, H. DEWP: Deep Expansion Learning for Wind Power Forecasting. ACM Trans. Knowl. Discov. Data 2024, 18, 71. [Google Scholar] [CrossRef]
- Khan, M.I. Data Mining and Statistical Review of Optimization Techniques of Hybrid Renewable Energy Systems. Int. J. Innov. Technol. Explor. Eng. 2020, 10, 181–192. [Google Scholar] [CrossRef]
- Zhao, Y.; Zhang, C.; Zhang, Y.; Wang, Z.; Li, J. A Review of Data Mining Technologies in Building Energy Systems: Load Prediction, Pattern Identification, Fault Detection and Diagnosis. Energy Built Environ. 2020, 1, 149–164. [Google Scholar] [CrossRef]
- Lin, W.M.; Huang, C.H.; Zhan, T.S. A Hybrid Current-Power Optimal Power Flow Technique. IEEE Trans. Power Syst. 2008, 23, 177–185. [Google Scholar] [CrossRef]
- Lu, K.-H.; Qian, W.; Jiang, Y.; Zhong, Y.-S. The Calibrated Safety Constraints Optimal Power Flow for the Operation of Wind-Integrated Power Systems. Processes 2024, 12, 2272. [Google Scholar] [CrossRef]
- Pan, J.-S.; Hu, P.; Chu, S.-C. Binary Fish Migration Optimization for Solving Unit Commitment. Energy 2021, 226, 120329. [Google Scholar] [CrossRef]
- Bureau of Energy, Ministry of Economic Affairs, Taiwan. Official Website. Available online: https://www.moeaea.gov.tw (accessed on 3 November 2024).
- Ministry of Environment, Taiwan. Official Website. Available online: https://www.moenv.gov.tw (accessed on 3 November 2024).
- Yang, C.-H.; Chen, B.-H.; Wu, C.-H.; Chen, K.-C.; Chuang, L.-Y. Deep Learning for Forecasting Electricity Demand in Taiwan. Mathematics 2022, 10, 2547. [Google Scholar] [CrossRef]
- Lin, Y.-C. Taiwan’s Electricity Demand under the COVID-19 and Supply Chain Disruption. Emerg. Mark. Financ. Trade 2024, 60, 688–703. [Google Scholar] [CrossRef]
- Chen, G.; Li, Z.; Zhang, Z.; Li, S. An Improved ACO Algorithm Optimized Fuzzy PID Controller for Load Frequency Control in Multi Area Interconnected Power Systems. IEEE Access 2020, 8, 6429–6447. [Google Scholar] [CrossRef]






| Metric | Year Peak | Year Average | Year Low |
|---|---|---|---|
| Rep. month | 7 | 10 | 2 |
| Wind power generation (kWh) | 23,167,537 | 8,265,104 | 100,165,267 |
| Operating hours (H) | 108,579.55 | 104,333.1 | 105,411.15 |
| Downtime (H) | 10,489.66 | 14,706.91 | 5948.85 |
| Avg. hourly generation (kWh) | 31,139.52 | 111,377.83 | 134,630.74 |
| Fault-free avg. hourly generation (kWh) | 33,536.25 | 120,778.67 | 151,114.34 |
| Onshore net gen./capacity (%) | 11.66 | 42.04 | 52.97 |
| Offshore net gen./capacity (%) | 13.82 | 61.55 | 65.83 |
| Monthly availability (%) | 91.22 | 87.53 | 94.7 |
| Year | Onshore Wind (MWh) | Offshore Wind (MWh) | Total Wind (MWh) |
|---|---|---|---|
| 2023 | 1,468,670.42 | 0 | 1,468,670.42 |
| 2028 | 2,317,986.21 | 1,088,886.33 | 3,406,872.54 |
| 2033 | 3,090,528.53 | 2,750,002.32 | 5,840,530.85 |
| Metric | Carbon Tax (NTD) | |||
|---|---|---|---|---|
| 500 | 1500 | 2500 | ||
| Dispatch cost (NTD) | Peak (20%) | 137,341,336 | 150,594,559 | 172,301,044 |
| Avg (65%) | 73,819,293 | 90,000,017 | 104,131,988 | |
| Low (15%) | 41,299,501 | 46,504,288 | 52,340,511 | |
| Total cost (NTD) | 713,713,208,005 | 831,270,998,730 | 962,388,054,661 | |
| Avg cost (NTD/MWh) | 3233.01 | 3770.75 | 4247.43 | |
| Carbon emissions (tons) | Peak (20%) | 19,001 | 18,521 | 18,759 |
| Avg (65%) | 13,950 | 14,121 | 13,487 | |
| Low (15%) | 4694 | 4613 | 4673 | |
| Total emissions (tons) | 122,079,250 | 117,758,501 | 115,991,850 | |
| Emissions (tons/MWh) | 0.53 | 0.52 | 0.51 | |
| Metric | Carbon Tax (NTD) | |||
|---|---|---|---|---|
| 500 | 1500 | 2500 | ||
| Dispatch cost (NTD) | Peak (20%) | 167,182,804 | 183,251,821 | 211,410,310 |
| Avg (65%) | 82,240,770 | 91,441,180 | 102,483,167 | |
| Low (15%) | 1,566,809,501,147 | 1,720,687,815,156 | 1,870,560,887,881 | |
| Total cost (NTD) | 5847.21 | 6402.41 | 7021.08 | |
| Avg cost (NTD/MWh) | 21,791 | 21,751 | 21,897 | |
| Carbon emissions (tons) | Peak (20%) | 17,451 | 17,007 | 15,907 |
| Avg (65%) | 7081 | 7351 | 6752 | |
| Low (15%) | 148,012,721 | 145,670,911 | 143,819,537 | |
| Total emissions (tons) | 0.55 | 0.54 | 0.53 | |
| Emissions (tons/MWh) | 292,001,901 | 314,174,027 | 345,627,781 | |
| Metric | Carbon Tax (NTD) | |||
|---|---|---|---|---|
| 500 | 1500 | 2500 | ||
| Dispatch cost (NTD) | Peak (20%) | 333,370,429 | 361,553,285 | 405,567,495 |
| Avg (65%) | 158,657,560 | 145,566,522 | 160,612,670 | |
| Low (15%) | 3,179,699,580,483 | 3,311,754,575,311 | 3,588,500,497,124 | |
| Total cost (NTD) | 9801.21 | 10,528.36 | 11,507.33 | |
| Avg cost (NTD/MWh) | 29,720 | 29,598 | 29,512 | |
| Carbon emissions (tons) | Peak (20%) | 24,702 | 24,501 | 23,052 |
| Avg (65%) | 10,021 | 8587 | 8981 | |
| Low (15%) | 204,311,588 | 201,302,527 | 193,521,851 | |
| Total emissions (tons) | 0.64 | 0.64 | 0.62 | |
| Emissions (tons/MWh) | 560,526,821 | 582,511,836 | 605,521,781 | |
| Year | Carbon Tax (NTD) | Total Generation (MW) | Coal Generation (MW) | Coal Mix (%) | Oil Generation (MW) | Oil Mix (%) | Gas Generation (MW) | Gas Mix (%) |
|---|---|---|---|---|---|---|---|---|
| 2023 | 500 | 17,811.20 | 11,081.11 | 62.21 | 450.21 | 2.52 | 6279.88 | 35.25 |
| 1500 | 18,001.05 | 10,840.53 | 58.84 | 251.81 | 1.39 | 7160.52 | 39.77 | |
| 2500 | 17,765.50 | 10,237.036 | 57.50 | 377.03 | 2.12 | 7171.88 | 40.36 | |
| 2028 | 500 | 22,362.27 | 12,957.07 | 57.82 | 709.39 | 3.17 | 8721.69 | 39.00 |
| 1500 | 22,262.65 | 12,545.19 | 56.23 | 731.19 | 3.28 | 9011.33 | 40.47 | |
| 2500 | 22,350.35 | 10,956.77 | 48.92 | 1157.14 | 5.17 | 10258.32 | 45.89 | |
| 2033 | 500 | 27,793.71 | 19,440.05 | 69.80% | 511.44 | 1.84 | 7881.06 | 28.35 |
| 1500 | 27,454.14 | 18,955.15 | 68.90% | 376.90 | 1.37 | 8159.95 | 29.72 | |
| 2500 | 27,473.60 | 17,146.30 | 62.28% | 758.88 | 2.76 | 7171.88 | 34.95 |
| Metric | Carbon Tax (NTD) | |||
|---|---|---|---|---|
| 500 | 1500 | 2500 | ||
| Dispatch cost (NTD) | Peak (20%) | 141,838,709 | 156,131,118 | 175,651,393 |
| Avg (65%) | 76,247,689 | 88,157,397 | 104,580,690 | |
| Low (15%) | 42,287,502.8 | 48,534,629 | 52,611,982 | |
| Total cost (NTD) | 734,161,332,165 | 851,213,119,090 | 980,934,218,911 | |
| Avg cost (NTD/MWh) | 3157.36 | 3734.95 | 4313.99 | |
| Carbon emissions (tons) | Peak (20%) | 19,431 | 18,217 | 19,097 |
| Avg (65%) | 14,549 | 14,425 | 13,310 | |
| Low (15%) | 4931 | 4917 | 4831 | |
| Total emissions (tons) | 122,008,876 | 119,537,619 | 116,607,114 | |
| Emissions (tons/MWh) | 0.53 | 0.52 | 0.51 | |
| Metric | Carbon Tax (NTD) | |||
|---|---|---|---|---|
| 500 | 1500 | 2500 | ||
| Dispatch cost (NTD) | Peak (20%) | 296,721,83 | 310,584,094 | 345,069,350 |
| Avg (65%) | 179,164,910 | 192,945,169 | 202,292,615 | |
| Low (15%) | 94,600,393 | 96,617,308 | 103,659,348 | |
| Total cost (NTD) | 1,654,241,780,591 | 1,738,198,483,069 | 1,897,727,342,301 | |
| Avg cost (NTD/MWh) | 6038.39 | 6460.29 | 7076.44 | |
| Carbon emissions (tons) | Peak (20%) | 22,614 | 22,419 | 23,202 |
| Avg (65%) | 15,526 | 15,712 | 15,578 | |
| Low (15%) | 6406 | 6850 | 6735 | |
| Total emissions (tons) | 139,023,194 | 138,564,127 | 139,328,479 | |
| Emissions (tons/MWh) | 0.51 | 0.52 | 0.51 | |
| Metric | Carbon Tax (NTD) | |||
|---|---|---|---|---|
| 500 | 1500 | 2500 | ||
| Dispatch cost (NTD) | Peak (20%) | 629,145,597 | 646,260,891 | 688,809,335 |
| Avg (65%) | 524,092,942 | 547,841,323 | 520,853,527 | |
| Low (15%) | 207,220,315 | 212,196,309 | 216,637,323 | |
| Total cost (NTD) | 4,325,948,476,247 | 4,439,729,682,009 | 4,473,557,069,706 | |
| Avg cost (NTD/MWh) | 13,348.43 | 13,962.43 | 14,090.23 | |
| Carbon emissions (tons) | Peak (20%) | 26,075 | 26,086 | 26,681 |
| Avg (65%) | 14,687 | 14,878 | 14,740 | |
| Low (15%) | 7095 | 7041 | 7034 | |
| Total emissions (tons) | 141,207,615 | 140,531,437 | 140,919,598 | |
| Emissions (tons/MWh) | 0.44 | 0.44 | 0.43 | |
| Metric | Carbon Tax (NTD) | |||
|---|---|---|---|---|
| 500 | 1500 | 2500 | ||
| Dispatch cost (NTD) | Peak (20%) | 620,480,292 | 611,651,084 | 688,949,738 |
| Avg (65%) | 494,575,870 | 494,948,891 | 475,215,728 | |
| Low (15%) | 203,415,678 | 204,225,477 | 218,363,863 | |
| Total cost (NTD) | 4,139,911,890,922 | 4,160,944,758,703 | 4,213,821,810,374 | |
| Avg cost (NTD/MWh) | 12,640.65 | 12,916.99 | 13,269.20 | |
| Carbon emissions (tons) | Peak (20%) | 25,877 | 25,906 | 27,117 |
| Avg (65%) | 14,311 | 14,455 | 14,185 | |
| Low (15%) | 7705 | 7602 | 7513 | |
| Total emissions (tons) | 138,466,684 | 138,690,758 | 138,102,927 | |
| Emissions (tons/MWh) | 0.43 | 0.43 | 0.42 | |
| Carbon Tax (NTD) | Algorithm | Total Cost (NTD) | Iterations to Converge | Success Rate | Avg. Euclidean Distance |
|---|---|---|---|---|---|
| 500 | FMO | 495,583,410 | 83 | 88.9% | 0.136 |
| AGFMO | 494,575,870 | 93 | 96.7% | 0.182 | |
| 1500 | FMO | 495,001,915 | 236 | 86.7% | 0.129 |
| AGFMO | 494,948,891 | 81 | 93.3% | 0.176 | |
| 2500 | FMO | 475,443,854 | 116 | 90.0% | 0.141 |
| AGFMO | 475,215,728 | 110 | 96.7% | 0.185 |
| Function | Ideal Value | Mean Fitness Value | STD | Relative Error |
|---|---|---|---|---|
| F1 | 100 | 101.6114 | 0.02 | 1.6114% |
| F5 | 1700 | 1755.845 | 25.48 | 3.2856% |
| F9 | 2400 | 2516.537 | 10.63 | 4.8557% |
Disclaimer/Publisher’s Note: The statements, opinions and data contained in all publications are solely those of the individual author(s) and contributor(s) and not of MDPI and/or the editor(s). MDPI and/or the editor(s) disclaim responsibility for any injury to people or property resulting from any ideas, methods, instructions or products referred to in the content. |
© 2025 by the authors. Licensee MDPI, Basel, Switzerland. This article is an open access article distributed under the terms and conditions of the Creative Commons Attribution (CC BY) license (https://creativecommons.org/licenses/by/4.0/).
Share and Cite
Lu, K.-H.; Jiang, X.; Lin, S.-J. Emission-Constrained Dispatch Optimization Using Adaptive Grouped Fish Migration Algorithm in Carbon-Taxed Power Systems. Mathematics 2025, 13, 2722. https://doi.org/10.3390/math13172722
Lu K-H, Jiang X, Lin S-J. Emission-Constrained Dispatch Optimization Using Adaptive Grouped Fish Migration Algorithm in Carbon-Taxed Power Systems. Mathematics. 2025; 13(17):2722. https://doi.org/10.3390/math13172722
Chicago/Turabian StyleLu, Kai-Hung, Xinyi Jiang, and Sang-Jyh Lin. 2025. "Emission-Constrained Dispatch Optimization Using Adaptive Grouped Fish Migration Algorithm in Carbon-Taxed Power Systems" Mathematics 13, no. 17: 2722. https://doi.org/10.3390/math13172722
APA StyleLu, K.-H., Jiang, X., & Lin, S.-J. (2025). Emission-Constrained Dispatch Optimization Using Adaptive Grouped Fish Migration Algorithm in Carbon-Taxed Power Systems. Mathematics, 13(17), 2722. https://doi.org/10.3390/math13172722

