Generalized Net Model of the Processes in a Petroleum Refinery—Part I: Theoretical Study
Abstract
1. Introduction
2. Materials and Methods
2.1. Short Remarks on Generalized Nets
- (a)
- The first two elements ( and ) are the sets of input and output places, respectively (see Figure 1);
- (b)
- The processes are situated in time, and each event can occur at a specific moment and has a certain duration. In the GN’s transition Z, is the current time moment of the transition’s firing, and is the current value of the duration of its active state;
- (c)
- The conditions under which one can move from a given input state to a given output state are denoted in the formal definition by r. The IM r is the transition’s condition that determines which tokens will pass (or transfer) from the transition’s input to its output places;
- (d)
- For some processes, there are constraints on the movement between input and output states. M is an IM of the capacities of the transition’s arcs, where is a natural number and determines how many elements (tokens) can move in one step of execution;
- (e)
- □ is a Boolean expression that determines in which input positions there should be tokens to activate the given event (transition). It is called transition type, and it is used to ensure that all input data, which may come from other parallel processes, will be available before executing a given phase of the process.

- *
- For optimization: simulations can be used to optimize processes or systems by identifying inefficiencies and testing potential improvements.
- *
- To predict outcomes: simulations can help predict the outcomes of certain events or processes by analyzing the behavior of the model under different conditions.
- *
- For test scenarios: they allow researchers or engineers to test various scenarios without the need for real-world experimentation, which can be costly, time-consuming, or even dangerous.
- *
- For training: simulations are often used for training purposes, allowing individuals to practice and gain experience in a controlled environment before facing real-world situations.
- *
- For understanding complex systems: they provide insights into complex systems by allowing researchers to observe how different components interact and influence each other.
2.2. Petroleum Refining Processing Scheme Description
- -
- The dry gas is processed in the Absorption Gas Fractionation Unit (AGFU);
- -
- The LPG is processed in the Central Gas Fractionation Unit (CGFU). A detailed processing scheme of both dry gas and LPG of the LNB refinery is given in our recent study [46];
- -
- The light naphtha is upgraded in HydroDeSulphurization unit1-3,5 (HDS1-3,5), while the heavy naphtha is upgraded in the Catalytic Reformer;
- -
- The kerosene is upgraded in the HDS-2 unit;
- -
- The diesel is upgraded in both units HDS-3 and HDS-5;
- -
- The atmospheric gas oil is upgraded in the Fluid Catalytic Cracking (FCC) feed 160 Pretreater (FCC-PT);
- -
- The vacuum gas oil is first upgraded in the FCC-PT unit, and then it is converted to dry gas, propane–propylene fraction, butane–butylene fraction, gasoline, Light Cycle Oil (LCO), Heavy Cycle Oil (HCO), and SLurry Oil (SLO) in the FCCU;
- -
- The vacuum residue is split into feed for the ebullated bed (H-Oil) hydrocracking unit and feed for the bitumen unit. The H-Oil unit hydrocracks the vacuum residue to fuel gas, wild naphtha, diesel, heavy atmospheric gas oil, light vacuum gas oil, heavy vacuum gas oil, and unconverted hydrocracked vacuum residue (VTB). The vacuum residue that feeds the bitumen unit is oxidized to produce road pavement bitumen. The processing scheme for heavy oils (boiling above 360°C) is discussed in detail in our earlier study [46].
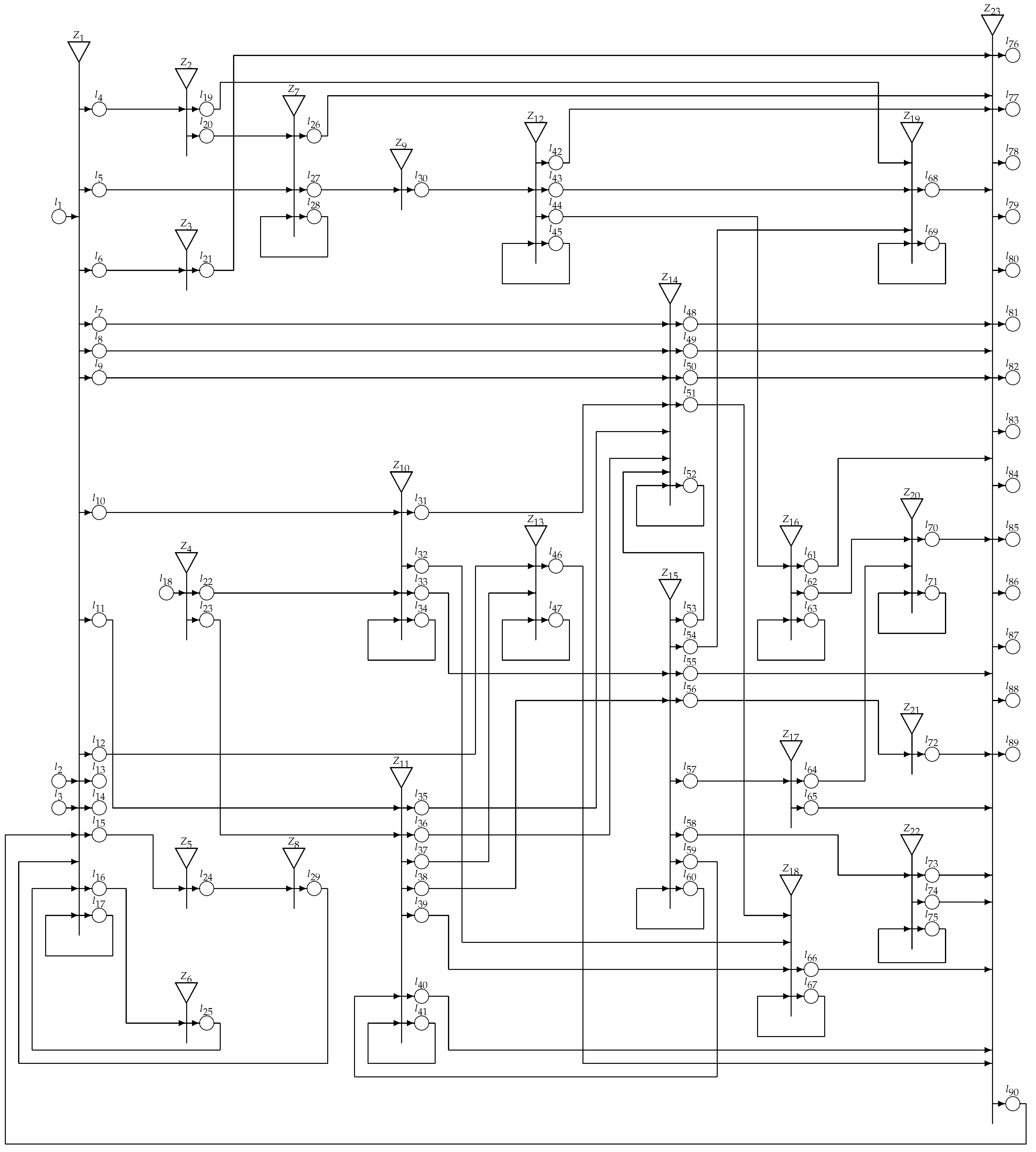
3. Description of the Petroleum Refinery GN Model, Results, and Discussion
- The organization activities in the petroleum refinery
- Absorption and Gas Fractionation Unit (AGFU)
- Catalytic Reformer (CatRef)
- VDU-2
- LPG Storage
- LPG HydroDeSulphurization(LPG HDS)
- FCC-PT
- H-Oil
- CGFU
- Bitumen
- HDS1-3,5
- FCC
- Iso-C4
- MTBE
- Claus unit-4
- Fuel gas (FG) Storage
- Alkylation
- Prime G
- Polypropylene Unit
- Production of finished products and expedition
- crude oil, quantity and quality
- an order for buying a final petroleum product, quantity, customer
- information for the final petroleum products in the world market, quantity, producer
- dry gas for AGFU, quantity
- LPG, quantity
- heavy naphtha (HN) for CatRef, quantity
- light naphtha (LN), quantity
- kerosene, quantity
- diesel, quantity
- vacuum gas oil (VGO), quantity
- vacuum residue feed for H-Oil (VR), quantity
- straight run vacuum residue feed for bitumen unit, quantity
- (positive or negative) answer of the current order
- announce what kind of products with a specific quality are available for selling in the world market
- information for existing types of naphtha in the plant and a list of the types of naphtha that the dealers buy
- solution for buying the most suitable naphtha, financial evaluation
- archive of the full process and the Decision Maker
- atmospheric residue, quantity
- fuel gas for final product, quantity
- fuel gas for CGFU, quantity
- reformate for final product, quantity
- VGO, quantity
- VR, quantity
- results of ICA over the data for existing and potential crude oil
- financial activities for buying of the determined crude oils
- LPG for sale, quantity
- LPG for LPG HDS, quantity
- current status of the LPG Storage (including the quantity in it)
- result of ICA and other correlation analyses and selection of the most suitable petroleum
- LPG for CGFU, quantity
- diesel for HDS1-3,5, quantity
- S for Claus Unit, quantity
- HTVGO for FCC, quantity
- current status of the FCC-PT
- naphtha for HDS1-3,5, quantity
- diesel for HDS1-3,5, quantity
- VTB for bitumen, quantity
- HCKVGO for FCC, quantity
- S for Claus Unit, quantity
- PBFO for sale, quantity
- current status of the H-Oil
- LPG for sale, quantity
- Fuel gas for FG storage, quantity
- N-butane for Isometrization C4, quantity
- current status of the CGFU
- Bitumen for sale, quantity
- current status of the bitumen
- HTN for sale, quantity
- HTK for sale, quantity
- HTD for sale, quantity
- S for Claus Unit, quantity
- current status of the HDS1-3,5
- LCO for HDS1-3,5, quantity
- Dry gas for FG Storage, quantity
- HCO for sale, quantity
- CN for blending, quantity
- for MTBE, quantity
- for polypropylene, quantity
- FCCSLO for H-Oil, quantity
- current status of the FCC
- Iso-butane for blending, quantity
- Iso-butane for Alkylation, quantity
- current status of the Isometrization
- olefins for Alkylation, quantity
- MTBE for sale, quantity
- Sulphur for sale, quantity
- current status of the Claus Unit
- Fuel gas for burning, quantity
- current status of the FG Storage
- Alkylate for blending, quantity
- current status of the Alkylation
- Hydrotreated cracked naphtha for blending, quantity
- Propylene for sale, quantity
- Polypropylene for sale, quantity
- current status of the propylene unit
- Fuel gas, quantity
- LPG, quantity
- Naphtha, quantity
- Sulphur, quantity
- JetA-1, quantity
- Euro-Diesel, quantity
- A-95 (mineral/bio), quantity
- A-98H, quantity
- A-100H (bio), quantity
- Propylene, quantity
- Polypropylene, quantity
- Fuel oil, quantity
- RMF 0.5% sulphur, quantity
- Bitumen, quantity
- information for the archieve
4. Conclusions
Author Contributions
Funding
Data Availability Statement
Conflicts of Interest
References
- Petri, C.A. Kommunication mit Automaten. Ph.D. Thesis, University of Bonn, Bonn, Germany, 1962. [Google Scholar]
- Kumbhar, V.B.; Chavan, M.S. A Review of Petri Net Tools and Recommendations. In Proceedings of the International Conference on Applications of Machine Intelligence and Data Analytics (ICAMIDA 2022); Series Advances in Computer Science Research; Atlantis Press: Amsterdam, The Netherlands, 2023. [Google Scholar] [CrossRef]
- Zhou, J.; Reniers, G.; Zhang, L. A weighted fuzzy Petri-net based approach for security risk assessment in the chemical industry. Chem. Eng. Sci. 2017, 174, 136–145. [Google Scholar] [CrossRef]
- Zhou, J.; Reniers, G.; Zhang, L. Petri-net based attack time analysis in the context of chemical process security. Comput. Chem. Eng. 2019, 130, 106546. [Google Scholar] [CrossRef]
- Kang, J.; Wang, L.; Jin, H.; Zhang, J. Proposed model of potential accident process at hydrogen refueling stations based on multi-level variable weight fuzzy Petri net. Int. J. Hydrogen Energy 2022, 47, 29162e29171. [Google Scholar] [CrossRef]
- Liu, X.; Zhao, M.; Wei, Z.; Lu, M. The energy management and economic optimization scheduling of microgrid based on Colored Petri net and Quantum-PSO algorithm. Sustain. Energy Technol. Assess. 2022, 53, 102670. [Google Scholar] [CrossRef]
- Li, H.; Yang, D.; Cao, H.; Ge, W.; Chen, E.; Wen, X.; Li, C. Data-driven hybrid petri-net based energy consumption behaviour modelling for digital twin of energy-efficient manufacturing system. Energy 2022, 239, 122178. [Google Scholar] [CrossRef]
- Jyotish, H.K.; Singh, L.K.; Kumar, C. A state-of-the-art review on performance measurement petri net models for safety critical systems of NPP. Ann. Nucl. Energy 2022, 165, 108635. [Google Scholar] [CrossRef]
- Melgrattia, H.; Mezzina, C.A.; Pinnac, G.M. A Petri net view of covalent bonds. Theor. Comput. Sci. 2022, 908, 89–119. [Google Scholar] [CrossRef]
- Zhou, J.; Reniers, G. Chapter Four—A Petri net–based methodology for domino effect assessment. In Dynamic Risk Assessment and Management of Domino Effects and Cascading Events in the Process Industry; Elsevier: Amsterdam, The Netherlands, 2021. [Google Scholar]
- Van der Aalst, W.; Stahl, C. Modeling Business Processes: A Petri Net-Oriented Approach; The MIT Press: Cambridge, MA, USA, 2011. [Google Scholar]
- Brant-Ribeiro, T.; Araujo, R.; Mendonca, I.; Soares, M.; Cattelan, R. Interactive web interfaces modeling, simulation and analysis using colored Petri nets. Softw. Syst. Model. 2019, 18, 721–737. [Google Scholar] [CrossRef]
- Brogi, A.; Canciani, A.; Soldani, J.; Wang, P. A Petri net-based approach to model and analyze the management of cloud applications. Trans. Petri Nets Other Model Concurr. 2016, 11, 28–48. [Google Scholar]
- Philippou, A.; Psara, K. Reversible computation in nets with bonds. J. Log. Algebr. Methods Program. 2022, 124, 100718. [Google Scholar] [CrossRef]
- Kozma, D.; Varga, P.; Larrinaga, F. Dynamic multilevel workflow management concept for industrial IoT systems. IEEE Trans. Autom. Sci. Eng. 2021, 18, 1354–1366. [Google Scholar] [CrossRef]
- Jorge, A.A.; Pessoa, M.A.O.; Junqueira, F.; Riasco, L.A.M.; Filho, D.J.S.; Miyagi, P.E. Modelling and simulation of human cardiovascular system by diffetrential hybrid Petri net. IFAC PapersOnLine 2020, 53, 16412–16417. [Google Scholar] [CrossRef]
- Yu, W.; Jia, M.; Fang, X.; Lu, Y.; Xu, J. Modeling and analysis of medical resource allocation based on Timed Colored Petri net. Future Gener. Comput. Syst. 2020, 111, 368–374. [Google Scholar] [CrossRef]
- Sun, Q.; Ma, H. Modelling and performance analysis of the COVID-19 emergency collaborative process based on a stochastic Petri net. Reliab. Eng. Syst. Saf. 2024, 241, 109631. [Google Scholar] [CrossRef]
- de Freitas, B.I.; Carvalho, L.K.; Basilio, J.C. Public bicycle sharing systems control and performance evaluation: A Petri net-based approach. Inf. Sci. 2023, 632, 19–50. [Google Scholar] [CrossRef]
- Li, L.; Deng, M.; Liu, B.; Li, Z. State estimation in labeled time Petri net systems using observed modified state class graph. Inf. Sci. 2024, 656, 119922. [Google Scholar] [CrossRef]
- Ajao, L.A.; Apeh, A.T. Secure edge computing vulnerabilities in smart cities sustainability using petri net and genetic algorithm-based reinforcement learning. Intell. Syst. Appl. 2023, 18, 200216. [Google Scholar] [CrossRef]
- Zhou, J.; Reniers, G.; Cozzani, V. A Petri-net approach for firefighting force allocation analysis of fire emergency response with backups. Reliab. Eng. Syst. Saf. 2023, 229, 108847. [Google Scholar] [CrossRef]
- Gómez-Martínez, E.; Guerra, E.; Lara, J.; Garmendia, A. Lifted structural invariant analysis of Petri net product lines. J. Log. Algebr. Methods Program. 2023, 130, 100824. [Google Scholar] [CrossRef]
- Ramchandani, C. Analysis of Asynchronous Concurrent Systems by Timed Petri Nets. Ph.D. Thesis, MIT—Massachusetts Institute of Technology, Cambridge, MA, USA, 1973. [Google Scholar]
- Dong, Y.; Wu, N.; Li, Z. Symbolic state estimation in bounded timed labeled Petri nets. Automatica 2024, 160, 111410. [Google Scholar] [CrossRef]
- Nutt, G. The Formulation and Application of Evaluation Nets. Ph.D. Thesis, Computer Science Group, University of Washington, Seattle, WA, USA, 1972. [Google Scholar]
- Liu, C.; Zeng, Q.; Duan, H.; Zhou, M.C.; Lu, F.; Cheng, J. E-Net Modeling and Analysis of Emergency Response Processes Constrained by Resources and Uncertain Durations. IEEE Trans. Syst. Man, Cybern. Syst. 2015, 45, 84–96. [Google Scholar] [CrossRef]
- Jensen, K. Coloured Petri nets. In EATCS Monographs on Theoretical Computer Science; Springer: Berlin/Heidelberg, Germany, 1992; Volume 1. [Google Scholar]
- Li, A.; Li, B.; Gao, M.; Yung, K.L.; Ip, A.W.H. Chapter 7—Colored Petri net modeling of the manufacturing processes of space instruments. In IoT and Spacecraft Informatics Aerospace Engineering; Elsevier: Amsterdam, The Netherlands, 2022; pp. 219–253. [Google Scholar]
- Shapiro, S. A stochastic Petri nets with applications to modelling occupancy timed for concurrent task systems. Networks 1979, 9, 375–379. [Google Scholar] [CrossRef]
- Alexiou, M.S.; Bourbakis, N.G. Behavioral analysis of bar charts in documents via stochastic Petri-net modeling. Pattern Recognit. Lett. 2023, 176, 174–181. [Google Scholar] [CrossRef]
- Valk, R. Self–Modifying Nets; Bericht IFI–HH–B–34/77; Institut für Informatik, Universität Hamburg: Hamburg, Germany, 1977. [Google Scholar]
- Etzion, T.; Yoeli, M. Super–nets and their hierarchy. Theor. Comput. Sci. 1983, 23, 243–272. [Google Scholar] [CrossRef]
- Genrich, H.; Lautenbach, K. The analysis of distributed systems by means of predicate/transition nets. In Semantics of Concurrent Computation; Lecture Notes in Computer Science; Springer: Berlin/Heidelberg, Germany, 1979; Volume 70, pp. 123–146. [Google Scholar]
- Atanassov, K. Generalized Nets; World Scientific: Singapore; London, UK, 1991. [Google Scholar]
- Atanassov, K. Index Matrices: Towards an Augmented Matrix Calculus; Springer: Cham, Switzerland, 2014. [Google Scholar]
- Zhang, S.W.; Li, Z.W.; Qu, T.; Li, C.D. Petri net-based approach to short-term scheduling of crude oil operations with less tank requirement. Inf. Sci. 2017, 417, 247–261. [Google Scholar] [CrossRef]
- An, Y.; Wu, N.Q.; Hon, C.T.; Li, Z.W. Scheduling of Crude Oil Operations in Refinery without Sufficient Charging Tanks Using Petri Nets. Appl. Sci. 2017, 7, 564. [Google Scholar] [CrossRef]
- Al-Hajri, E.M.; Rossiter, J.A. A unified framework for oil producing stations using Petri nets. In Proceedings of the UKACC International Conference on Control 2010, Coventry, UK, 7–10 September 2010. [Google Scholar]
- Wu, N.; Bai, L.; Chu, C. Hybrid Petri net modeling for refinery process. In Proceedings of the 2004 IEEE International Conference on Systems, Man and Cybernetics, The Hague, The Netherlands, 10–13 October 2004. [Google Scholar]
- Wu, N.; Chu, F.; Zhou, M. Hybrid Petri net modeling and schedulability analysis of high fusion point oil transportation under tank grouping strategy for crude oil operations in refinery. IEEE Trans. Syst. Man, Cybern. Part C Appl. Rev. 2010, 40, 159–175. [Google Scholar] [CrossRef]
- Kaid, H. An Effective Tabu Search-Based Petri Net Method for Scheduling Crude Oil Refinery Operations with Preventive Maintenance. In Proceedings of the International Conference on Industrial Engineering and Operations Management Manila, Manila, Philippines, 7–9 March 2023. [Google Scholar]
- Stratiev, D.D.; Zoteva, D.; Stratiev, D.S.; Atanassov, K. Modelling the Process of Production of Automotive Gasoline by the Use of Generalized Nets. In Uncertainty and Imprecision in Decision Making and Decision Support: New Advances, Challenges, and Perspectives; Lecture Notes in Networks and Systems; Springer: Cham, Switzerland, 2022; Volume 338. [Google Scholar]
- Stratiev, D.D.; Stratiev, D.; Atanassov, K. Modelling the Process of Production of Diesel Fuels by the Use of Generalized Nets. Mathematics 2021, 9, 2351. [Google Scholar] [CrossRef]
- Stratiev, D.D.; Dimitriev, A.; Stratiev, D.; Atanassov, K. Modeling the Production Process of Fuel Gas, LPG, Propylene, and Polypropylene in a Petroleum Refinery Using Generalized Nets. Mathematics 2023, 11, 3800. [Google Scholar] [CrossRef]
- Stratiev, D.; Dimitriev, A.; Stratiev, D.; Atanassov, K. Generalized Net Model of Heavy Oil Products’ Manufacturing in Petroleum Refinery. Mathematics 2023, 11, 4753. [Google Scholar] [CrossRef]
- ASTM D5002-22; Standard Test Method for Density, Relative Density, and API Gravity of Crude Oils by Digital Density Analyzer. ASTM: West Conshohocken, PA, USA, 2022.
- ASTM D4294-21; Standard Test Method for Sulfur in Petroleum and Petroleum Products by Energy Dispersive X-ray Fluorescence Spectrometry. ASTM: West Conshohocken, PA, USA, 2021.
- ASTM D3230-19; Standard Test Method for Salts in Crude Oil (Electrometric Method). ASTM: West Conshohocken, PA, USA, 2019.
- ASTM D664-18e2; Standard Test Method for Acid Number of Petroleum Products by Potentiometric Titration. ASTM: West Conshohocken, PA, USA, 2018.
- ASTM D5853-17a; Standard Test Method for Pour Point of Crude Oils. ASTM: West Conshohocken, PA, USA, 2017.
- ASTM D2892-20; Standard Test Method for Distillation of Crude Petroleum (15-Theoretical Plate Column). ASTM: West Conshohocken, PA, USA, 2020.
- ASTM D5236-18a; Standard Test Method for Distillation of Heavy Hydrocarbon Mixtures (Vacuum Potstill Method). ASTM: West Conshohocken, PA, USA, 2018.
- IP 501/05; Determination of Aluminium, Silicon, Vanadium, Nickel, Iron, Sodium, Calcium, Zinc and Phosphorus in Residual Fuel Oil by Ashing, Fusion and Inductively Coupled Plasma Emission Spectrometry. 2005. Available online: https://law.resource.org/pub/us/cfr/ibr/003/ei.501.2005.pdf (accessed on 9 June 2024).
- Atanassov, K.; Mavrov, D.; Atanassova, V. Intercriteria Decision Making: A New Approach for Multicriteria Decision Making, Based on Index Matrices and Intuitionistic Fuzzy Sets. Issues Intuitionistic Fuzzy Sets Gen. Nets 2014, 11, 1–8. [Google Scholar]
- Dimitrova, S.; Dimitrova, L.; Kolarova, T.; Petkov, P.; Atanassov, K.; Christov, R. Generalized net models of the activity of NEFTOCHIM Petrochemical Combine in Bourgas. In Applications of Generalized Nets; Atanassov, K., Ed.; World Scientific Publishing Co.: Singapore, 1993; pp. 208–213. [Google Scholar]


| Processed Crude Oils | Urals | Light Siberian | |
|---|---|---|---|
| Density at 15 °C, g/m3 | ASTM D 5002 [47] | 0.871 | 0.8493 |
| Sulphur, wt.% | ASTM D 4294 [48] | 1.68 | 0.56 |
| Chloride content | ASTM D3230 [49] | 26.7 | 27.6 |
| Total acid number, mg KOH/g | ASTM D 664 [50] | 0.11 | 0.07 |
| Water content, vol.% | 0.132 | 0.144 | |
| Pour point, °C | ASTM D 5853 [51] | −9 | −12 |
| TBP distillation fraction yields. wt.% | ASTM D 2892 & D 5236 [52,53] | ||
| IBP-110 °C | 8.1 | 11.2 | |
| 110–180 °C | 9.5 | 11.3 | |
| 180–240 °C | 8.9 | 9.9 | |
| 240–360 °C | 22.0 | 23.6 | |
| 360–540 °C | 27.8 | 26.6 | |
| >540 °C | [54] | 22.8 | 16.5 |
| Na, mg/kg | 3.6 | 10.8 | |
| Ni, mg/kg | 18.0 | 5 | |
| V, mg/kg | 51.3 | 20.1 | |
| Fe, mg/kg | 10.7 | 8.4 | |
| As, mg/kg | 73.3 | 70 | |
| Ca, mg/kg | 24.2 | 23.8 |
| Products | Yields, wt.% |
|---|---|
| Naphtha | 7.6 |
| Automotive gasoline | 24.8 |
| Aviation jet fuel | 2.8 |
| Automotive diesel | 44.0 |
| Fuel oil | 8.8 |
| LPG | 1.1 |
| Sulphur | 1.3 |
| Propylene | 0.3 |
| Polypropylene | 1.0 |
| Fuel to satisfy refinery energy needs | 7.7 |
| Losses | 0.5 |
Disclaimer/Publisher’s Note: The statements, opinions and data contained in all publications are solely those of the individual author(s) and contributor(s) and not of MDPI and/or the editor(s). MDPI and/or the editor(s) disclaim responsibility for any injury to people or property resulting from any ideas, methods, instructions or products referred to in the content. |
© 2024 by the authors. Licensee MDPI, Basel, Switzerland. This article is an open access article distributed under the terms and conditions of the Creative Commons Attribution (CC BY) license (https://creativecommons.org/licenses/by/4.0/).
Share and Cite
Stratiev, D.; Shishkova, I.; Angelova, N.; Stratiev, D.D.; Atanassov, K. Generalized Net Model of the Processes in a Petroleum Refinery—Part I: Theoretical Study. Mathematics 2024, 12, 3017. https://doi.org/10.3390/math12193017
Stratiev D, Shishkova I, Angelova N, Stratiev DD, Atanassov K. Generalized Net Model of the Processes in a Petroleum Refinery—Part I: Theoretical Study. Mathematics. 2024; 12(19):3017. https://doi.org/10.3390/math12193017
Chicago/Turabian StyleStratiev, Dicho, Ivelina Shishkova, Nora Angelova, Danail D. Stratiev, and Krassimir Atanassov. 2024. "Generalized Net Model of the Processes in a Petroleum Refinery—Part I: Theoretical Study" Mathematics 12, no. 19: 3017. https://doi.org/10.3390/math12193017
APA StyleStratiev, D., Shishkova, I., Angelova, N., Stratiev, D. D., & Atanassov, K. (2024). Generalized Net Model of the Processes in a Petroleum Refinery—Part I: Theoretical Study. Mathematics, 12(19), 3017. https://doi.org/10.3390/math12193017

