Next Article in Journal
A Novel Solution Approach for Time-Fractional Hyperbolic Telegraph Differential Equation with Caputo Time Differentiation
Previous Article in Journal
A Novel Imputation Model for Missing Concrete Dam Monitoring Data
 
 
Font Type:
Arial Georgia Verdana
Font Size:
Aa Aa Aa
Line Spacing:
Column Width:
Background:
Article

Mathematical Foundations for Modeling a Zero-Carbon Electric Power System in Terms of Sustainability

1
Department of Digital Economy and Information Technology, School of Economics and Management, South Ural State University, 76 Prospekt Lenina, 454080 Chelyabinsk, Russia
2
Department of Energy and Power Engineering, Institute of Engineering and Technology, South Ural State University, 76 Prospekt Lenina, 454080 Chelyabinsk, Russia
3
Department of Automotive Engineering, Institute of Engineering and Technology, South Ural State University, 76 Prospekt Lenina, 454080 Chelyabinsk, Russia
*
Author to whom correspondence should be addressed.
Mathematics 2023, 11(9), 2180; https://doi.org/10.3390/math11092180
Submission received: 22 March 2023 / Revised: 27 April 2023 / Accepted: 4 May 2023 / Published: 5 May 2023
(This article belongs to the Section C2: Dynamical Systems)

Abstract

This article substantiates the relevance of mathematical methods and models for studying the management of the factorial parameters of regulating the decarbonization of regions of the Russian Federation. We present methods for the mathematical modeling of greenhouse gas emissions and for approximating functions for the study of processes in the thermal power industry and the economy. New models and methods are shown to increase the efficiency of designing electric power systems (EPSs). We establish that diverse companies must interact with institutions of education and science to achieve the main results of the study. This is achieved, firstly, by creating an EPS with a target of a zero-carbon footprint. Mathematical models of greenhouse gas emissions can be used to support this goal. We developed ways to account for carbon oxides and water streams. Stable interactions between systems in the innovation cycles of enterprises are ensured by methods combining a number of properties of the regulation of decarbonization. We describe methods to mathematically model greenhouse gas emissions and to approximate functions in the study of processes in the thermal power industry and economics. New research methods and techniques are proved to increase the efficiency of designing an EPS and can be used to reduce emissions. Digital twins should be modeled according to assessments on ensuring the stability of the balance area, with the goals of developing the EPS. Secondly, we substantiate methods for displaying singular processes of improving the balance of enterprise goals while coordinating the impact on the efficiency of standard and additional management functions. We additionally developed quality parameters for the use of additional functions in the foresight control of decarbonization goals. Thirdly, factorial parameters of additional control and regulation functions are implemented via a special system of technical accounting. This formed a big data database of new environmental quality and quality management indicators in the regulatory structure of industrial enterprises in the EPS. Additional functions of integration, combination, and acceleration of the impact of industrial enterprise quality indicators are organized on a digital platform to predict and plan indicators of integration and combination of these resources using neural networks.

1. Introduction

Mathematical justifications for modeling digital simulators of automation equipment and mechanisms for regulating the stability of engineering systems are becoming more important due to their increasing complexity. The theoretical foundations of this field were laid out by R.A. DeVore, G.G. Lorentz, M. von Golitschek, Y. Makovoz, G. Mastroianni, G.V. Milovanovi, J. von Neumann, and A.H. Taub [1,2,3,4], to name a few. At the turn of the 21st century, the need to ensure the goal of 3-E (energy, environmental, and economic efficiency) for innovative transformations grew. The mathematical modeling methods developed by S.V. Alyukov et al. [5,6,7,8,9,10,11] make it possible to predict the influence of individual factors on the operation of an enterprise as a whole. V. Balakrishnan et al., A. Alabugin, and A. Nikitin showed that new control algorithms with increased accuracy significantly reduce the impact of forecasting errors [12,13,14]. In the economic ecosystems of a number of developing countries, researchers have identified the insufficient decarbonization of industrial territories. This reduces the opportunities for sustainable development, increasing the imbalance in the goals of ensuring 3-E efficiency and innovation. These issues are not being solved because the industrial, urban, and agricultural territories (including households) of a number of developing countries do not meet the requirements on sustainable development: municipalities often use low-tech landfills for industrial and household waste, while available agricultural lands suitable for high-tech production of high-quality organic products constantly decrease.
Structural changes are needed to foster constant interaction between enterprises and institutions of education and science as part of a diversified EPS. This form of economy is effective with the wide-spread and constant use of high-tech “green” energy resources, which is characteristic of technologically developed countries. Without a subsystem of centralized environmental monitoring, it is impossible to ensure the transition of enterprises away from traditional energy resources. Increasing the intensity of integration and the combination of diversified resources using the goal-foresight-controlling mechanism (FCM) in the digital platform of the Center for Coordinating the Interaction of Diversified Enterprises (hereinafter, “the Center”) can provide the high-tech development of enterprises [15]. This led to the concept of developing a set of mathematical methods to approximate step functions which reflect the modeling of the effects of factorial parameters in relation to technical and thermodynamic controllers of the 3-E efficiency of enterprises as part of one or more complexes of an EPS. Thus, in this study, we propose the use of a theoretical model of the methodology of integration-balancing management (MIBM) for the sustainable development of industrial enterprises in an emerging EPS [16,17].
The proposed methodology has improved models and methods for assessing the efficiency and speed of enterprises transitioning away from low-tech levels of the industrial economy, leading to the predominance of “creative destruction” scenarios. Elimination of obsolete technologies, or their minor modernization by factors of volatility, uncertainty, complexity, and ambiguity (VUCA), are commonplace [18]. Regulation based on deviations and the results of operational control reduces the circle of supporters of long-term scenario planning [19]. In conditions of environmental uncertainty and crises, foresight-management methods are needed to predict sustainable high-tech development. We must also take into account risky, complex alternatives aimed at radical technological changes [20]. Thus, methods for visualizing development trends and normative forecasts are becoming more widespread.
The need for continuous correction of the existing indicators of monitoring weak signals has been substantiated. This proposal has been implemented in collaborative networks by screening robust portfolio models to identify promising innovative ideas [21,22,23,24,25,26,27,28]. The composition of external VUCA factors was taken as a foundation. VUCA factors should be accounted for in the design of a successful foresight. The proposals of the aforementioned authors improve control based on cyber-physical systems and computer calculations, using programming tools and artificial intelligence. This will contribute to machine-to-machine substantiation of the variety of options for organizational, economic, and physical impacts and the interaction of subsystems.
These works substantiate the relevance of applying the MIBM organizational approach to ensuring the integration of resources and combining methods of mathematical and thermodynamic modeling of high-tech system development. This allows for an extended set of target characteristics of effective strategic development (the aforementioned VUCA factors) to be implemented [29,30,31]. Thus, the possibilities of digital controlling and foresight methods are expanded, since non-linear processes are taken into account. We applied the integration of big data and data science tools to balance the interests of the strategic development of enterprises and elements of the EPS in agglomerations. The algorithmic scheme will make it possible to carry out research, design, and development in the innovation cycle and implement strategic plans and projects while balancing the goals of the 3-E efficiency of the EPS and the knowledge economy [32,33].
The possibility of combining new and old functions when modeling evolutionary modernization and abrupt high-tech transformations has determined the expanded interaction of enterprises within the ecosystem. This substantiated the goal of this study to analyze mathematical models and assess the possibilities of their thermodynamic and organizational interpretation in terms of 3-E efficiency indicators and the stability criterion. The evolutionary and abrupt transition towards the use of technologies with the possibility of integrating traditional and alternative energy resources must be mathematically modeled. To this end, we developed new methods of organizational design of a digital simulator of a single FCM, combining the capabilities of extended environmental monitoring, controlling, and foresight, and the goals of the strategic development of enterprises in the EPS. In modern conditions, these subsystems function separately in a number of enterprises, without high-tech interaction with the knowledge economy.
The goal of expanding the space for control and regulation of decarbonization determined the need to implement extended monitoring of environmental factors. To achieve this goal, strategic management tools for decarbonization goals must be combined with foresight management of long-term development trends. In addition, decarbonization technologies should be developed in the digital platform of EPS regulatory structures across the applicable region. We substantiate methods for displaying singular processes of improving the balance of enterprise goals while coordinating the impact on the efficiency of standard and additional management functions. Impacts are evaluated using mathematical and thermodynamic models that reflect the processes of regulation of the heat and power equipment of industrial enterprises.
An analysis revealed the possibility of adapting and upgrading general and special mathematical models to improve environmental monitoring and regulation of technologies at enterprises in the EPS. Models for the formation of the FCM in the structure of the Center, to increase the efficiency and sustainability of decarbonization within a region, were also determined. For ecological stability, this regional regulator should offer forecasts to enterprises on 3-E goals on the efficiency of processes and results of decarbonization in the medium and long term. We propose using the previously developed theoretical FCM model and the methods of organizational design, which were improved based on this same model. Factor indicators of the effectiveness of managing the integration of resources and combining technologies of enterprises with the potential of the knowledge economy are developed when combining the capabilities of these subsystems in a single mechanism. The indicators allow the governing structures of a region to correct the imbalance of interests detected in the target recommendations for changes to 3-E efficiency indicators and to improve sustainability.
The methods for achieving the set goal are presented as an algorithmic scheme of an FCM in the Center’s digital platform with the cyclic use of big data information tools, data science mathematical and software tools, and strategic management. The scheme is distinguished by a special evidence base for the analysis and application of mathematical possibilities for modeling evolutionary and abrupt processes of 3-E efficiency regulation. The effects of regulators are described by thermodynamic formulas, which make it possible to evaluate the efficiency and speed of the transition towards a zero-carbon footprint.
These innovations are necessary for a number of reasons. The residents of major cities are exposed to increased atmospheric emissions of carbon dioxide and other more harmful components. To reduce emissions, it is necessary to modernize the systems for automation, control, and forecasting of greenhouse gases and waste for disposal. Industrial production will only increase in the coming years, which will lead to an increase in pollution.
We used big data information tools to integrate distributed data and take into account environmental quality parameters over a long period. The automatic control of environmental quality monitoring and diagnostics of the functional and technical state of the elements of the micro- and macro-network of the EPS are implemented using sensors, the internet of things, and neural networks of artificial intelligence.
We developed a concept of expanding the space for control and regulation of decarbonization processes in an EPS. This task is solved by combining strategic management tools for decarbonization goals with foresight management of long-term trends. We substantiate methods for displaying singular processes of improving the balance of enterprise goals while coordinating the impact on the efficiency of standard and additional management functions. We describe methods for mathematical modeling of greenhouse gas emissions and for approximating functions in the study of the thermal power industry and economies. We established that new research methods and techniques increase the efficiency of designing an EPS and can be used in practice to improve the environment. The processes of the digital twin should be modeled with consideration of assessments on ensuring the stability of the balance area with the goals of developing the EPS and the influence of diversified VUCA factors.

2. Materials and Methods

Due to the shortcomings in the use of existing signal discretization methods, we propose a combination of numerical and analytical methods of mathematical modeling based on new mathematical relationships that account for the non-stationary nature of the processes being studied. In other words, we revealed the necessity of accounting for conjugation conditions and the variety of boundary conditions. The spasmodic nature of a number of processes and the implicit oscillations within the model due to the inertia of data transmission necessitated the use of stepwise display functions.

2.1. New Methods for Approximating Step Processes: Functions by the Nyquist Theorem

The Gibbs effect, seen when approximating functions by trigonometric expressions, also forces us to be critical of the proof of some important theorems, which reduce the accuracy of calculations. In particular, Kotelnikov’s theorem, known in the English literature as the Nyquist theorem, is widely used in the theory of signal transmission. When proving the Nyquist theorem, the so-called integral sine is used to approximate functions, which is defined by the expression
Si ( x ) = 0 x sin t t d t .  
Based on the integral sine, Kotelnikov constructs a function to prove the theorem
Si ( T ( ω + ω 1 ) ) Si ( T ( ω ω 1 ) ) ,  
where ω is an argument and T and ω1 are some parameters. At the same time, he claims that with an increase in T, this function tends to the limits shown in Figure 1a, and is equal to zero for ω > ω1 and π for ω < ω1.
S.V. Alyukov proved that the graph of a limit function will appear as seen in Figure 1b. In other words, for any values of the parameter (even arbitrarily large, but finite values) there will always be ω < ω 1 for which the values of the function constructed by Kotelnikov will differ from π, and there will always be ω > ω1, for which its values will be non-zero. Moreover, it is important to note that the indicated difference with increasing T does not tend to zero, but to approximately 0.281 [6,7,8,9,10,11,12,13,14,15,16,17,18,19,20]. Mathematical tools for approximating functions make it possible to evaluate and more accurately control jump-like processes.
Expanding function (1) in a Fourier series has all the above disadvantages, namely the Gibbs effect and a significant approximation error. To eliminate these disadvantages, we propose approximating the original step function by a sequence of recursive periodic functions
{ f n ( x ) | f n ( x ) = sin ( ( π / 2 ) f n 1 ( x ) ,   f 1 ( x ) = sin x ,   n 1 N ) } C [ π , π ] .
We accept that
{ f n ( x ) } L 2 [ 0 , π / 2 ] ,
{ f 0 ( x ) } L 2 [ 0 , π / 2 ] ,
Since, due to the limited functions f n ( x ) and the relation
sup n N Var 0 π / 2 f n = 1 <
due to the monotonicity of functions f n ( x ) on the interval [0, π/2], we obtain that
sup n N sup x [ 0 ,   π / 2 ] | f n ( x ) | = 1 <
Based on the Helly theorem, in a sequence { f n ( x ) } we can extract a subsequence converging at every point [0, π/2] to some function f, and
V a r 0 π / 2 f lim n _ _ _ V a r 0 π / 2 f n .
Let us show that the original function f 0 ( x ) can act as such a function, f.
Statement 1. 
The sequence of functions  f n ( x ) converges to the original function  f 0 ( x ) , and the convergence is pointwise, but not uniform.
Proof. 
At points x = 0 and x = π / 2
f n ( x ) f 0 ( x ) = 0 ,   n N .  
Therefore, at these points
f n ( x ) n f 0 ( x ) ,  
since
ε > 0   n N   n : n > n   | f n ( x ) f 0 ( x ) | = 0 < ε .  
We can take, for example, n = 1 .
Since
sin x > ( 2 / π ) x ,   x ( 0 ,   π / 2 ) ,  
then the condition
f n ( x ) = sin ( ( π / 2 ) f n 1 ( x ) ) > f n 1 ( x ) > > f 1 ( x ) > 0
is satisfied for any x ( 0 ,   π / 2 ) .
Then, the sequence f n ( x ) ,   x ( 0 ,   π / 2 ) is positive, increasing, and bounded, and therefore has a finite limit, which we denote by
lim n f n ( x ) = A R
We obtain
A = lim n sin ( ( π / 2 ) f n 1 ( x ) ) = sin ( ( π / 2 ) lim n f n 1 ( x ) ) = sin ( ( π / 2 ) A ) ,  
finding that A = 0 or A = 1 .
Since the sequence is positive and increasing, then A = 1 = f 0 ( x ) . Then, in the considered interval
f n ( x ) n f 0 ( x ) .  
Taking into account the previous conclusion on the convergence of the sequence at x = 0 and x = π / 2 , we conclude that
f n ( x ) n f 0 ( x ) ,   x [ 0 ,   π / 2 ] .  
This convergence is only pointwise and not uniform, since the function f 0 ( x ) is not continuous on the segment [ 0 ,   π / 2 ] . □
Statement 2. 
In the space of measurable functions  L 1 [ 0 , π / 2 ] , and in the Hilbert space  L 2 [ 0 , π / 2 ] , the sequence of approximating functions  f n ( x ) converges in the norm to the original function  f 0 ( x ) .
Proof. 
We introduce a sequence of minorants with respect to a sequence f n ( x ) of functions
{ η n ( x )   |   η n ( x ) = ( 2 / π ) arctg ( n π ) ;   n N } C [ 0 , π / 2 ] .  
We can show that
f n ( x ) η n ( x ) ,   n N ,   x [ 0 ,   π / 2 ] .  
The set of discontinuity points of the function f 0 ( x ) is equal to zero. Then, taking into account the non-negative sign and boundedness of the functions f n ( x ) and η n ( x ) , and of the segment under consideration, in space L 1 [ 0 ,   π / 2 ] we obtain
| | f 0 ( x ) f n ( x ) | | = 0 π / 2 ( 1 f n ( x ) ) dx 0 π / 2 ( 1 η n ( x ) ) dx = π 2 arctg π n 2 + 1 π n ln ( 1 + ( π n ) 2 / 4 )
Since
lim n ( π 2 arctg π n 2 + 1 π n ln ( 1 + ( π n ) 2 / 4 ) ) = 0 ,  
then
| | f 0 ( x ) f n ( x ) | | n 0 .  
Similarly, we can prove that the sequence f n ( x ) converges in the norm to a function f 0 ( x ) in the space L 2 [ 0 , π / 2 ] .
Thus, the sequence of approximating functions f n ( x ) in spaces L 1 [ π , π ] and L 2 [ π , π ] is fundamental. In space C [ π , π ] , the sequence f n ( x ) is not fundamental. □

2.2. The Use of New Methods for Approximating Stepwise Processes in the Energy Sector

Analytical methods must be used to provide a greater depth of process analysis, accuracy, and convergence of solutions. In the considered non-stationary processes, we propose the application of step functions. Their traditional areas of application are technical and mathematical disciplines, including the theory of automatic control, the theory of information and signal transmission, equations of mathematical physics, differential equations, and many others. Currently, only the initial steps are being applied to systems with stepped characteristics and functions in thermal power engineering. These systems are referred to as essentially non-linear structures, the solutions of which are difficult to obtain.
Organic Rankine cycles (ORCs), which increase the 3-E efficiency of thermal power plants and industrial plants, can be described with a combination of the above proven mathematical possibilities and thermodynamic dependencies. For example, a group of researchers led by Y. Zhu analyzed the operation of a gas piston unit using thermodynamic and economic methods to introduce the organic Rankine cycle. They identified the most obvious heat losses, which can be used as a heat source for the operation of a heat pump. Other plants produce compressed air. The proposed work combines ORC and the compressed-air generation cycle in a single EPS using an improved thermo-transformer, namely a refrigeration and heating unit operating on the heating water of a thermal power plant.
In addition to the described methods of decarbonization, the same effect is possible in the power industry. For example, another class of parallel mechanism and an electric drive based on switched reluctance motors with electromagnetic speed reduction and an extreme angular position control system, can be combined in a single EPS. Each of these elements solves one of the tasks assigned to it: a parallel mechanism increases rigidity and resistance to wind loads, an electric drive enables operation at low speeds. Extreme control is required; such installations must be installed to achieve the highest possible energy efficiency. For example, when managing collectors, the position is regulated when the negative impact of the environment is minimal. The aforementioned methods of control require the movement of individual parts of the mechanized system to be described. In this case, Alyukov’s method is the most applicable.

2.3. Methods for Substantiating the Composition of the EPS in Terms of Heat and Power Indicators and Efficiency Criteria

To select the thermal power of the source and the power supply system, we use the functional of energy costs from the thermal power of the cooling system
I ( W ) = E ( W ) + γ ( Δ T c ( W ) ) 2 .
The heat balance (24)–(29) for the air conditioning system of an industrial facility, due to the use of thermal energy in an EPS, can be written as
t ( x , τ ) τ = a 2 t ( x , τ ) x 2 ,   0 < x < L ,   τ > 0 ;
where t ( x , τ ) , t ( 0 , τ ) , t ( L , τ ) are the temperatures at coordinate x on the thickness of an external wall, on an internal surface, and on an external surface of an external wall of the building at timepoint τ, respectively; and a is the thermal diffusion.
t ( x , 0 ) = t 0 ( x ) ,   0 x L ;
λ t ( 0 , τ ) x = α i n [ t i n ( τ ) t ( 0 , τ ) ]   τ > 0 ;
where λ is the coefficient of heat conductivity of the material of an external wall; α i n is the thermolysis coefficient for internal and external surfaces of a wall; and t i n ( 0 ) and t i n ( τ ) are the temperatures of internal air at the initial timepoint and timepoint τ, respectively.
λ t ( L , τ ) x = α o u t [ t ( L , τ ) t o u t ( τ ) ]   τ > 0 ;
α o u t is the thermolysis coefficient for the external surfaces of a wall; and t o u t ( τ ) is the temperature of external air at timepoint τ;
c i n m i n d t i n ( τ ) d τ = u ( τ ) α i n F w a l l [ t i n ( τ ) t ( 0 , τ ) ] k w i n F w i n [ t i n ( τ ) t o u t ( τ ) ] ,   τ > 0 ;
where u ( τ ) is the management heating system power at timepoint τ; c i n and m i n are the specific heat and mass of the internal air in the building, respectively; F w a l l   and F w i n   are the areas of the exterior walls of the building and windows, respectively; and   k w i n is the window heat transfer coefficient.
t i n ( 0 ) = t i n 0 ( x ) ,
Functional I consists of two parts—temperature difference and electricity costs:
I = [ t i n ( τ k ) t i n 0 ] 2 + β 0 τ k G [ u ( τ ) ] d τ ,
where τ k is the set period; G is the function estimating the current cost of heating the building; and β is a weight coefficient.
To formulate optimality conditions, we introduce the function (31)
H = ψ 0 ( τ ) u ( τ ) β G [ u ( τ ) ] ,
ψ 0 ( τ ) satisfies the following system of Equations (32) and (33)
c i n m i n d ψ 0 ( τ ) d τ + ( α i n F w a l l + k w i n F w i n ) ψ 0 ( τ ) a α i n λ ψ ( 0 , τ ) = 0 ;
d ψ ( x , τ ) d τ + a 2 ψ ( x , τ ) d x 2 = 0 ;
with initial conditions (34), (35):
c i n m i n ψ 0 ( τ k ) = 2 [ t i n ( τ k ) t i n 0 ] ;
ψ 0 ( x , τ k ) = 0 .
The boundary conditions for the function ψ ( x , τ ) are given as:
a α i n λ ψ ( 0 , τ ) a ψ ( 0 , τ ) x α i n F w a l l ψ 0 ( τ ) = 0 ;
λ ψ ( L , τ ) d x = α o u t ψ ( L , τ ) .

2.4. Methods for Calculating Greenhouse Gas Emissions of an Industrial Facility Due to the Use of Thermal Energy in an EPS

The dependence for the emissivity of carbon dioxide is represented by three functionals
ε C O 2 = F 1 ( l p , θ ) F 2 ( l p , θ ) F 3 ( l p , θ ) ,
where F 1 ,   F 2 ,   and   F 3 are functions derived from experimental data.
F 1 ( l p , θ ) = f 1 ( θ ) + F 4 ( l p , θ ) + F 5 ( l p , θ ) ,
where F 1 , F 4 ,   and   F 5 are functions derived from experimental data.
f 1 ( θ ) = 23.0162 2.0615 θ + 0.0488 θ 2 ,
F 4 ( l p , θ ) = l p ( 598.3856 + 58.3533 θ 1.4723 θ 2 ) ,
F 5 ( l p , θ ) = l p 2 ( 3031.5571 299.1084 θ + 7.6225 θ 2 ) ,
F 2 ( l p , θ ) = l m 1 ,
where power m 1 = 0.97 0.0188 θ ,
F 3 ( l p , θ ) = θ n 1 ,
where power n 1 = 0.0048 + 0.0189 l p .
Similarly to (38)–(44), for water vapor ε H 2 O :
ε H 2 O = F 1 ( l p , θ ) F 2 ( l p , θ ) F 3 ( l p , θ ) ,
where F 1 ,   F 2 ,   and   F 3 are functions derived from experimental data.
F 1 ( l p , θ ) = F 4 ( l p , θ ) F 5 ( l p , θ ) ,
where F 4   and   F 5 are functions derived from experimental data.
F 4 ( l p , θ ) = θ n 2 ,
where power n 2 :
n 2 = 0.28 0.018 θ + 0.44 10 3 θ 2 + l p ( 11.6 0.75 θ + 0.015 θ 2 ) + + l p 2 ( 56 + 3.8 θ 0.08 θ 2 ) ,
F 5 ( l p , θ ) = l p m   2 ,
where power m 2 :
m 2 = 0.21 + 11.66 l p 56.3 l p 2 + θ ( 0.018 + 0.75 l p 3.8 l p 2 ) + + θ 2 ( 0.44 10 3 + 0.0155 l p 0.08 l p 2 ) ,
F 2 ( l p , θ ) = l p a + b θ + c θ 2 ,
where powers a ,   b ,   c :
a = 0.15 + 7.67 l p 26.7 l p 2 ,
b = 0.012 0.31 l p + 0.994 l p 2 ,
c = 10 3 ( 0.27 + 3.5 l p 7.73 l p 2 ) ,
F 3 ( l p , θ ) = θ μ + β l p + γ l p 2 ,
where powers μ ,   β ,   γ :
μ = 10 3 ( 0.853 + 5.985 θ 0.27 θ 2 ) ,
β = 7.67 0.31 θ + 0.0336 θ 2 ,
γ = 26.7 + 0.99 θ 0.0077 θ 2 .
When calculating the total radiation of a mixture of gases, we must account for the mutual overlap of the CO2 and H2O absorption bands. The calculation of the emissivity of CO2 is given as an example, using the parameters lp = 0.04, θ = 1373 K (t = 1100 °C), εCO2 = 0.149, and ECO2 = εCO2·5.67θ4 = 3 × 104 W/m2.

2.5. Methods for Forming the Foresight-Controlling Mechanism for the Decarbonization of Enterprises in the EPS

The proposed MIBM model substantiates a set of methods for modeling complex socio-technical systems in the EPS with a transition to a zero-carbon footprint. These methods make it possible to diagnose the conditions for the inclusion of low- and medium-tech enterprises in the EPS to increase interaction with educational and scientific institutions in a post-industrial agglomeration. This determines the parameters for the synthesis of a single FCM to increase the 3-E efficiency of enterprise development in the system being formed. We understand the mechanism as a complex analog–digital toolkit for the systematic organization of the coordinated actions of enterprises and knowledge economy based on the results of expert communications (at least as part of an EPS). Experts should determine the initial estimates and adjust subsequent ones to follow the ideal vision of the long-term goals of enterprises in the EPS. To this end, organizational design of evolutionary and spasmodic processes of the coordinated development of enterprises was carried out, keeping in mind the goals of decarbonization.
Enterprise managers and the regulatory regional body of the Center for forecasting the target indicators of the vision in the assessments of 3-E efficiency make decisions on adjusting target indicators. Designing is carried out according to the stages of sustainable and planned development and takes into account possible bifurcations of trends of the indicator under the conditions of maximum uncertainty using an analogy with the “just in time” logistics system, the forecasts of ideal indicators, the existing target indicators of the resulting property. Factor indicators of management quality are adjusted based on the results of periodic expert assessments in iterative processes of applying the FCM to improve the 3-E efficiency. Therefore, new monitoring subsystems and mechanisms should be included in the digital platform of the Center. The Center can correct imbalances in the interests of enterprises in an industrialized region. We propose considering the organizational models of cyclical regulation of multivariate processes using the big data and data science tools outlined below.
The stability properties of increasing 3-E efficiency justify our proposed principles for regulating the imbalance of enterprise interests in the FCM mechanism for their coordinated development in an EPS. An expanded list of external (EVUCA) factors is accounted for: variability in environmental quality indicators; uncertainty in indicators; complexity of influencing factors; simultaneous changes to three types of efficiency; ambiguity of effects; and situations where energy efficiency increases while environmental and economic efficiency decreases.
The internal (IVUCA) view of factors as organizational impacts of the Center, characterizing the environment of enterprises and elements of micro- and macro-networks in the EPS, include: a shared vision among the staff on the future state of the EPS, to counteract instability in assessing the availability of 3-E efficiency targets, keeping decarbonization in mind; personnel’s understanding of the goals of joint development in the EPS; operational adjustment of strategic development trends in response to a clearly established discrepancy between actual and target indicators of 3-E efficiency as an imbalance of enterprise interests with the sustainable development and the speed of decarbonization; the speed and flexibility of management decisions to counteract the ambiguity of results based on the continuous study of the possibilities of innovative development.
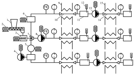
Methods for combining and integrating the resources of microgrid objects, macrogrids, and industrial production technologies lead to more complex processes and require the use of more complex data science tools. This in turn requires the use of more sophisticated data processing tools. Figure 2 shows the scheme of a typical EPS in an industrial region in terms of the interaction among institutions using diversified energy sources.
The model of the foresight-controlling mechanism for the facilities of the EPS is similar. Therefore, we understand the mechanism as a complex analog–digital toolkit for the systematic organization of the processes of coordinated actions of enterprises and the knowledge economy based on the results of expert communications (at least as part of the EPS). Experts determine the initial and corrected subsequent estimates of the ideal long-term goals for the energy system of the region at different stages of an enterprise’s innovation cycle. The mechanism makes it possible to implement the evolutionary and spasmodic processes of regulating 3-E efficiency of enterprises in the EPS based on the results of the joint actions of experts. Enterprise managers and the regulatory regional body of the Center, for forecasting the target indicators of the vision in the assessments of 3-E efficiency, make decisions on adjusting target indicators. The design is carried out according to the stages of sustainable and planned development and takes into account possible bifurcations of trends of the indicator under the conditions of maximum uncertainty.
Figure 2 shows the main elements of an EPS that uses gas piston units, waste heat boilers, solar photo panels, refrigeration equipment, and heat pumps. The greenhouse gas emissions of the equipment and thermal energy were calculated according to (23)–(58).
Figure 3 shows a diagram of interactions between EPS enterprises based on the FCM in the regulatory structure of the regional coordination center.
Figure 3 shows the interaction of the elements of the EPS. Energy flows were calculated using mathematical methods according to Formulas (1)–(22).
To achieve investment results to implement high-tech development projects, it is necessary to use existing software products that ensure their variability. Regression analysis and the considered mathematical models expand the possibilities of multivariate and multicriteria approaches on digital platforms, without primary filtering of the source data.

3. Practical Use of New Methods of Thermodynamic Calculations in the Design of Power Supply Sources

Elements of an IoT subsystem are needed to organize the interaction of facilities in the electric power system. These include autonomous sensors with self-diagnostic functions connected to a system of automatic regulators of technical parameters based on the results of monitoring environmental quality indicators. We investigate the modeling of processes and systems of a zero-carbon EPS in terms of energy and environmental sustainability of heat and cold supply processes. The proposed models use controlled cooling models and organizational models which account for the air temperature in the cooled device and the temperature of the cases. They also utilize advanced environmental monitoring and control capabilities to continuously assess energy savings and the carbon footprint. Using past experience and calculations, the energy consumption and cost savings associated with decarbonization can be quantified. In addition, the proposed models take into account factors such as power requirements and technological advances. These big data and data science tools can identify and evaluate possible trends and options for improving 3-E efficiency in energy use, costs, and carbon emissions. Applying this level of monitoring in innovative decarbonization cycles allows for the best strategies for reducing energy and carbon emissions to be identified and implemented.
The proposed EPS models have the potential to significantly reduce Jaro’s energy consumption and carbon emissions. According to the experience of technologically advanced countries, energy savings associated with the decarbonization of the energy sector can range from 2% to 5% in the short term to 50–75% in the long term. For example, replacing electric lighting with LED lighting can lead to energy savings of up to 50–60%. Similarly, implementing energy management systems (EMS) can lead to 10–20% energy savings. The quantitative analysis of the proposed models also showed that the introduction of energy efficiency measures alongside renewable energy sources can lead to emission reductions of 70–100%. In addition, modeling the processes and systems of a zero-carbon EPS can lead to cost savings of up to 15–25%. It can also lead to a local reduction in air pollution of up to 40–60%. Finally, the implementation of the proposed models can lead to an increase in jobs in the domestic energy sector, with a potential employment growth of up to 20–30%.
Figure 4 shows a diagram of the use of coal–water fuel as an energy source in an EPS. The designations of the objects of the EPS using coal–water technologies are introduced. The technologies reduce the environmental impact of greenhouse gases. The proposed scheme can reduce the carbon footprint of EPS enterprises and increase the 3-E efficiency of energy production and consumption processes by integrating industrial and domestic energy installations in one ecosystem. Organizing a single mechanism of the FCM increases the speed of the effective and sustainable development of enterprises when it is included in the digital platform of the center for regional coordination.
For the technical implementation of decarbonization, it is necessary to develop a scheme of automatic control regulators according to the process stability parameter. An ecosystem can be created using the capabilities of sensors such as autonomous wireless sensors with self-diagnostic capabilities in the industrial IoT. This corresponds to the goals of the green transition based on monitoring of environmental quality parameters. To increase the speed and reliability of regulatory processes, it is necessary to add tools for intellectual and analytical management based on neural networks of artificial intelligence. This also provides a variety of options for management decisions to improve the quality of forecasting and planning the development of EPS facilities. This is ensured by the regulation of technical parameters based on the results of automatic remote evaluation of the dynamics of environmental quality indicators in decarbonization processes. These include an increased area of the rhizosphere, an increased volume of emissions of greenhouse gases in a territory, the burning of pumped out volumes of biogas from landfills, and other indicators.
The results of regulation were evaluated by the criterion of minimizing the deviations of the actual parameters of environmental quality and efficiency from the standards of their ideal or target level of forecasts/plans. This made it possible to carry out a systematic analysis of the insufficient efficiency and sustainability of processes in a post-industrial ecosystem.
The speed of transportation is selected based on technical and economic considerations, the minimum energy consumption for the movement of solid material, and the minimum wear of pipelines. In particular, A.E. Smoldyrev recommends the following transport rates for coal–water suspensions [34] (Table 1).
The proposed integrated forecasting and control system will increase the speed and efficiency of meeting the post-industrial demand for reclamation of existing landfills and conversion into high-tech carbon landfills. In this regard, it is vital to create an effective regulatory framework to guarantee the security and sustainability of energy supply processes, including the environmental, economic, and social (3-E) elements of energy consumption.
Modernization options, formulas, algorithms and calculation results are of great relevance to the sustainability of the EPS with a zero-carbon footprint. They can help to model and optimize complex processes and systems and identify the most efficient energy sources and technologies and the most cost-effective operation and management strategies. Ultimately, this can lead to lower energy fuel costs, reduced environmental pollution, and increased sustainability of the complex of energy technologies.
Figure 5 shows a diagram of the use of heat, including from water–coal fuel and a gas piston plant, using traditional energy resources.
Figure 5 shows the most promising scheme for using a gas piston installation based on the results of calculations using Formulas (23)–(58).
Integrating all available energy sources into the regional macrogrid ecosystem allows for greater energy efficiency. Turning sources on increases the accuracy of control systems, allowing for more efficient management of heating, cooling, and the power supply. Using a control scheme and balance integration methods increases 3-E efficiency under the conditions of advanced control of parameters and environmental factors.
It should be noted that a computer simulation was also carried out in a special program, in which the boundary and initial conditions were taken as those during the combustion of coal dust in the furnace of the E-160 boiler unit, Figure 6. Analysis of the computer simulation data showed a discrepancy of 3–4% with the calculated data and 5–6% with the experimental data.
Since we approximated the generalized functions by analytic functions, we can differentiate these approximating functions and find their derivatives of any order. The main functions of the parameters for k-omega computer simulation of the quality and speed of decarbonization processes can be approximated by a principally new method. The resulting approximations more accurately describe the original function. The suggestions for improving the mathematical apparatus of the standard k-omega model will help researchers to develop the theory of approximation by the recursive functions with an effect-corrected coefficient estimate of 0.281, determined by S.V. Alyukov. This coefficient solves one of the important problems in achieving more accurate modeling, by reducing calculation time and improving suitability of the constructed model for similar installations and devices.
We determined that, with the help of new methods of approximation and analysis of deviations of the air flow rate in the channel, it is possible to obtain more accurate results of experimental and numerical studies (Figure 7). Figure 7 is a 3D distribution of deviations in the calculation of velocity of slurry movement through innovative pipelines. Deviations in the calculation of velocity may be explained by the fact that measurement results are affected by a large number of sources of small random errors. The whole set of measurements has a symmetric bell-shaped Gauss function as a limit distribution. The distribution center, which coincides with its maximum, is the true measured value. We use S.V. Alyukov’s method of approximation, which is considered for the first time in relation to numerical methods and experimental data for automatic control applied to foresight controlling of 3-E efficiency and speed of reclamation of decarbonization (see Figure 7).
When using these new approximation methods, only small relative errors occur when transmitting experimental data. The obtained modeling results in ANSYS show a good fit to the theoretical and experimental data. The differences are insignificant, since errors in experimental measurements were leveled by using modern tools certified by the European Union. The error in the mathematical modeling was reduced by using empirical data obtained by processing signals from analogous equipment and subsequent sampling, according to the technology developed by us in previous studies. This can be seen, for example, in the decarbonization velocity (Table 2). Table 2 shows some indicators of improving decarbonization processes according to the increase in the 3-E efficiency criterion for facilities of the EPS.
The indicators were achieved by combining automatic control according to the scheme in Figure 7, the technology of a standard trigeneration plant (Figure 5), and by strengthening the relationship between an industrial enterprise and a consumer (Figure 4). In addition, resources are implemented through the integration of the relevant energy facilities in the EPS and are shown in Figure 2. The organizational conditions for combining and integrating diversified resources are shown in Figure 3. They are implemented in the algorithmic scheme of interaction between enterprises as part of the foresight-controlling mechanism.
The maximum differences are obtained between the experimental data and computer modeling data when our developments are not used. The maximum coincidence is seen between the average values according to the modeling results, taking into account the sampled signals and the experiment (Figure 8).

4. Discussion

Sen and Lalu studied holacratic flexible (agile) methods for creating self-managing structures [35,36,37]. In comparison with Adizes, Sen and Lalu quite unambiguously determine the types of such structures—they are spiral dynamics models [37]. However, the quality of control in terms of heat engineering in such structures greatly narrows the applicability of the methods in the formation of an EPS. Real forecasts for the development of intellectual resources in heat engineering are provided by Frumin [38]. The growth in high-tech engineering services in the innovation ecosystem is in line with the mentioned 3-E concept. The transition of small enterprises of the energy complex to educational and scientific systems 4.0 is growing, along with universities distinguished by high academic achievements and the use of new educational methods using big data. Currently, the use of training digital twins in virtual or real cognitive methods that adhere to data science is recognized for solving practical problems of the post-industrial economy and energy. In the post-industrial digital economy, it is necessary to use open educational platforms. When studying the quality of the results, Azizi et al. took into account the necessary organizational tools for the development of complex logistics systems [39]. Hoegl and Schulze studied the initial stage of the genesis of the innovation cycle [40]. Liu et al. revealed the importance of prognostic methods [41]. The modeling of adaptive systems was supplemented by Lafond [42] and McCarthy et al. [43]. Kirsch proposed a solution of complex control problems, including those applicable in the energy sector [44]. Puschke et al. presented scientific approaches to dynamic optimization of processes [45]. Promising methods for analytical modeling are presented in [46,47]. An overview of these papers is included in this section so that readers can become acquainted with the further development of this area of research.
Technical regulators and process automation tools should have the properties of foresight controlling of 3-E efficiency goals. To do this, they must have the following elements and properties:
  • Information devices and sensors for collecting a database on the factors of the internal environment of the enterprise in the EPS and the external environment in the agglomeration. The sensors should have self-diagnostic wireless capabilities with IoT actuators using big data tools. The proposed improvements reduce greenhouse gas emissions from thermal power facilities thanks to the introduction of an EPS operating on algorithms that take into account the dynamics of the formation of carbon dioxide and water vapor.
  • Adjustability of direct and feedback links for integration with data analysis devices in machine intelligence tools using a neural network. A neural network trained on specified criteria for minimizing imbalances in efficiency and sustainability goals of enterprise development in the EPS when using a big data database, similar to those in Table 2. Neural network algorithms, of course, reduce greenhouse gas emissions and improve the efficiency of an EPS in general.
  • Figure 9 shows the algorithm of interaction between individual elements of the EPS. We have compiled a mathematical model for this algorithm. Automation of thermal processes is another important component in the EPS which significantly affects efficiency.
Analysis of the motion of water–coal suspension flows in Figure 8 can be described by the following mathematical model. According to the perturbation method, velocity can be represented as the sum of the stationary and perturbed components:
V = V 1 + V 2 ( x , y , t ) .  
Let us introduce the dimensionless stream function:
F = δ φ ( y ) exp [ i α ( x c t ) ] .
Then, the perturbations of the velocity and the interface are expressed as:
V 2 = δ φ ( y ) exp [ i α ( x c t ) ] ,
R = δ exp [ i α ( x c t ) ] ,
α = 2 π λ ,  
where c is a parameter and λ is the wavelength.
Substituting the relations into the Navier–Stokes equation, we obtain
φ ( I V ) 2 d 2 φ ( I I ) + α 4 φ = i α v = 1 [ ( V 1 c ) ( φ ( I I ) α 2 φ ) V 1 ( I I ) φ ] .
In this case, the boundary conditions are expressed as
φ ( h ) = 0 ;   φ ( 0 ) = V 1 ( 0 ) c .
We use the Orr–Sommerfeld equation and the corresponding boundary conditions
ψ ( V I ) 2 ( α 0 ) ψ ( I I ) + ( α 0 ) ψ = i α 0 Re { ( V 1 c ) [ ψ ( I I ) ( α 0 ) 2 ψ ] ( V 1 ) ( I I ) ψ } ,
y = 0 ;   ψ = V 1 c ;  
ψ ( I I I ) + ψ ( I ) [ 3 ( α 0 ) 2 + i α 0 Re ( c V 1 ) ] + ψ i α 0 Re ( V 1 ) = = i α 0 [ Re Π 1 G ( α 0 ) 2 T ] α 0 Im Π 1 ;
ψ ( I I I ) + ψ ( I ) ( α 0 ) N + ( α 0 ) 2 ψ = i ( α 0 M Im Σ ) + ( 2 V 1 y 2 ξ 2 V 1 y 2 ) Re Σ ;  
y = 1 ;   ψ = ψ ( I ) = 0 ;  
ψ = V V * ,  
where ψ is the dimensionless stream function, V * is maximum speed,
α 0 = α h 0 ;   G = g   cos Θ ( ρ ρ ) h 0 2 β v V * ,  
Π 1 = Π h 0 ρ v V * ,  
where Π 1 is the dimensionless parameter of the normal direction; ρ″ is the density of the gas, (kg/m3); g is the gravitational acceleration, (m/s2); ν is the coefficient of kinematic viscosity of the coolant in the liquid state, (m2/s); and β is the coefficient of volumetric expansion, (K−1), selected from the reference book;
T = σ ρ v V * ,  
where σ is the coefficient of surface tension,
N = k + ε μ h 0 ,  
where N is the surface viscosity parameter; and k and ε are coefficients,
M = ρ h 0 μ V * ,  
where M is the parameter of the inhomogeneity of the surface,
Σ = ε h 0 μ V * ,
where Σ is the dimensionless shear stress parameter and ξ is the dimensionless parameter of dynamic viscosity;
ξ = μ μ ,
where μ and μ are the dynamic viscosities of the liquid and gas.
The dependencies obtained by Benjamin in Craik’s modification can be written as:
Π = α Re   c f [ I 3 S + i ( 2 c f S ) ] ;
Σ = 2 β I c f 3 exp ( i π 3 ) α 3 ( α   Re ) 4 3 ;  
S = 0.644 Δ I ;   Δ = ( l c f ) ( μ μ ) 2 3 ( α   Re ) α 2 ;  
I = 0 ( V V ) exp ( α y ) d ( α y ) ;  
2 β 3 = 1.372 ( v v ) 2 3 ( ρ ρ ) 1 3 ;  
c f = μ V ρ V h 0 ,  
where c f is the coefficient of friction and V is the gas flow velocity on the film surface.
We represent the function as an expansion in a small parameter
ψ = ψ 0 + α 0 ψ 1 + ( α 0 ) 2 ψ 2 + ,  
and the parameter c appears as
c = c 0 + α 0 c 1 + ( α 0 ) 2 c 2 + .  
The boundary of film flow stability is determined by the relation c 1 = 0 , where
c = V 0 + ψ 0 ( 0 ) α 0 ψ 1 ( 0 ) ( α 0 ) 2 ψ 2 ( 0 ) .

5. Conclusions

We substantiated the concept of expanding the control and regulation of decarbonization processes in an EPS. This determined the purpose of the development of methods, including extended monitoring of environmental factors. The set problem was solved by combining strategic controlling tools for decarbonization goals with foresight management of long-term trends to develop the use of decarbonization technologies in a formed digital platform of EPS regulatory structures across a region.
We substantiate methods for displaying singular processes of improving the balance of enterprise goals while coordinating the impact on the efficiency of standard and additional management functions.
We noted the undoubted relevance of using mathematical methods and models for studying the regulation of factorial parameters of the processes of decarbonization of a region and reducing environmental pollution. We described methods for mathematical modeling of greenhouse gas emissions and for approximating functions in the study of processes in the thermal power industry and the economy. The established new research methods and techniques increase the efficiency of designing an EPS and can be used to improve the environment.
We developed a methodology in accordance with the algorithmic scheme of the foresight-controlling mechanism for the efficiency and speed of decarbonization. Digital twins should be modeled with consideration of assessments on ensuring a balance between the goals of developing the EPS and the influence of diversified VUCA factors.
The simulation results can be interpreted in accordance with the distribution of target performance indicators by levels of the Harrington scale (Table 2). We proposed and used mathematical constructions and models to assess their growth when using the controlling and foresight-management subsystems.

Author Contributions

Conceptualization, A.A. and K.O.; methodology, S.A. and K.O.; validation, Z.A.; formal analysis, A.A.; investigation, S.A. and K.O.; resources, S.A. and A.A.; data collection, Z.A. and Y.B.; writing (original draft preparation), A.A., K.O. and S.A.; writing (review and editing), A.A.; visualization, Z.A.; supervision, K.O.; project administration, A.A.; funding acquisition, Z.A. and Y.B. All of the authors contributed significantly to completing this review, conceiving and designing the review, and writing and improving the paper. All authors have read and agreed to the published version of the manuscript.

Funding

The study was supported by the Russian Science Foundation grant No. 22-19-20011, https://rscf.ru/en/project/22-19-20011/. This work was supported by a grant of the Russian Science Foundation No. 23-29-10042, https://rscf.ru/project/23-29-10042/.

Institutional Review Board Statement

Not applicable.

Informed Consent Statement

Not applicable.

Data Availability Statement

There are no data applicable in this study.

Acknowledgments

The authors thank South Ural State University (SUSU) for its support.

Conflicts of Interest

The authors declare no conflict of interest.

Nomenclature

t ( x , τ ) , t ( 0 , τ ) , t ( L , τ ) Temperatures at a point with coordinate x on thickness of an external wall, on an internal surface, and on an external surface of an external wall of the building, respectively, at timepoint τ;
λ coefficient of heat conductivity of the material of an external wall;
α i n , α o u t thermolysis coefficients for the internal and external surfaces of a wall, respectively;
t i n ( 0 ) , t i n ( τ ) temperature of internal air at initial timepoint and timepoint τ, respectively;
t o u t ( τ ) temperature of external air at timepoint τ;
u ( τ ) management heating system power at timepoint τ;
c i n , m i n the specific heat and mass of internal air in a building, respectively;
a thermal diffusion;
F w a l l , F w i n the areas of the exterior walls of the building and windows, respectively;
k w i n window heat transfer coefficient.
τ k the set period;
G function estimating the current expense of heating the building;
β weight coefficient.
g gravitational acceleration, (m/s2);
ν coefficient of kinematic viscosity of the coolant in the liquid state, (m2/s);
β coefficient of volumetric expansion, (K−1), selected from the reference book;
F1, F2, F3, f1, F4, F5functions derived by the authors from experimental data;
ca parameter;
λ wavelength, (m);
ψ dimensionless stream function;
V * maximum speed, (m/s);
Π 1 dimensionless parameter of the normal direction;
Ρ″density of the gas, (kg/m3);
σ coefficient of surface tension, (N/m);
N parameter of surface viscosity;
k and ε coefficients;
M parameter of inhomogeneity of the surface;
Σ dimensionless shear stress parameter;
ξ dimensionless dynamic viscosity parameter;
μ and μ dynamic viscosities of liquid and gas, (Pa·s), respectively;
c f coefficient of friction;
V gas flow velocity on the film surface, (m/s).
Acronyms and abbreviations
EPS Electric power system
3-E concept Economy, efficiency, and effectiveness,
MIBM Methodology of integration-balancing management
FCM Foresight-controlling mechanism
VUCA factors Volatility, uncertainty, complexity, and ambiguity
ORC Organic Rankine cycle

References

  1. DeVore, R.A.; Lorentz, G.G. Constructive Approximation; Springer: Berlin/Heidelberg, Germany, 1993. [Google Scholar]
  2. Lorentz, G.G.; von Golitschek, M.; Makovoz, Y. Constructive Approximation: Advanced Problems; Springer: Berlin/Heidelberg, Germany, 1996. [Google Scholar]
  3. Mastroianni, G.; Milovanovi, G.V. Interpolation Processes. Basic Theory and Applications; Springer: Berlin/Heidelberg, Germany, 2008. [Google Scholar]
  4. Von Neumann, J.; Taub, A.H. (Eds.) Theory of Games, Astrophysics, Hydrodynamics and Meteorology. In Method in the Physical Sciences; Collected Works Volume VI; Pergamon Press: Oxford, UK, 1961. [Google Scholar]
  5. Alyukov, S.V. Approximation of step functions in problems of mathematical modeling. Math. Model. J. Russ. Acad. Sci. 2011, 23, 75–88. [Google Scholar] [CrossRef]
  6. Alyukov, S.V. Relay type freewheel mechanisms. Heavy Mech. Eng. 2010, 12, 34–37. [Google Scholar]
  7. Dubrovskaya, O.A.; Dubrovsky, S.A.; Dubrovsky, A.F.; Alyukov, S.V. On the analytical representation of the elastic-dissipative characteristics of the car suspension. Bull. Sib. State Automob. Acad. 2010, 16, 23–26. [Google Scholar]
  8. Alyukov, S.V. Approximation of generalized functions and their derivatives. Questions of atomic science and technology. Ser. Math. Model Phys. Process. 2013, 2, 57–62. [Google Scholar]
  9. Osintsev, K.V.; Alyukov, S.V. Mathematical modeling of discontinuous gas-dynamic flows using a new approximation method. materials science. Energy 2020, 26, 41–55. [Google Scholar]
  10. Alyukov, S.V. Dynamics of Inertial Continuously Variable Automatic Transmissions; INFRA-M: Moscow, Russia, 2020; p. 251. [Google Scholar]
  11. Balakrishnan, V. Generalized Functions. In Mathematical Physics; Springer: Cham, Switzerland, 2020; pp. 29–41. [Google Scholar]
  12. Alabugin, A.; Aliukov, S.; Khudyakova, T. Models and Methods of Formation of the Foresight-Controlling Mechanism. Sustainability 2022, 14, 9899. [Google Scholar] [CrossRef]
  13. Nikitin, A.V.; Shishlakov, V.F. Parametric Synthesis of Nonlinear Automatic Control Systems; SPb, SPbGUAP: St Petersburg, Russia, 2003; p. 358. [Google Scholar]
  14. Alabugin, A.A.; Aliukov, S.V.; Osintsev, K.V. Approximation Methods for Analysis and Formation of Mechanisms for Regulating Heat and Mass Transfer Processes in Heat Equipment Systems. Int. J. Heat Technol. 2020, 38, 45–58. [Google Scholar] [CrossRef]
  15. Alabugin, A.A.; Aliukov, S.V.; Osintsev, K.V. Combined Approach to Analysis and Regulation of Thermodynamic Processes in the Energy Technology Complex. Processes 2021, 9, 204. [Google Scholar] [CrossRef]
  16. Alabugin, A.; Aliukov, S. Modeling Regulation of Economic Sustainability in Energy Systems with Diversified Resources. Sci 2021, 3, 15. [Google Scholar] [CrossRef]
  17. Mainzer, K.; European Academy of Sciences and Arts. Technical University of Munich Technology Foresight and Sustainable Innovation Development in the Complex Dynamical Systems View. Φорсайm 2020, 14, 10–19. [Google Scholar] [CrossRef]
  18. Adegbile, A.; Sarpong, D.B. Scenario planning management through concept consumption. Forsyth 2015, 9, 73–80. [Google Scholar]
  19. Ahamer, G. Application of global databases in Foresight studies of energy and land use: GCDB method. Foresight STI Gov. 2018, 12, 46–61. [Google Scholar] [CrossRef]
  20. Bassey, M. Conceptual foundations of Foresight studies and their effects: Classification and practical application. Foresight STI Gov. 2013, 7, 64–73. [Google Scholar]
  21. Brummer, W.; Connola, T.; Salo, A. Diversity in Foresight Research: The Practice of Selecting Innovative Ideas. Foresight STI Gov. 2010, 4, 56–68. [Google Scholar]
  22. Götz, M.; Jankowska, B. Industry 4.0 as a factor in the competitiveness of companies in a post-transition economy. Foresight STI Gov. 2020, 14, 61–78. [Google Scholar] [CrossRef]
  23. Johnston, R. Future-Oriented Technology Analysis: The Cassandra Problem. Foresight STI Gov. 2011, 5, 58–64. [Google Scholar]
  24. Kalof, D.L.; Richards, G.; Smith, D. Foresight, Competitive Intelligence and Business Intelligence–Tools for Improving the Efficiency of Industry Programs. Foresight STI Gov. 2015, 9, 68–81. [Google Scholar]
  25. Siudass, N.; Kalof, D.L. The latest practices of information support for competitiveness strategies. Foresight STI Gov. 2020, 14, 30–39. [Google Scholar] [CrossRef]
  26. Magruk, A. Uncertainty, knowledge and future options in Foresight research (on the example of Industry 4.0). Foresight STI Gov. 2020, 14, 20–33. [Google Scholar] [CrossRef]
  27. Mainzer, K. Technological Foresight and balanced innovative development from the point of view of complex dynamic systems. Foresight 2020, 14, 10–19. [Google Scholar] [CrossRef]
  28. Meissner, D.; Cervantes, M. Successful Foresight: Design, preparation, tools. Foresight STI Gov. 2010, 4, 74–81. [Google Scholar]
  29. Karayiannis, E.; Grigoroudis, E. The Four-Level Helix of Innovation and “Smart Specialization”: Knowledge Production and National Competitiveness. Foresight STI Gov. 2016, 10, 31–42. [Google Scholar] [CrossRef]
  30. Perez-Viko, E.; Schwaag-Serger, S.; Wise, E.; Benner, M. Knowledge triangle configurations at three Swedish universities. Foresight STI Gov. 2017, 11, 68–82. [Google Scholar] [CrossRef]
  31. Cervantes, M. Institutes of Higher Education in the “Knowledge Triangle”. Foresight STI Gov. 2017, 11, 27–42. [Google Scholar] [CrossRef]
  32. Unger, M.; Polt, W. “Knowledge Triangle” between the fields of science, education and innovation: A conceptual discussion. Foresight STI Gov. 2017, 11, 10–26. [Google Scholar] [CrossRef]
  33. Alabugin, A.; Aliukov, S.; Khudyakova, T. Review of Models for and Socioeconomic Approaches to the Formation of Foresight Control Mechanisms: A Genesis. Sustainability 2022, 14, 11932. [Google Scholar] [CrossRef]
  34. Osintsev, K.; Aliukov, S.; Alabugin, A. A Review of Methods, and Analytical and Experimental Studies on the Use of Coal–Water Suspensions. Mathematics 2022, 10, 3915. [Google Scholar] [CrossRef]
  35. Adizes, I.K. Integration: Survive and become Stronger in Times of Crisis; Alpina Publisher: Moscow, Russia, 2009. [Google Scholar]
  36. Sen, A. Development as Freedom; New Publishing: Moscow, Russia, 2004. [Google Scholar]
  37. Lalu, F. Discovering the Future Organizations; Mann, Ivanov and Ferber: Moscow, Russia, 2016. [Google Scholar]
  38. Frumin, I. Human Capital 2.0. New Tasks of Education [Electronic Resource]. Available online: https://www.youtube.com/watch?v=e6K5sPkee8I (accessed on 26 November 2018).
  39. Azizi, R.R.; Azizi, M.; Moradi-Moghadam, M.; Maleki, V. The impact of knowledge management practices on supply chain quality management and competitive advantages. Cruz-Machado. Manag. Prod. Eng. Rev. 2016, 1, 4–12. [Google Scholar]
  40. Hoegl, M.; Schulze, A. How to Support Knowledge Creation in New Product Development: An Investigation of Knowledge Management Methods. Eur. Manag. J. 2005, 23, 263–273. [Google Scholar] [CrossRef]
  41. Liu, P.L.; Chen, W.C.; Tsai, C.H. This is a study of Taiwan’s industries. Technovation 2005, 6, 637–644. [Google Scholar] [CrossRef]
  42. Lafond, F. Self-organization of knowledge economies. J. Econ. Dyn. Control 2015, 52, 150–165. [Google Scholar] [CrossRef]
  43. McCarthy, I.P.; Tsinopoulos, C.; Allen, P.; Rose-Anderssen, C. Adaptive system of decisions. J. Prod. Innov. Manag. 2006, 5, 437–456. [Google Scholar] [CrossRef]
  44. Kirsch, L.J. The Management of Complex Tasks in Organizations: Controlling the Systems Development Process. Organ. Sci. 1996, 1, 1–21. [Google Scholar] [CrossRef]
  45. Puschke, J.; Zubov, A.; Kosek, J.; Mitsos, A. Multi-model approach based on semi-batch processes with parametric uncertainties. Comput. Chem. Eng. 2017, 98, 161–179. [Google Scholar] [CrossRef]
  46. Kim, Y. The effect of process management on different types of innovations: An analytical modeling approach. Eur. J. Oper. Res. 2017, 262, 771–779. [Google Scholar] [CrossRef]
  47. Velikanov, N.L.; Koryagin, S.I.; Sharkov, O.V. Stresses in Circular Plates with Rigid Elements. J. Phys. Conf. Series. 2018, 1015, 052028. [Google Scholar] [CrossRef]
Figure 1. Graphs of the limit function in Kotelnikov’s theorem (a) and refinements by S.V. Alyukov (b). (Source: the authors).
Figure 1. Graphs of the limit function in Kotelnikov’s theorem (a) and refinements by S.V. Alyukov (b). (Source: the authors).
Mathematics 11 02180 g001
Figure 2. Scheme of interaction between enterprises and energy facilities in an EPS. (Source: the authors).
Figure 2. Scheme of interaction between enterprises and energy facilities in an EPS. (Source: the authors).
Mathematics 11 02180 g002
Figure 3. Algorithmic scheme of interactions between enterprises in the foresight controlling of the goals of decarbonization. (Source: the authors).
Figure 3. Algorithmic scheme of interactions between enterprises in the foresight controlling of the goals of decarbonization. (Source: the authors).
Mathematics 11 02180 g003
Figure 4. A diagram of the relationship between an industrial enterprise and an energy consumer: 1—a bunker and feeder for coal or a water–coal mixture; 2—feeder electric drive; 3—water–coal fuel mixer; 4—dosing pump for additives; 5—wet coal-grinding mill with reduced power consumption; 6—cavitator; 7—three-way valve; 8—slurry pump; 9—cooler; 10—the first experimental site; 11—intermediate tank of the finished product; 12—viscometer; 13—second lift pump; 14—second experimental area; 15—heat pump. (Source: the authors).
Figure 4. A diagram of the relationship between an industrial enterprise and an energy consumer: 1—a bunker and feeder for coal or a water–coal mixture; 2—feeder electric drive; 3—water–coal fuel mixer; 4—dosing pump for additives; 5—wet coal-grinding mill with reduced power consumption; 6—cavitator; 7—three-way valve; 8—slurry pump; 9—cooler; 10—the first experimental site; 11—intermediate tank of the finished product; 12—viscometer; 13—second lift pump; 14—second experimental area; 15—heat pump. (Source: the authors).
Mathematics 11 02180 g004
Figure 5. Scheme of a standard trigeneration plant: 1—gas piston unit; 2—waste heat boiler; 3—first stage of the installation; 4—second stage of the installation. (Source: the authors).
Figure 5. Scheme of a standard trigeneration plant: 1—gas piston unit; 2—waste heat boiler; 3—first stage of the installation; 4—second stage of the installation. (Source: the authors).
Mathematics 11 02180 g005
Figure 6. The results of the computer simulation (Source: the authors).
Figure 6. The results of the computer simulation (Source: the authors).
Mathematics 11 02180 g006
Figure 7. Results of a new method for regulating the quality, efficiency, and speed of decarbonization (Source: the authors).
Figure 7. Results of a new method for regulating the quality, efficiency, and speed of decarbonization (Source: the authors).
Mathematics 11 02180 g007
Figure 8. Calculation errors during mathematical modeling of the experimental data. (Source: the authors).
Figure 8. Calculation errors during mathematical modeling of the experimental data. (Source: the authors).
Mathematics 11 02180 g008
Figure 9. The scheme of automatic control regulators in the mechanism for foresight controlling the 3-E efficiency and speed of reclamation processes. (Source: the authors).
Figure 9. The scheme of automatic control regulators in the mechanism for foresight controlling the 3-E efficiency and speed of reclamation processes. (Source: the authors).
Mathematics 11 02180 g009
Table 1. Transportation speeds of water–coal suspensions [34].
Table 1. Transportation speeds of water–coal suspensions [34].
Pipeline diameter, D (m)0.100.150.200.250.30
Speed, V (m/s)0.700.851.01.21.4
Table 2. Interpretation of enterprise development efficiency levels using a single foresight-controlling mechanism. (Source: the authors).
Table 2. Interpretation of enterprise development efficiency levels using a single foresight-controlling mechanism. (Source: the authors).
Performance Levels on the Harrington Scale,
Fractions of a Unit
Types of EfficiencyIncrease in Indicators of Environmental Quality and 3-E Efficiency When Using the Mechanism, %
0.0Absent0
0…0.20Very low0–15
0.21…0.37Low16–30
0.38…0.63Medium31–55
0.64…0.80High56–80
0.81…1.00Very high81–100
Disclaimer/Publisher’s Note: The statements, opinions and data contained in all publications are solely those of the individual author(s) and contributor(s) and not of MDPI and/or the editor(s). MDPI and/or the editor(s) disclaim responsibility for any injury to people or property resulting from any ideas, methods, instructions or products referred to in the content.

Share and Cite

MDPI and ACS Style

Alabugin, A.; Osintsev, K.; Aliukov, S.; Almetova, Z.; Bolkov, Y. Mathematical Foundations for Modeling a Zero-Carbon Electric Power System in Terms of Sustainability. Mathematics 2023, 11, 2180. https://doi.org/10.3390/math11092180

AMA Style

Alabugin A, Osintsev K, Aliukov S, Almetova Z, Bolkov Y. Mathematical Foundations for Modeling a Zero-Carbon Electric Power System in Terms of Sustainability. Mathematics. 2023; 11(9):2180. https://doi.org/10.3390/math11092180

Chicago/Turabian Style

Alabugin, Anatoliy, Konstantin Osintsev, Sergei Aliukov, Zlata Almetova, and Yaroslav Bolkov. 2023. "Mathematical Foundations for Modeling a Zero-Carbon Electric Power System in Terms of Sustainability" Mathematics 11, no. 9: 2180. https://doi.org/10.3390/math11092180

APA Style

Alabugin, A., Osintsev, K., Aliukov, S., Almetova, Z., & Bolkov, Y. (2023). Mathematical Foundations for Modeling a Zero-Carbon Electric Power System in Terms of Sustainability. Mathematics, 11(9), 2180. https://doi.org/10.3390/math11092180

Note that from the first issue of 2016, this journal uses article numbers instead of page numbers. See further details here.

Article Metrics

Back to TopTop