Research on Time-Varying Meshing Stiffness of Marine Beveloid Gear System
Abstract
1. Introduction
2. Analysis of Meshing Contact Position of Beveloid Gears
- (1)
- Starting from the normal tooth profile equation of the rack, combined with the meshing principle, the contact line equation of the gear and rack in the comoving coordinate system of the beveloid gear is obtained based on coordinate transformation.
- (2)
- Changing the size of the corner, the contact line equation at different contact positions is obtained, and the beveloid gear tooth profile is enveloped.
- (3)
- The left and right teeth-surface images of the beveloid gears are drawn as parametric equations and then verified for the correctness of the solution procedure of the beveloid-gear tooth-profile equation.
- (4)
- Letting a pair of beveloid gears mesh with the same rack, the beveloid gear is in line contact when meshing is demonstrated, and then the contact line equation at various corners is obtained.
2.1. Derivation of the Beveloid Gear’s Tooth-Surface Equation
2.2. Beveloid Gears’ Tooth-Surface Drawing
2.3. Analysis of Parallel-Axis Meshing Contact Position of Beveloid Gears
3. Analytical Solution of Time-Varying Meshing Stiffness of Beveloid Gears
3.1. Calculation of Time-Varying Meshing Stiffness of Helical Gears
- —the end-face modulus;
- —the end-face tooth-top height coefficient;
- —the end-face displacement coefficient of the helical gear.
- —the pressure angle of the end-face indexing circle of the helical gear.
- —the pressure angle of the top circle of the end face of the helical gear.
- —base radius of the end face of the helical gear.
- —radius of effective root circle of the end face.
- —the tooth thickness of the end-face tooth root circle of the gear tooth slice:
- —the height of the approximate rectangle:
- —effective root circle pressure angle of the helical gear end face.
- —radius of end-face root circle of the helical gear:
- —end-face top clearance coefficient of the helical gear.
- —pressure angle of the gear tooth slice entering the contact position.
- —radius of entering the contact position.
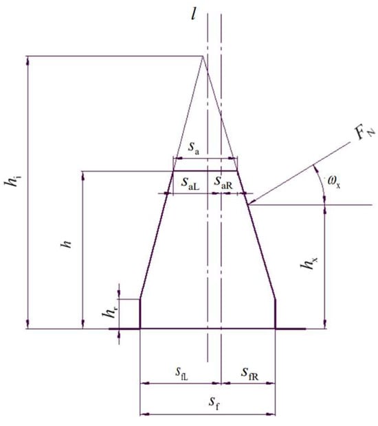
3.2. Calculation of Time-Varying Meshing Stiffness of Straight Beveloid Gears
3.3. Calculation of Time-Varying Meshing Stiffness of Helical Beveloid Gears
- —the coefficients corresponding to the cross-sectional shape.
- —shear modulus of the material.
- —cross-sectional area of different sections.
3.4. Analysis of Stiffness Influencing Factors
4. Numerical Solution of Time-Varying Meshing Stiffness of Beveloid Gears
4.1. Finite Element Contact Analysis of Helical Gears
4.2. Finite Element Contact Analysis of Helical Beveloid Gears
5. Conclusions
- Starting with the rack’s normal coordinate system, the equation for the rack tooth shape in the rack end coordinate system was obtained via a coordinate transformation. The meshing line equation in the rack-end coordinate system was then obtained by combining it with the meshing principle. The meshing line equation was then transferred into the beveloid gear’s follow-up coordinate system through coordinate transformation. By adjusting the gear rotation angle, the beveloid gear’s tooth-surface equation was enveloped. The equation of the rack in the normal coordinate system was then expressed as a parameter, and the parameter equation of the tooth surface of the beveloid gear was obtained. The value of parameters can be changed to draw the left and right tooth surface images of the beveloid gear to confirm the correctness of the equation derivation process. For a pair of beveloid gears that mesh with the same rack, assuming the meshing line of the parallel-axis beveloid gear is a straight line, the equation expression of the meshing line in space at different moments is given.
- Starting with the helical gear, the gear tooth slice was evenly divided in the direction of tooth width. To calculate the deformation of each gear tooth slice, the stiffness of a single gear tooth slice was obtained by using the Ishikawa formula, and then the single tooth meshing stiffness was obtained by superposition. Unfolding the helical gear’s working plane, the contact of the adjacent gear teeth was analyzed, and the meshing stiffness of the multi-tooth was obtained by superimposing the stiffness of each distinct gear tooth at the same angle. For straight beveloid gears, the characteristics of different coincidence degrees of meshing between different layer gear tooth slices were highlighted, and the time-varying meshing stiffness was determined. Due to the asymmetry of the end face’s left and right tooth faces, the end tooth shape was approximated as a combination of a rectangle and an oblique trapezoid. Then the deformation of the contact position was calculated based on the energy principle, and the meshing stiffness of the beveloid gear was calculated. The time-varying meshing stiffness of the beveloid gear pair was calculated separately under forward and reverse rotation, from which it was found that the changing trend of single-tooth meshing stiffness in both forward and reverse rotation was consistent. However, the total coincidence degrees during a reversal was relatively small, resulting in a difference in the multi-tooth meshing stiffness image. Comparing the meshing stiffness of straight gear, helical gear, straight beveloid gear, and helical beveloid gear when multi-tooth meshing, it was found that the meshing stiffness of the straight gear and straight beveloid gear was not significantly different, whereas the average meshing stiffness of helical gear and helical beveloid gear was larger and the degree of fluctuation was smaller. The basic parameters of the helical beveloid gear were then altered, and the effects of Module, Number of teeth, Pressure angle, Helix angle, Taper angle, and Tooth width on the meshing stiffness of the multi-tooth were investigated using the average meshing stiffness and fluctuation degree as indicators.
- The static analysis of helical gears and helical beveloid gears was performed using ABAQUS. Setting different gear corners and reading the contact displacement and contact force at the contact position, the single-tooth and multi-tooth meshing stiffnesses were calculated. The maximum stiffness was utilized as the standard for single-tooth meshing stiffness. For multi-tooth meshing stiffness, the difference between the analytical and finite element results was determined using the average stiffness and fluctuation degree. After calculation and comparison, it was determined that the difference between the results obtained by the two calculation methods was within an acceptable range. In other words, the finite element analysis results verify the correctness of the analytical calculation results. For helical beveloid gears, due to model complexity and insufficient modeling accuracy, there are problems in the process of importing the finite element software that result in large errors.
Author Contributions
Funding
Data Availability Statement
Conflicts of Interest
References
- Zhang, Q. Research on the development trend of ship power system. Build. Mater. Decor. 2016, 48, 211–212. [Google Scholar]
- Wang, Y. Status quo and development trend of ship power system. China Equip. Eng. 2017, 24, 180–181. [Google Scholar]
- Qi, Y. Research on the development trend of ship power system. Logist. Eng. Manag. 2012, 34, 100–101+111. [Google Scholar]
- Weng, Y. HCQ1400 Light Duty High Speed Marine Gearbox; Hangzhou Qianjin Gearbox Group Co.: Hangzhou, China, 2012. [Google Scholar]
- Feng, F. GAST10355 High Speed Marine Gearbox; Chongqing Gear Box Co, Ltd.: Chongqing, China, 2014. [Google Scholar]
- Jiejin, D. Research on the current status of key hardware of high-speed ship gearbox. J. Guangzhou Naut. Coll. 2018, 26, 20–23. [Google Scholar]
- Lu, Q. Hangzhou Gear Four Innovation to Promote Enterprise Production. China Ind. News 2010. [Google Scholar]
- Zhao, J.; Zhang, D.; Wang, J. Failure causes and vibration diagnosis of gearbox. China Ship Repair 2008, 5, 15–17. [Google Scholar]
- Zhang, G. Research on Dynamic Characteristics and Fault Diagnosis of Marine Gearbox. Ph.D. Thesis, Harbin Institute of Technology, Harbin, China, 2021. [Google Scholar]
- Xu, X. Introduction to Marine Engineering. Master’s Thesis, Shanghai Jiao Tong University Press, Shanghai, China, 1989; pp. 1–6. [Google Scholar]
- Mabrouk, I.B.; El Hami, A.; Walha, L.; Zghal, B.; Haddar, M. Dynamic response analysis of Vertical Axis Wind Turbine geared transmission system with uncertainty. Eng. Struct. 2017, 139, 170–179. [Google Scholar] [CrossRef]
- Wang, J.; He, G.; Zhang, J.; Zhao, Y.; Yao, Y. Nonlinear dynamics analysis of the spur gear system for railway locomotive. Mech. Syst. Signal Process. 2017, 85, 41–55. [Google Scholar] [CrossRef]
- Wei, J.; Shi, L.; Zhang, A.; Qin, D. Modeling of coupled dynamics of the planetary gear train and its dynamic characteristics under the non-inertial system in flight environment. J. Mech. Eng. 2019, 55, 162–172. [Google Scholar]
- Huang, N.; Chen, Q.; Cai, G.; Xu, D.; Zhang, L.; Zhao, W. Fault Diagnosis of Bearing in Wind Turbine Gearbox Under Actual Operating Conditions Driven by Limited Data with Noise Labels. IEEE Trans. Instrum. Meas. 2021, 70, 3502510. [Google Scholar] [CrossRef]
- Shi, J.; Zhao, B.; He, T.; Tu, L.; Lu, X.; Xu, H. Tribology and dynamic characteristics of textured journal-thrust coupled bearing considering thermal and pressure coupled effects. Tribol. Int. 2023, 180, 108292. [Google Scholar] [CrossRef]
- Beam, A.S. Bevoloid gearing. Mach. Des. 1954, 26, 220–238. [Google Scholar]
- Chen, J. Research on the development status of light and high-speed marine gearboxes. Ship Eng. 2017, 39, 28–32. [Google Scholar] [CrossRef]
- Deng, S.; Du, X.; Zhu, C.; Yu, Z.; Huang, Y. Study on the elastic meshing effect of multi-tooth in RV transmission with bevoloid gears. Mech. Strength 2020, 42, 134–139. [Google Scholar] [CrossRef]
- Li, G.; Wu, J.; Li, H.; Qi, Y.; Lin, S.; Chen, X. Design and calculation of meshing involute thickening gears in parallel shafts. China Mech. Eng. 2000, 8, 52–55+53. [Google Scholar]
- Du, X.; Zhu, C.; Song, D.; Xu, X. Current situation and development trend of interleaved shaft helical gear transmission variable tooth thickness technology. Mech. Des. 2012, 29, 1–7. [Google Scholar] [CrossRef]
- Li, H.; Han, Y.; Wang, Z.H. Geometric Principle and Calculation of Involute Gear. Master’s Thesis, China Machine Press, Beijing, China, 1985; pp. 245–300. [Google Scholar]
- Ni, G.; Zhu, C.; Song, C.; Liu, H. Geometric design and meshing characteristics analysis of gear transmission with parallel shaft involute thickening. J. Xi’an Jiaotong Univ. 2016, 50, 57–64. [Google Scholar]
- Mitome, K. Table sliding taper hobbing of conical gear using cylindrical hob. Part 1: Theoretical analysis of table sliding taper hobbing. J. Eng. Ind. 1981, 103, 446–451. [Google Scholar] [CrossRef]
- Yu, G.B.; Wen, J.M.; Nie, J.F.; Dai, B. Research on meshing theory and simulation of noninvolute bevoloid gears with crossed axes. Appl. Mech. Mater. 2013, 2205, 229–232. [Google Scholar] [CrossRef]
- Wen, J.; Li, G.; Li, X.; Zhang, X.; Liu, Y. Study on non-involute thickening gear repair method. J. Harbin Eng. Univ. 2003, 6, 660–663. [Google Scholar]
- Ni, G.; Zhang, Z.; Liu, S.; Cao, Y.; Liu, Z.; Fang, Z. Analysis of contact characteristics of gear transmission with nonlinear displacement and thick interleaved shaft. J. Wuhan Univ. Sci. Technol. 2023, 46, 118–126. [Google Scholar]
- Zhang, J.; Qin, X.; Xie, C.; Chen, H.; Jin, L. Optimization design on dynamic load sharing performance for an in-wheel motor speed reducer based on genetic algorithm. Mech. Mach. Theory 2018, 122, 132–147. [Google Scholar] [CrossRef]
- Lei, L.; Ding, H.; Xuan, L. Research and analysis on the deformation of locomotive traction gears based on meshing stiffness. Mech. Des. Manuf. 2020, 3, 34–38. [Google Scholar] [CrossRef]
- Chen, S.-Y.; Tan, R.-L.; Guo, X.; Gan, L. Research on the calculation method of meshing stiffness of straight-toothed cylindrical gears. J. Chongqing Univ. Technol. 2021, 35, 97–103. [Google Scholar]
- Luo, W.; Qiao, B.; Shen, Z.; Yang, Z.; Cao, H.; Chen, X. Time-varying mesh stiffness calculation of a planetary gear set with the spalling defect under sliding friction. Meccanica 2020, 55, 245–260. [Google Scholar] [CrossRef]
- Smith, J.D. Estimation of the static load distribution factor for helical gears. Proc. Inst. Mech. Eng. Part C J. Mech. Eng. Sci. 1995, 209, 193–199. [Google Scholar] [CrossRef]
- Wu, J.; Guo, J. Study on Determination Method of Comprehensive Stiffness Meshing of Gear Teeth with Thickened Gear. J. Qingdao Inst. Chem. Technol. 2002, 1, 74–76. [Google Scholar]
- Mao, H.; Fu, L.; Yu, G.; Tupolev, V.; Liu, W. Numerical calculation of meshing stiffness of thickened gear considering gear tooth modification. Comput. Integr. Manuf. Syst. 2022, 28, 526–535. [Google Scholar] [CrossRef]
- Mao, H.; Sun, Y.; Xu, T.; Yu, G. Numerical calculation method of meshing stiffness for the beveloid gear considering the effect of surface topography. Math. Probl. Eng. 2021, 2021, 8886792. [Google Scholar] [CrossRef]
- Sun, R.; Song, C.; Zhu, C.; Wang, Y.; Liu, K. Numerical study on contact force of paralleled beveloid gears using minimum potential energy theory. J. Strain Anal. Eng. Des. 2021, 56, 249–264. [Google Scholar] [CrossRef]
- Sun, R.; Song, C.; Zhu, C.; Wang, Y.; Yang, X. Computational Studies on Mesh Stiffness of Paralleled Helical Beveloid Gear Pair. Int. J. Precis. Eng. Manuf. 2021, 22, 123–137. [Google Scholar] [CrossRef]
- Sun, R.; Song, C.; Zhu, C.; Yang, X.; Li, X. Computational study of pitting defect influence on mesh stiffness for straight beveloid gear. Eng. Fail. Anal. 2021, 119, 104971. [Google Scholar] [CrossRef]
- Cheng, W.; In, Y.; Chen, M.; Jiang, G. Numerical stress analysis for the multi-casing structure inside a wellbore in the formation using the boundary element method. Pet. Sci. 2017, 14, 126–137. [Google Scholar] [CrossRef][Green Version]
- Long, G.; Liu, Y.; Xu, W.; Zhou, P.; Zhou, J.; Xu, G.; Xiao, B. Analysis of Crack Problems in Multilayered Elastic Medium by a Consecutive Stiffness Method. Mathematics 2022, 10, 4403. [Google Scholar] [CrossRef]
- Yuan, Z.Q.; Zhu, J. Reduced dimensionality computation method for area integrals in the boundary element method. Numer. Comput. Comput. Appl. 2002, 4, 241–245. [Google Scholar]
- Yang, Y.; Zhou, S. Numerical simulation of three-dimensional thermal stress field with thermally complex boundary conditions. J. Eng. Thermophys. 2006, 3, 487–489. [Google Scholar]
- Yang, X. Research and Application of Finite Element Boundary Element Region Decomposition Method for Electromagnetic Characteristics of Complex Targets. Ph.D. Thesis, University of Electronic Science and Technology, Chengdu, China, 2023. [Google Scholar]
- Ahmad, R.E.; Waranont, A. Foam drainage equation in fractal dimensions: Breaking and instabilities. Eur. Phys. J. E Soft Matter 2023, 46, 110. [Google Scholar]
- Yu, B. Analysis of Flow in Fractal Porous Media. Appl. Mech. Rev. 2008, 61, 050801. [Google Scholar] [CrossRef]
- Xiao, B.; Zhu, H.; Chen, F.; Long, G.; Li, Y. A fractal analytical model for Kozeny-Carman constant and permeability of roughened porous media composed of particles and converging-diverging capillaries. Powder Technol. 2023, 420, 118256. [Google Scholar] [CrossRef]
- Wang, W.; Chen, X.; Zhou, H. A fast algorithm for massively parallel finite elements based on region decomposition. J. Electron. 2019, 47, 741–747. [Google Scholar]
- Amor-Martin, A.; Garcia-Castillo, L.E. Adaptive Semi-Structured Mesh Refinement Techniques for the Finite Element Method. Appl. Sci. 2021, 11, 3683. [Google Scholar] [CrossRef]




























| Module | Number of teeth | Pressure angle | Addendumcoefficient | Tip clearancecoefficient | Helix angle | Taper angle | Tooth width |
| 4 mm | 40 | 20° | 1 | 0.25 | 10° | 6° | 40 mm |
| Module | Number of teeth | Pressure angle | Addendumcoefficient | Tip clearance coefficient | Helix angle | Modification coefficient | Tooth width |
| 4 mm | 40 | 20° | 1 | 0.25 | 5° | 0 | 40 mm |
Disclaimer/Publisher’s Note: The statements, opinions and data contained in all publications are solely those of the individual author(s) and contributor(s) and not of MDPI and/or the editor(s). MDPI and/or the editor(s) disclaim responsibility for any injury to people or property resulting from any ideas, methods, instructions or products referred to in the content. |
© 2023 by the authors. Licensee MDPI, Basel, Switzerland. This article is an open access article distributed under the terms and conditions of the Creative Commons Attribution (CC BY) license (https://creativecommons.org/licenses/by/4.0/).
Share and Cite
Wen, J.; Yao, H.; Yan, Q.; You, B. Research on Time-Varying Meshing Stiffness of Marine Beveloid Gear System. Mathematics 2023, 11, 4774. https://doi.org/10.3390/math11234774
Wen J, Yao H, Yan Q, You B. Research on Time-Varying Meshing Stiffness of Marine Beveloid Gear System. Mathematics. 2023; 11(23):4774. https://doi.org/10.3390/math11234774
Chicago/Turabian StyleWen, Jianmin, Haoyu Yao, Qian Yan, and Bindi You. 2023. "Research on Time-Varying Meshing Stiffness of Marine Beveloid Gear System" Mathematics 11, no. 23: 4774. https://doi.org/10.3390/math11234774
APA StyleWen, J., Yao, H., Yan, Q., & You, B. (2023). Research on Time-Varying Meshing Stiffness of Marine Beveloid Gear System. Mathematics, 11(23), 4774. https://doi.org/10.3390/math11234774

