Modeling the Production Process of Fuel Gas, LPG, Propylene, and Polypropylene in a Petroleum Refinery Using Generalized Nets
Abstract
:1. Introduction
2. Materials and Methods
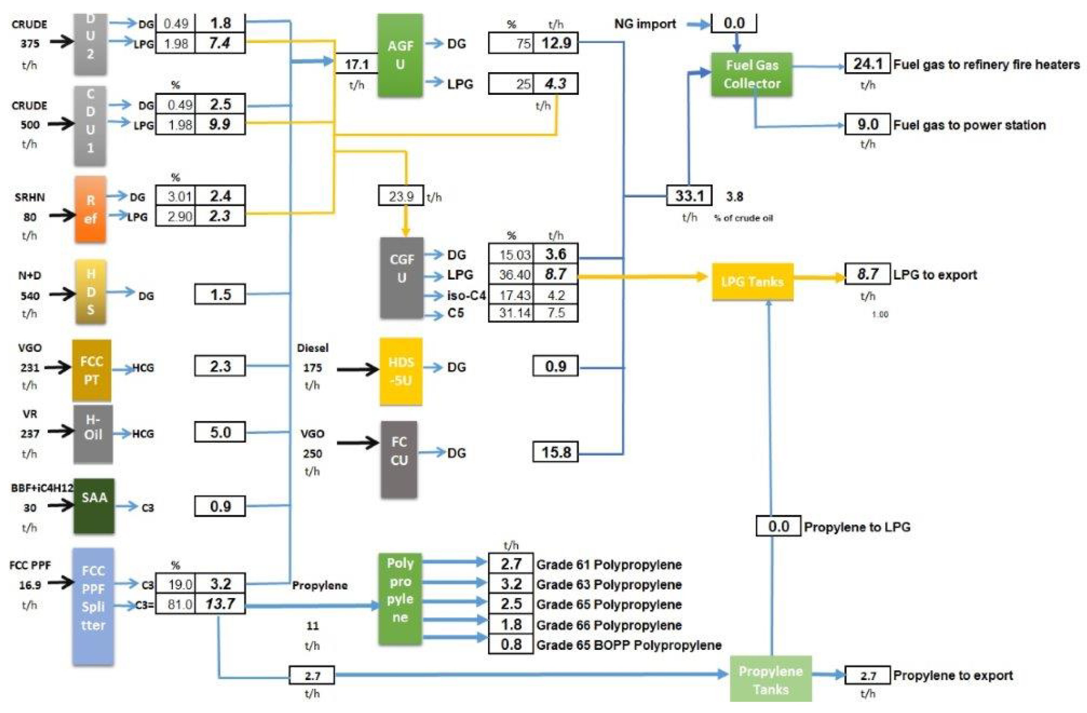
2.1. Processing Scheme for Production of Fuel Gas, LPG, Propylene, and Polypropylene in a Petroleum Refinery
2.2. Short Remarks on Generalized Nets
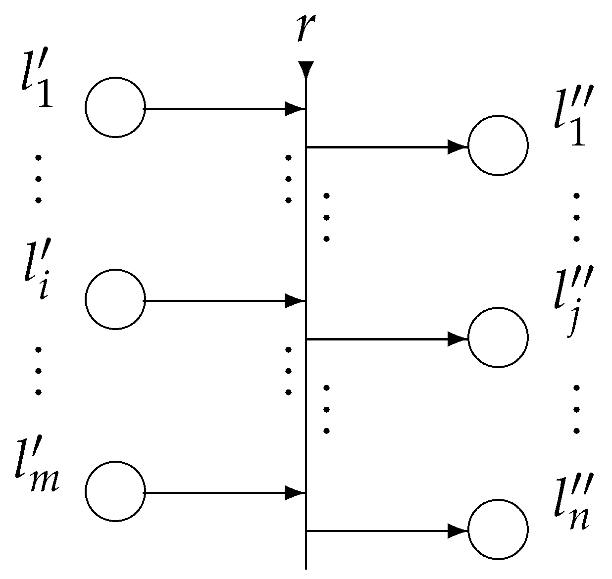
- and are finite, non-empty sets of places (the transition’s input and output places, respectively); for the transition in Figure 1, these are and
- r is the transition’s condition determining which tokens will pass (or transfer) from the transition’s inputs to its outputs; it has the form of an Index Matrix (IM; see [56]):is the predicate that corresponds to the i-th input and j-th output place . When its truth value is “true”, a token from the i-th input place transfers to the j-th output place; otherwise, this is not possible.
- A is a set of transitions;
- K is the set of the GN’s tokens;
- X is the set of all initial characteristics which the tokens can obtain on entering the net;
- is the characteristic function that assigns new characteristics to every token when it makes the transfer from an input to an output place of a given transition.
- Global operators (e.g., one of them changes the functions giving tokens characteristics);
- Local operators (e.g., one of then changes the transition condition predicates);
- Hierarchical operators (e.g., one of them replaces the GN with a whole new (sub)GN, another—a transition of the GN with a whole new (sub)GN, and two others do the opposite activity);
- Dynamic operators (e.g., operators that allow for the union or split of tokens)
3. Main Results: A GN Model
- —crude oil processed in CDU-2, t/h
- —crude oil processed in CDU-2, t/h
- —straight run naphtha processed in the catalytic reformer, t/h
- —naphtha and diesel fractions process in hydrotreating units, t/h
- —vacuum gas oil processed in fluid catalytic cracking feed hydrotreater, t/h
- —vacuum residue processed in H-Oil hydrocracker, t/h
- —butane-bytelene fraction and isobutene processed in sulphuric acid alkylation, t/h
- —propane-propylene fraction from fluid catalytic cracking to separate in propane, and propylene, t/h
- —primary and secondary diesel to hydrotreat in HDS-5 unit, t/h
- —hydrotreated and H-Oil vacuum gas oil to process in fluid catalytic cracking, t/h
- —natural gas from importing to replenishing fuel gas in cases of high fuel gas demand, t/h.
- —crude distillation unit 2 (CDU-2)
- —crude distillation unit 1 (CDU-1)
- —catalytic reformer unit
- —naphtha and diesel hydrotreaters
- —fluid catalytic cracking feed hydrotreating unit
- —H-Oil vacuum residue hydrocracking unit
- —sulphuric acid alkylation unit
- —fluid catalytic cracking propane-propylene splitter unit (FCC PPF splitter)
- —absorption gas fractionation unit (AGFU)
- —LPG intermediary reservoir to collect feed for the central gas fractionation unit
- —HDS-5 diesel hydrotreating unit
- —fluid catalytic cracking unit (FCC)
- —central gas fractionation unit (CGFU)
- —liquid petroleum gas (LPG) tank farm
- —fuel gas tank farm
- —LPG product from CDU-2, t/h
- —LPG product from CDU-1, t/h
- —LPG product from naphtha reformer, t/h
- —LPG product from AGFU, t/h
- —CGFU feed, t/h
- —LPG product from CGFU to feed LPG tank farm,
- —fuel gas feed for AGFU, t/h
- —fuel gas product from CDU-2, t/h
- —fuel gas product from CDU-1, t/h
- —fuel gas product from naphtha reformer, t/h
- —fuel gas product from naphtha and diesel hydrotreaters, t/h
- —fuel gas product from FCC feed hydrotreater, t/h
- —fuel gas product from H-Oil vacuum residue hydrocrcker, t/h
- —propane fraction from sulphuric acid alkylation unit, t/h
- —dry fuel gas product from AGFU, t/h
- —dry fuel gas product from CGFU, t/h
- —dry fuel gas product from HDS-5 unit, t/h
- —dry fuel gas product from FCCU, t/h
- —propane product from FCC PPF splitter, t/h
- —propylene product from FCC PPF splitter to feed polypropylene unit, t/h
- —propylene product from FCC PPF splitter, t/h
- —high melting index grade 61 polypropylene product, t/h
- —high melting index grade 63 polypropylene product, t/h
- —high melting index grade 65 polypropylene product, t/h
- —high melting index grade 66 polypropylene product, t/h
- —high melting index grade 65 BOPP polypropylene product, t/h
- —LPG product for export, t/h
- —fuel gas product to feed the refinery power station, t/h
- —fuel gas product to feed the refinery process furnaces, t/h
- “there is a request for LPG product from CDU-2”
- “there is a request for fuel gas product from CDU-2”.
- “there is a request for LPG product from CDU-1”;
- “there is a request for fuel gas product from CDU-1”.
- “there is a request for LPG product from naphtha catalytic reformer”;
- “there is a request for fuel gas product from naphtha catalytic reformer”.
- “there is a request for fuel gas product from naphtha and diesel hydrotreaters”.
- “there is a request for fuel gas product from FCC feed hydrotreater”.
- “there is a request for fuel gas product from H-Oil unit”.
- “there is a request for propane fraction product from sulphuric acid alkylation unit”.
- “there is a request for propane product from FCC PPF splitter for LPG production”;
- “there is a request for propylene for polymerization from FCC PPF splitter”;
- “there is a request for propylene product from FCC PPF splitter for export”.
- “there is a request for high melting index grade 61 polypropylene product from polypropylene unit”;
- “there is a request for high melting index grade 63 polypropylene product from polypropylene unit”;
- “there is a request for high melting index grade 65 polypropylene product from polypropylene unit”;
- “there is a request for high melting index grade 66 polypropylene product from polypropylene unit”;
- “there is a request for high melting index grade 66 BOPP polypropylene product from polypropylene unit”.
- “there is a request for LPG product from AGFU”;
- “there is a request for fuel gas product from AGFU”.
- “there is a request for fuel gas product from HDS-5 unit”.
- “there is a request for fuel gas product from FCCU”.
- “there is a request for LPG product from CGFU”;
- “there is a request for fuel gas product from CGFU”.
- “there is a request for fuel gas product for the refinery power station”;
- “there is a request for fuel gas product for the refinery process furnaces”.
4. Discussion
5. Conclusions
Author Contributions
Funding
Data Availability Statement
Conflicts of Interest
References
- Zhoua, J.; Reniers, G.; Zhang, L. A weighted fuzzy Petri-net based approach for security risk assessment in the chemical industry. Chem. Eng. Sci. 2017, 174, 136–145. [Google Scholar] [CrossRef]
- Predictive Analytics and Dynamic Optimization: The Sweet Spot in Refinery Planning, White Paper. 2018. Infosys Limited. Available online: https://www.infosys.com/industries/oil-and-gas/insights/documents/sweet-spot-refinery-planning.pdf (accessed on 14 December 2022).
- Zhang, L.; Yuan, Z.; Chen, B. Refinery-wide planning operations under uncertainty via robust optimization approach coupled with global optimization. Comput. Chem. Eng. 2021, 146, 107205. [Google Scholar] [CrossRef]
- Boucheikhchoukh, A.A.; Swartz, C.L.E.; Bouveresse, E.; Lutran, P.; Robert, A. Optimization of a multiperiod refinery planning problem under uncertainty. AIChE J. 2022, 68, e17799. [Google Scholar] [CrossRef]
- Qian, F.; Du, W.; Yang, M.; Long, J.; Mahalec, V. Refinery production planning optimization under crude oil quality uncertainty. Comput. Chem. Eng. 2021, 151, 107361. [Google Scholar] [CrossRef]
- Zhang, L.; Yuan, Z.; Chen, B. Adjustable Robust Optimization for the Multi-period Planning Operations of an Integrated Refinery-Petrochemical Site under Uncertainty. Comput. Chem. Eng. 2022, 160, 107703. [Google Scholar] [CrossRef]
- Li, W.; Hui, C.W.; Li, A.X. Integrating CDU, FCC and product blending models into refinery planning. Comput. Chem. Eng. 2005, 29, 2010–2028. [Google Scholar] [CrossRef]
- Forman, G.S.; Divita, V.B.; Han, J.; Cai, H.; Elgowainy, A.; Wang, M.U.S. Refinery Efficiency: Impacts Analysis and Implications for Fuel Carbon Policy Implementation. Environ. Sci. Technol. 2014, 48, 7625–7633. [Google Scholar] [CrossRef]
- Yu Yang, Y.; Barton, P.I. Refinery Optimization Integrated with a Nonlinear Crude Distillation Unit Model. IFAC-Pap. Line 2015, 48-8, 205–210. [Google Scholar] [CrossRef]
- Moro, L.F.L.; Zanin, A.C.; Pinto, J.M. A Planning Model for Refinery Diesel Production. Comput. Chem. Eng. 1998, 22, 1039–1042. [Google Scholar] [CrossRef]
- Pinto, J.M.; Joly, M.; Moro, L.F.L. Planning and scheduling models for refinery operations. Comput. Chem. Eng. 2000, 24, 2259–2276. [Google Scholar] [CrossRef]
- Cafaro, V.G.; Pautasso, P.C.; Cerdá, J.; Cafaro, D.C. Efficient planning of crude oil supplies through long-distance pipelines. Comput. Chem. Eng. 2019, 122, 203–217. [Google Scholar] [CrossRef]
- Guerra, O.J.; Le Roux, G.A.C. Improvements in Petroleum Refinery Planning: 1. Formulation of Process Models. Ind. Eng. Chem Res. 2011, 50, 13403–13418. [Google Scholar] [CrossRef]
- Yang, H.; Bernal, D.E.; Franzoi, R.E.; Engineer, F.G.; Kwon, K.; Lee, S.; Grossmann, I.E. Integration of crude-oil scheduling and refinery planning by Lagrangean Decomposition. Comput. Chem. Eng. 2020, 138, 106812. [Google Scholar] [CrossRef]
- Ahmadi, S.; Khormali, A.; Khoutoriansky, F.M. Optimization of the demulsification of water-in-heavy crude oil emulsions using response surface methodology. Fuel 2022, 323, 124270. [Google Scholar] [CrossRef]
- Zhumadillayeva, A.; Orazbayev, B.; Santeyeva, S.; Dyussekeyev, K.; Li, R.Y.M.; Crabbe, M.J.C.; Yue, X.-G. Models for Oil Refinery Waste Management Using Determined and Fuzzy Conditions. Information 2020, 11, 299. [Google Scholar] [CrossRef]
- Abdellatief, T.M.M.; Ershov, M.A.; Kapustin, V.M.; Chernysheva, E.A.; Savelenko, V.D.; Salameh, T.; Abdelkareem, M.A.; Olabi, A.G. Novel promising octane hyperboosting using isoolefinic gasoline additives and its application on fuzzy modeling. Int. J. Hydrogen Energy 2022, 47, 4932–4942. [Google Scholar] [CrossRef]
- Nassef, A.M.; Rezk, H.; Abdelkareem, M.A.; Alaswad, A.; Olabi, A. Application of fuzzy modelling and Particle Swarm Optimization to enhance lipid extraction from microalgae. Sustain. Energy Technol. Assess. 2019, 35, 73e9. [Google Scholar] [CrossRef]
- Nassef, A.M.; Sayed, E.T.; Rezk, H.; Abdelkareem, M.A.; Rodriguez, C.; Olabi, A.G. Fuzzy-modeling with particle swarm optimization for enhancing the production of biodiesel from microalga. Energy Sources Part Recover. Util. Environ. Eff. 2019, 41, 2094–2103. [Google Scholar] [CrossRef]
- Pla, B.; Bares, P.; Jimenez, I.; Guardiola, C.; Zhang, Y.; Shen, T. A fuzzy logic map-based knock control for spark ignition engines. Appl. Energy 2020, 280, 116036. [Google Scholar] [CrossRef]
- Orazbayev, B.; Kozhakhmetova, D.; Wojtowicz, R.; Krawczyk, J. Modeling of a catalytic cracking in the gasoline production installation with a fuzzy environment. Energies 2020, 13, 4736. [Google Scholar] [CrossRef]
- Abdellatief, T.M.M.; Ershov, M.A.; Kapustin, V.M.; Chernysheva, E.A.; Savelenko, V.D.; Salameh, T.; Abdelkareem, M.A.; Olabi, A.G. Uniqueness technique for introducing high octane environmental gasoline using renewable oxygenates and its formulation on Fuzzy modeling. Sci. Total Environ. 2022, 802, 149863. [Google Scholar] [CrossRef] [PubMed]
- Wang, C.-N.; Nhieu, N.-L.; Tran, K.-P.; Wang, Y.-H. Sustainable Integrated Fuzzy Optimization for Multimodal Petroleum Supply Chain Design with Pipeline System: The Case Study of Vietnam. Axioms 2022, 11, 60. [Google Scholar] [CrossRef]
- Alakbari, F.S.; Mohyaldinn, M.E.; Ayoub, M.A.; Muhsan, A.S.; Hussein, I.A. A robust fuzzy logic-based model for predicting the critical total drawdown in sand production in oil and gas wells. PLoS ONE 2021, 26, e0250466. [Google Scholar] [CrossRef] [PubMed]
- Jlibawi, A.H.H.A.; Othman, M.L.; Noor, B.S.; Sajitt, A.H.M.S. Optimization of Distribution Control System in Oil Refinery by Applying Hybrid Machine Learning Techniques. IEEE Access 2022, 10, 3890–3903. [Google Scholar] [CrossRef]
- Okwu, M.O.; Nwachukwu, A.N. A review of fuzzy logic applications in petroleum exploration, production and distribution operations. Pet. Explor. Prod. Technol. 2019, 9, 1555–1568. [Google Scholar] [CrossRef]
- Suganthi, L.; Iniyan, S.; Samuel, A.A. Applications of fuzzy logic in renewable energy systems—A review. Renew. Sustain. Energy Rev. 2015, 48, 585–607. [Google Scholar] [CrossRef]
- Evazabadian, F.; Arvan, M.; Ghodsi, R. Short-term crude oil scheduling with preventive maintenance operations: A fuzzy stochastic programming approach. Int. Trans. Oper. Res. 2017, 26, 2450–2475. [Google Scholar] [CrossRef]
- Tavana, M.; Khalili-Damghani, K.; Arteaga, F.J.S.; Hosseini, A. A fuzzy multi-objective multi-period network DEA model for efficiency measurement in oil refineries. CAIE 2019, 135, 143–155. [Google Scholar] [CrossRef]
- Wu, N.Q.; Zhou, M.; Chu, F. A Petri net-based heuristic algorithm for realizability of target refining schedule for oil refinery. IEEE Trans. Autom. Sci. Eng. 2008, 5, 661–676. [Google Scholar] [CrossRef]
- Wu, N.Q.; Chu, F.; Chu, C.; Zhou, M. Short-term schedulability analysis of crude oil operations in refinery with oil residency time constraint using Petri nets. IEEE Trans. Syst. Man Cybern. Part C 2008, 38, 765–778. [Google Scholar] [CrossRef]
- Wu, N.Q.; Chu, F.; Chu, C.; Zhou, M. Short-term schedulability analysis of multiple distiller crude oil operations in refinery with oil residency time constraint. IEEE Trans. Syst. Man Cybern. Part C 2009, 39, 1–16. [Google Scholar]
- Wu, N.Q.; Chu, F.; Chu, C.; Zhou, M. Hybrid Petri net modeling and schedulability analysis of high fusion point oil transportation under tank grouping strategy for crude oil operations in refinery. IEEE Trans. Syst. Man Cybern. Part C 2010, 40, 159–175. [Google Scholar] [CrossRef]
- Wu, N.Q.; Chu, F.; Chu, C.; Zhou, M. Schedulability analysis of short-term scheduling for crude oil operations in refinery with oil residency time and charging-tank-switch-overlap constraints. IEEE Trans. Autom. Sci. Eng. 2011, 8, 190–204. [Google Scholar] [CrossRef]
- Wu, N.Q.; Zhou, M.; Bai, L.P.; Li, Z.W. Short-term scheduling of crude oil operations in refinery with high fusion point oil and two transportation pipelines. Enterp. Inf. Syst. 2016, 10, 581–610. [Google Scholar] [CrossRef]
- Zhang, S.W.; Li, Z.W.; Qu, T.; Li, C.D. Petri net-based approach to short-term scheduling of crude oil operations with less tank requirement. Inf. Sci. 2017, 417, 247–261. [Google Scholar] [CrossRef]
- Drouven, M.G.; Cafaro, D.C.; Grossmann, I.E. Mathematical Programming Models for Shale Oil & Gas Development: A Review and Perspective. Comput. Chem. Eng. 2023, 177, 108317. [Google Scholar] [CrossRef]
- Wu, Y.; Cui, Z.Y.; Lin, H.; Wang, Y.F.; Feng, X. An optimization method for shale gas gathering system—Consideration of reliability enhancement under earthquake-related uncertainties. Pet. Sci. 2022, 19, 2431–2447. [Google Scholar] [CrossRef]
- Rani, D. Solving non-linear fixed-charge transportation problems using nature inspired non-linear particle swarm optimization algorithm. Appl. Soft Comput. 2023, 2, 110699. [Google Scholar] [CrossRef]
- Flamand, T.; Iori, M.; Haouari, M. The transportation problem with packing constraints. Comput. Oper. Res. 2023, 157, 106278. [Google Scholar] [CrossRef]
- Bera, R.K.; Mondal, S.K. A multi-objective transportation problem under quantity dependent credit period and cost structure policies in triangular intuitionistic fuzzy environment. Eng. Appl. Artif. Intell. 2023, 123, 106396. [Google Scholar] [CrossRef]
- Oulmelk, A.; Srati, M.; Afraites, L.; Hadri, A. An artificial neural network approach to identify the parameter in a nonlinear subdiffusion model. Commun. Nonlinear Sci. Numer. Simul. 2023, 125, 107413. [Google Scholar] [CrossRef]
- Brus, G. Overcoming a recent impasse in the application of artificial neural networks as solid oxide fuel cells simulator with computational topology. Energy AI 2023, 14, 100291. [Google Scholar] [CrossRef]
- Maier, H.R.; Galelli, S.; Razavi, S.; Castelletti, A.; Rizzoli, A.; Athanasiadis, I.N.; Sanchez-Marre, M.; Acutis, M.; Wu, W.; Humphrey, G.B. Exploding the myths: An introduction to artificial neural networks for prediction and forecasting. Environ. Model. Softw. 2023, 167, 105776. [Google Scholar] [CrossRef]
- Atanassov, K. Generalized Nets; World Scientific: Singapore; London, UK, 1991. [Google Scholar]
- Atanassov, K. On Generalized Nets Theory; Prof. M. Drinov Academic Publication House: Sofia, Bulgaria, 2007. [Google Scholar]
- Alexieva, J.; Choy, E.; Koycheva, E. Review and bibloigraphy on generalized nets theory and applications. In A Survey of Generalized Nets; Choy, E., Krawczak, M., Shannon, A., Szmidt, E., Eds.; Raffles KvB Monograph: Sydney, Australia, 2007; pp. 207–301. [Google Scholar]
- He, W.; Zhao, J.; Zhao, L.; Li, Z.; Yang, M.; Liu, T. Data-driven two-stage distributionally robust optimization for refinery planning under uncertainty. Chem. Eng. Sci. 2023, 269, 118466. [Google Scholar] [CrossRef]
- Jiao, Y.; Qiu, R.; Liang, Y.; Liao, Q.; Tua, R.; Wei, X.; Zhang, H. Integration optimization of production and transportation of refined oil: A case study from China. Chem. Eng. Res. Des. 2022, 188, 39–49. [Google Scholar] [CrossRef]
- da Silva, P.R.; Aragão, M.E.; Trierweilera, J.O.; Trierweilera, L.F. Integration of hydrogen network design to the production planning in refineries based on multi- scenarios optimization and flexibility analysis. Chem. Eng. Res. Des. 2022, 187, 434–450. [Google Scholar] [CrossRef]
- Lima, C.; Relvas, S.; Barbosa-Póvoa, A. Designing and planning the downstream oil supply chain under uncertainty using a fuzzy programming approach. Comput. Chem. Eng. 2021, 151, 107373. [Google Scholar] [CrossRef]
- Yu, L.; Wang, S.; Xu, Q. Optimal scheduling for simultaneous refinery manufacturing and multi oil-product pipeline distribution. Comput. Chem. Eng. 2022, 157, 107613. [Google Scholar] [CrossRef]
- Stratiev, D.D.; Zoteva, D.; Stratiev, D.S.; Atanassov, K. Modelling the Process of Production of Automotive Gasoline by the Use of Generalized Nets, In Uncertainty and Imprecision in Decision Making and Decision Support: New Advances, Challenges, and Perspectives; Lecture Notes in Networks and Systems; Springer: Cham, Switzerland, 2022; Volume 338. [Google Scholar] [CrossRef]
- Stratiev, D.D.; Stratiev, D.; Atanassov, K. Modelling the Process of Production of Diesel Fuels by the Use of Generalized Nets. Mathematics 2021, 9, 2351. [Google Scholar] [CrossRef]
- Petri, C.-A. Kommunication mit Automaten. Ph.D. Thesis, University of Bonn, Bonn, Germany, 1962. [Google Scholar]
- Atanassov, K. Index Matrices: Towards an Augmented Matrix Calculus; Springer: Cham, Switzerland, 2014. [Google Scholar]
- Valk, R. Self-Modifying Nets; Springer: Berlin/Heidelberg, Germany, 1977. [Google Scholar]
- Jensen, K. Coloured Petri Nets. EATCS Monographs on Theoretical Computer Science; Springer: Berlin/Heidelberg, Germany, 1992; Volume 1. [Google Scholar]
- Sui, T.; Mo, Y.; Marelli, D.; Sun, X.; Fu, M. The Vulnerability of Cyber-Physical System under Stealthy Attacks. IEEE Trans. Autom. 2020, 66, 637–650. [Google Scholar] [CrossRef]
- Sui, T.; Sun, X.-M. The vulnerability of distributed state estimator under stealthy attacks. Automatica 2021, 133, 109869. [Google Scholar] [CrossRef]
- Koycheva, E. Entwurfsbegleitende Leistungsanalyse mit UML, MARTE und Generalisierten Netzen; Oldenbourg Verlag: München, Germany, 2013. [Google Scholar]


Disclaimer/Publisher’s Note: The statements, opinions and data contained in all publications are solely those of the individual author(s) and contributor(s) and not of MDPI and/or the editor(s). MDPI and/or the editor(s) disclaim responsibility for any injury to people or property resulting from any ideas, methods, instructions or products referred to in the content. |
© 2023 by the authors. Licensee MDPI, Basel, Switzerland. This article is an open access article distributed under the terms and conditions of the Creative Commons Attribution (CC BY) license (https://creativecommons.org/licenses/by/4.0/).
Share and Cite
Stratiev, D.D.; Dimitriev, A.; Stratiev, D.; Atanassov, K. Modeling the Production Process of Fuel Gas, LPG, Propylene, and Polypropylene in a Petroleum Refinery Using Generalized Nets. Mathematics 2023, 11, 3800. https://doi.org/10.3390/math11173800
Stratiev DD, Dimitriev A, Stratiev D, Atanassov K. Modeling the Production Process of Fuel Gas, LPG, Propylene, and Polypropylene in a Petroleum Refinery Using Generalized Nets. Mathematics. 2023; 11(17):3800. https://doi.org/10.3390/math11173800
Chicago/Turabian StyleStratiev, Danail D., Angel Dimitriev, Dicho Stratiev, and Krassimir Atanassov. 2023. "Modeling the Production Process of Fuel Gas, LPG, Propylene, and Polypropylene in a Petroleum Refinery Using Generalized Nets" Mathematics 11, no. 17: 3800. https://doi.org/10.3390/math11173800
APA StyleStratiev, D. D., Dimitriev, A., Stratiev, D., & Atanassov, K. (2023). Modeling the Production Process of Fuel Gas, LPG, Propylene, and Polypropylene in a Petroleum Refinery Using Generalized Nets. Mathematics, 11(17), 3800. https://doi.org/10.3390/math11173800

