Reduction of DC Capacitor Size in Three-Phase Input/Single-Phase Output Power Cells of Multi-Cell Converters through Resonant and Predictive Control: A Characterization of Its Impact on the Operating Region
Abstract
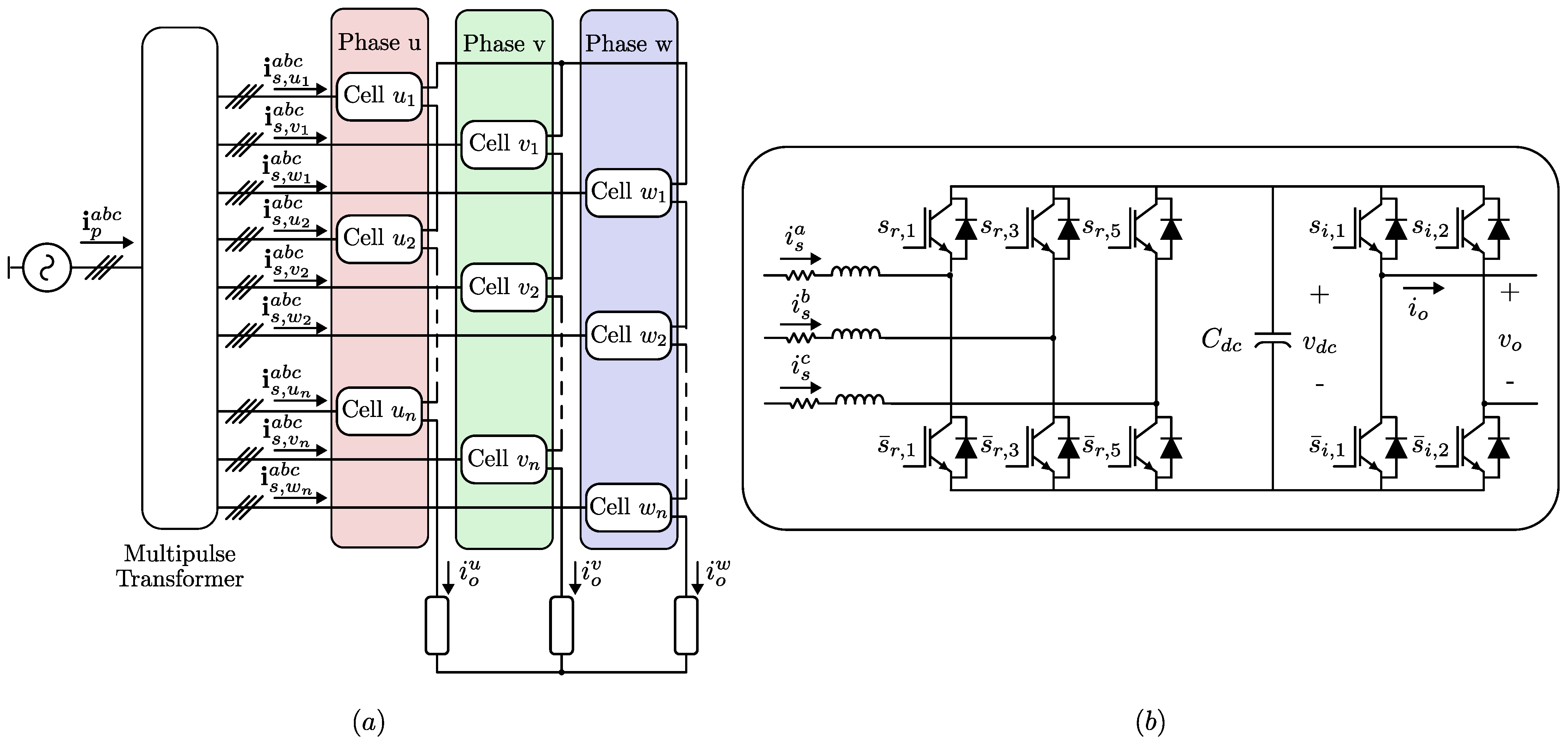
1. Introduction
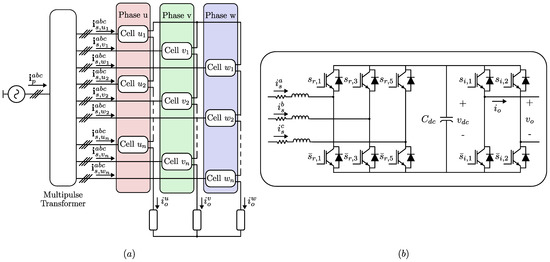
2. Cell Mathematical Model under Ripple Compensation
2.1. Cell Mathematical Model
2.2. DC Voltage Second Harmonic
2.3. Primary and Secondary Current under Second Harmonic Mitigation
3. Operating Region of a CHB Cell with Reduced Ripple in the DC Capacitor
3.1. Modulators without Ripple Reduction in dq Reference Frame
3.2. Modulators under Ripple Reduction in dq Reference Frame
3.3. Output Current under Reduced Ripple Compensation
4. Control Scheme for Ripple Mitigation in DC Capacitor
4.1. Current Loop
4.2. Voltage Loop
5. Experimental Results
5.1. Steady-State Performance
5.2. Dynamic Performance
6. Conclusions
Author Contributions
Funding
Data Availability Statement
Acknowledgments
Conflicts of Interest
References
- Perez, M.; Ceballos, S.; Konstantinou, G.; Pou, J.; Aguilera, R. Modular Multilevel Converters: Recent Achievements and Challenges. IEEE Open J. Ind. Electron. Soc. 2021, 2, 224–239. [Google Scholar] [CrossRef]
- Zargari, N.; Cheng, Z.; Paes, R. A Guide to Matching Medium-Voltage Drive Topology to Petrochemical Applications. IEEE Trans. Ind. Appl. 2018, 54, 1912–1920. [Google Scholar] [CrossRef]
- Barros, L.A.M.; Martins, A.P.; Pinto, J.G. A Comprehensive Review on Modular Multilevel Converters, Submodule Topologies, and Modulation Techniques. Energies 2022, 15, 1078. [Google Scholar] [CrossRef]
- Kouro, S.; Malinowski, M.; Gopakumar, K.; Pou, J.; Franquelo, L.; Wu, B.; Rodriguez, J.; Pérez, M.; Leon, J. Recent Advances and Industrial Applications of Multilevel Converters. IEEE Trans. Ind. Electron. 2010, 57, 2553–2580. [Google Scholar] [CrossRef]
- Maheswari, K.; Bharanikumar, R.; Arjun, V.; Amrish, R.; Bhuvanesh, M. A comprehensive review on cascaded H-bridge multilevel inverter for medium voltage high power applications. Mater. Today Proc. 2019, 45, 2666–2670. [Google Scholar] [CrossRef]
- Wu, B.; Narimani, M. High-Power Converters and AC Drives; Cascaded H-Bridge Multilevel Inverters; IEEE: Piscataway, NJ, USA, 2017; pp. 119–141. [Google Scholar]
- Lin, X.; Liu, Y.; Yu, J.; Yu, R.; Zhang, J.; Wen, H. Stability analysis of Three-phase Grid-Connected inverter under the weak grids with asymmetrical grid impedance by LTP theory in time domain. Int. J. Electr. Power Energy Syst. 2022, 142 Pt A, 108244. [Google Scholar] [CrossRef]
- Kang, D.; Badawi, S.; Ni, Z.; Abuelnaga, A.; Narimani, M.; Zargari, N. Review of Reduced Switch-Count Power Cells for Regenerative Cascaded H-Bridge Motor Drives. IEEE Access 2022, 10, 82944–82963. [Google Scholar] [CrossRef]
- Zhu, J.; Pratt, A. Capacitor Ripple Current in an Interleaved PFC Converter. IEEE Trans. Ind. Electron. 2009, 24, 1506–1514. [Google Scholar] [CrossRef]
- Duran-Gomez, J.; Enjeti, P.; Jouanne, A. An approach to achieve ride-through of an adjustable-speed drive with flyback converter modules powered by super capacitors. IEEE Trans. Ind. Appl. 2002, 38, 514–522. [Google Scholar] [CrossRef]
- Jouanne, A.; Enjeti, P.; Banerjee, B. Assessment of ride-through alternatives for adjustable-speed drives. IEEE Trans. Ind. Appl. 1999, 35, 908–916. [Google Scholar] [CrossRef]
- Pietilainen, K.; Harnefors, L.; Petersson, A.; Nee, H. DC-Link Stabilization and Voltage Sag Ride-Through of Inverter Drives. IEEE Trans. Ind. Electron. 2006, 53, 1261–1268. [Google Scholar] [CrossRef]
- Hammami, M.; Grandi, G. Input Current and Voltage Ripple Analysis in LDN Cells for H-Bridge Multilevel Inverters. IEEE Trans. Ind. Electron. 2019, 66, 8414–8423. [Google Scholar] [CrossRef]
- Leng, S.; Muyeen, S.; Al-Durra, A.; Blaabjerg, F. Impact of Slim DC Capacitance on Floating Capacitor H-bridge Motor Drive. IEEE Trans. Power Electron. 2018, 33, 3302–3314. [Google Scholar] [CrossRef]
- Farivar, G.; Hredzak, B.; Agelidis, V. Reduced-Capacitance Thin-Film H-Bridge Multilevel STATCOM Control Utilizing an Analytic Filtering Scheme. IEEE Trans. Ind. Electron. 2015, 62, 6457–6468. [Google Scholar] [CrossRef]
- Farivar, G.; Townsend, C.; Hredzak, B.; Pou, J.; Agelidis, V. Low-Capacitance Cascaded H-Bridge Multilevel StatCom. IEEE Trans. Power Electron. 2017, 32, 1744–1754. [Google Scholar] [CrossRef]
- Zhao, K.; Ciufo, P.; Perera, S. Lifetime analysis of aluminum electrolytic capacitor subject to voltage fluctuations. In Proceedings of the 14th International Conference on Harmonics and Quality of Power—ICHQP 2010, Bergamo, Italy, 26–29 September 2010; pp. 1–5. [Google Scholar]
- Pang, H.; Bryan, P. A life prediction scheme for electrolytic capacitors in power converters without current sensor. In Proceedings of the 2010 Twenty-Fifth Annual IEEE Applied Power Electronics Conference and Exposition (APEC), Palm Springs, CA, USA, 21–25 February 2010; pp. 973–979. [Google Scholar]
- Perez, M.; Espinoza, J.; Rodriguez, J.; Lezana, P. Regenerative medium-voltage AC drive based on a multicell arrangement with reduced energy storage requirements. IEEE Trans. Ind. Electron. 2005, 52, 171–180. [Google Scholar] [CrossRef]
- Ramírez, R.; Espinoza, J.; Baier, C. Operating region of a power cell in a CHB based topology operating at reduced second harmonic. In Proceedings of the IECON 2016—42nd Annual Conference of the IEEE Industrial Electronics Society, Florence, Italy, 23–26 October 2016; pp. 5058–5063. [Google Scholar]
- Jimenez-Gonzalez, J.; Delgado-Quintero, J.; Perez-Gomez, C.; Lopez-Garcia, I.; Jimenez-Mondragon, V.; Campero-Littlewood, E. Scalar Control of Squirrel Cage Induction Motors-Fundamentals and Scope. In Proceedings of the 2019 IEEE International Autumn Meeting on Power, Electronics and Computing (ROPEC), Ixtapa, Mexico, 13–15 November 2019; pp. 1–6. [Google Scholar]
- Yang, Z.; Sun, J.; Tang, Y.; Huang, M.; Zha, X. An Integrated Dual Voltage Loop Control for Capacitance Reduction in CHB-Based Regenerative Motor Drive Systems. IEEE Trans. Ind. Electron. 2019, 66, 3369–3379. [Google Scholar] [CrossRef]
- Ni, Z.; Abuelnaga, A.; Narimani, M.; Zargari, N. DC-Link Voltage Ripple Control of Regenerative CHB Drives for Capacitance Reduction. IEEE Trans. Ind. Electron. 2022, 69, 3245–3254. [Google Scholar] [CrossRef]
- Elmorshedy, M.; Xu, W.; El-Sousy, F.; Islam, M.; Ahmed, A. Recent Achievements in Model Predictive Control Techniques for Industrial Motor: A Comprehensive State-of-the-Art. IEEE Access 2021, 9, 58170–58191. [Google Scholar] [CrossRef]
- Kouro, S.; Cortes, P.; Vargas, R.; Ammann, U.; Rodriguez, J. Model Predictive Control—A Simple and Powerful Method to Control Power Converters. IEEE Trans. Ind. Electron. 2009, 56, 1826–1838. [Google Scholar] [CrossRef]
- Zafra, E.; Vazquez, S.; Geyer, T.; Aguilera, R.; Franquelo, L. Long Prediction Horizon FCS-MPC for Power Converters and Drives. IEEE Open J. Ind. Electron. 2023, 4, 159–175. [Google Scholar] [CrossRef]
- Zafra, E.; Vazquez, S.; Guzman Miranda, H.; Sanchez, J.A.; Marquez, A.; Leon, J.I.; Franquelo, L.G. Efficient FPSoC Prototyping of FCS-MPC for Three-Phase Voltage Source Inverters. Energies 2020, 13, 1074. [Google Scholar] [CrossRef]
- Caseiro, L.; Caires, D.; Mendes, A. Prototyping Power Electronics Systems with Zynq-Based Boards Using Matlab/Simulink—A Complete Methodology. Electronics 2022, 11, 1130. [Google Scholar] [CrossRef]
- Luo, Y.; Awal, M.; Yu, W.; Husain, I. FPGA implementation for rapid prototyping of high performance voltage source inverters. CPSS Trans. Power Electron. Appl. 2021, 6, 320–331. [Google Scholar] [CrossRef]
- Bouderbala, M.; Bossoufi, B.; Deblecker, O.; Alami Aroussi, H.; Taoussi, M.; Lagrioui, A.; Motahhir, S.; Masud, M.; Alraddady, F.A. Experimental Validation of Predictive Current Control for DFIG: FPGA Implementation. Electronics 2021, 10, 2670. [Google Scholar] [CrossRef]
- Luan, T.; Wang, Z.; Long, Y.; Zhang, Z.; Li, Q.; Zhu, Z.; Liu, C. Multi-Virtual-Vector Model Predictive Current Control for Dual Three-Phase PMSM. Energies 2021, 14, 7292. [Google Scholar] [CrossRef]
- Young, H.; Perez, M.; Rodriguez, J. Analysis of Finite-Control-Set Model Predictive Current Control with Model Parameter Mismatch in a Three-Phase Inverter. IEEE Trans. Ind. Electron. 2016, 63, 3100–3107. [Google Scholar] [CrossRef]
- Lin, C.; Yu, J.; Lai, Y.; Yu, H. Improved Model-Free Predictive Current Control for Synchronous Reluctance Motor Drives. IEEE Trans. Ind. Electron. 2016, 63, 3942–3953. [Google Scholar] [CrossRef]
- Wallscheid, O.; Ngoumtsa, E. Investigation of Disturbance Observers for Model Predictive Current Control in Electric Drives. IEEE Trans. Power Electron. 2020, 35, 13563–13572. [Google Scholar] [CrossRef]
- Karamanakos, P.; Geyer, T. Guidelines for the Design of Finite Control Set Model Predictive Controllers. IEEE Trans. Power Electron. 2020, 35, 7434–7450. [Google Scholar] [CrossRef]
- Tricarico, T.; Costa, J.A.; Herrera, D.; Galván-Díez, E.; Carrasco, J.M.; Aredes, M. Total Frequency Spread: A New Metric to Assess the Switching Frequency Spread of FCS-MPC. Energies 2022, 15, 5273. [Google Scholar] [CrossRef]
- Aguirre, M.; Kouro, S.; Rojas, C.; Rodriguez, J.; Leon, J. Switching Frequency Regulation for FCS-MPC Based on a Period Control Approach. IEEE Trans. Ind. Electron. 2018, 65, 5764–5773. [Google Scholar] [CrossRef]
- Ramírez, R.O.; Baier, C.R.; Espinoza, J.; Villarroel, F. Finite Control Set MPC with Fixed Switching Frequency Applied to a Grid Connected Single-Phase Cascade H-Bridge Inverter. Energies 2020, 13, 5475. [Google Scholar] [CrossRef]
- Bakeer, A.; Alhasheem, M.; Peyghami, S. Efficient Fixed-Switching Modulated Finite Control Set-Model Predictive Control Based on Artificial Neural Networks. Appl. Sci. 2022, 12, 3134. [Google Scholar] [CrossRef]
- Yang, Y.; Wen, H.; Li, D. A Fast and Fixed Switching Frequency Model Predictive Control with Delay Compensation for Three-Phase Inverters. IEEE Access 2017, 5, 17904–17913. [Google Scholar] [CrossRef]
- Ramírez, R.; Baier, C.; Villarroel, F.; Espinoza, J.; Pou, J.; Rodríguez, J. A Hybrid FCS-MPC with Low and Fixed Switching Frequency Without Steady-State Error Applied to a Grid-Connected CHB Inverter. IEEE Access 2020, 8, 223637–223651. [Google Scholar] [CrossRef]
- Norambuena, M.; Lezana, P.; Rodriguez, J. A Method to Eliminate Steady-State Error of Model Predictive Control in Power Electronics. IEEE J. Emerg. Sel. Top. Power Electron. 2019, 7, 2525–2530. [Google Scholar] [CrossRef]
- Gokdag, M. Modulated Predictive Control to Improve the Steady-State Performance of NSI-Based Electrification Systems. Energies 2022, 15, 2043. [Google Scholar] [CrossRef]
- Puls, S.; Austermann, J.; Borcherding, H. Lifetime Calculation for Capacitors in Industrial Micro DC grids. In Proceedings of the 2019 IEEE Third International Conference on DC Microgrids (ICDCM), Matsue, Japan, 20–23 May 2019; pp. 1–6. [Google Scholar]
- Huang, S.; Xiong, S.; Zeng, D.; Qu, L.; Nie, L.; Zhu, G. Accurate Lifetime Predication of Aluminum Electrolytic Capacitor Considering Equivalent Series Resistance Variations. In Proceedings of the 2018 IEEE International Power Electronics and Application Conference and Exposition (PEAC), Shenzhen, China, 4–7 November 2018; pp. 1–5. [Google Scholar]
- Akagi, H.; Watanabe, E.; Aredes, M. Instantaneous Power Theory and Applications to Power Conditioning; Wiley: Hoboken, NJ, USA, 2007. [Google Scholar]
- Gregor, R.; Pacher, J.; Renault, A.; Comparatore, L.; Rodas, J. Model Predictive Control of a Modular 7-Level Converter Based on SiC-MOSFET Devices—An Experimental Assessment. Energies 2022, 15, 5242. [Google Scholar] [CrossRef]
- Ramírez, R.; Espinoza, J.; Melín, P.; Reyes, M.; Espinosa, E.; Silva, C.; Maurelia, E. Predictive Controller for a Three-Phase/Single-Phase Voltage Source Converter Cell. IEEE Trans. Ind. Inform. 2014, 10, 1878–1889. [Google Scholar] [CrossRef]
- Mishra, I.; Tripathi, R.N.; Singh, V.K.; Hanamoto, T. Step-by-Step Development and Implementation of FS-MPC for a FPGA-Based PMSM Drive System. Electronics 2021, 10, 395. [Google Scholar] [CrossRef]









| Parameter | Description | Value |
|---|---|---|
| Sampling time | 50 s | |
| Inverter modulation frequency | 1 kHz | |
| Inverter modulation index | 0.35 | |
| Cell’s supply voltage | 22 | |
| Input filter inductance | 10 mH | |
| Input filter resistance | 0.2 | |
| Load inductance | 12 mH | |
| Load resistance | 10 | |
| DC capacitor | 33 F |
Disclaimer/Publisher’s Note: The statements, opinions and data contained in all publications are solely those of the individual author(s) and contributor(s) and not of MDPI and/or the editor(s). MDPI and/or the editor(s) disclaim responsibility for any injury to people or property resulting from any ideas, methods, instructions or products referred to in the content. |
© 2023 by the authors. Licensee MDPI, Basel, Switzerland. This article is an open access article distributed under the terms and conditions of the Creative Commons Attribution (CC BY) license (https://creativecommons.org/licenses/by/4.0/).
Share and Cite
Ramírez, R.O.; Baier, C.R.; Villarroel, F.; Espinosa, E.; Arevalo, M.; Espinoza, J.R. Reduction of DC Capacitor Size in Three-Phase Input/Single-Phase Output Power Cells of Multi-Cell Converters through Resonant and Predictive Control: A Characterization of Its Impact on the Operating Region. Mathematics 2023, 11, 3038. https://doi.org/10.3390/math11143038
Ramírez RO, Baier CR, Villarroel F, Espinosa E, Arevalo M, Espinoza JR. Reduction of DC Capacitor Size in Three-Phase Input/Single-Phase Output Power Cells of Multi-Cell Converters through Resonant and Predictive Control: A Characterization of Its Impact on the Operating Region. Mathematics. 2023; 11(14):3038. https://doi.org/10.3390/math11143038
Chicago/Turabian StyleRamírez, Roberto O., Carlos R. Baier, Felipe Villarroel, Eduardo Espinosa, Mauricio Arevalo, and Jose R. Espinoza. 2023. "Reduction of DC Capacitor Size in Three-Phase Input/Single-Phase Output Power Cells of Multi-Cell Converters through Resonant and Predictive Control: A Characterization of Its Impact on the Operating Region" Mathematics 11, no. 14: 3038. https://doi.org/10.3390/math11143038
APA StyleRamírez, R. O., Baier, C. R., Villarroel, F., Espinosa, E., Arevalo, M., & Espinoza, J. R. (2023). Reduction of DC Capacitor Size in Three-Phase Input/Single-Phase Output Power Cells of Multi-Cell Converters through Resonant and Predictive Control: A Characterization of Its Impact on the Operating Region. Mathematics, 11(14), 3038. https://doi.org/10.3390/math11143038

