Free–Free Beam Resting on Tensionless Elastic Foundation Subjected to Patch Load
Abstract
1. Introduction
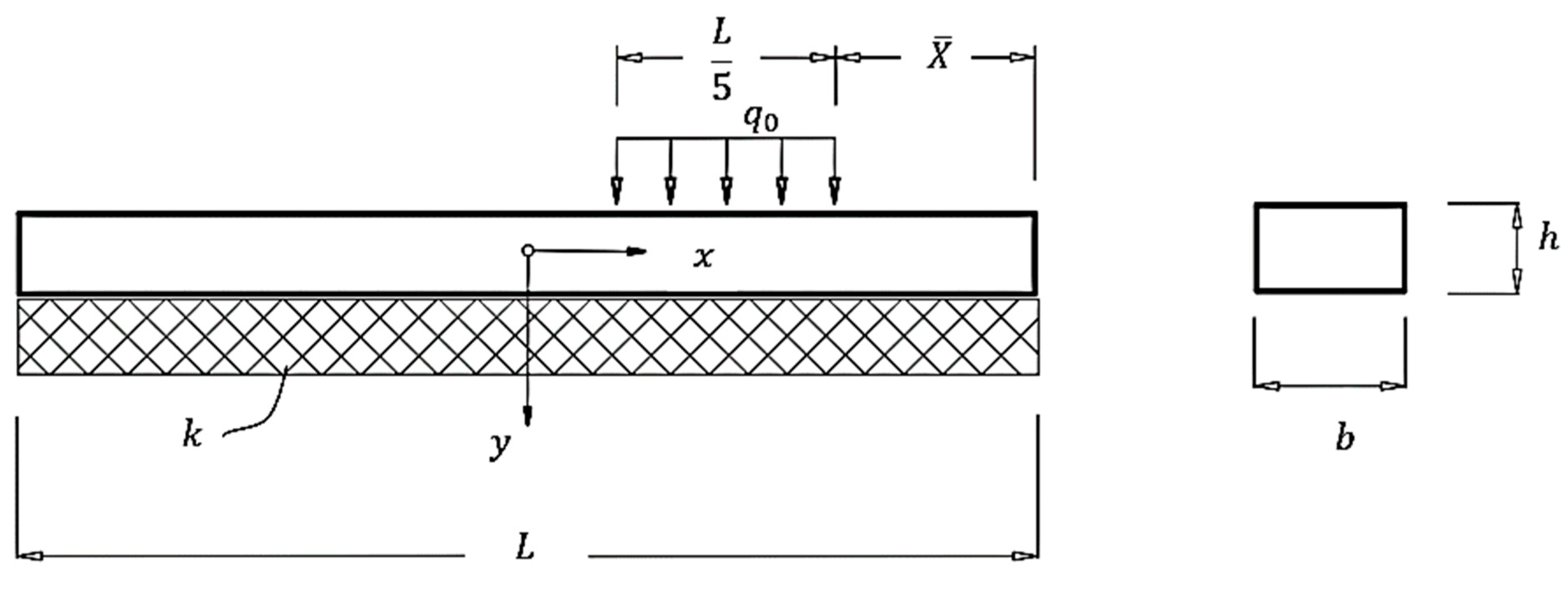
2. The Governing System of Equations
2.1. Tensionless Foundation
2.2. Ritz Method Formulation
2.3. The Approximating Functions
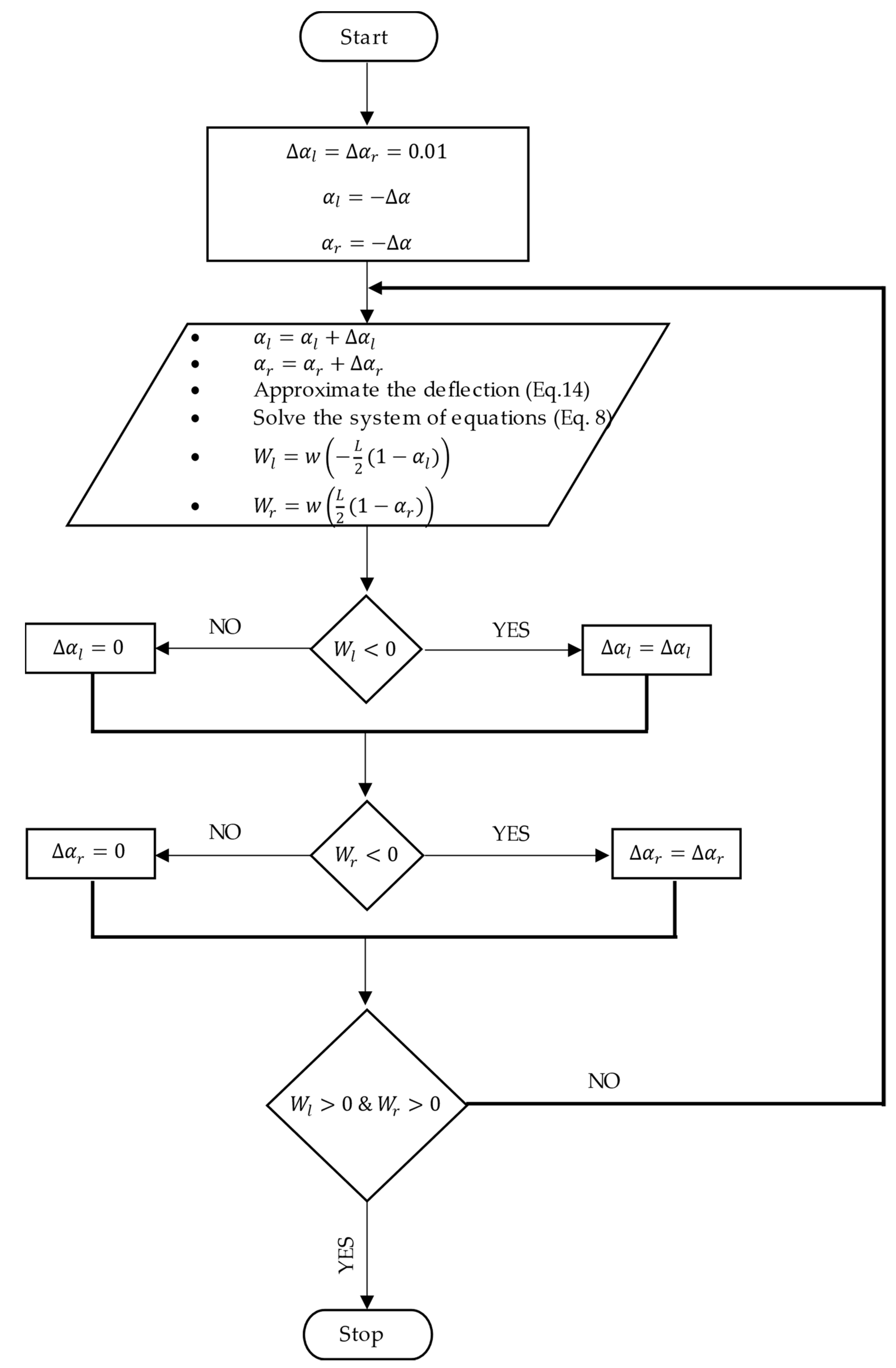
2.4. The Zero Subgrade Reaction Zones
3. Numerical Example and Discussion
4. Parametric Study
5. Conclusions
Author Contributions
Funding
Data Availability Statement
Acknowledgments
Conflicts of Interest
References
- Das, B.M.; Sivakugan, N. Principles of Foundation Engineering; Cengage Learning: Boston, MA, USA, 2018. [Google Scholar]
- Bowles, J.E. Foundation Analysis and Design; McGraw Hill: New York, NY, USA, 1988. [Google Scholar]
- McKenzie, W. Design of Structural Elements; Bloomsbury Publishing: London, UK, 2013. [Google Scholar]
- McKenzie, W.M. Design of Structural Masonry; Palgrave New York: New York, NY, USA, 2001. [Google Scholar]
- Weitsman, Y. A tensionless contact between a beam and an elastic half-space. Int. J. Eng. Sci. 1972, 10, 73–81. [Google Scholar] [CrossRef]
- Zhang, Y.; Murphy, K.D. Response of a finite beam in contact with a tensionless foundation under symmetric and asymmetric loading. Int. J. Solids Struct. 2004, 41, 6745–6758. [Google Scholar] [CrossRef]
- Zhang, Y.; Murphy, K.D. Tensionless contact of a finite beam: Concentrated load inside and outside the contact zone. Acta Mech. Sin. 2013, 29, 836–839. [Google Scholar] [CrossRef][Green Version]
- Zhang, Y.; Liu, X.; Wei, Y. Response of an infinite beam on a bilinear elastic foundation: Bridging the gap between the Winkler and tensionless foundation models. Eur. J. Mech.-A/Solids 2018, 71, 394–403. [Google Scholar] [CrossRef]
- Stephen, N.; Ch’ng, S. The Euler–Bernoulli beam on a tensionless Winkler foundation: A simple problem of receding contact. Int. J. Mech. Eng. Educ. 2018, 46, 375–383. [Google Scholar] [CrossRef]
- Zhang, Y.; Liu, X. Response of an infinite beam resting on the tensionless Winkler foundation subjected to an axial and a transverse concentrated loads. Eur. J. Mech.-A/Solids 2019, 77, 103819. [Google Scholar] [CrossRef]
- Choros, J.; Adams, G. A steadily moving load on an elastic beam resting on a tensionless Winkler foundation. J. Appl. Mech. 1979, 46, 175–180. [Google Scholar] [CrossRef]
- Bhatra, S.; Maheshwari, P. Effect of Adjacent Axle Loads on Uplift of Rails on Geocell-Stone Column Improved Tensionless Foundation. Geotech. Geol. Eng. 2021, 39, 1059–1078. [Google Scholar] [CrossRef]
- Feng, Z. Finite Element Analysis of Beams on Two-Parameter Tensionless Foundations. In Proceedings of the Computational Mechanics’86, Tokyo, Japan, 25–29 May 1986; pp. 443–448. [Google Scholar]
- Celep, Z.; Güler, K.; Demir, F. Response of a completely free beam on a tensionless Pasternak foundation subjected to dynamic load. Struct. Eng. Mech. 2011, 37, 61–77. [Google Scholar] [CrossRef][Green Version]
- Celep, Z.; Demir, F. Symmetrically loaded beam on a two-parameter tensionless foundation. Struct. Eng. Mech. 2007, 27, 555–574. [Google Scholar] [CrossRef]
- Özmutlu, A. Response of a finite beam on a tensionless Pasternak foundation under symmetric and asymmetric loading. Struct. Eng. Mech. 2008, 30, 21–36. [Google Scholar] [CrossRef]
- Ma, X.; Butterworth, J.W.; Clifton, G.C. Static analysis of an infinite beam resting on a tensionless Pasternak foundation. Eur. J. Mech.-A/Solids 2009, 28, 697–703. [Google Scholar] [CrossRef]
- Nobili, A.; Lanzoni, L. On the stability loss for an Euler beam resting on a tensionless Pasternak foundation. Z. Angew. Math. Phys. 2014, 65, 797–808. [Google Scholar] [CrossRef][Green Version]
- Zhang, Y. Tensionless contact of a finite beam resting on Reissner foundation. Int. J. Mech. Sci. 2008, 50, 1035–1041. [Google Scholar] [CrossRef]
- Zhang, L.; Zhao, M. New method for a beam resting on a tensionless and elastic-plastic foundation subjected to arbitrarily complex loads. Int. J. Geomech. 2016, 16, 04015093. [Google Scholar] [CrossRef]
- Maheshwari, P. Analysis of beams on tensionless reinforced granular fill-soil system. Int. J. Numer. Anal. Methods Geomech. 2008, 32, 1479–1494. [Google Scholar] [CrossRef]
- Sapountzakis, E.J.; Kampitsis, A.E. Nonlinear analysis of shear deformable beam-columns partially supported on tensionless three-parameter foundation. Arch. Appl. Mech. 2011, 81, 1833–1851. [Google Scholar] [CrossRef]
- Nobili, A. Variational approach to beams resting on two-parameter tensionless elastic foundations. J. Appl. Mech. 2012, 79, 021010. [Google Scholar] [CrossRef]
- Heshmat, T.; Elshabrawy, M. Analytical solution for nonlinear interaction of euler beam resting on a tensionless soil. Proc. Int. Struct. Eng. Constr. 2021, 8, GFE-02–GFE-06. [Google Scholar] [CrossRef]
- Ioakimidis, N.I. Inequality constraints in one-dimensional finite elements for an elastic beam on a tensionless Winkler foundation. Finite Elem. Anal. Des. 1996, 24, 67–75. [Google Scholar] [CrossRef]
- He, G.; Li, X.; Lou, R. Nonlinear FEA of higher order beam resting on a tensionless foundation with friction. Geomech. Eng. 2016, 11, 95–116. [Google Scholar] [CrossRef]
- Ma, X.; Butterworth, J.W.; Clifton, G.C. Response of an infinite beam resting on a tensionless elastic foundation subjected to arbitrarily complex transverse loads. Mech. Res. Commun. 2009, 36, 818–825. [Google Scholar] [CrossRef]
- Nobili, A. Superposition principle for the tensionless contact of a beam resting on a Winkler or a Pasternak foundation. J. Eng. Mech. 2013, 139, 1470. [Google Scholar] [CrossRef]
- Celep, Z.; Güler, K. Axisymmetric forced vibrations of an elastic free circular plate on a tensionless two parameter foundation. J. Sound Vib. 2007, 301, 495–509. [Google Scholar] [CrossRef]
- Chróścielewski, J.; Szymczak, C.K. Optimal Design of Plates Resting on Tensionless Foundation. Model. Sinulation Control B 1997, 11, 29–37. [Google Scholar]
- Lezgy-Nazargah, M.; Mamazizi, A.; Khosravi, H. Analysis of shallow footings rested on tensionless foundations using a mixed finite element model. Struct. Eng. Mech. 2022, 81, 379–394. [Google Scholar] [CrossRef]
- Zhang, B.-Q.; Chen, F.-Q.; Wang, Q.-Y.; Lin, L.-B. Analytical model of buried beams on a tensionless foundation subjected to differential settlement. Appl. Math. Model. 2020, 87, 269–286. [Google Scholar] [CrossRef]
- Hsu, Y.S. Finite element approach of the buried pipeline on tensionless foundation under random ground excitation. Math. Comput. Simul. 2020, 169, 149–165. [Google Scholar] [CrossRef]
- Ugural, A.C. Stresses in Beams, Plates, and Shells; CRC Press: Boca Raton, FL, USA, 2009. [Google Scholar]
- Ugural, A.C.; Fenster, S.K. Advanced Mechanics of Materials and Applied Elasticity; Pearson Education: London, UK, 2011. [Google Scholar]

















| Item | Value |
|---|---|
| Elastic modulus of the beam material (E) | 25 GPa |
| Subgrade reaction modulus (k) | 20,000 kN/m2 |
| Beam length (L) | 12.0 m |
| Depth of the beam cross-section (h) | 0.40 m |
| Width of the beam cross-section (b) | 0.60 m |
| The patched load q0 | 400 kN/m |
| Case | Parameter | Levels | Other Beam Variables |
|---|---|---|---|
| Case 1 | |||
| Case 2 | , | ||
| Case 3 | |||
| Case 4 |
Publisher’s Note: MDPI stays neutral with regard to jurisdictional claims in published maps and institutional affiliations. |
© 2022 by the authors. Licensee MDPI, Basel, Switzerland. This article is an open access article distributed under the terms and conditions of the Creative Commons Attribution (CC BY) license (https://creativecommons.org/licenses/by/4.0/).
Share and Cite
Musa, A.E.S.; Al-Shugaa, M.A.; Al-Fakih, A. Free–Free Beam Resting on Tensionless Elastic Foundation Subjected to Patch Load. Mathematics 2022, 10, 3271. https://doi.org/10.3390/math10183271
Musa AES, Al-Shugaa MA, Al-Fakih A. Free–Free Beam Resting on Tensionless Elastic Foundation Subjected to Patch Load. Mathematics. 2022; 10(18):3271. https://doi.org/10.3390/math10183271
Chicago/Turabian StyleMusa, Abubakr E. S., Madyan A. Al-Shugaa, and Amin Al-Fakih. 2022. "Free–Free Beam Resting on Tensionless Elastic Foundation Subjected to Patch Load" Mathematics 10, no. 18: 3271. https://doi.org/10.3390/math10183271
APA StyleMusa, A. E. S., Al-Shugaa, M. A., & Al-Fakih, A. (2022). Free–Free Beam Resting on Tensionless Elastic Foundation Subjected to Patch Load. Mathematics, 10(18), 3271. https://doi.org/10.3390/math10183271

