An Enhanced Slime Mould Optimizer That Uses Chaotic Behavior and an Elitist Group for Solving Engineering Problems
Abstract
:1. Introduction
- A chaotic logistic mapping and an elitist group were combined with SMO to formulate a novel ESMO with better performance.
- The standard SMO and the proposed ESMO were applied to several benchmark functions and different practical engineering problems, including the OPF in power systems and the CHEPD combined heat and power systems.
- When handling different uni-modal and multi-modal functions, the proposed ESMO provided better performance than the original SMO and miscellaneous recent algorithms.
- When handling the OPF, the proposed ESMO demonstrated superiority over several reported techniques in minimizing the fuel costs, the losses, and the pollutant emissions.
- When handling the CHEPD problem, the proposed ESMO achieved the minimum total production costs against several reported techniques
- Moreover, better robustness and stability were demonstrated by the proposed ESMO compared with different recent SMO versions.
2. Enhanced Slime Mould Optimizer
2.1. Standard Slime Mould Optimizer
2.2. Proposed ESMO
3. Application for Benchmark Optimization Functions
4. Application for Engineering Optimization Problems
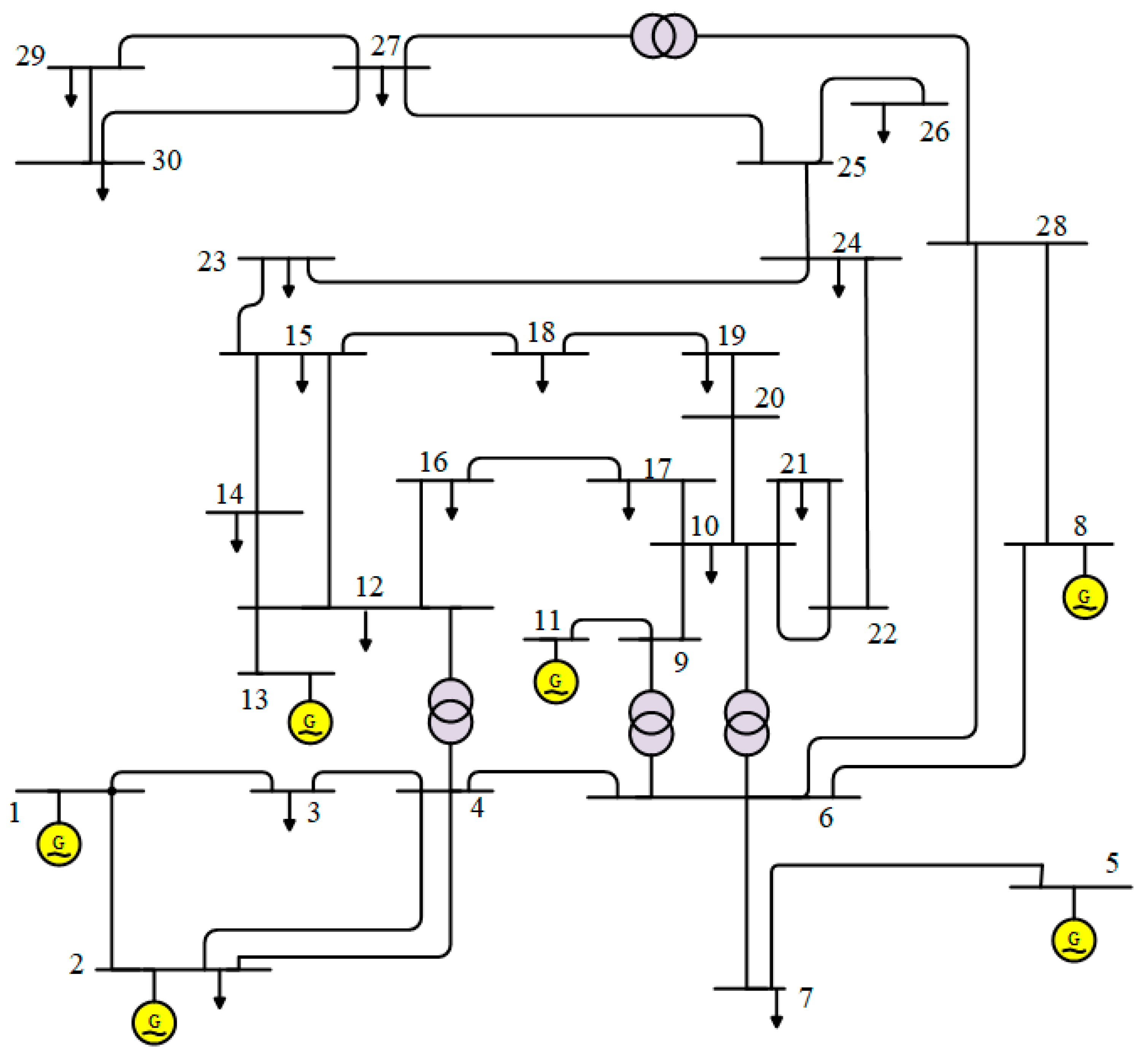
4.1. Optimal Power Flow in Electric Power Systems
- (Pgen1, Pgen2, …, PgenNgen) denote the active output powers of the generators.
- (Qcap1, Qcap2, …, QcapNq) denote the absorbing or injecting reactive powers via switched reactors and capacitors, respectively.
- (Vgen1, Vgen2, …, VgenNgen) denote the generator voltages.
- (Ta1, Ta2, …, TaNt) denote the transformer tap settings.
- (VLoad1, …, VLoadNPQ) denote the load bus voltage magnitudes.
- (Qgen1, Qgen2, …, QgenNgen) denote the reactive power of the generators.
- (S1, …, SNF) denote the transmission line loadings.
4.1.1. Minimization of the Fuel Costs
4.1.2. Minimization of the Power Losses
4.1.3. Minimization of the Total Producing Emissions
4.1.4. Wilcoxon Rank-Sum Test of the Implemented SMO Versions
4.1.5. Evaluation of the Chaotic Strategy and Elitist Group with the ESMO
4.2. Optimal Combined Heat and Electrical Power Dispatch Problem
4.3. Friedman Ranking Test for Engineering Optimization Problems
4.4. Friedman and Post Hoc Tests for Engineering Optimization Problems
5. Conclusions
Author Contributions
Funding
Informed Consent Statement
Data Availability Statement
Acknowledgments
Conflicts of Interest
Appendix A
| Algorithm | Parameter Settings |
|---|---|
| ESMO | Adaptive parameters |
| SMO | Adaptive parameters |
| SCA | A = 2 |
| SSA | c1 = c2 ∈ [0, 1] |
| WOA | a1 = [2, 0] a2 = [−2, −1] b = 1 |
| MVO | travelling distance rate ∈ [0.6, 1] existence probability ∈ [0.2, 1] |
| PSO | c1 = c2 = 2 vMax = 6 |
| DE | crossover probability = 0.5 scaling factor = 0.5 |



References
- Hajipour, V.; Kheirkhah, A.S.; Tavana, M.; Absi, N. Novel Pareto-based meta-heuristics for solving multi-objective multi-item capacitated lot-sizing problems. Int. J. Adv. Manuf. Technol. 2015, 80, 31–45. [Google Scholar] [CrossRef]
- Hajipour, V.; Mehdizadeh, E.; Tavakkoli-Moghaddam, R. A novel Pareto-based multi-objective vibration damping optimization algorithm to solve multi-objective optimization problems. Sci. Iran. 2014, 21, 2368. [Google Scholar]
- Wu, G. Across neighborhood search for numerical optimization. Inf. Sci. 2016, 329, 597–618. [Google Scholar] [CrossRef] [Green Version]
- Hashim, F.A.; Houssein, E.H.; Mabrouk, M.S.; Al-Atabany, W.; Mirjalili, S. Henry gas solubility optimization: A novel physics-based algorithm. Futur. Gener. Comput. Syst. 2019, 101, 646–667. [Google Scholar] [CrossRef]
- Shaheen, A.M.; Elattar, E.E.; El Sehiemy, R.A.; Elsayed, A.M. An Improved Sunflower Optimization Algorithm Based-Monte Carlo Simulation for Efficiency Improvement of Radial Distribution Systems Considering Wind Power Uncertainty. IEEE Access 2020, 9, 2332–2344. [Google Scholar] [CrossRef]
- Bentouati, B.; Javaid, M.S.; Bouchekara, H.R.E.H.; El-Fergany, A.A. Optimizing performance attributes of electric power systems using chaotic salp swarm optimizer. Int. J. Manag. Sci. Eng. Manag. 2020, 15, 165–175. [Google Scholar] [CrossRef]
- Li, S.; Gong, W.; Wang, L.; Yan, X.; Hu, C. Optimal power flow by means of improved adaptive differential evolution. Energy 2020, 198, 117314. [Google Scholar] [CrossRef]
- Chen, X.; Li, K.; Xu, B.; Yang, Z. Biogeography-based learning particle swarm optimization for combined heat and power economic dispatch problem. Knowl.-Based Syst. 2020, 208, 106463. [Google Scholar] [CrossRef]
- Abualigah, L.; Diabat, A.; Geem, Z.W. A comprehensive survey of the harmony search algorithm in clustering applications. Appl. Sci. 2020, 10, 3827. [Google Scholar] [CrossRef]
- Faramarzi, A.; Heidarinejad, M.; Stephens, B.; Mirjalili, S. Equilibrium optimizer: A novel optimization algorithm. Knowl.-Based Syst. 2019, 191, 105190. [Google Scholar] [CrossRef]
- Elgamal, Z.M.; Yasin, N.M.; Sabri, A.Q.M.; Sihwail, R.; Tubishat, M.; Jarrah, H. Improved equilibrium optimization algorithm using elite opposition-based learning and new local search strategy for feature selection in medical datasets. Computation 2021, 9, 68. [Google Scholar] [CrossRef]
- Sun, F.; Yu, J.; Zhao, A.; Zhou, M. Optimizing multi-chiller dispatch in HVAC system using equilibrium optimization algorithm. Energy Rep. 2021, 7, 5997–6013. [Google Scholar] [CrossRef]
- Lan, P.; Xia, K.; Pan, Y.; Fan, S. An improved equilibrium optimizer algorithm and its application in LSTM neural network. Symmetry 2021, 13, 1706. [Google Scholar] [CrossRef]
- Goldberg, D.E. Genetic Algorithms in Search, Optimization and Machine Learning, 1989th ed.; Addison-Wesley Publishing Company, INC.: Redwood City, CA, USA, 1989. [Google Scholar]
- Holland, J. Adaptation in Natural and Artificial Systems: An Introductory Analysis with Applications to Biology, Control, and Artificial Intelligence; MIT Press: Cambridge, MA, USA, 1992. [Google Scholar]
- Das, D.B.; Patvardhan, C. A new hybrid evolutionary strategy for reactive power dispatch. Electr. Power Syst. Res. 2003, 65, 83–90. [Google Scholar]
- Chou, J.S.; Truong, D.N. A novel metaheuristic optimizer inspired by behavior of jellyfish in ocean. Appl. Math. Comput. 2020, 389, 125535. [Google Scholar] [CrossRef]
- Saremi, S.; Mirjalili, S.; Lewis, A. Grasshopper Optimisation Algorithm: Theory and application. Adv. Eng. Softw. 2017, 105, 30–47. [Google Scholar] [CrossRef] [Green Version]
- Askari, Q.; Saeed, M.; Younas, I. Heap-based optimizer inspired by corporate rank hierarchy for global optimization. Expert Syst. Appl. 2020, 161, 113702. [Google Scholar] [CrossRef]
- Mirjalili, S.; Lewis, A. The Whale Optimization Algorithm. Adv. Eng. Softw. 2016, 95, 51–67. [Google Scholar] [CrossRef]
- Zhao, W.; Zhang, Z.; Wang, L. Manta ray foraging optimization: An effective bio-inspired optimizer for engineering applications. Eng. Appl. Artif. Intell. 2019, 87, 103300. [Google Scholar] [CrossRef]
- Faramarzi, A.; Heidarinejad, M.; Mirjalili, S.; Gandomi, A.H. Marine predators algorithm: A nature-inspired Metaheuristic. Expert Syst. Appl. 2020, 152, 113377. [Google Scholar] [CrossRef]
- Abou-El-Ela, A.A.; El-Sehiemy, R.A. Optimized generation costs using a modified particle swarm optimization version. In Proceedings of the 2008 12th International Middle East Power System Conference, MEPCON 2008, Aswan, Egypt, 12–15 March 2008; pp. 420–424. [Google Scholar] [CrossRef] [Green Version]
- Karaboga, D.; Basturk, B. A powerful and efficient algorithm for numerical function optimization: Artificial bee colony (ABC) algorithm. J. Glob. Optim. 2007, 39, 459–471. [Google Scholar] [CrossRef]
- Li, S.; Chen, H.; Wang, M.; Heidari, A.A.; Mirjalili, S. Slime mould algorithm: A new method for stochastic optimization. Futur. Gener. Comput. Syst. 2020, 111, 300–323. [Google Scholar] [CrossRef]
- Hassan, M.H.; Kamel, S.; Abualigah, L.; Eid, A. Development and application of slime mould algorithm for optimal economic emission dispatch. Expert Syst. Appl. 2021, 182, 115205. [Google Scholar] [CrossRef]
- Khunkitti, S.; Siritaratiwat, A.; Premrudeepreechacharn, S. Multi-objective optimal power flow problems based on slime mould algorithm. Sustainability 2021, 13, 7448. [Google Scholar] [CrossRef]
- Nguyen, T.T.; Wang, H.J.; Dao, T.K.; Pan, J.S.; Liu, J.H.; Weng, S. An Improved Slime Mold Algorithm and its Application for Optimal Operation of Cascade Hydropower Stations. IEEE Access 2020, 8, 226754–226772. [Google Scholar] [CrossRef]
- Yu, K.; Liu, L.; Chen, Z. An improved slime mould algorithm for demand estimation of urban water resources. Mathematics 2021, 9, 1316. [Google Scholar] [CrossRef]
- Dhawale, D.; Kamboj, V.K.; Anand, P. An effective solution to numerical and multi-disciplinary design optimization problems using chaotic slime mold algorithm. Eng. Comput. 2021. [Google Scholar] [CrossRef]
- Naik, M.K.; Panda, R.; Abraham, A. Normalized square difference based multilevel thresholding technique for multispectral images using leader slime mould algorithm. J. King Saud Univ.-Comput. Inf. Sci. 2020. [Google Scholar] [CrossRef]
- Naik, M.K.; Panda, R.; Abraham, A. Adaptive opposition slime mould algorithm. Soft Comput. 2021, 25, 14297–14313. [Google Scholar] [CrossRef]
- Naik, M.K.; Panda, R.; Abraham, A. An entropy minimization based multilevel colour thresholding technique for analysis of breast thermograms using equilibrium slime mould algorithm. Appl. Soft Comput. 2021, 113, 107955. [Google Scholar] [CrossRef]
- Suiçmez, Ç.; Kahraman, H.; Yilmaz, C.; Işik, M.F.; Cengiz, E. Improved Slime-Mould-Algorithm with Fitness Distance Balance-based Guiding Mechanism for Global Optimization Problems. Duzce Univ. J. Sci. Technol. 2021, 9, 40–54. [Google Scholar] [CrossRef]
- Eftimov, T.; Korošec, P.; Seljak, B.K. Disadvantages of Statistical Comparison of Stochastic Optimization Algorithms. In Proceedings of the 7th International Conference on Bioinspired Optimization Methods and their Applications, Bled, Slovenia, 18–20 May 2016. [Google Scholar]
- Halim, A.H.; Ismail, I.; Das, S. Performance assessment of the metaheuristic optimization algorithms: An exhaustive review. Artif. Intell. Rev. 2020, 54, 2323–2409. [Google Scholar] [CrossRef]
- Liu, M.; Li, Y.; Huo, Q.; Li, A.; Zhu, M.; Qu, N.; Chen, L.; Xia, M. A two-way parallel slime mold algorithm by flow and distance for the travelling salesman problem. Appl. Sci. 2020, 10, 6180. [Google Scholar] [CrossRef]
- Premkumar, M.; Jangir, P.; Sowmya, R.; Alhelou, H.H.; Heidari, A.A.; Chen, H. MOSMA: Multi-Objective Slime Mould Algorithm Based on Elitist Non-Dominated Sorting. IEEE Access 2020, 9, 3229–3248. [Google Scholar] [CrossRef]
- İzci, D.; Ekinci, S. Comparative performance analysis of slime mould algorithm for efficient design of proportional–integral–derivative controller. Electrica 2021, 21, 151–159. [Google Scholar] [CrossRef]
- Kumari, S.; Chugh, R. A novel four-step feedback procedure for rapid control of chaotic behavior of the logistic map and unstable traffic on the road. Chaos 2020, 30, 123115. [Google Scholar] [CrossRef]
- Mirjalili, S. SCA: A Sine Cosine Algorithm for solving optimization problems. Knowl.-Based Syst. 2016, 96, 120–133. [Google Scholar] [CrossRef]
- Mirjalili, S.; Gandomi, A.H.; Mirjalili, S.Z.; Saremi, S.; Faris, H.; Mirjalili, S.M. Salp Swarm Algorithm: A bio-inspired optimizer for engineering design problems. Adv. Eng. Softw. 2017, 114, 163–191. [Google Scholar] [CrossRef]
- Mirjalili, S.; Mirjalili, S.M.; Hatamlou, A. Multi-Verse Optimizer: A nature-inspired algorithm for global optimization. Neural Comput. Appl. 2015, 27, 495–513. [Google Scholar] [CrossRef]
- Kennedy, J.; Eberhart, R. Particle Swarm Optimization. In Proceedings of the ICNN’95-International Conference on Neural Networks, Perth, Australia, 27 November–1 December 1995; IEEE: Washington, DC, USA, 1995. [Google Scholar]
- Storn, R.; Price, K. Differential Evolution–A Simple and Efficient Heuristic for global Optimization over Continuous Spaces. J. Glob. Optim. 1997, 11, 341–359. [Google Scholar] [CrossRef]
- Liu, Y.; Gong, D.; Sun, J.; Jin, Y. A Many-Objective Evolutionary Algorithm Using a One-by-One Selection Strategy. IEEE Trans. Cybern. 2017, 47, 2689–2702. [Google Scholar] [CrossRef] [PubMed] [Green Version]
- El-Sehiemy, R.A.; El Ela, A.A.A.; Shaheen, A. A multi-objective fuzzy-based procedure for reactive power-based preventive emergency strategy. Int. J. Eng. Res. Afr. 2014, 13, 91–102. [Google Scholar] [CrossRef]
- Shaheen, A.M.; El-Sehiemy, R.A. Application of Multi-Verse Optimizer for Transmission Network Expansion Planning in Power Systems. In Proceedings of the 2019 International Conference on Innovative Trends in Computer Engineering (ITCE), Aswan, Egypt, 2–4 February 2019. [Google Scholar]
- Shaheen, A.M.; El-Sehiemy, R.A.; Elattar, E.E.; Abd-Elrazek, A.S. A Modified Crow Search Optimizer for Solving Non-Linear OPF Problem with Emissions. IEEE Access 2021, 9, 43107–43120. [Google Scholar] [CrossRef]
- Jeddi, B.; Einaddin, A.H.; Kazemzadeh, R. A novel multi-objective approach based on improved electromagnetism-like algorithm to solve optimal power flow problem considering the detailed model of thermal generators. Int. Trans. Electr. Energy Syst. 2016, 27, e2293. [Google Scholar] [CrossRef]
- Yang, X.S. Bat algorithm: Literature review and applications. Int. J. Bio-Inspired Comput. 2013, 5, 141–149. [Google Scholar] [CrossRef] [Green Version]
- Askarzadeh, A. A novel metaheuristic method for solving constrained engineering optimization problems: Crow search algorithm. Comput. Struct. 2016, 169, 1–12. [Google Scholar] [CrossRef]
- Bouchekara, H.R.E.H. Optimal power flow using black-hole-based optimization approach. Appl. Soft Comput. J. 2014, 24, 879–888. [Google Scholar] [CrossRef]
- Alhejji, A.; Ebeed Hussein, M.; Kamel, S.; Alyami, S. Optimal Power Flow Solution with an Embedded Center-Node Unified Power Flow Controller Using an Adaptive Grasshopper Optimization Algorithm. IEEE Access 2020, 8, 119020–119037. [Google Scholar] [CrossRef]
- Taher, M.A.; Kamel, S.; Jurado, F.; Ebeed, M. An improved moth-flame optimization algorithm for solving optimal power flow problem. Int. Trans. Electr. Energy Syst. 2019, 29, e2743. [Google Scholar] [CrossRef]
- Ghasemi, M.; Ghavidel, S.; Gitizadeh, M.; Akbari, E. An improved teaching-learning-based optimization algorithm using Lévy mutation strategy for non-smooth optimal power flow. Int. J. Electr. Power Energy Syst. 2015, 65, 375–384. [Google Scholar] [CrossRef]
- Abdo, M.; Kamel, S.; Ebeed, M.; Yu, J.; Jurado, F. Solving non-smooth optimal power flow problems using a developed grey wolf optimizer. Energies 2018, 11, 1692. [Google Scholar] [CrossRef] [Green Version]
- Mohamed, A.A.A.; Mohamed, Y.S.; El-Gaafary, A.A.M.; Hemeida, A.M. Optimal power flow using moth swarm algorithm. Electr. Power Syst. Res. 2017, 142, 190–206. [Google Scholar] [CrossRef]
- Duman, S. Symbiotic organisms search algorithm for optimal power flow problem based on valve-point effect and prohibited zones. Neural Comput. Appl. 2016, 28, 3571–3585. [Google Scholar] [CrossRef]
- Ghanizadeh, A.J.; Mokhtari, M.; Abedi, M.; Gharehpetian, G.B. Optimal power flow based on imperialist competitive algorithm. Int. Rev. Electr. Eng. 2011, 6, 1847–1852. [Google Scholar]
- Arul, R.; Ravi, G.; Velusami, S. Solving optimal power flow problems using chaotic self-adaptive differential harmony search algorithm. Electr. Power Compon. Syst. 2013, 41, 782–805. [Google Scholar] [CrossRef]
- Zhang, J.; Wang, S.; Tang, Q.; Zhou, Y.; Zeng, T. An improved NSGA-III integrating adaptive elimination strategy to solution of many-objective optimal power flow problems. Energy 2019, 172, 945–957. [Google Scholar] [CrossRef]
- Shaheen, A.; Ginidi, A.; El-Sehiemy, R.; Elsayed, A.; Elattar, E.; Dorrah, H.T. Developed Gorilla Troops Technique for Optimal Power Flow Problem in Electrical Power Systems. Mathematics 2022, 10, 1636. [Google Scholar] [CrossRef]
- Ramesh Kumar, A.; Premalatha, L. Optimal power flow for a deregulated power system using adaptive real coded biogeography-based optimization. Int. J. Electr. Power Energy Syst. 2015, 73, 393–399. [Google Scholar] [CrossRef]
- El-Sattar, S.A.; Kamel, S.; El Sehiemy, R.A.; Jurado, F.; Yu, J. Single- and multi-objective optimal power flow frameworks using Jaya optimization technique. Neural Comput. Appl. 2019, 31, 8787–8806. [Google Scholar] [CrossRef]
- Pulluri, H.; Naresh, R.; Sharma, V. A solution network based on stud krill herd algorithm for optimal power flow problems. Soft Comput. 2018, 22, 159–176. [Google Scholar] [CrossRef]
- Shabanpour-Haghighi, A.; Seifi, A.R.; Niknam, T. A modified teaching-learning based optimization for multi-objective optimal power flow problem. Energy Convers. Manag. 2014, 77, 597–607. [Google Scholar] [CrossRef]
- Shaheen, A.M.; El-Sehiemy, R.A.; Elattar, E.; Ginidi, A.R. An Amalgamated Heap and Jellyfish Optimizer for economic dispatch in Combined heat and power systems including N-1 Unit outages. Energy 2022, 246, 123351. [Google Scholar] [CrossRef]
- Nazari-Heris, M.; Mehdinejad, M.; Mohammadi-Ivatloo, B.; Babamalek-Gharehpetian, G. Combined heat and power economic dispatch problem solution by implementation of whale optimization method. Neural Comput. Appl. 2019, 31, 421–436. [Google Scholar] [CrossRef]
- Ginidi, A.; Elsayed, A.; Shaheen, A.; Elattar, E.; El-Sehiemy, R. An Innovative Hybrid Heap-Based and Jellyfish Search Algorithm for Combined Heat and Power Economic Dispatch in Electrical Grids. Mathematics 2021, 9, 2053. [Google Scholar] [CrossRef]
- Shaheen, A.M.; Elsayed, A.M.; Ginidi, A.R.; EL-Sehiemy, R.A.; Alharthi, M.M.; Ghoneim, S.S.M. A novel improved marine predators algorithm for combined heat and power economic dispatch problem. Alex. Eng. J. 2021, 61, 1834–1851. [Google Scholar] [CrossRef]













| Function | Range | Dimension (d) | Minimum |
|---|---|---|---|
| [−100, 100] | 30 | 0 | |
| [−10, 10] | 30 | 0 | |
| [−100, 100] | 30 | 0 | |
| [−100, 100] | 30 | 0 | |
| [−30, 30] | 30 | 0 | |
| [−100, 100] | 30 | 0 | |
| [−128, 128] | 30 | 0 |
| Function | Range | d | Min. |
|---|---|---|---|
| [−500, 500] | 30 | −418.9829 × d | |
| [−5.12, 5.12] | 30 | 0 | |
| [−32, 32] | 30 | 0 | |
| [−600, 600] | 30 | 0 | |
| [−50, 50] | 30 | 0 | |
| [−50, 50] | 30 | 0 |
| Function | Index | ESMO | SMO | SCA | SSA | WOA | MVO | PSO | DE |
|---|---|---|---|---|---|---|---|---|---|
| Fu1 | Mean | 0 | 0 | 0.015244 | 1.23 × 10−8 | 4.32 × 10−153 | 0.318998 | 128.8037 | 3.03 × 10−12 |
| STd | 0 | 0 | 0.029989 | 3.54 × 10−9 | 2.28 × 10−152 | 0.11206 | 15.36838 | 3.45 × 10−12 | |
| Median | 0 | 1.08 × 10−64 | 93.6 | 183 | 2.34 × 10−54 | 940 | 142 | 0.000401 | |
| Fu2 | Mean | 0 | 5.33 × 10−207 | 1.15 × 10−5 | 0.848146 | 5.03 × 10−104 | 0.38893 | 86.07543 | 3.72 × 10−8 |
| STd | 0 | 0 | 2.74 × 10−5 | 0.941518 | 1.59 × 10−103 | 0.137834 | 65.29881 | 1.2 × 10−8 | |
| Median | 0 | 5.93 × 10−58 | 0.00806 | 8.9 | 3.42 × 10−34 | 13.9 | 112 | 0.00224 | |
| Fu3 | Mean | 0 | 0 | 3261.997 | 236.6219 | 20,802.28 | 48.11246 | 406.9626 | 24,230.57 |
| STd | 0 | 0 | 2935.038 | 155.5471 | 10,554.39 | 21.77526 | 71.30926 | 4174.379 | |
| Median | 0 | 0.0822 | 27,500 | 2940 | 53,000 | 4610 | 606 | 30,000 | |
| Fu4 | Mean | 0 | 2.30 × 10−197 | 20.53249 | 8.254602 | 45.70634 | 1.076968 | 4.498158 | 1.965929 |
| STd | 0 | 0 | 11.04664 | 3.287966 | 26.93504 | 0.310884 | 0.329339 | 0.430531 | |
| Median | 0 | 1.31 × 10−25 | 75.3 | 16.2 | 46.1 | 14 | 4.79 | 13.2 | |
| Fu5 | Mean | 2.286848 | 0.42779 | 532.7126 | 135.5698 | 27.26543 | 407.9465 | 154736 | 46.12942 |
| STd | 6.936666 | 0.637 | 1907.446 | 174.1213 | 0.57447 | 615.329 | 36,039 | 27.29727 | |
| Median | 0.057554 | 9.89 | 1,580,000 | 7770 | 27.3 | 86,300 | 185,000 | 140 | |
| Fu6 | Mean | 0.000477 | 0.000879 | 4.550121 | 0 | 0.100557 | 0.323756 | 132.779 | 3.1 × 10−12 |
| STd | 0.000281 | 0.000415 | 0.357049 | 0 | 0.110525 | 0.097394 | 15.189 | 1.46 × 10−12 | |
| Median | 0.000436 | 0.597 | 33.7 | 204 | 0.101 | 934 | 145 | 0.000411 | |
| Fu7 | Mean | 7 × 10−5 | 8.84 × 10−5 | 0.024382 | 0.095541 | 0.000986 | 0.020859 | 111.0068 | 0.026937 |
| STd | 6.31 × 10−5 | 7.12 × 10−5 | 0.020732 | 0.05053 | 0.001147 | 0.009584 | 21.5378 | 0.006322 | |
| Median | 5.98 × 10−5 | 0.000408 | 0.604 | 0.159 | 0.00266 | 0.142 | 111 | 0.0544 |
| Function | Index | ESMO | SMO | SCA | SSA | WOA | MVO | PSO | DE |
|---|---|---|---|---|---|---|---|---|---|
| Fm1 | Mean | −12,569.5 | −12,569.4 | −3886.1 | −7816.8 | −11,630.6 | −7744.9 | −6728.1 | −12,409.8 |
| STd | 0.018169 | 0.1 | 225.6 | 842.3 | 1277.5 | 693.4 | 650.2 | 149.2 | |
| Median | −12,569.5 | −12,600 | −3820 | −6980 | −11,500 | −5590 | −6720 | −9930 | |
| Fm2 | Mean | 0 | 0 | 18.35521 | 56.61307 | 0 | 112.7184 | 369.2446 | 59.28367 |
| STd | 0 | 0 | 21.43693 | 12.89967 | 0 | 24.57189 | 18.68261 | 6.07679 | |
| Median | 0 | 0.996 | 72.2 | 138 | 0 | 233 | 373 | 86 | |
| Fm3 | Mean | 8.88 × 10−16 | 8.88 × 10−16 | 11.32308 | 2.25688 | 3.97 × 10−15 | 1.14572 | 8.41508 | 4.64 × 10−7 |
| STd | 0 | 0 | 9.66101 | 0.72068 | 2.03 × 10−15 | 0.70341 | 0.41051 | 1.38 × 10−7 | |
| Median | 8.88 × 10−16 | 8.88 × 10−16 | 14.2 | 5.03 | 4.09 × 10−15 | 7.7 | 8.75 | 0.00566 | |
| Fm4 | Mean | 0 | 0 | 0.23534 | 0.01009 | 0 | 0.57543 | 1.03228 | 9.76 × 10−11 |
| STd | 0 | 0 | 0.2248 | 0.01067 | 0 | 0.08747 | 0.00489 | 2.13 × 10−10 | |
| Median | 0 | 0 | 1.29 | 2.75 | 0 | 8.98 | 1.04 | 0.00756 | |
| Fm5 | Mean | 0.000813 | 0.001195 | 2.290194 | 5.542545 | 0.005205 | 1.294524 | 4.80322 | 3.63 × 10−13 |
| STd | 0.001482 | 0.001422 | 2.958865 | 3.122247 | 0.003512 | 1.103471 | 0.8667 | 3.4 × 10−13 | |
| Median | 0.000204 | 0.0142 | 34,800,000 | 21.7 | 0.00521 | 12.7 | 5.16 | 5.03 × 10−5 | |
| Fm6 | Mean | 0.001589 | 0.001577 | 518.6869 | 1.010473 | 0.181197 | 0.081286 | 23.19158 | 1.69 × 10−12 |
| STd | 0.003359 | 0.003 | 2782.845 | 4.701096 | 0.166955 | 0.043182 | 4.195613 | 1.16 × 10−12 | |
| Median | 0.00047 | 0.145 | 17,800,000 | 95.1 | 0.181 | 1780 | 28.8 | 0.000244 |
| Function | ESMO | SMO | SCA | SSA | WOA | MVO | PSO | DE |
|---|---|---|---|---|---|---|---|---|
| Fu1 | 1.5 | 1.5 | 5 | 4 | 7 | 6 | 8 | 3 |
| Fu2 | 1 | 2 | 4 | 6 | 7 | 5 | 8 | 3 |
| Fu3 | 1.5 | 1.5 | 6 | 4 | 7 | 3 | 5 | 8 |
| Fu4 | 1 | 2 | 7 | 6 | 8 | 3 | 5 | 4 |
| Fu5 | 2 | 1 | 7 | 5 | 3 | 6 | 8 | 4 |
| Fu6 | 3 | 4 | 7 | 1 | 5 | 6 | 8 | 2 |
| Fu7 | 1 | 2 | 5 | 7 | 3 | 4 | 8 | 6 |
| Fm1 | 2 | 1 | 8 | 5 | 4 | 6 | 7 | 3 |
| Fm2 | 1.5 | 1.5 | 4 | 5 | 1.5 | 7 | 8 | 6 |
| Fm3 | 1.5 | 1.5 | 8 | 6 | 3 | 5 | 7 | 4 |
| Fm4 | 1.5 | 1.5 | 6 | 5 | 1.5 | 7 | 8 | 4 |
| Fm5 | 2 | 3 | 6 | 8 | 4 | 5 | 7 | 1 |
| Fm6 | 3 | 2 | 8 | 6 | 5 | 4 | 7 | 1 |
| Summation | 22.5 | 24.5 | 81 | 68 | 59 | 67 | 94 | 49 |
| Mean rank | 1.6071429 | 1.75 | 5.7857143 | 4.8571429 | 4.2142857 | 4.7857143 | 6.7142857 | 3.5 |
| Final Ranking | 1 | 2 | 7 | 6 | 4 | 5 | 8 | 3 |
| Variables | SMO | Proposed ESMO | LSMO [31] | EQSMO [32] | AOSMO [33] | FDBSMO [34] |
|---|---|---|---|---|---|---|
| Number of individuals | 50 | 50 | 50 | 50 | 25 | 50 |
| Number of iterations | 300 | 300 | 300 | 300 | 300 | 300 |
| Number of function evaluation per each individual | 1 | 1 | 1 | 1 | 2 | 1 |
| Total number of runs | 30 | |||||
| Total number of function evaluations | 15,000 | |||||
| Variables | Initial | SMO | Proposed ESMO | LSMO | EQSMO | AOSMO | FDBSMO |
|---|---|---|---|---|---|---|---|
| Vgen 1 | 1.0500 | 1.099969602 | 1.1 | 1.1 | 1.1 | 1.1 | 1.1 |
| Vgen 2 | 1.0400 | 1.088343999 | 1.087639528 | 1.088106605 | 1.088033924 | 1.087606497 | 1.087707536 |
| Vgen 5 | 1.0100 | 1.061815867 | 1.061513432 | 1.062283384 | 1.062101361 | 1.061700294 | 1.060850352 |
| Vgen 8 | 1.0100 | 1.069580017 | 1.070329805 | 1.070401666 | 1.069533777 | 1.069257672 | 1.06859214 |
| Vgen 11 | 1.0500 | 1.099998144 | 1.1 | 1.1 | 1.1 | 1.099942632 | 1.1 |
| Vgen 13 | 1.0500 | 1.1 | 1.1 | 1.1 | 1.1 | 1.1 | 1.1 |
| Ta 6–9 | 1.0780 | 1.045635918 | 1.044369846 | 1.063643374 | 1.051376567 | 1.004989363 | 1.064422161 |
| Ta 6–10 | 1.0690 | 0.931759565 | 0.911612439 | 0.9007877 | 0.929805666 | 0.974457082 | 0.9 |
| Ta 4–12 | 1.0320 | 1.007802744 | 0.991122526 | 1.008046557 | 1.017551823 | 0.997683162 | 0.995096784 |
| Ta 28–27 | 1.0680 | 0.971018798 | 0.964707994 | 0.963876332 | 0.979926365 | 0.977898669 | 0.972079256 |
| Qcap 10 | 0 | 4.208618458 | 4.901566432 | 4.136822869 | 1.498053882 | 4.976971243 | 4.327592577 |
| Qcap 12 | 0 | 1.451796819 | 4.383148586 | 4.94482842 | 0.696142216 | 4.884154333 | 4.667399693 |
| Qcap 15 | 0 | 1.306875509 | 2.483268955 | 4.786681393 | 4.792743533 | 4.728549757 | 0.045181547 |
| Qcap 17 | 0 | 5 | 4.998164786 | 2.130295748 | 5 | 4.958379139 | 4.998203992 |
| Qcap 20 | 0 | 1.961100674 | 4.998940961 | 3.343858724 | 4.804278029 | 4.984821012 | 4.839667485 |
| Qcap 21 | 0 | 4.803911173 | 4.984963132 | 4.602756718 | 5 | 4.602619108 | 4.998527988 |
| Qcap 23 | 0 | 4.967076344 | 4.929896773 | 1.465312443 | 1.168975994 | 4.626528243 | 3.897113281 |
| Qcap 24 | 0 | 4.996077919 | 5 | 4.836618584 | 4.927208177 | 4.641278115 | 5 |
| Qcap 29 | 0 | 0.669299515 | 2.003815544 | 0.086094576 | 1.751011024 | 4.731956237 | 2.870308756 |
| Pgen 1 | 99.2400 | 177.0369 | 177.054 | 177.4292091 | 177.0980781 | 177.3830955 | 177.2475961 |
| Pgen 2 | 80 | 48.6588889 | 48.54725268 | 48.33560014 | 48.51216059 | 48.69172993 | 48.5077348 |
| Pgen 5 | 50 | 21.33672043 | 21.38583045 | 21.2845056 | 21.22712818 | 21.3520339 | 21.23838842 |
| Pgen 8 | 20 | 21.16227193 | 21.36222862 | 21.43941889 | 21.03134239 | 20.61578115 | 21.13968009 |
| Pgen 11 | 20 | 11.9200414 | 11.93816688 | 11.58454651 | 12.18081624 | 11.95169297 | 11.91470514 |
| Pgen 13 | 20 | 12.01013994 | 12.00255919 | 12 | 12 | 12.08219303 | 12.00039502 |
| F1 | 901.9600 | 799.202 | 799.1134 | 799.2048692 | 799.1730514 | 799.1745189 | 799.12964 |
| Method | F1 |
|---|---|
| Proposed ESMO | 799.1134 |
| SMO | 799.202 |
| LSMO | 799.2048692 |
| EQSMO | 799.1730514 |
| AOSMO | 799.1745189 |
| FDBSMO | 799.12964 |
| MCSO [49] | 799.3332 |
| IEOA [50] | 799.688 |
| NBO [51] | 799.7516 |
| CSO [52] | 799.8266 |
| BHBOA [53] | 799.9217 |
| AGO [54] | 800.0212 |
| IMFO [55] | 800.3848 |
| TLA [56] | 800.4212 |
| DGWA [57] | 800.433 |
| MSA [58] | 800.5099 |
| GO [54] | 800.9728 |
| SOS [59] | 801.5733 |
| ICA [60] | 801.843 |
| DHSA [53] | 802.2966 |
| GA [62] | 802.1962 |
| Variables | Initial | SMO | Proposed ESMO | LSMO | EQSMO | AOSMO | FDBSMO |
|---|---|---|---|---|---|---|---|
| Vgen 1 | 1.0500 | 1.1 | 1.1 | 1.1 | 1.1 | 1.1 | 1.099989573 |
| Vgen 2 | 1.0400 | 1.097879 | 1.098038 | 1.097501943 | 1.096319677 | 1.097285716 | 1.09804085 |
| Vgen 5 | 1.0100 | 1.079229 | 1.080119 | 1.079199519 | 1.080009144 | 1.078852719 | 1.081198314 |
| Vgen 8 | 1.0100 | 1.088195 | 1.087402 | 1.087596906 | 1.08475669 | 1.087053678 | 1.088314909 |
| Vgen 11 | 1.0500 | 1.1 | 1.099767 | 1.098598489 | 1.099455244 | 1.1 | 1.1 |
| Vgen 13 | 1.0500 | 1.099676 | 1.1 | 1.1 | 1.1 | 1.1 | 1.1 |
| Ta 6–9 | 1.0780 | 1.063533 | 1.070752 | 1.049470818 | 1.065452822 | 1.07056185 | 1.030097886 |
| Ta 6–10 | 1.0690 | 0.905539 | 0.9 | 0.915931488 | 0.905932713 | 0.902753197 | 0.936000592 |
| Ta 4–12 | 1.0320 | 0.985392 | 0.989256 | 1.000010356 | 0.985437987 | 0.992873237 | 0.987993017 |
| Ta 28–27 | 1.0680 | 0.978031 | 0.973971 | 0.9844877 | 0.970903402 | 0.978152907 | 0.974034656 |
| Qcap 10 | 0 | 4.977853 | 4.9364 | 2.838936239 | 4.993922257 | 3.950366074 | 0.706305597 |
| Qcap 12 | 0 | 1.455635 | 4.832076 | 4.97359854 | 0.889625335 | 1.660906262 | 4.999986635 |
| Qcap 15 | 0 | 1.525858 | 5 | 1.020706924 | 3.062849892 | 4.649982156 | 4.118956228 |
| Qcap 17 | 0 | 3.578362 | 4.996391 | 4.525460006 | 4.999200578 | 4.650398836 | 4.986290979 |
| Qcap 20 | 0 | 4.680336 | 4.706986 | 3.43393887 | 4.834020113 | 5 | 3.660338716 |
| Qcap 21 | 0 | 4.99174 | 5 | 3.172761986 | 4.991919357 | 4.996140588 | 4.999935911 |
| Qcap 23 | 0 | 3.525662 | 2.901574 | 4.355145722 | 2.759336009 | 4.962344585 | 4.11599159 |
| Qcap 24 | 0 | 4.865855 | 4.973277 | 4.974977192 | 4.843678606 | 4.702638138 | 5 |
| Qcap 29 | 0 | 1.472307 | 2.171079 | 2.732949574 | 0.863015243 | 3.022489789 | 2.035194665 |
| Pgen 1 | 99.2400 | 51.33 | 51.26 | 51.29182179 | 51.27089863 | 51.2719091 | 51.28320001 |
| Pgen 2 | 80 | 79.93523 | 79.99628 | 80 | 80 | 79.9978392 | 79.9824479 |
| Pgen 5 | 50 | 50 | 50 | 50 | 50 | 50 | 50 |
| Pgen 8 | 20 | 35 | 35 | 35 | 35 | 35 | 35 |
| Pgen 11 | 20 | 30 | 30 | 29.99833311 | 30 | 30 | 29.99994255 |
| Pgen 13 | 20 | 40 | 40 | 39.98873995 | 40 | 40 | 39.99986133 |
| F2 | 5.832400 | 2.873533 | 2.852083 | 2.87889486 | 2.870898634 | 2.869748299 | 2.865451787 |
| Variables | Initial | SMO | Proposed ESMO | LSMO | EQSMO | AOSMO | FDBSMO |
|---|---|---|---|---|---|---|---|
| Vgen 1 | 1.0500 | 1.1 | 1.1 | 1.1 | 1.1 | 1.1 | 1.1 |
| Vgen 2 | 1.0400 | 1.096354 | 1.096357 | 1.097996578 | 1.096180409 | 1.098807122 | 1.096206734 |
| Vgen 5 | 1.0100 | 1.079503 | 1.07941 | 1.081597125 | 1.079346054 | 1.082941938 | 1.078506486 |
| Vgen 8 | 1.0100 | 1.08681 | 1.087166 | 1.091032082 | 1.085989926 | 1.09400001 | 1.087012582 |
| Vgen 11 | 1.0500 | 1.099738 | 1.1 | 1.099085656 | 1.098269993 | 1.061797205 | 1.1 |
| Vgen 13 | 1.0500 | 1.099207 | 1.099834 | 1.099950061 | 1.099485885 | 1.1 | 1.099966593 |
| Ta 6–9 | 1.0780 | 1.015615 | 1.0526 | 1.032079855 | 1.023655322 | 1.0731266 | 1.019289849 |
| Ta 6–10 | 1.0690 | 0.937388 | 0.916771 | 0.959351211 | 0.930001004 | 0.916026262 | 0.931165942 |
| Ta 4–12 | 1.0320 | 0.999944 | 0.990658 | 0.98533689 | 0.990800687 | 0.993867339 | 1.020575999 |
| Ta 28–27 | 1.0680 | 0.981544 | 0.98187 | 0.994597626 | 0.975205887 | 1.007583168 | 0.995172232 |
| Qcap 10 | 0 | 0.000111 | 4.549616 | 1.927801467 | 1.797372234 | 4.782056182 | 2.358931836 |
| Qcap 12 | 0 | 1.88548 | 4.9999 | 4.548228762 | 1.309795523 | 3.716423429 | 4.15318608 |
| Qcap 15 | 0 | 3.020388 | 0.394847 | 4.804725694 | 1.050136129 | 1.255422697 | 4.866707435 |
| Qcap 17 | 0 | 3.067737 | 0.776326 | 1.87954392 | 1.406471174 | 4.820877558 | 0.180389178 |
| Qcap 20 | 0 | 3.655352 | 4.999903 | 1.041218586 | 4.984295346 | 4.91890748 | 1.612733824 |
| Qcap 21 | 0 | 2.024077 | 4.629759 | 4.1317633 | 4.604957817 | 4.999765024 | 0.554657733 |
| Qcap 23 | 0 | 2.303044 | 4.597308 | 4.763479851 | 5 | 1.04876913 | 3.612030106 |
| Qcap 24 | 0 | 4.141412 | 4.884661 | 3.603719722 | 3.7248026 | 3.728962339 | 4.94272429 |
| Qcap 29 | 0 | 2.648556 | 3.467423 | 4.636432124 | 0.477582774 | 4.938723233 | 1.611635229 |
| Pgen 1 | 99.2400 | 63.9794 | 63.9824 | 63.93708603 | 63.90248253 | 63.93782153 | 64.09423067 |
| Pgen 2 | 80 | 67.450805 | 67.4480204 | 67.52824811 | 67.53597051 | 67.54182947 | 67.36693912 |
| Pgen 5 | 50 | 50 | 49.99984589 | 50 | 50 | 49.99957803 | 50 |
| Pgen 8 | 20 | 35 | 34.99975216 | 35 | 35 | 35 | 34.99988911 |
| Pgen 11 | 20 | 29.99976934 | 30 | 30 | 30 | 30 | 30 |
| Pgen 13 | 20 | 40 | 40 | 39.9999523 | 40 | 40 | 40 |
| F3 | 0.23909633 | 0.204700981 | 0.20469247 | 0.20470874 | 0.20470045 | 0.204713264 | 0.204707036 |
| Algorithm | F3 |
|---|---|
| Proposed ESMO | 0.20469247 |
| SMO | 0.204700981 |
| Stud KHA [66] | 0.2048 |
| ARBO [64] | 0.2048 |
| Jaya [65] | 0.204834 |
| AGO [54] | 0.20484 |
| MCSO [49] | 0.2048911 |
| KHA [66] | 0.2049 |
| GO [54] | 0.20492 |
| Modified TLA [67] | 0.20493 |
| CSO [49] | 0.2051355 |
| NBO [49] | 0.2052063 |
| Variables | SMO | LSMO | EQSMO | AOSMO | FDBSMO | |
|---|---|---|---|---|---|---|
| p-value | Costs minimization | 2.13 × 10−4 | 5.6 × 10−7 | 0.0251 | 0.0468 | 0.5997 |
| Losses minimization | 7.39 × 10−11 | 2.37 × 10−10 | 3.82 × 10−10 | 5.00 × 10−9 | 2.02 × 10−8 | |
| Emissions minimization | 3.82 × 10−9 | 7.38 × 10−10 | 5.53 × 10−8 | 8.10 × 10−10 | 1.43 × 10−8 | |
| Case Study | Index | Proposed ESMO | SMO_Elitist | SMO_Chaotic |
|---|---|---|---|---|
| Costs minimization | Best | 799.1133854 | 799.1730514 | 799.1932399 |
| Mean | 799.248253 | 799.2955193 | 799.3774219 | |
| Worst | 799.4369998 | 799.4791913 | 799.694656 | |
| STd | 0.074834721 | 0.079802162 | 0.1308863 | |
| STd improvement | - | 6.6379% | 74.9000% | |
| Losses minimization | Index | Proposed ESMO | SMO_Elitist | SMO_Chaotic |
| Best | 2.852083219 | 2.870898634 | 2.876550431 | |
| Mean | 2.867769783 | 2.970575502 | 2.971105614 | |
| Worst | 2.914049709 | 3.155098093 | 3.18800886 | |
| STd | 0.012689716 | 0.100712161 | 0.080521342 | |
| STd improvement | - | 87.4008% | 84.2415% | |
| Emissions minimization | Index | Proposed ESMO | SMO_Elitist | SMO_Chaotic |
| Best | 0.20469247 | 0.20470045 | 0.204710214 | |
| Mean | 0.204710428 | 0.204798429 | 0.20481888 | |
| Worst | 0.204893097 | 0.204919011 | 0.204947592 | |
| STd | 3.53586 × 10−5 | 7.14083 × 10−5 | 7.78415 × 10−5 | |
| STd improvement | - | 50.4891% | 54.5761% |
| Unit | SMO | ESMO | Unit | SMO | ESMO | Unit | SMO | ESMO |
|---|---|---|---|---|---|---|---|---|
| P1 | 113.9974 | 73.44459 | P38 | 109.9748 | 90.6213 | H51 | 125.9833 | 107.7456 |
| P2 | 74.05953 | 113.2413 | P39 | 109.9961 | 109.9997 | H52 | 113.3157 | 123.7505 |
| P3 | 92.04989 | 99.33216 | P40 | 511.3279 | 511.2792 | H53 | 77.79472 | 77.54494 |
| P4 | 133.6151 | 180.4777 | P41 | 86.87628 | 108.6506 | H54 | 116.0015 | 82.17562 |
| P5 | 89.39002 | 94.273 | P42 | 113.3483 | 152.9563 | H55 | 96.60794 | 81.74176 |
| P6 | 106.2412 | 107.4841 | P43 | 116.9203 | 108.1153 | H56 | 94.59446 | 82.75072 |
| P7 | 261.9628 | 186.3668 | P44 | 152.2478 | 123.2221 | H57 | 42.32534 | 40.50032 |
| P8 | 292.9954 | 297.196 | P45 | 91.89126 | 92.14206 | H58 | 44.5064 | 41.83042 |
| P9 | 299.9997 | 287.3499 | P46 | 41.66998 | 62.4102 | H59 | 48.60778 | 47.76195 |
| P10 | 204.7936 | 204.7983 | P47 | 53.36528 | 74.27693 | H60 | 47.00024 | 40.429 |
| P11 | 243.5362 | 168.7863 | P48 | 61.44711 | 80.61822 | H61 | 41.26132 | 20.30929 |
| P12 | 318.5471 | 318.4253 | P49 | 107.9406 | 105.2862 | H62 | 22.28054 | 30.79636 |
| P13 | 304.6454 | 394.3084 | P50 | 140.602 | 126.0701 | H63 | 32.20353 | 20.44812 |
| P14 | 304.6668 | 484.0242 | P51 | 119.0138 | 86.26312 | H64 | 22.91647 | 33.83084 |
| P15 | 484.0212 | 484.0372 | P52 | 96.18743 | 114.7725 | H65 | 374.0721 | 385.4842 |
| P16 | 483.8587 | 304.5231 | P53 | 43.25877 | 42.94842 | H66 | 372.5447 | 382.6649 |
| P17 | 489.4774 | 489.294 | P54 | 87.49657 | 48.31214 | H67 | 375.9403 | 385.8598 |
| P18 | 489.3831 | 489.3403 | P55 | 65.05127 | 47.80923 | H68 | 377.0608 | 382.8618 |
| P19 | 511.3923 | 511.334 | P56 | 62.70521 | 48.98129 | H69 | 59.96803 | 59.99895 |
| P20 | 512.2124 | 511.3195 | P57 | 15.44486 | 11.2051 | H70 | 60 | 59.99983 |
| P21 | 530.2838 | 545.5427 | P58 | 20.53013 | 14.27382 | H71 | 59.99945 | 60 |
| P22 | 532.1481 | 523.2856 | P59 | 30.11782 | 28.11363 | H72 | 59.99984 | 60 |
| P23 | 523.3675 | 524.2476 | P60 | 26.34874 | 11.00413 | H73 | 59.99217 | 59.99981 |
| P24 | 526.3741 | 523.6606 | P61 | 81.77664 | 35.68019 | H74 | 59.987 | 60 |
| P25 | 523.7434 | 523.3108 | P62 | 40.43841 | 58.77151 | H75 | 60 | 59.99856 |
| P26 | 523.3641 | 523.5737 | P63 | 61.95136 | 36.01009 | H76 | 60 | 59.99951 |
| P27 | 10 | 10 | P64 | 41.4247 | 65.42881 | H77 | 120 | 120 |
| P28 | 10.00883 | 10.00009 | H41 | 108.0767 | 120.3123 | H78 | 119.9998 | 119.9986 |
| P29 | 10.00068 | 10 | H42 | 122.9207 | 145.1812 | H79 | 119.9982 | 119.9995 |
| P30 | 96.97777 | 95.47952 | H43 | 124.954 | 120.0116 | H80 | 120 | 119.9997 |
| P31 | 162.9052 | 189.9992 | H44 | 144.741 | 128.4933 | H81 | 120 | 120 |
| P32 | 189.9974 | 189.9996 | H45 | 119.7918 | 120.0113 | H82 | 119.9875 | 120 |
| P33 | 162.2703 | 190 | H46 | 76.44105 | 94.34085 | H83 | 120 | 119.9995 |
| P34 | 168.6657 | 171.2658 | H47 | 86.52864 | 104.5896 | H84 | 120 | 120 |
| P35 | 199.9998 | 199.827 | H48 | 93.48256 | 110.0641 | Sum (Pg) | 5000.0000 | 5000.0000 |
| P36 | 168.4265 | 171.566 | H49 | 119.885 | 118.4221 | Sum (Hg) | 12,700.0000 | 12,700.0000 |
| P37 | 61.2683 | 103.6635 | H50 | 138.2295 | 130.0936 | F (USD) | 290,362.8 | 289,498.2 |
| Optimizer | F (USD) |
|---|---|
| Proposed ESMO | 289,498.2 |
| SMO | 290,362.8 |
| JFSO [70] | 290,323.8 |
| WOA [69] | 290,123.97 |
| MPA [71] | 294,717.7 |
| IMPA [71] | 289,903.8 |
| Function | Index | Proposed ESMO | SMO | LSMO | EQSMO | AOSMO | FDBSMO |
|---|---|---|---|---|---|---|---|
| Costs minimization | Best | 1 | 5 | 6 | 3 | 4 | 2 |
| Mean | 2 | 5 | 6 | 4 | 3 | 1 | |
| Worst | 3 | 5 | 6 | 4 | 2 | 1 | |
| STd | 2 | 5 | 6 | 3 | 4 | 1 | |
| Losses minimization | Best | 1 | 5 | 6 | 4 | 3 | 2 |
| Mean | 1 | 6 | 4 | 5 | 2 | 3 | |
| Worst | 1 | 6 | 4 | 5 | 2 | 3 | |
| STd | 1 | 6 | 4 | 5 | 2 | 3 | |
| Emissions minimization | Best | 1 | 3 | 5 | 2 | 6 | 4 |
| Mean | 1 | 5 | 6 | 4 | 3 | 2 | |
| Worst | 2 | 4 | 6 | 3 | 5 | 1 | |
| STd | 1 | 5 | 6 | 3 | 4 | 2 | |
| Summation | 17 | 60 | 65 | 45 | 40 | 25 | |
| Mean rank | 1.416667 | 5 | 5.416667 | 3.75 | 3.333333 | 2.083333 | |
| Final ranking | 1 | 5 | 6 | 4 | 3 | 2 | |
| Case Study | Source | SS | df | MS | Chi-sq | Prob > Chi-sq |
|---|---|---|---|---|---|---|
| Costs minimization | Columns | 125.933 | 5 | 25.1867 | 35.98 | 9.5818 × 10−7 |
| Error | 399.067 | 145 | 2.7522 | |||
| Total | 525 | 179 | ||||
| Losses minimization | Columns | 252.533 | 5 | 50.5067 | 72.15 | 3.6512 × 10−14 |
| Error | 272.467 | 145 | 1.8791 | |||
| Total | 525 | 179 | ||||
| Emissions minimization | Columns | 213.867 | 5 | 42.7733 | 61.1 | 7.1836 × 10−12 |
| Error | 311.133 | 145 | 2.1457 | |||
| Total | 525 | 179 |
| Costs Minimization | ||||
| Compared Methods | LCI | DGM | UCI | p-Value |
| ESMO vs. SMO | −2.8432 | −1.4667 | −0.0901 | 0.0289 |
| ESMO vs. LSMO | −3.6099 | −2.2333 | −0.8568 | 0.0001 |
| ESMO vs. EQSMO | −2.3099 | −0.9333 | 0.4432 | 0.3823 |
| ESMO vs. AOSMO | −2.1765 | −0.8 | 0.5765 | 0.561 |
| ESMO vs. FDBSMO | −1.1432 | 0.2333 | 1.6099 | 0.9968 |
| SMO vs. LSMO | −2.1432 | −0.7667 | 0.6099 | 0.6071 |
| SMO vs. EQSMO | −0.8432 | 0.5333 | 1.9099 | 0.8799 |
| SMO vs. AOSMO | −0.7099 | 0.6667 | 2.0432 | 0.7391 |
| SMO vs. FDBSMO | 0.3235 | 1.7 | 3.0765 | 0.0058 |
| LSMO vs. EQSMO | −0.0765 | 1.3 | 2.6765 | 0.0769 |
| LSMO vs. AOSMO | 0.0568 | 1.4333 | 2.8099 | 0.0356 |
| LSMO vs. FDBSMO | 1.0901 | 2.4667 | 3.8432 | 0 |
| EQSMO vs. AOSMO | −1.2432 | 0.1333 | 1.5099 | 0.9998 |
| EQSMO vs. FDBSMO | −0.2099 | 1.1667 | 2.5432 | 0.1508 |
| AOSMO vs. FDBSMO | −0.3432 | 1.0333 | 2.4099 | 0.267 |
| Losses Minimization | ||||
| Compared Methods | LCI | DGM | UCI | p-Value |
| ESMO vs. SMO | −5.1099 | −3.7333 | −2.3568 | 0 |
| ESMO vs. LSMO | −4.1432 | −2.7667 | −1.3901 | 0 |
| ESMO vs. EQSMO | −4.3432 | −2.9667 | −1.5901 | 0 |
| ESMO vs. AOSMO | −3.1099 | −1.7333 | −0.3568 | 0.0045 |
| ESMO vs. FDBSMO | −3.9765 | −2.6 | −1.2235 | 0 |
| SMO vs. LSMO | −0.4099 | 0.9667 | 2.3432 | 0.3415 |
| SMO vs. EQSMO | −0.6099 | 0.7667 | 2.1432 | 0.6071 |
| SMO vs. AOSMO | 0.6235 | 2 | 3.3765 | 0.0005 |
| SMO vs. FDBSMO | −0.2432 | 1.1333 | 2.5099 | 0.1757 |
| LSMO vs. EQSMO | −1.5765 | −0.2 | 1.1765 | 0.9985 |
| LSMO vs. AOSMO | −0.3432 | 1.0333 | 2.4099 | 0.267 |
| LSMO vs. FDBSMO | −1.2099 | 0.1667 | 1.5432 | 0.9994 |
| EQSMO vs. AOSMO | −0.1432 | 1.2333 | 2.6099 | 0.1091 |
| EQSMO vs. FDBSMO | −1.0099 | 0.3667 | 1.7432 | 0.9742 |
| AOSMO vs. FDBSMO | −2.2432 | −0.8667 | 0.5099 | 0.4695 |
| Emissions Minimization | ||||
| Compared Methods | LCI | DGM | UCI | p-Value |
| ESMO vs. SMO | 1.7235 | 3.1 | 4.4765 | 0 |
| ESMO vs. LSMO | −1.6099 | −0.2333 | 1.1432 | 0.9968 |
| ESMO vs. EQSMO | −0.7432 | 0.6333 | 2.0099 | 0.779 |
| ESMO vs. AOSMO | −0.7765 | 0.6 | 1.9765 | 0.8161 |
| ESMO vs. FDBSMO | −0.2765 | 1.1 | 2.4765 | 0.2033 |
| SMO vs. LSMO | −4.7099 | −3.3333 | −1.9568 | 0 |
| SMO vs. EQSMO | −3.8432 | −2.4667 | −1.0901 | 0 |
| SMO vs. AOSMO | −3.8765 | −2.5 | −1.1235 | 0 |
| SMO vs. FDBSMO | −3.3765 | −2 | −0.6235 | 0.0005 |
| LSMO vs. EQSMO | −0.5099 | 0.8667 | 2.2432 | 0.4695 |
| LSMO vs. AOSMO | −0.5432 | 0.8333 | 2.2099 | 0.515 |
| LSMO vs. FDBSMO | −0.0432 | 1.3333 | 2.7099 | 0.064 |
| EQSMO vs. AOSMO | −1.4099 | −0.0333 | 1.3432 | 1 |
| EQSMO vs. FDBSMO | −0.9099 | 0.4667 | 1.8432 | 0.9287 |
| AOSMO vs. FDBSMO | −0.8765 | 0.5 | 1.8765 | 0.9062 |
| Case Study | Source | SS | df | MS | Chi-sq | Prob > Chi-sq |
|---|---|---|---|---|---|---|
| Costs minimization | Columns | 6.66667 | 1 | 6.66667 | 13.33 | 0.0003 |
| Error | 8.33333 | 29 | 0.28736 | |||
| Total | 15 | 59 |
| Costs Minimization | ||||
|---|---|---|---|---|
| Compared Methods | LCI | DGM | UCI | p-Value |
| ESMO vs. SMO | 0.308831 | 0.666667 | 1.024502 | 0.000261 |
Publisher’s Note: MDPI stays neutral with regard to jurisdictional claims in published maps and institutional affiliations. |
© 2022 by the authors. Licensee MDPI, Basel, Switzerland. This article is an open access article distributed under the terms and conditions of the Creative Commons Attribution (CC BY) license (https://creativecommons.org/licenses/by/4.0/).
Share and Cite
Sarhan, S.; Shaheen, A.M.; El-Sehiemy, R.A.; Gafar, M. An Enhanced Slime Mould Optimizer That Uses Chaotic Behavior and an Elitist Group for Solving Engineering Problems. Mathematics 2022, 10, 1991. https://doi.org/10.3390/math10121991
Sarhan S, Shaheen AM, El-Sehiemy RA, Gafar M. An Enhanced Slime Mould Optimizer That Uses Chaotic Behavior and an Elitist Group for Solving Engineering Problems. Mathematics. 2022; 10(12):1991. https://doi.org/10.3390/math10121991
Chicago/Turabian StyleSarhan, Shahenda, Abdullah Mohamed Shaheen, Ragab A. El-Sehiemy, and Mona Gafar. 2022. "An Enhanced Slime Mould Optimizer That Uses Chaotic Behavior and an Elitist Group for Solving Engineering Problems" Mathematics 10, no. 12: 1991. https://doi.org/10.3390/math10121991
APA StyleSarhan, S., Shaheen, A. M., El-Sehiemy, R. A., & Gafar, M. (2022). An Enhanced Slime Mould Optimizer That Uses Chaotic Behavior and an Elitist Group for Solving Engineering Problems. Mathematics, 10(12), 1991. https://doi.org/10.3390/math10121991

