Energy-Harvesting Powered Variable Storage Topology for Battery-Free Wireless Sensors †
Abstract
:1. Introduction
2. Basic Operation Principle
2.1. Basic Principle of Adaptive Storage
- First, it should allow a cold startup operation that corresponds to the case when ultra-capacitors are empty.
- Second, its architecture should be optimized to minimize losses.
2.2. Reference Self-Adaptive Switched Architecture Storage with 4 Ultra-Capacitors
- “All in-series” allows fast startup (Ceq = C/4)
- “Series-parallel” (Ceq = C)
- “All in-parallel” in order to maximize the amount of stored energy (Ceq = 4 C) without increasing V+ voltage.
3. Proposed Self-Variable Storage Topology with 2 Ultra-Capacitors
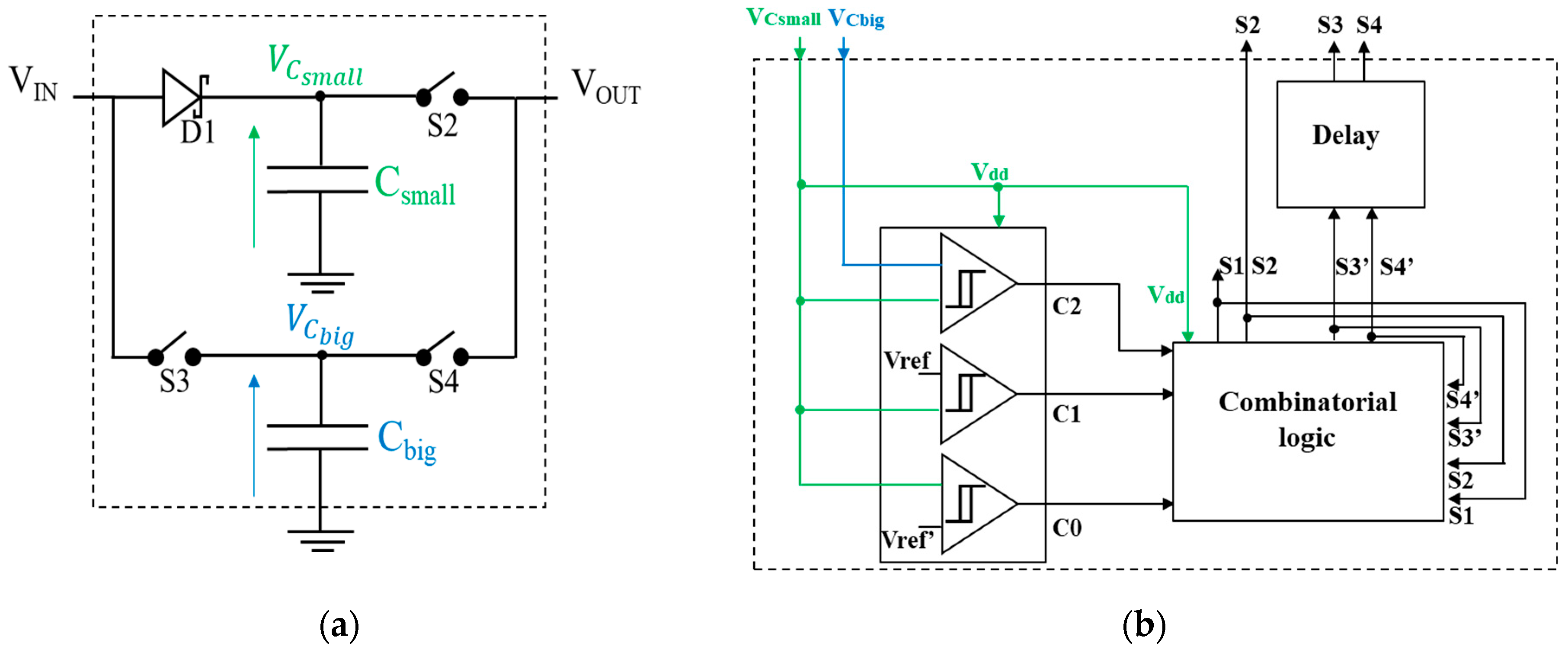
3.1. Circuit Topology
3.2. Operating Principle
3.3. Logic Control Parameters and Optimization
3.4. Experimental Implementation and Characterization
- The LTC1540 comparator exhibits an erroneous behavior when its VDD is below 1 V, thus inducing the triggering of S3 switch and the early charging of Cbig. This behavior was not observed in simulation.
- The electrostatic discharge (ESD) protection of S3 switch provides a parasitic current path in parallel with the Schottky diode.
3.5. Final Optimization and Characterization
- At start-up with empty ultra-capacitors, D1 charges Csmall and S2 and S3 are open.
- VCsmall ≥ Vmax1 = > S2 switch is closed and Csmall supplies the load.
- VCsmall ≤ Vmin1 = > S2 switch is opened, D1 recharges Csmall.
- VCsmall ≥ Vmax2 = > S3 switch is closed and Cbig starts charging through D2 (Step c Figure 5).
- VCsmall ≤ Vmin2 = > S3 switch is opened, D1 recharges Csmall. Steps b and c (Figure 5) are repeated until VCbig = VCsmall.
- VCbig ≥ VCsmall = > D1, D2 and D3 diodes are ON, S2 and S3 switches are closed to supply the load from Csmall and Cbig.
- Reduced number of components (control circuitry consists of only two comparators), resulting in lower cost and lower power consumption.
- Better genericness, meaning that it is able to operate at low and high voltages.
- Easily integrable in CMOS technology.
4. Implementation and Validation in a Wireless Sensor Node
5. Discussion
Author Contributions
Funding
Acknowledgments
Conflicts of Interest
References
- Bafleur, M.; Boitier, V.; Bramban, D.; Dilhac, J.-M.; Dollat, X.; Féau, J.; Jugé, S. Autonomous power supply for aeronautical health monitoring sensors. J. Phys. Conf. Ser. 2018, 1052, 012031. [Google Scholar] [CrossRef]
- Kim, S.; Pakzad, S.; Culler, D.; Demmel, J.; Fenves, G.; Glaser, S.; Turon, M. Health Monitoring of Civil Infrastructures Using Wireless Sensor Networks. In Proceedings of the 2007 6th International Symposium on Information Processing in Sensor Networks, Cambridge, MA, USA, 25–27 April 2007; pp. 254–263. [Google Scholar] [CrossRef]
- Monthéard, R.; Bafleur, M.; Boitier, V.; Dilhac, J.-M.; Lafontan, X. Self-adaptive switched ultra-capacitors: A new concept for efficient energy harvesting and storage. In Proceedings of the PowerMEMS, Atlanta, GA, USA, 2–5 December 2012; pp. 283–286. [Google Scholar]
- Uno, M.; Toyota, H. Equalization technique utilizing series-parallel connected supercapacitors for energy storage system. In Proceedings of the IEEE International Conference on Sustainable Energy Technologies (ICSET 2008), Singapore, 24–27 November 2008; pp. 893–897. [Google Scholar] [CrossRef]
- Nie, J.-F.; Xiao, X.; Nie, Z.; Tian, P.; Ding, R. A novel three-level changeover circuit of super-capacitor bank for energy storage systems. In Proceedings of the 38th Annual Conference on IEEE Industrial Electronics Society (IECON 2012), Montreal, QC, Canada, 25–28 October 2012; pp. 144–149. [Google Scholar] [CrossRef]
- Uno, M.; Tanaka, K. Single-Switch Cell Voltage Equalizer Using Multistacked Buck-Boost Converters Operating in Discontinuous Conduction Mode for Series-Connected Energy Storage Cells. IEEE Trans. Veh. Technol. 2011, 60, 3635–3645. [Google Scholar] [CrossRef]
- El Mahboubi, F.; Bafleur, M.; Boitier, V.; Alvarez, A.; Colomer, J.; Miribel, P.; Dilhac, J.-M. Self-Powered Adaptive Switched Architecture Storage. J. Phys. Conf. Ser. 2016, 773, 012103. [Google Scholar] [CrossRef]
- El Mahboubi, F.; Bafleur, M.; Boitier, V.; Dilhac, J.-M. Energy-Harvesting Powered Variable Storage Topology for Battery-Free Wireless Sensors. In Proceedings of the IEEE International Conference on Modern Circuits and Systems Technologies (MOCAST) on Electronics and Communications, Thessaloniki, Greece, 7–9 May 2018. [Google Scholar] [CrossRef]
- Sugimoto, S.; Ogawa, S.; Katsukawa, H.; Mizutani, H.; Okamura, M. A study of series-parallel changeover circuit of a capacitor bank for an energy storage system utilizing electric double-layer capacitors. Electr. Eng. Jpn. 2003, 145, 33–42. [Google Scholar] [CrossRef]
- Kyeremateng, N.A.; Brousse, T.; Pech, D. Micro-supercapacitors as miniaturized energy-storage components for on-chip electronics. Nat. Nanotechnol. 2017, 12, 7–15. [Google Scholar] [CrossRef] [PubMed]















| Block | Switches | Ultra-Capacitors | Schottky Diode | LT6700 Comparators | LT1540 Comparator | Logic Gates | Delay Circuits |
|---|---|---|---|---|---|---|---|
| Losses | 11 J | 3.9 J | 1.29 J | 330 mJ | 210 mJ | 3.6 mJ | 663 nJ |
| Block | Schottky Diodes | Ultra-Capacitors | LT1540 Comparators | Switches |
|---|---|---|---|---|
| Losses | 7 J | 4.08 J | 316 mJ | 310.9 mJ |
| Topology/Performance | Reference Topology with 4 UCs (Figure 2) | 1st Version of Proposed Topology with 2 UCs (Figure 3) | 2nd Version of Proposed Topology with 2 UCs (Figure 11) | Topology with 4 UCs from [9] |
|---|---|---|---|---|
| Complexity: UCs/Switches/Schottky diode/Comparators/Logic gates | 4/9/3/2/2 | 2/3/1/3/12 | 2/2/3/2/0 | 4/5/Not available |
| Low variations of output voltage | - | +++ | +++ | - |
| Fast startup | +++ | +++ | +++ | +++ |
| Pre-regulated output voltage | - | ++ | ++ | - |
| Low cost | + | ++ | ++ | + |
| Residual energy | + | - | - | + |
| Self-supply | + | + | + | - |
| Autonomy (Ratio Cmax/Cmin) | 16 | As desired | As desired | 4 |
| Energy usage efficiency | 93% | 94.7% | 94.6% | 88% |
© 2018 by the authors. Licensee MDPI, Basel, Switzerland. This article is an open access article distributed under the terms and conditions of the Creative Commons Attribution (CC BY) license (http://creativecommons.org/licenses/by/4.0/).
Share and Cite
El Mahboubi, F.; Bafleur, M.; Boitier, V.; Dilhac, J.-M. Energy-Harvesting Powered Variable Storage Topology for Battery-Free Wireless Sensors. Technologies 2018, 6, 106. https://doi.org/10.3390/technologies6040106
El Mahboubi F, Bafleur M, Boitier V, Dilhac J-M. Energy-Harvesting Powered Variable Storage Topology for Battery-Free Wireless Sensors. Technologies. 2018; 6(4):106. https://doi.org/10.3390/technologies6040106
Chicago/Turabian StyleEl Mahboubi, Firdaous, Marise Bafleur, Vincent Boitier, and Jean-Marie Dilhac. 2018. "Energy-Harvesting Powered Variable Storage Topology for Battery-Free Wireless Sensors" Technologies 6, no. 4: 106. https://doi.org/10.3390/technologies6040106
APA StyleEl Mahboubi, F., Bafleur, M., Boitier, V., & Dilhac, J.-M. (2018). Energy-Harvesting Powered Variable Storage Topology for Battery-Free Wireless Sensors. Technologies, 6(4), 106. https://doi.org/10.3390/technologies6040106
