Floating Interleaved Boost Converter with Zero-Ripple Input Current Using Variable Inductor
Abstract
1. Introduction
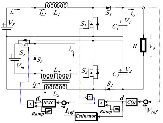
2. Main Converter Analysis
2.1. Steady State Analysis
2.2. The Dynamic Model of FIBC
2.3. Output Voltage Control
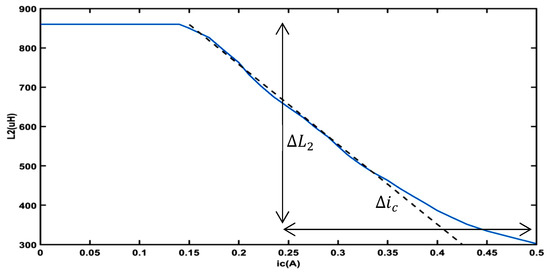
3. Variable Inductor Operation and Design
4. Current Controller and Reference Estimator
4.1. Current Controller for VI
4.2. Reference Estimator
5. Experimental Results
5.1. Main Converter Open-Loop Test
5.2. Main Converter Closed-Loop Test
6. Conclusions
Author Contributions
Funding
Data Availability Statement
Conflicts of Interest
References
- Elkhateb, A.; Rahim, N.A.; Selvaraj, J.; Williams, B.W. DC-to-DC Converter With Low Input Current Ripple for Maximum Photovoltaic Power Extraction. IEEE Trans. Ind. Electron. 2015, 62, 2246–2256. [Google Scholar] [CrossRef]
- Lu, N.; Yang, S.; Tang, Y. Ripple Current Reduction for Fuel-Cell-Powered Single-Phase Uninterruptible Power Supplies. IEEE Trans. Ind. Electron. 2017, 64, 6607–6617. [Google Scholar] [CrossRef]
- Gu, Y.; Zhang, D.; Zhao, Z. Input/Output Current Ripple Cancellation and RHP Zero Elimination in a Boost Converter Using an Integrated Magnetic Technique. IEEE Trans. Power Electron. 2015, 30, 747–756. [Google Scholar] [CrossRef]
- Gu, Y.; Zhang, D.; Zhao, Z. Input Current Ripple Cancellation Technique for Boost Converter Using Tapped Inductor. IEEE Trans. Ind. Electron. 2014, 61, 5323–5333. [Google Scholar] [CrossRef]
- Nandankar, P.; Rothe, J.P. Design and Implementation of Efficient Three-Phase Interleaved DC-DC Converter. In Proceedings of the 2016 International Conference on Electrical, Electronics, and Optimization Techniques (ICEEOT), Mumbai, India, 26–27 February 2016; pp. 1632–1637. [Google Scholar]
- Joo, D.-M.; Kim, D.-H.; Lee, B.-K. DCM Frequency Control Algorithm for Multi-Phase DC-DC Boost Converters for Input Current Ripple Reduction. J. Electr. Eng. Technol. 2015, 10, 2307–2314. [Google Scholar] [CrossRef]
- Antares, B.; Makarim, F.H.; Ilman, S.M.; Rizqiawan, A.; Dahono, P.A. Analysis and Control of Cascade Multiphase DC-DC Boost Converters with Very Low Input Current Ripple. In Proceedings of the 2019 2nd International Conference on High Voltage Engineering and Power Systems (ICHVEPS), Denpasar, Indonesia, 1–4 October 2019; pp. 1–6. [Google Scholar]
- Huangfu, Y.; Zhuo, S.; Chen, F.; Pang, S.; Zhao, D.; Gao, F. Robust Voltage Control of Floating Interleaved Boost Converter for Fuel Cell Systems. IEEE Trans. Ind. Appl. 2018, 54, 665–674. [Google Scholar] [CrossRef]
- Villarreal-Hernandez, C.A.; Mayo-Maldonado, J.C.; Escobar, G.; Loranca-Coutino, J.; Valdez-Resendiz, J.E.; Rosas-Caro, J.C. Discrete-Time Modeling and Control of Double Dual Boost Converters With Implicit Current Ripple Cancellation Over a Wide Operating Range. IEEE Trans. Ind. Electron. 2021, 68, 5966–5977. [Google Scholar] [CrossRef]
- Beraki, M.; Perdigao, M.; Machado, F.; Trovao, J.P. Auxiliary Converter for Variable Inductor Control in a DC-DC Converter Application. In Proceedings of the 2016 51st International Universities Power Engineering Conference (UPEC), Coimbra, Portugal, 6–9 September 2016; pp. 1–6. [Google Scholar]
- Beraki, M.W.; Trovao, J.P.F.; Perdigao, M.S.; Dubois, M.R. Variable Inductor Based Bidirectional DC–DC Converter for Electric Vehicles. IEEE Trans. Veh. Technol. 2017, 66, 8764–8772. [Google Scholar] [CrossRef]
- Beraki, M.; Trovao, J.P.; Perdigao, M. Design of Variable Inductor for Powertrain DC-DC Converter. In Proceedings of the 2019 IEEE 28th International Symposium on Industrial Electronics (ISIE), Vancouver, BC, Canada, 12–14 June 2019; pp. 822–827. [Google Scholar]
- Wei, Y.; Luo, Q.; Du, X.; Altin, N.; Alonso, J.M.; Mantooth, H.A. Analysis and Design of the LLC Resonant Converter With Variable Inductor Control Based on Time-Domain Analysis. IEEE Trans. Ind. Electron. 2020, 67, 5432–5443. [Google Scholar] [CrossRef]
- Babaiahgari, B.; Jeong, Y.; Park, J.-D. Stability Enhancement Method for DC Microgrids with Constant Power Loads Using Variable Inductor. In Proceedings of the 2020 IEEE Applied Power Electronics Conference and Exposition (APEC), New Orleans, LA, USA, 15–19 March 2020; pp. 2236–2240. [Google Scholar]
- Mendes, A.P.; Baptista, B.; Perdigao, M.S.; Mendes, A.M.S. Experimental Analysis of a DC Current-Controlled Variable Inductor in a DC-DC Converter. In Proceedings of the 2019 IEEE International Conference on Industrial Technology (ICIT), Melbourne, Australia, 13–15 February 2019; pp. 440–445. [Google Scholar]
- Alonso, J.M.; Perdigao, M.S.; Abdelmessih, G.Z.; Dalla Costa, M.A.; Wang, Y. SPICE Modeling of Variable Inductors and Its Application to Single Inductor LED Driver Design. IEEE Trans. Ind. Electron. 2017, 64, 5894–5903. [Google Scholar] [CrossRef]
- Chinchero, H.; Alonso, M. Using Magnetic Control of DC-DC Converters in LED Driver Applications. IEEE Lat. Am. Trans. 2021, 19, 297–305. [Google Scholar] [CrossRef]
- Yao, K.; Zhang, Z.; Yang, J.; Liu, J.; Li, J.; Shao, F. Quasi-Fixed Switching Frequency Control of CRM Boost PFC Converter Based on Variable Inductor in Wide Input Voltage Range. IEEE Trans. Power Electron. 2021, 36, 1814–1827. [Google Scholar] [CrossRef]
- Zhuo, S.; Gaillard, A.; Paire, D.; Breaz, E.; Gao, F. Design and Control of a Floating Interleaved Boost DC-DC Converter for Fuel Cell Applications. In Proceedings of the IECON 2018—44th Annual Conference of the IEEE Industrial Electronics Society, Washington, DC, USA, 21–23 October 2018; pp. 2026–2031. [Google Scholar]
- Alonso, J.M.; Perdigao, M.; Dalla Costa, M.A.; Zhang, S.; Wang, Y. Variable Inductor Modeling Revisited: The Analytical Approach. In Proceedings of the 2017 IEEE Energy Conversion Congress and Exposition (ECCE), Cincinnati, OH, USA, 1–5 October 2017; pp. 895–902. [Google Scholar]
- Saeed, S.; Garcia, J.; Perdigao, M.S.; Costa, V.S.; Baptista, B.; Mendes, A.M.S. Improved Inductance Calculation in Variable Power Inductors by Adjustment of the Reluctance Model Through Magnetic Path Analysis. IEEE Trans. Ind. Appl. 2021, 57, 1572–1587. [Google Scholar] [CrossRef]
- Ferreira, S.F.S. Electromagnetic Study of a Variable Inductor Controlled by a DC Current. Master’s Thesis, Universidade de Coimbra, Coimbra, Portugal, 2016. [Google Scholar]
- Utkin, V.; Guldner, J.; Shi, J. Sliding Mode Control in Electro-Mechanical Systems; CRC Press: Boca Raton, FL, USA, 2017; ISBN 9781315218977. [Google Scholar]
- Saeed, S.; Georgious, R.; Garcia, J. Modeling of Magnetic Elements Including Losses—Application to Variable Inductor. Energies 2020, 13, 1865. [Google Scholar] [CrossRef]
















| Parameter–Component | Value and Information |
|---|---|
| Rated power | 100 W |
| FIBC frequency SCC frequency Input voltage MOSFET MOSFET MOSFET Diode , and Film capacitor Film capacitor | 40 kHz 20 kHz 48 V/12V C3M0065090D C2M0160120D IRF640 MUR1560G 15 μF, 600 V, ESR 4 mΩ 15 μF, 600 V, ESR 4 mΩ 860 μH, 6A, ESR 215 mΩ 200–860 μH, 2.6A, ESR 175 mΩ |
Disclaimer/Publisher’s Note: The statements, opinions and data contained in all publications are solely those of the individual author(s) and contributor(s) and not of MDPI and/or the editor(s). MDPI and/or the editor(s) disclaim responsibility for any injury to people or property resulting from any ideas, methods, instructions or products referred to in the content. |
© 2023 by the authors. Licensee MDPI, Basel, Switzerland. This article is an open access article distributed under the terms and conditions of the Creative Commons Attribution (CC BY) license (https://creativecommons.org/licenses/by/4.0/).
Share and Cite
Hidalgo, H.; Vázquez, N.; Orosco, R.; Huerta-Ávila, H.; Pinto, S.; Estrada, L. Floating Interleaved Boost Converter with Zero-Ripple Input Current Using Variable Inductor. Technologies 2023, 11, 21. https://doi.org/10.3390/technologies11010021
Hidalgo H, Vázquez N, Orosco R, Huerta-Ávila H, Pinto S, Estrada L. Floating Interleaved Boost Converter with Zero-Ripple Input Current Using Variable Inductor. Technologies. 2023; 11(1):21. https://doi.org/10.3390/technologies11010021
Chicago/Turabian StyleHidalgo, Hector, Nimrod Vázquez, Rodolfo Orosco, Hector Huerta-Ávila, Sergio Pinto, and Leonel Estrada. 2023. "Floating Interleaved Boost Converter with Zero-Ripple Input Current Using Variable Inductor" Technologies 11, no. 1: 21. https://doi.org/10.3390/technologies11010021
APA StyleHidalgo, H., Vázquez, N., Orosco, R., Huerta-Ávila, H., Pinto, S., & Estrada, L. (2023). Floating Interleaved Boost Converter with Zero-Ripple Input Current Using Variable Inductor. Technologies, 11(1), 21. https://doi.org/10.3390/technologies11010021

