Toward Non-Taxonomic Structuring of Scientific Notions: The Case of the Language of Chemistry and the Environment †
Abstract
1. Introduction
1.1. Notion Building: From the Foundations to the Roof
- by synonymy—e.g., in chemistry, the Term carbon I.1 (chemical element) is an exact synonym of atomic number 6;
- semantic derivation—e.g., ion and ionic 1 ‘relating to ions’ pertain to the same chemistry Concept and therefore to the same Notion.
1.2. Issues with Lexical Taxonomies
- Hyperonymy applies mainly to nominal lexical units—cf. the separate structuring principles used in WordNet for nouns vs. verbs, adjectives and adverbs (Miller 1990); however, Terms are of other main parts of speech as well, such as verbs and adjectives (L’Homme 2012a).
- As for all types of taxonomic models, it favors relations between postulated lexical classes over relations between individual lexical units (see earlier remark on taxonomies).
- The ‘is_a’ (or ‘kind_of’) relation accounts only for a small subset of all relations holding between Terms and between the corresponding domain Notions; terminological taxonomies may therefore be insufficient from a pedagogical point of view, where the acquisition of scientific and technical Notions is at stake.
- Finally, the structuring of terminologies into specific domain taxonomies leads to an isolationist approach where terminologies are modeled in close circuit systems, whereas they interact with and are fully integrated to the system of the general language.
1.3. The Lexical System Approach
- paradigmatic (semantic) and syntagmatic (combinatorial) relations corresponding to so-called Meaning–Text lexical functions (Mel’čuk 1996; Mel’čuk and Polguère 2021);
- copolysemy relations (extension, metonymy, metaphor, etc.) holding between senses of polysemous vocables (Polguère 2018);
- ‘defined_by’ relations that connect each given lexical unit L1 to other lexical units L2, L3 … Ln whose meaning is embedded in the meaning of L1—see details in Section 1.4 below;
- formal inclusion relations—e.g., the lexico-syntactic structure (Pausé 2017) of the idiom ⌈push buttons⌉ ‘irritate someone’ is formally built from the lexemes push and button.
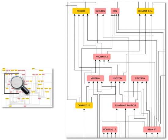
1.4. Nature and Role of ‘defined_by’ Relations
- element III.3a atom I.2;
- element III.3a proton;
- element III.3a nucleus I.2.
- Generic ‘defined_by’ relations. A generic L1 L2 relation is such that L2 is the central component of L1’s definition (Mel’čuk and Polguère 2018, section 2.4). Such is the case of atom I.2 in Table 1, though the definition stipulates that chemical elements are not atoms per se but types of atoms and therefore belong to a more abstract level of conceptualization of chemical entities. Generic ‘defined_by’ relations between Terms are by nature closely related to ‘is_a’ taxonomic relations between Concepts.
- Specific ‘defined_by’ relations. A specific L1 L2 relation is such that L2 belongs to a peripheral (= non-central) component of L1’s definition. Such is the case of proton and nucleus I.2 in the definition of element III.3a.
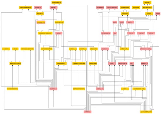
2. Application to the Core Terminology of Chemistry, and Beyond
2.1. Core Terminology of Chemistry
- they are taught in introductory courses in general chemistry;
- they are “shared by most subdomains of chemistry” without belonging to a given subdomain.
2.2. Lexicographical Structuring of the System of Core Chemistry Notions
- element III.3a atom I.2;
- element III.3a proton;
- element III.3a nucleus I.2.
- proton atom I.2;
- nucleus I.2 atom I.2;
- nucleus I.2 proton.
2.3. Case Study: Carbon, at the Interface of Chemistry and Environmental Science Terminologies
- they shape the current environmental agenda;
- they correspond to overarching Notions pertinent to various environment-related topics;
- they belong to semantic clusters of environment-related Terms—e.g., the Term carbon, on which we focus below, is closely related to greenhouse gas, emission, methane, etc.;
- they function at the interface of specialized and general language discourse, which emphasizes their indispensability.
- (1)
- You realize when they say carbon emissions that doesn’t just mean CO2 right? Methane is far more problematic.[Twitter, ID: 1301372101039976448];
- (2)
- [Selling less meat] would help reduce carbon and methane emissions a bit.[Twitter, ID: 1303055296131145735].
- full Terms—marked with the usage note spec;
- runaway Terms, which are popularized Terms occurring equally in specialized and non-specialized discourse—marked with the usage note (spec);
- quasi-Terms, which are not bona fide Terms but general language lexical units originating from a lay interpretation of Terms—marked with the usage note quasi-spec.
- (3)
- Most people emit carbon every day simply by using a non-renewable resource, such as coal, natural gas, or oil.[Web, https://www.wise-geek.com/what-is-a-carbon-footprint-test.htm (accessed on 2 December 2023)]
3. Results
4. Discussion
4.1. Should Notion Building Road Maps Structured by ‘defined_by’ Relations Be Used as the Sole Guideline for the Teaching/Acquisition of a Scientific Domain?
4.2. Does Our Integrated Approach to Terminology Modeling “Dissolve” Terminologies in General Language, Making Them Lose Their Systemic Organization?
5. Conclusions
Author Contributions
Funding
Institutional Review Board Statement
Informed Consent Statement
Data Availability Statement
Acknowledgments
Conflicts of Interest
Abbreviations
| Lexical Systems (lexicographic models): | |
| en-LN | English Lexical Network; |
| fr-LN | French Lexical Network; |
| ru-LN | Russian Lexical Network. |
| Usage notes marking (quasi-)Terms in their lexical entries: | |
| spec | Specialized lexical unit, i.e., Term; |
| (spec) | Runaway Term, i.e., popularized Term; |
| quasi-spec | Quasi-Term originating from lay interpretation of a Term. |
Appendix A. Core English Chemical Notions

Appendix B. Core French Chemical Notions

Appendix C. Core Russian Chemical Notions

References
- Aitchison, Jean. 2012. Words in the Mind: An Introduction to the Mental Lexicon, 4th ed. Oxford: Wiley-Blackwell. [Google Scholar]
- Barnes, Jonathan. 2003. Porphyry. Introduction. Clarendon Later Ancient Philosophers. Oxford: Clarendon Press. [Google Scholar]
- Ereshefsky, Marc. 1994. Some problems with the Linnaean hierarchy. Philosophy of Science 61: 186–205. [Google Scholar] [CrossRef]
- Fellbaum, Christiane D., ed. 1998. WordNet: An Electronic Lexical Database. Cambridge: The MIT Press. [Google Scholar]
- Fellbaum, Christiane D. 2014. Large-Scale Lexicography in the Digital Age. International Journal of Lexicography 27: 378–95. [Google Scholar] [CrossRef]
- Fillmore, Charles J. 1982. Frame Semantics. In Linguistics in the Morning Calm. Selected Papers from SICOL–198. Edited by Linguistic Society of Korea. Seoul: Hanshin Publishing Co., pp. 111–37. [Google Scholar]
- Gaume, Bruno. 2004. Balades aléatoires dans les Petits Mondes Lexicaux [Aleatory strolls in Lexical Small-Worlds]. I3 Information Interaction Intelligence 4: 39–96. [Google Scholar]
- Gaume, Bruno, and Karine Duvignau. 2004. Pour une ergonomie cognitive des dictionnaires électroniques [For a cognitive ergonomic organization of electronic dictionaries]. Document Numérique 8: 157–81. [Google Scholar] [CrossRef]
- Goddard, Cliff. 2011. Semantic Analysis. A Practical Introduction, 2nd ed. Oxford Textbooks in Linguistics. Oxford: Oxford University Press. [Google Scholar]
- Gotkova, Tomara. 2023. The Lexicon of the Environment and Its Chemistry-Related Terms in Ordinary Discourse. Using Social Networks as Corpora. Ph.D. thesis, Université de Lorraine, Nancy, France. [Google Scholar]
- Gotkova, Tomara, and Nikolay Chepurnykh. 2022. Public perception and usage of the term carbon: Linguistic analysis in an environmental social media corpus. Psychology of Language and Communication 26: 297–312. [Google Scholar] [CrossRef]
- Ingrosso, Francesca, and Alain Polguère. 2015. How Terms Meet in Small-World Lexical Networks: The Case of Chemistry Terminology. Paper presented at the 11th International Conference on Terminology and Artificial Intelligence (TIA 2015), Granada, Spain, 4–6 November 2015; pp. 167–71. [Google Scholar]
- Johansson, Ingvar. 2008. Four kinds of Is_a relation. In Applied Ontology. An Introduction. Edited by Katherine Munn and Barry Smith. Berlin & Boston: De Gruyter, pp. 235–54. [Google Scholar]
- L’Homme, Marie-Claude. 2012a. Le verbe terminologique: Un portrait de travaux récents [Terminological verb: An account of recent works]. In Actes du 3e Congrès mondial de linguistique française—SHS Web of Conferences 1. Edited by Franck Neveu, Valelia Muni Toke, Peter Blumenthal, Thomas Klingler, Pierluigi Ligas, Sophie Prévost and Sandra Teston-Bonnard. Les Ulis: EDP Sciences, pp. 93–107. [Google Scholar]
- L’Homme, Marie-Claude. 2012b. Using ECL (Explanatory Combinatorial Lexicology) to discover the lexical structure of specialized subject fields. In Meanings, Texts, and Other Exciting Things. A Festschrift to Commemorate the 80th Anniversary of Professor Igor Alexandrovič Mel’čuk. Edited by Yuri Apresjan, Igor Boguslavsky, Marie-Claude L’Homme, Leonid Iomdin, Jasmina Milićević, Alain Polguère and Leo Wanner. Moscow: Jazyki Slavjanskoj Kultury Publishers, pp. 378–90. [Google Scholar]
- Linnaeus, Carolus. 1735. Systema Naturæ, Sive Regna Tria Naturæ Systematice Proposita Per Classes, Ordines, Genera, & Species. Leiden: Theodorum Haak. [Google Scholar]
- Mel’čuk, Igor. 1984. Dictionnaire Explicatif et Combinatoire du Français Contemporain. Recherches Lexico-sémantiques. Volumes I [Explanatory Combinatorial Dictionary of Contemporary French. Lexico-Semantic Studies. Volumes I]. Montreal: Les Presses de l’Université de Montréal. [Google Scholar]
- Mel’čuk, Igor. 1988. Dictionnaire Explicatif et Combinatoire du Français Contemporain. Recherches Lexico-sémantiques. Volumes II [Explanatory Combinatorial Dictionary of Contemporary French. Lexico-Semantic Studies. Volumes II]. Montreal: Les Presses de l’Université de Montréal. [Google Scholar]
- Mel’čuk, Igor. 1992. Dictionnaire Explicatif et Combinatoire du Français Contemporain. Recherches Lexico-sémantiques. Volumes III [Explanatory Combinatorial Dictionary of Contemporary French. Lexico-Semantic Studies. Volumes III]. Montreal: Les Presses de l’Université de Montréal. [Google Scholar]
- Mel’čuk, Igor. 1999. Dictionnaire Explicatif et Combinatoire du Français Contemporain. Recherches Lexico-sémantiques. Volumes IV [Explanatory Combinatorial Dictionary of Contemporary French. Lexico-Semantic Studies. Volumes IV]. Montreal: Les Presses de l’Université de Montréal. [Google Scholar]
- Mel’čuk, Igor. 2006. Explanatory Combinatorial Dictionary. In Open Problems in Linguistics and Lexicography. Edited by Giandomenico Sica. Monza: Polimetrica, pp. 225–355. [Google Scholar]
- Mel’čuk, Igor. 1996. Lexical Functions: A Tool for the Description of Lexical Relations in the Lexicon. In Lexical Functions in Lexicography and Natural Language Processing. Edited by Leo Wanner. Language Companion Series 31; Amsterdam and Philadelphia: John Benjamins, pp. 37–102. [Google Scholar]
- Mel’čuk, Igor, and Alain Polguère. 2021. Les fonctions lexicales dernier cri [lexical functions, the latest]. In La Théorie Sens-Texte. Concepts-clés et applications. Edited by Sébastien Marengo. Dixit Grammatica. Paris: L’Harmattan, pp. 75–155. [Google Scholar]
- Mel’čuk, Igor, and Alain Polguère. 2018. Theory and Practice of Lexicographic Definition. Journal of Cognitive Science 19: 417–70. [Google Scholar] [CrossRef]
- Mel’čuk, Igor, and Alexander Zholkovsky. 1984. Explanatory Combinatorial Dictionary of Modern Russian. Semantico-Syntactic Studies of Russian Vocabulary. Wien: Wiener Slawistischer Almanach. [Google Scholar]
- Mikhel, Polina. 2022. Multilingual Study of Chemistry Lexicon at the Interface of Terminology and General Language. Ph.D. thesis, Université de Lorraine, Nancy, France. [Google Scholar]
- Miller, George A. 1990. Nouns in WordNet: A Lexical Inheritance System. International Journal of Lexicography 3: 245–64. [Google Scholar] [CrossRef]
- Miller, Tyler G., and Scott Spoolman. 2014. Essentials of Ecology. Boston: Cengage Learning. [Google Scholar]
- Montiel-Ponsoda, Elena. 2022. Terminology and ontologies. In Theoretical Perspectives on Terminology: Explaining Terms, Concepts and Specialized Knowledge. Edited by Pamela Faber and Marie-Claude L’Homme. Terminology and Lexicography Research and Practice 23. Amsterdam and Philadelphia: John Benjamins, pp. 149–74. [Google Scholar]
- Munn, Katherine, and Barry Smith, eds. 2008. Applied Ontology. An Introduction. Berlin and Boston: De Gruyter. [Google Scholar]
- Ollinger, Sandrine, Alain Polguère, Yannick Chudy, and Bruno Gaume. 2020. Spiderlex et compagnie. In 6e Conférence Conjointe JOURNées d’Études sur la Parole (JEP, 31e édition), Traitement Automatique des Langues Naturelles (TALN, 27e édition), Rencontre des Étudiants Chercheurs en Informatique Pour le Traitement Automatique des Langues (RECITAL, 22e édition). Volume 4: Démonstrations et Résumés D’articles Internationaux. Edited by Christophe Benzitoun, Chloé Braud, Laurine Hubert, David Langlois, Slim Ouni, Sylvain Pogodalla and Stéphane Schneider. Nancy: ATALA, pp. 60–63. [Google Scholar]
- Pausé, Marie-Sophie. 2017. Modelling French idioms in a lexical network. Studi e Saggi Linguistici 55: 137–55. [Google Scholar]
- Polguère, Alain. 2014. From Writing Dictionaries to Weaving Lexical Networks. International Journal of Lexicography 27: 396–418. [Google Scholar] [CrossRef]
- Polguère, Alain. 2016. Lexicologie Et sÉmantique Lexicale. Notions Fondamentales [Lexicology and Lexical Semantics. Fundamental Notions], 3rd ed. Paramètres: Les Presses de l’Université de Montréal. [Google Scholar]
- Polguère, Alain. 2018. A Lexicographic Approach to the Study of Copolysemy Relations. Russian Journal of Linguistics 22: 788–820. [Google Scholar] [CrossRef]
- Sloan, Phillip R. 1976. The Buffon-Linnaeus Controversy. Isis 67: 356–75. [Google Scholar] [CrossRef] [PubMed]
- Szubko-Sitarek, Weronika. 2015. Multilingual Lexical Recognition in the Mental Lexicon of Third Language Users. Second Language Learning and Teaching. Berlin/Heidelberg: Springer. [Google Scholar]
- Vossen, Piek, ed. 1998. EuroWordNet: A Multilingual Database with Lexical Semantic Networks. Dordrecht: Springer. [Google Scholar]
- Watts, Duncan J., and Steven H. Strogatz. 1998. Collective Dynamics of ‘Small-World’ Networks. Nature 393: 440–42. [Google Scholar] [CrossRef] [PubMed]




| Element III.3a X: | type of atoms I.2 |
| |
| Ex.: How is an atom of the element 54 (Xe) likely to act during a chemical reaction? | |
| Languages | Term↔Notion Pairings | ||
|---|---|---|---|
| English | 107 core Terms | ↔ | 53 corresponding core Notions |
| French | 103 core Terms | ↔ | 53 corresponding core Notions |
| Russian | 102 core Terms | ↔ | 52 corresponding core Notions |
| Proton of X interacting with Y: | ⌈subatomic particle⌉ of the atom I.2 X |
| |
| Ex.: In a hydrogen atom, a negative electron orbits a positive proton because of the electromagnetic force, not the gravitational force, between the two particles. | |
| Nucleus I.2 of X: | central part of the atom I.2 X |
| |
| Ex.: An unstable nucleus that decays spontaneously is radioactive, and its emissions are collectively called radioactivity. | |
| I.1 | spec ‘element III.3a with atomic number 6’ |
| I.2 | [Extension of I.1] (spec) ‘substance I.1a that is the materialization of carbon I.1’ [Ex.: Carbon is a solid, with a blackish brownish color resembling charcoal.] |
| II.1 | [Metonymy of I.1] (spec) ‘gas I.2 that contains carbon I.1 atoms I.2’—cf. CO2 [Ex.: Coal-fired power plants, which produce the majority of Georgia’s electricity and emit the most carbon, would pay the most.] |
| II.2 | [Metonymic metaphor of II.1] quasi-spec ‘symbolic substance I.1a as if it were carbon II.1’ [Ex.: Most people emit carbon every day simply by using a non-renewable resource, such as coal, natural gas or oil.] |
Disclaimer/Publisher’s Note: The statements, opinions and data contained in all publications are solely those of the individual author(s) and contributor(s) and not of MDPI and/or the editor(s). MDPI and/or the editor(s) disclaim responsibility for any injury to people or property resulting from any ideas, methods, instructions or products referred to in the content. |
© 2024 by the authors. Licensee MDPI, Basel, Switzerland. This article is an open access article distributed under the terms and conditions of the Creative Commons Attribution (CC BY) license (https://creativecommons.org/licenses/by/4.0/).
Share and Cite
Gotkova, T.; Ingrosso, F.; Mikhel, P.; Polguère, A. Toward Non-Taxonomic Structuring of Scientific Notions: The Case of the Language of Chemistry and the Environment. Languages 2024, 9, 95. https://doi.org/10.3390/languages9030095
Gotkova T, Ingrosso F, Mikhel P, Polguère A. Toward Non-Taxonomic Structuring of Scientific Notions: The Case of the Language of Chemistry and the Environment. Languages. 2024; 9(3):95. https://doi.org/10.3390/languages9030095
Chicago/Turabian StyleGotkova, Tomara, Francesca Ingrosso, Polina Mikhel, and Alain Polguère. 2024. "Toward Non-Taxonomic Structuring of Scientific Notions: The Case of the Language of Chemistry and the Environment" Languages 9, no. 3: 95. https://doi.org/10.3390/languages9030095
APA StyleGotkova, T., Ingrosso, F., Mikhel, P., & Polguère, A. (2024). Toward Non-Taxonomic Structuring of Scientific Notions: The Case of the Language of Chemistry and the Environment. Languages, 9(3), 95. https://doi.org/10.3390/languages9030095

