Next Article in Journal
Active Flutter Suppression of a Wing Section in a Compressible Flow
Previous Article in Journal
Numerical Study of the Hygrothermal Effects on Low Velocity Impact Induced Indentation and Its Rebound in Composite Laminate
 
 
Font Type:
Arial Georgia Verdana
Font Size:
Aa Aa Aa
Line Spacing:
Column Width:
Background:
Article

Component-Level Modeling of More Electric Auxiliary Power Units for Cooperative Control

College of Energy and Power Engineering, Nanjing University of Aeronautics and Astronautics, Nanjing 210016, China
*
Author to whom correspondence should be addressed.
Aerospace 2022, 9(12), 803; https://doi.org/10.3390/aerospace9120803
Submission received: 22 September 2022 / Revised: 3 December 2022 / Accepted: 5 December 2022 / Published: 7 December 2022
(This article belongs to the Section Aeronautics)

Abstract

Today, the more electric aircraft (MEA) concept is gaining tremendous popularity. As a key component of the MEA, a more electric auxiliary power unit (MEAPU) integrated model with high accuracy and real-time performance is essential when conducting cooperative control and hardware-in-the-loop (HIL) test research. This paper proposes a novel MEAPU integrated model consisting of a MEAPU component-level-model (CLM) and a starter-generator (SG) model. Firstly, a MEAPU CLM was built and a continuous scaling method for the component characteristic map in the CLM is proposed to improve the model’s accuracy. Then, a double winding induction starter-generator (DWISG) model based on the electromagnetic theory, which is quite time consuming, was simplified using the pulse width modulation (PWM) rectifier linearization method. Finally, considering the coupling relationship between the MEAPU CLM and DWISG, an accurate real-time MEAPU integrated model was built and its simulation results were analyzed. Compared with the test results, the error of the proposed model was less than 0.5%; meanwhile its single-step simulation time was less than 20 ms, which can meet the demands of cooperative control and HIL test research. Furthermore, the continuous scaling method and PWM rectifier linearization method were found to be effective for modeling other MEAPUs and more electric engines (MEE).

1. Introduction

In order to improve aircraft performance, the concept of the all-electric aircraft (AEA) was first introduced in the field of aviation. An AEA is an aircraft in which all secondary power is transmitted and distributed electrically. Jones, Feiner and Weale carried out a series of studies on the power transmission technology in aircraft [1,2,3], reporting that the secondary power transmission methods of AEA and traditional aircraft are totally different. Since an all-electric aircraft does not involve a simple system replacement, researchers gradually increased the proportion of the electrical system, with the concept of the more electric aircraft (MEA) first being proposed by Verschoor [4]. Rosero et al. proposed a definition and technical route for MEA [5]. Boeing’s B787 adopts more electric technology by eliminating the engine’s pilot air structure and installing a 250 kVA inverter alternating current (AC) starter-generator (SG) on a single engine, while an auxiliary power unit (APU) drives two 225 kVA SGs; these parameters can be seen in Qin’s study [6].
The introduction of an SG changes the structure of the APU itself, so in-depth research on more electric auxiliary power units (MEAPU) is needed. Since a MEAPU is a small more electric gas turbine engine working in particular states, research on this engine can provide a reference for research on MEAPUs. Most of the modeling for more electric engines (MEE) uses traditional aero-engine models and converts shaft power to electric power directly using the law of conservation of energy to carry out the study of MEA/AEA. Most of these studies use Cranfield University’s TURBOMATCH program for the engine’s simple modeling and performance calculations [7,8,9]. Skliros et al. conducted fault simulations and diagnostics for a B747 APU, building a model of the B747 APU [10]. However, they combined the generator model in the APU instead of the SG model. Hossein et al. carried out a series of studies at the University of Nottingham for high- and low-pressure rotor energy transfer in a two-rotor MEE [11,12,13,14]. In their paper, they detailed the establishment of the aerodynamic-thermal part of the aero-engine in the MEE model but did not detail the integrated model of the MEE, including the SG, and did not include an analysis of the modeling of the starter process either. Therefore, to investigate the MEAPU integrated system, including the SG and the starter process, this paper combined the APU CLM and the SG model applied to the MEAPU integrated modeling in order to establish a MEAPU full-state integrated model, which includes the starter process.
The SGs used for aviation power generation are mainly three-stage brushless synchronous SGs and cage induction SGs. However, the three-stage synchronous motor still has various problems, such as a complex rotor structure and difficult starting control. Further, its starting process requires a separate converter, so researchers such as Wei and Peng [15,16] have been studying its integrated control of starting and power generation. The cage induction motor has a brushless, simple structure, is low cost, and can be converted to generator operation quite simply. Prof. T.A. Lipo conducted a detailed study on cage induction generators for aerospace power generation and fully demonstrated their feasibility for aerospace applications [17,18]. Prof. K. Rajashekara also conducted an in-depth study on cage induction starter-generators for APUs and proposed a hybrid alternating current and direct current (AC-DC) start-generation system [19,20,21,22]. Based on the cage induction motor, the double winding induction starter-generator (DWISG) was first proposed by Prof. Ojo, which has the advantages of cage induction SGs but also overcomes their disadvantages, such as their large converter capacity and difficult excitation regulation [23,24]. In this paper, the DWISG was taken as the SG to establish an integrated real-time model of the MEAPU.
The established MEAPU model is used in cooperative control research and hardware-in-the-loop (HIL) real-time control verification, so the model’s accuracy and real-time performance are important factors. The APU component-level-model (CLM) is nonlinear but has errors due to its simplifications. The model correction technique can achieve CLM correction with some methods, such as modifying, scaling, and constructing characteristic maps, which have been deeply studied by Stamatis and Lambiris [25,26]. Therefore, this paper used the CLM correction method to correct the CLM model, and compared the model with the test data to verify its accuracy. Ahmed et al. built a simulation model of a traditional APU using the CLM method [27]. Although their APU model has a different structure from the MEAPU studied in this paper, their research can still provide a reference for our study. Onder et al. provided an important discussion about the life cycle of APUs [28], which can also shed some light on the study of MEAPUs. The developed SG component model can be built extremely close to the real DWISG based on the known parameters of the DWISG, as confirmed by scholars such as Gu, Bu, and Liu [29,30,31]. The established integrated MEAPU model can be considered to be accurate if both the APU and DWISG models are accurate. Since the real-time performance of the CLM can usually be guaranteed, the most serious impact on the real-time performance of the MEAPU model is the real-time performance of the DWISG model. Most scholars have studied the DWISG controller using the pulse width modulation (PWM) rectifier model described by the switching function or the PWM rectifier module in MATLAB/SIMULINK [32,33,34], in which the high harmonics of the PWM rectifier module influences the real-time performance of the MEAPU model. Abdollahi proposed the use of a novel rectifier in the MEA system based on a low-rating autotransformer [35], but it increased the number of pulses, further reducing the simulation speed. Guo et al. also recognized the heavy computing burden brought by PWM rectifier simulation, so they adopted a fast calculation approach to simplify their proposed algorithm when conducting the simulation [36]. Therefore, in this paper, a linearization method was adopted to simplify the PWM rectifier model. This PWM rectifier model linearization method, introduced by Zhang [37], significantly improves the real-time performance of the DWISG component model.
One of the contributions of this paper is to establish an integrated model of MEAPU considering the coupling relationship between MEAPU and SG, because in previous studies, most researchers have only established the CLM model of the aeroengine, or combined it with the generator model to establish the aeroengine power generation model. Another contribution of this paper is to propose a continuous scaling method, which improves the accuracy of MEAPU CLM and is a development of modifying, scaling, and constructing characteristic maps used in previous research. The third contribution of this paper is using the PWM linearization method to ensure the real-time performance of the SG model, which is different from the method used in previous research. The novel MEAPU integrated model established in this paper has the characteristics of high precision and good real-time performance which can be used for collaborative control research and hardware in the loop test.
In this paper, Section 2 analyzes the working mechanism and the structure of the MEAPU, and Section 3 establishes the MEAPU CLM and corrects the model using a proposed continuous scaling method. Section 4 establishes the DWISG model and optimizes the real-time DWISG component model by linearizing the PWM rectifier. Section 5 analyzes the modeling requirements and establishes an integrated model of the MEAPU and a conclusion is provided at the end of the paper.

2. Analysis of the MEAPU Working Mechanism

An APU is a miniature gas turbine engine in which the compressor, combustion chamber, turbine, tail jet, or exhaust pipe constitute the core machine. Some APUs have a load compressor and a reducer. This reducer is connected to a generator to generate electricity as auxiliary power for the aircraft. For APUs without a load compressor, the air is usually drawn directly from the core compressor for the main engine or the aircraft [38]. The conventional APU structure is shown in Figure 1.
To provide more electric power for AEA/MEA, an SG is used in the MEAPU. The structure of the MEAPU is different from the APU, for it removes the load compressor and eliminates the pilot air. All the power of the MEAPU is emitted in the form of electric power through the SG. Therefore, this paper established a MEAPU integrated model based on the structure shown in Figure 2.
The MEAPU shown in Figure 2 is used to provide electrical power to the aircraft and to the SG of the main engine. From starting to power generation, there are three MEAPU operation modes: (1) Co-start mode. The SG installed in the MEAPU works in a motor mode, with power supplied through the battery or cable, outputting torque and driving the MEAPU to accelerate to the ignition speed, and after ignition, the MEAPU and the SG jointly accelerate to the self-sustaining speed. (2) Self-start mode. Here, the MEAPU reaches the self-sustaining speed, that is, the torque provided by the turbine is sufficient to overcome the mechanical friction and pneumatic load of the compressor. The SG does not continue to provide torque to drive the MEAPU to accelerate due to performance and control problems. The MEAPU relies on the turbine’s remaining torque to continue accelerating to the idling rating. (3) Power generation mode. Here, the MEAPU reaches the state above the idling rating, the SG starts to generate power, the MEAPU is stabilized at the working speed using closed-loop control, the SG switches to the power generation mode, and the turbine provides torque to the SG to generate power.
According to the above analysis and the structure of the MEAPU shown in Figure 2, the MEAPU studied in this paper includes an inlet chamber, a compressor, a burner, a turbine, an exhaust chamber, and the SG. The SG, the compressor, and the turbine are coaxially connected. Next, the integrated modeling research on the MEAPU was carried out according to the components and their interrelationships described in Figure 2.
Compared with the conventional APU, the MEAPU has the problem of cooperative control. The MEAPU uses an SG, while the conventional APU draws most of its power from a load compressor. In the starting process, the load compressor pilot valve of the conventional auxiliary power unit is closed, and the core machine is driven by the starter motor, which is usually an open loop and cannot be actively controlled in the starting process. Conversely, the MEAPU has no load compressor, and the SG is fully controllable in the starting process. Thus, it is possible to optimize the starting process for the MEAPU with regard to control.
Most of the power of the conventional APU is output from the load compressor during the power generation process. The residual power of the APU is used to generate electric power through the reduction gearbox after deceleration, recording a typical power generation of about 40 kW [39]. Since the conventional small APU draws air from the load compressor at a flow rate of about 0.42–1.86 kg/s [40], more than 60% of its power is output by the load compressor. Since the gas flow of the load compressor cannot change abruptly, the amount of power it needs from the core machine will not change abruptly. The MEAPU uses an SG to create electricity, and all the power is supplied to this SG for power generation. The power demand from the SG can change abruptly because the electric load can change abruptly, so the power that the SG needs from the core machine can also change abruptly. Therefore, it is necessary to comprehensively analyze the interaction between the starting and the power generation processes and the interaction between the generator and the MEAPU through an integrated modeling study in order to lay the foundation for the cooperative control study.
Model accuracy influences the effectiveness of control methods. To investigate the cooperative control method, the MEAPU integrated model needed to have high accuracy. Since no actual MEAPU prototype exists, it is difficult to measure the accuracy of the MEAPU integrated model from an overall perspective. However, the internal parameters of the SG are known, and the SG model has been found to have high accuracy through electromagnetic mechanistic modeling. A prototype APU without an SG exists, and its accuracy can be verified by comparing the MEAPU CLMs other than the SG with the prototype APU after converting the prototype APU’s load compressor pilot gas to SG load power. By building separately SG and APU models with high accuracy, an integrated model can be constructed to meet the needs of cooperative control research. To further validate the cooperative control method in the future, real-time simulation experiments using the MEAPU integrated model, such as HIL and semi-physical tests, are required. The SG model using the PWM rectifier module affects the real-time performance of the MEAPU model. Therefore, it is necessary to optimize the SG model to ensure the successful real-time performance of the MEAPU model.
In summary, the APU CLM and the SG component model will be established separately later in the paper. The real-time MEAPU CLM and the SG model will be established with accuracy; finally, the integrated MEAPU model will be established.

3. APU Component-Level Modeling and Model Correction

The APU CLM models each aerothermal component of the APU, and combines these components through the relative positions between the components with the mutual transmission and the influence relationships of each physical quantity considered. On this basis, the unknown parameters of each component are solved by determining the input values, and the APU state parameters, including each component’s cross-sectional parameters, are finally obtained. Mathematically, each APU component can be considered as a set of nonlinear equations, and the relative position of each component and the mutual transmission and influence of each physical quantity are regarded as the association and simplification of the equations, respectively. Newton’s iterative method is used to obtain the numerical solution.
For the developed MEAPU model, the following assumptions are first made.
(1)
It is a one-dimensional model that does not consider cross-section parameter variations.
(2)
MEAPU calculations do not consider the viscous and inertial forces of the gas, nor do they take into account thermal inertia and volume effects.
(3)
The total pressure loss of each pneumatic component of the MEAPU is a constant value.
(4)
The time degradation property is not considered.
As shown in Figure 2, the aerothermal components of the APU other than the SG of the MEAPU are, according to the inlet gas flow path, from front to back: the inlet chamber, compressor, burner, turbine, and exhaust section. The compressor, turbine, and SG are connected to the MEAPU rotor shaft, and the turbine torque is mechanically balanced with the compressor and SG torque.
Other scholars have conducted in-depth research on the CLM of engines and the method of component model expansion. This paper adopted their method to establish the APU model [41,42,43]. Therefore, this paper only covers the critical parts of the modeling.

3.1. Co-Working Equations

Based on the component model, each component needs to be connected in the order shown in Figure 2 according to the position relationship with the gas path transmission relationship, and each component can be considered as an equation. Further, after the joint equation, the unknowns can be solved.
Since the characteristic diagrams of the compressor and turbine can only obtain parameters using looking up tables, which cannot be expressed as equations, the initial guess value is given, and Newton’s iteration method is used to make the equilibrium equation converge after various iterations to complete a stepwise calculation of the MEAPU CLM.
The selected equilibrium equation is as follows.
The turbine inlet flow is balanced with the compressor outlet flow
W T ( W c + W f ) W T = ε 1
In Equation (1), W f is the fuel flow rate, W c is the compressor output flow rate and W T is the turbine flow rate.
Equation (1) means that the compressor output flow rate needs to be equal to the sum of the turbine flow rate and the fuel flow rate, with the unbalanced coefficient (or residual) being ε 1 .
The turbine outlet flow is balanced with the exhaust unit outlet flow
W o u t W T W o u t = ε 2
Equation (2) has the same meaning as Equation (1), except the object becomes the turbine.
Shaft power balance
P O W E R T + P O W E R C + P O W E R S G = ε 3
In Equation (3), P O W E R T and P O W E R C are the output power of the turbine and compressor, respectively, which are calculated as follows:
P O W E R T = W T ( H T o u t H T i n )
P O W E R C = W c ( H c o u t H c i n )
Equation (3) means that the residual power equals the sum of P O W E R S G , P O W E R T and P O W E R C . In the steady state of the MEAPU speed, the residual power is 0. Equations (4) and (5) can calculate P O W E R T and P O W E R C through the law of conservation of energy.
P O W E R S G is the torque output of the SG model, which is replaced by the form of a parameter that can be given when building the APU pneumatic-thermodynamic CLM. The powers in the above shaft power balance are scalar quantities with symbols.
The model is considered to converge when
| ε i | < 10 5 ( i = 1 , 2 , 3 )
is satisfied through Newton’s iteration. Equation (6) means that the flow of the compressor and turbine and the power of the shaft are balanced.
For the dynamic model, the speed is not a steady-state value but rather varies with time, so the rotor dynamics equation replaces the shaft power balance equation
N ˙ = ( 30 π ) 2 P O W E R T + P O W E R C + P O W E R S G J N
In Equation (7), J is the rotor inertia of the MEAPU. Further, Equation (7) can be used to calculate the rotational acceleration of the MEAPU.
The model is considered to converge when
| ε i | < 10 5 ( i = 1 , 2 )
is satisfied through Newton’s iteration. Equation (8) means that only the flow of the compressor and turbine is balanced in the dynamic process.
The MEAPU CLM is shown in Figure 3. The MEAPU CLM components are connected according to the aerodynamic-thermal relationships detailed in Figure 2 in Section 1. Each component is coupled to its upstream and downstream components through aerothermal parameters. The compressor and turbine are connected through the shaft and satisfy the rotor dynamics equation. The MEAPU CLM provides connection interfaces to the SG model to form an integrated MEAPU model.

3.2. Continuous Scaling Method

In this study, in order to lay the foundation for the cooperative control study, the developed MEAPU model needed to have high accuracy. Since there is no actual MEAPU prototype for control, the model was modified based on the APU prototype test data.
The calculation results of the CLM are highly dependent on the characteristics of the components used in the model, wherein the characteristic diagrams of the compressor and turbine affect the CLM’s output and, thus, the CLM’s accuracy. The characteristic map is usually scaled using the characteristic map scaling method to correct the component model.
In the case of a compressor, the characteristic diagram is scaled using a set of scaling factors, as shown in the following equation, to correct for the pressure ratio π , flow rate W , and efficiency η
{ θ W = W t e s t , p 1 W p 1 θ π = π t e s t , p 1 1 π p 1 1 θ η = η t e s t , p 1 η p 1
In Equation (9), θ W , θ π , and θ η are the scaling factors for the flow rate, pressure ratio, and efficiency, respectively, the subscript test denotes the test data, and p1 denotes the point to be corrected. By using Equation (9), a single scaling of the characteristics of a compressor can be achieved, which is essentially equivalent to a linear transformation of the tensor of 3 × m × n containing the pressure ratio π , the flow rate W , and the efficiency η , so that a specific point in the characteristic diagram to be corrected coincides with a specific point in the target characteristic diagram.
Usually, however, there is more than one point of the test data and more than one working point of the characteristic diagram to be matched. If the correction method shown in Equation (9) continues, it will impact the already corrected characteristic diagram. Therefore, a continuous scaling method for the scaling correction of the characteristic diagram is proposed.
It is supposed that there are N points to be corrected, and that they are arranged from the smallest to the largest speed as x 1 , x 2 , x 3 x N . Further,
x i = ( W i , π i , η i )
In Equation (10), x i is the matrix consisting of the vectors W i , π i and η i at this speed.
The segmented multivariable function g ( x ) is constructed so that
g ( x i ) = θ i
θ i = ( θ i , W , θ i , π , θ i , η )
In Equations (11) and (12), θ i , W , θ i , π and θ i , η are the scaling factors of the flow rate, pressure ratio, and efficiency, respectively, which are obtained using Equation (9) in order to correct the point.
Thus, the continuous scaling corrected characteristic diagram can be expressed as
( W , π , η ) = X g T ( x )
In Equation (13), ( W , π , η ) is the tensor of 3 × m × n that forms the characteristic diagram of the compressor, and X = ( x 1 , x 2 , , x n ) . Equation (13) means that the continuous segment stretches the characteristic diagram, making the points to be corrected coincide with the target points.
The constructed multivariate segmentation function g ( x ) enables continuous scaling of the characteristic map without interference between each scaling point. The turbine scaling method is similar to that of the compressor.

3.3. Continuous Scaling Method

The simulation results of the scaled APU CLM are shown in Figure 4. In this case, since the speed boundary of the modeled compressor was 10% speed, its starting process began at 15% speed.
In Figure 4a, time is normalized and speed is expressed as a percentage. As can be seen in Figure 4a, the SG was in the starting mode for the time of 0~0.1, outputting constant torque and driving the auxiliary power unit to co-accelerate. When 38% speed was reached, the SG was disengaged, at which point the SG did not generate power or provide torque. The MEAPU gradually increased the fuel flow through the open-loop control of the fuel flow, and accelerated to 100% speed; then, the SG began to generate power. The MEAPU speed error was 0.3% at the design point fuel flow and design point power generation open loop. The starting process’s acceleration time was about 0.6, in which the SG drove the MEAPU to co-accelerate for about 0.1 to reach 38% speed, and then the MEAPU independently accelerated for 0.6 to reach 100% speed.
From Figure 4b,c, it can be seen that during the starting process, the MEAPU CLM started smoothly without any surges. The established full-state MEAPU CLM can, therefore, reflect well the whole process of the MEAPU, from its starting to its power generation states.
Model corrections were performed for multiple given steady-state points using the proposed continuous scaling method, and the corrected model and prototype APU test data were validated. The results are shown in Table 1. ISA stands for international standard atmosphere.
As can be seen from Table 1, the open-loop simulation results for the modified CLM and the prototype APU test data had a speed error of less than 0.5% for a given altitude, intake air temperature, shaft power, and fuel flow. Therefore, the model can meet the demands of MEAPU cooperative control research.

4. SG Modeling and PWM Rectifier Linearizing

The DWISG studied in this paper is shown in Figure 5. It has two field-coupled stator windings, wherein the power winding supplies the AC load and the control winding regulates the excitation and supplies the direct current (DC) load [23,24].
According to the DWISG structure diagram shown in Figure 5, the voltage and magnetic chain equations of the DWISG in the d-q rotating coordinate system are
{ u c d = R c i c d ω ψ c q + d ψ c d d t u c q = R c i c q ω ψ c d + d ψ c q d t u p d = R p i p d ω ψ p q + d ψ p d d t u p q = R p i p q ω ψ p d + d ψ p q d t 0 = R r i r d ω s ψ r q + d ψ r d d t 0 = R r i r q ω s ψ r d + d ψ r q d t
{ ψ c d = L c i c d + L m ( i r d + i p d ) ψ c q = L c i c q + L m ( i r q + i p q ) ψ p d = L p i p d + L m ( i r d + i c d ) ψ p q = L p i p q + L m ( i r q + i c q ) ψ r d = L r i r d + L m ( i c d + i p d ) ψ r q = L r i r q + L m ( i c q + i p q )
In Equations (14) and (15), u c d , u c q , u p d , and u p q are the d-axis and q-axis components of the voltage of the control winding and power winding, respectively; i c d , i c q , i p d , i p q , i r d , and i r q are the d-axis and q-axis components of the current of the control winding, power winding, and rotor equivalent winding, respectively; ψ c d , ψ c q , ψ p d , ψ p q , ψ r d , and ψ r q are the d-axis and q-axis components of the magnetic chain of the control winding, power winding, and rotor equivalent winding, respectively; R c , R p , R r are the resistances of the control winding, power winding, and rotor equivalent winding, respectively; L c , L p , L r are the self-inductances of the control winding, power winding, and rotor equivalent winding, respectively; L m is the excitation inductance; ω is the synchronous angular frequency; ω s is the differential angular frequency. These equations can calculate the electromagnetic states of the DWISG, so as to calculate the output current according to the input voltage. The parameters of the DWISG and PWM rectifier system are shown in Table 2, which were derived from a DWISG that was designed according to the same rated power as the Boeing 787 main generator [44]; further, this DWISG uses the some modified parameters based on the MEAPU that were used in this paper.
It is also necessary to model the PWM rectifier and design the controller in order to realize the starting and power generation control of the DWISG. In the d-q coordinate system, the switching function model of the three-phase PWM rectifier is
{ C d u d c d t = 3 2 ( i q s q + i d s d ) i L L d i q d t + ω L i d + R i q = u q u d c s q L d i d d t + ω L i q + R i d = u d u d c s d
In Equation (16), C , L , and R are the PWM rectifier capacitance, inductance, and resistance parameters, respectively; u d c , u d , and u q are the DC bus, control winding d-axis, and q-axis voltages, respectively; i d , i q , and i L are the control winding d-axis and q-axis motor-side three-phase ac currents, respectively; s q and s d are the switching functions of the d-axis and q-axis, respectively, representing the projection of the switching vectors of the PWM rectifier under sinusoidal PWM (SPWM) or space vector PWM (SVPWM) control in the d-q coordinate system. The model of the PWM rectifier can be built using Equation (16).
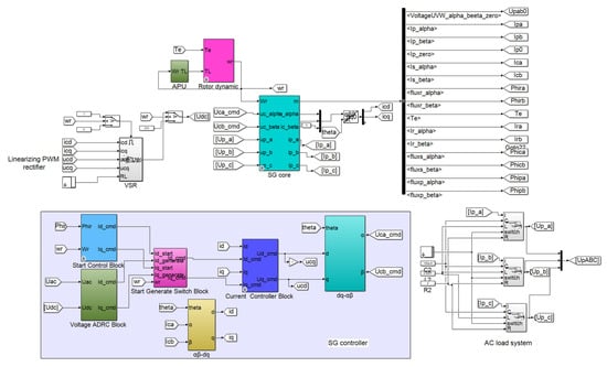
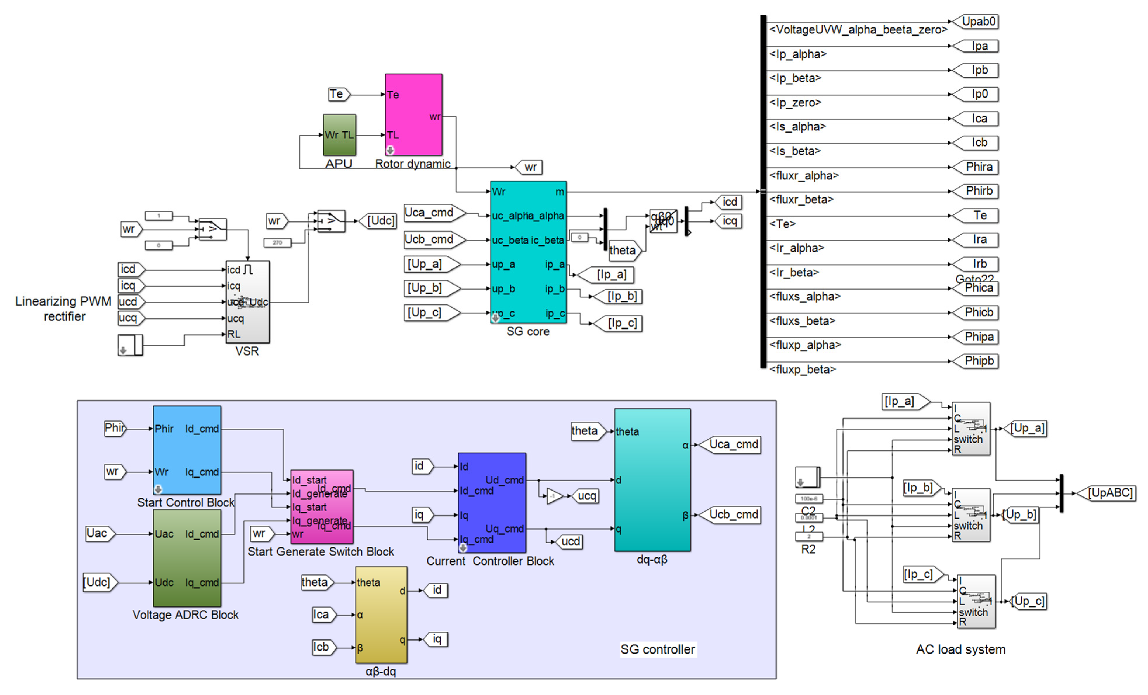
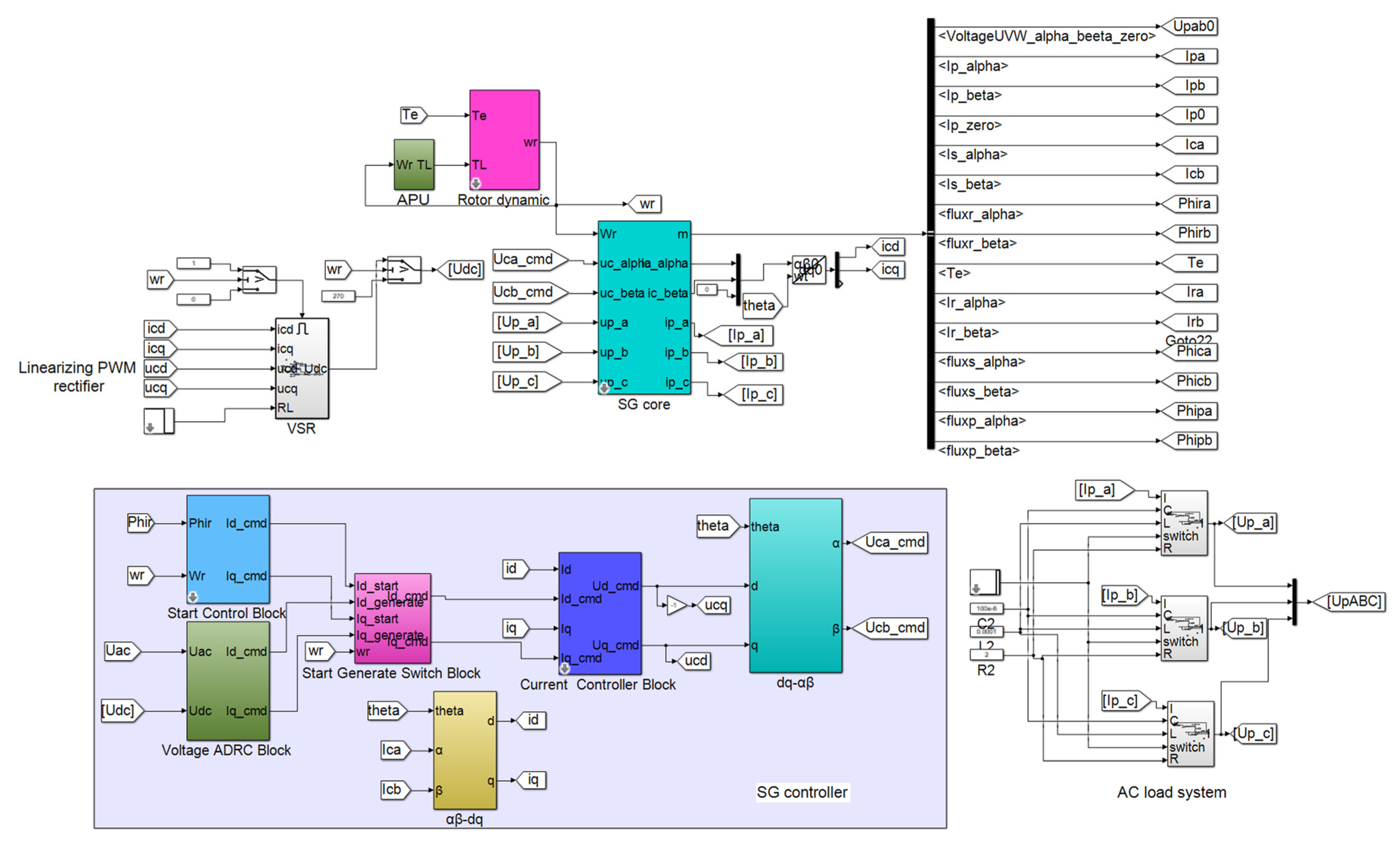
The DWISG model using the switching functions of the PWM rectifier model is shown in Figure 6. This model directly adopts the POWERGUI component in SIMULINK. In order to realize the SG model control, an SG controller is also built into the model, and the controller outputs the switching vector to control the turn-off of the PWM rectifier.
The PI controller is used to control the starting generator torque in the starting phase, as well as the starting generator AC/DC voltage in the power generation phase. The control block diagram corresponding to Figure 6 is shown in Figure 7.
Due to the introduction of the switching function, the PWM rectifier has a strong nonlinearity and needs to be switched according to the switching vector generated by the SPWM controller or the SVPWM controller. Here, the input and output of the PWM rectifier are the three-phase voltage and current, respectively, containing the higher harmonic components. In order to ensure the effectiveness of the switching vector control, the simulation frequency needs to be greater than the SPWM or SVPWM frequency, which greatly affects the simulation speed. The simulation step size when switching the function is generally below 10−6 s, and the time required for a 1 s model simulation is about 147 s in the Simulink interface, which cannot meet the real-time demand. Therefore, the linearization method is used to simplify the PWM rectifier [37] so that the SG model can perform in real time.
When ignoring the PWM rectifier’s losses
p a c = p d c
Equation (17) means that the active power on the AC side of the PWM rectifier is balanced with the active power on the DC side. If equal amplitude coordinate transformation is used,
p a c = 3 2 u d i d + 3 2 u q i q
p d c = u d c i d c = u d c C d u d c d t + u d c 2 R L
Equations (18) and (19) calculate the active power on the AC side and the DC side, respectively, where R L is the DC-side load resistance. Combining Equations (17)–(19), the following can be obtained:
d u d c 2 d t = 2 R L C u d c 2 + 3 C u d i d + 3 C u q i q
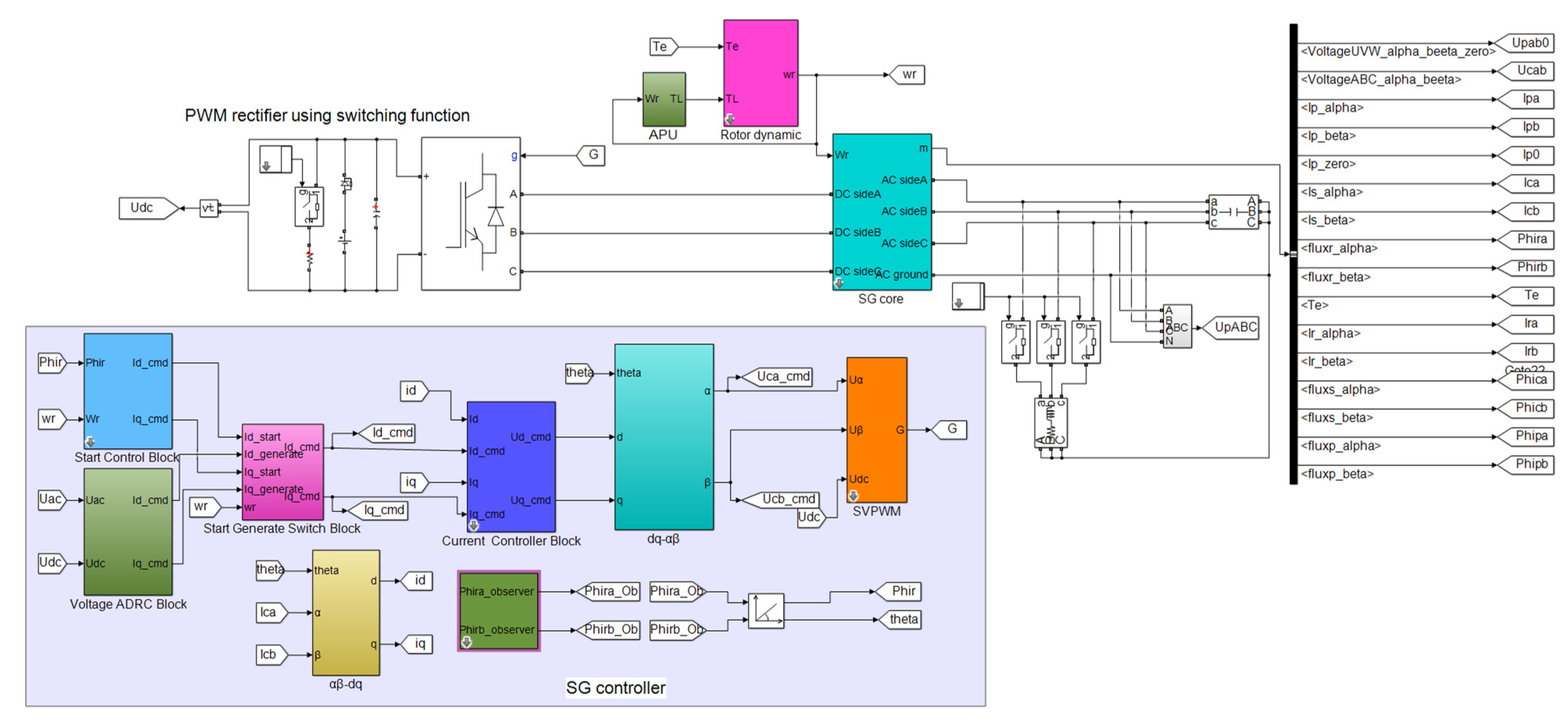
Equation (20) expresses the relationship between u d c and u d ,   i d ,   u q ,   i q . Since the SVPWM waveform output from the SVPWM controller is essentially equivalent to the controller’s three-phase voltage/current waveform output, the controller output can be applied directly to the DWISG. Replacing the PWM rectifier model shown in Figure 6 with Equation (20) avoids switching functions. The DWISG model using the linearized PWM rectifier model is shown in Figure 8, and the control block diagram corresponding to Figure 8 is shown in Figure 9.
In the starting phase, the controller generates control signals that it sends directly to the SG according to the torque command and rotor position feedback, and the SG drives the MEAPU to accelerate. In the power generation phase, the controller generates the control signal to directly control the SG based on the AC/DC voltage command and the current actual AC/DC voltage. The DC voltage output is generated through the linearized model of the PWM rectifier and acts on the DC load. Compared with the control block diagram shown in Figure 7, the mutual between the SG and the PWM rectifier is realized through the controller shown in Figure 9, so it is necessary to verify the real-time SG model by comparing the simulation results of the real-time SG model with the simulation results of the original SG model.
Since the SG needs speed as an input, the speed inputs used to verify the SG model are shown in Figure 10. In the figure, speed and time are normalized.
As seen in Figure 10, the SG was in its starting state from 0 to 0.2, and the starter controller controlled the SG torque of 17 N·M. From 0.2 to 0.39, the SG was disconnected, and it did not generate or output torque. At 0.39, the SG entered its generating state. At 0.6, the SG was connected to a 36.45 kW DC load. At 0.7, a three-phase AC load with a total power of 24 kW was connected. Figure 11 compares the torque output, DC voltage, AC root mean square (RMS) voltage, and AC three-phase voltage of the real-time SG model with the original model.
From Figure 11, it can be seen that the real-time SG model performed similarly to the original model and can reflect the dynamic characteristics of AC and DC voltage and torque. The steady-state errors of AC and DC voltage between real-time SG model and original model were less than 0.5%, and its torque error was less than 3%. As seen in Figure 11c, the SG was disconnected from the APU at 0.2~0.39, and the simplified real-time SG model had a more significant error in the AV RMS voltage compared with the original model. This is because at this time the AC voltage is entirely determined by the residual energy of the AC side capacitor and the size of the resistance, and these are different in the real-time SG model and the original SG model. The result shown in Figure 11e was obtained by amplifying the area A shown in Figure 11d from 0.2 to 0.25. It can be seen from Figure 11e that the AC voltage output by the original model and the real-time model during the starting process almost coincided, having little amplitude differences. The result shown in Figure 11f was obtained by amplifying the area B shown in Figure 11d from 0.8 to 0.85. It can be seen from Figure 11f that the AC voltage output by the original model and the real-time model had the same amplitude in the power generation process, and that there was a phase difference that can be ignored.
In the original DWISG model using switch functions in the PWM rectifier, in order to ensure the switching frequency, it is necessary to use very short simulation time steps, generally below 10−6 s. At the same time, the control cycle is generally 20 ms for the MEAPU cooperative control, so the original DWISG model runs 20.000 times in a MEAPU control cycle, which seriously affects the real-time performance of the MEAPU model. Using the real-time DWISG model, the simulation step size can be increased from 10−6 s to 10−4 s by avoiding using the switching function model expressed by Equation (16). The simplified real-time DWISG modelDWISG runs 200 times in a MEAPU control cycle, and its simulation speed can be increased by more than 100 times. Therefore, it can meet the demands of the real-time MEAPU integrated model.

5. The MEAPU Model Integration and Cooperative Control Application

While the APU CLM and the SG component model can operate independently, they need to be integrated in order to study the interaction between the SG and the APU in the MEAPU and the cooperative control of the MEAPU. Therefore, in this study, the parameter matching of the integrated model was analyzed from both the state parameter and simulation time perspectives.
As in the operation modes described in Section 2, it is clear that in the starting process, the SG drives the MEAPU to accelerate through the SG active torque control; after ignition, the MEAPU achieves multivariable control through the fuel control, in concert with the SG active torque control. Therefore, it is required that the MEAPU model includes the starting process, during which the SG can perform active torque control and the aerothermal parameters of the MEAPU components can be obtained. The inputs to the starting process are the SG torque control command, MEAPU inlet height, Mach number and fuel flow; the outputs are the MEAPU aerothermal parameters, speed and acceleration, SG voltage and current. In the starting process, the MEAPU and the SG have the same speed and their torques are coupling; the SG exerts influence on the MEAPU by affecting its speed and acceleration. The specific inputs and outputs are shown in Figure 12.
During the starting process, the SG acts as a starter to accelerate the APU, which receives the positive torque from the SG and feeds the speed back to the SG. In the real environment, the SG’s rated power and rated torque need to be considered. When the product of the speed and torque is greater than the rated power of the SG, the SG runs at constant power and drives the APU to accelerate until the speed reaches the SG’s rated speed. Therefore, during the starting process, the APU requires the minimum torque of the SG, T s g , min , and the rated torque of the SG must be greater than the minimum torque in order to drive the APU to start successfully.
In the SG model established in this paper, the starting torque of the SG is obtained using the SG controller through current control according to the torque demand. Since there is no overload problem in the SG model, the model must be able to meet the torque demand of the starting process.
The SG’s rated speed also affects the MEAPU’s starting process. Since the driving capacity of the SG is limited, it is impossible for it to drive the MEAPU to accelerate to 100% speed all the time. The disengagement speed of the starting process is generally around 60%, so the SG must be able to run to more than 60% of the speed of the MEAPU in the starting process. In the SG model established in this paper, the rated speed was designed according to the speed of the MEAPU model so that it can drive to more than 60% speed in the starting process.
During the generation process, the SG extracts shaft power from the MEAPU rotor and outputs electrical power according to load changes through AC/DC generation voltage control; the MEAPU achieves speed stabilization through closed-loop control of speed by adjusting the fuel flow. The load variation causes SG extracted shaft power variation, which is equivalent to external disturbance to the MEAPU. Therefore, the MEAPU model must obtain the aerothermal parameters of the MEAPU components in the generation process, and the SG must perform in voltage control. The inputs to the generation process are the SG control winding q-axis current command and d-axis current command, load, MEAPU inlet height, Mach number, and fuel flow; the outputs are the MEAPU aerothermal parameters, speed and acceleration, and SG generation voltage and current. In the generation process, the MEAPU and the SG have the same speed and their torques are coupling. The specific inputs and outputs are shown in Figure 13.
In the generation process, the SG is the load of the MEAPU, and it should consider whether the MEAPU speed is the generation speed of the SG. If the power generation speed of the SG is lower than the MEAPU’s steady-state speed, transmission is necessary for speed conversion in practical engineering applications. In this paper, the SG was designed according to the MEAPU model so that it could be directly matched.
The flux diagram of the method used to optimize the real-time performance and accuracy of the MEAPU integrated model is shown in Figure 14. As shown in Figure 14, the MEAPU CLM is optimized using the continuous scaling method to obtain a more accurate MEAPU CLM; furthermore, the PWM rectifier model is optimized using the linearization method to obtain the real-time SG model.
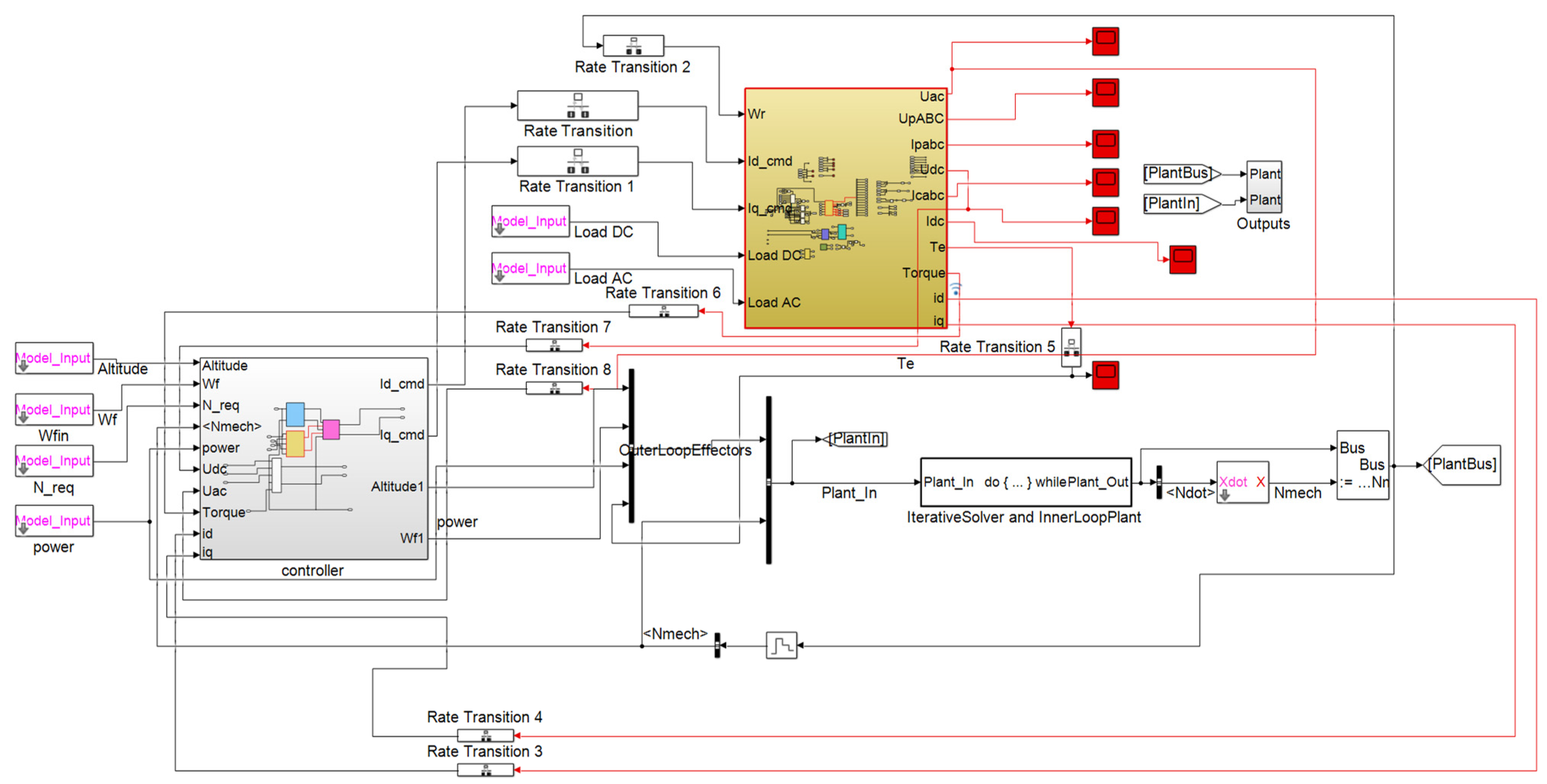
The integrated MEAPU model is shown in Figure 15. The controller is a cooperative controller that can conduct cooperative control application verification in the MEAPU integrated model, but it is not the focus of this paper. The DWISG model is connected to the APU CLM, and the controller operates via rate transition, since the simulation step of the DWISG model is 0.1 ms, while the controller step of the controller and simulation step of the APU CLM is 20 ms.
Figure 16 shows the flux diagram for the model calculation. After initial setting takes place, the cooperative controller calculates the control input, and then the MEAPU CLM and SG real-time model calculate the state parameters. When the MEAPU CLM’s Newton’s iteration converges and the SG model is calculated 100 times, the output power of both is calculated for rotor dynamics. Thus, the MEAPU integrated model completes a step size calculation.
Due to the fast voltage regulation process of the SG, the MEAPU is severely disturbed when the electrical load is suddenly added. In order to ensure the MEAPU operates properly, the maximum power of the SG should also be limited.
Figure 17 shows the simulation results of the rotational speed and surge margin of the MEAPU integrated model, and the voltage output and torque output of the SG, from the starting process to the power generation process.
As shown in Figure 17a, in stage 1, the SG and the MEAPU jointly drove the rotor to accelerate until the speed reached 38%, while, as shown in Figure 17b, the torque of the SG was gradually increased to 17.8 N·m. Then, the SG was disconnected. At the beginning of stage 2, due to the SG disconnection, the surge margin shown in Figure 17a suddenly increased, indicating that the MEAPU aerodynamic characteristics deteriorated at this moment, and the torque of the SG, as shown in Figure 17b, was 0. Then in stage 2, the fuel flow was given in an open loop that made the APU accelerate to 50% speed. In stage 3, the MEAPU switched to the acceleration closed-loop control process and accelerated to 95% speed with a constant acceleration. The surge margin constantly decreased in stage 3, and the torque of the SG was 0 in both stages 2 and 3. In stage 4, the MEAPU entered a 100% constant speed closed-loop, and the SG switched into the generation mode when the MEAPU’s speed reached 95%. It can be seen in Figure 17b that, when the SG switched into the generation mode, the output DC voltage and torque vibrated, and the output AC voltage started to accumulate, but the torque stayed at 0, since there was no load. The beginning of stage 4, as shown in n Figure 17a,b, was a little different, because the closed-loop control of the MEAPU started when its speed reached 90%, rather than 95%. In stage 5, the MEAPU was suddenly loaded with a DC load of 112.25 kVA, and in stage 6, a three-phase symmetric AC load with a total power of 127.5 kVA was applied to the MEAPU. In stage 7, the DC load was completely unloaded, and in stage 8, the AC load was completely unloaded. In Figure 17a, it can be seen that the speed and surge margin fluctuated when loading and unloading took place, and in Figure 17b, it can be seen that the voltage output and torque fluctuated too.
Figure 17 shows that when the total load reached 239.75 kVA, the APU speed fluctuated by up to 5%; further, the surge margin dropped to 35% at the maximum. To ensure the APU has stability, it is not advisable to increase the load further.
To match the simulation steps of the MEAPU and SG, the simulation period T needed to be matched. The APU control period was 20 ms, so the MEAPU simulation period was matched with the control period, with the single step being 20 ms. The DWISG model, after the PWM rectifier is linearized, can adopt a maximum simulation step of 0.1 ms to ensure the stability of the AC power waveform and the successful real-time performance of the DWISG model. Therefore, the SG was simulated in 100 steps, and the MEAPU CLM was simulated in one step. The MEAPU integrated model using the linearized PWM rectifier model, and the MEAPU integrated model using the switching function PWM rectifier model, were both run in the accelerate simulation mode of the MATLAB/SIMULINK software using C++ on the PC of the RYZEN 6800 H platform. For the MEAPU integrated model using the linearized PWM rectifier model, the simulation step was 20 ms, and its one step calculation consumed less than 20 ms. For the MEAPU integrated model using the switching function PWM rectifier model, the simulation step was 20 ms too but its one step calculation consumed more than 1 s. Therefore, the MEAPU integrated model established in this paper can meet the needs of HIL real-time simulation and is faster than the MEAPU integrated model using the switching function PWM rectifier model.

6. Conclusions

This paper studied a real-time MEAPU integrated model to perform cooperative control and HIL test research. Firstly, the working mechanism and structure of the MEAPU were analyzed. Based on this analysis, the MEAPU CLM was developed, and a continuous scaling method for the scaling correction of the characteristic diagram was proposed to correct the CLM. Then, the DWISG model was established. In order to improve the real-time performance of the model, the method of linearizing the PWM rectifier was used to accelerate the simulation speed of the DWISGS model. Finally, the MEAPU integrated model was built and analyzed. The study’s main conclusions are drawn below:
By using the proposed continuous scaling method of the component characteristic correction, the error between the established MEAPU CLM and the test results was within 0.5%. By linearizing the PWM rectifier model, a real-time DWISG model was established and the simulation results of the real-time DWISG model were almost the same as those of the original DWISG model. The simulation speed of the real-time DWISG model was faster than that of the original SG model by about 100 times. Based on the analyzed coupling relationship between the DWISG and MEAPU, the integrated MEAPU model was established, which can reflect the relationship of the SG and MEAPU CLM in both the starting and generation processes, and guarantee that when conducting one step simulations, the consumption time is within 20 ms, which can meet the real-time requirements of cooperative control and HIL test research. It should be noted that the methods proposed in this paper can also be used in other MEE models to ensure their accuracy and real-time performance.
In the future, it is expected that when dynamic test data are obtained, the MEAPU integrated model’s dynamic characteristics will be modified to improve its dynamic accuracy. Additionally, the MEAPU integrated model can also combine the aircraft electrical load model and the power grid model to realize the simulation analysis of the load grid and power demand of aircraft.

Author Contributions

Conceptualization, J.Z. and J.F.; Methodology, J.Z.; Software, J.Z.; Validation, J.Z., J.F. and X.Z.; Formal Analysis, J.Z.; Investigation, J.Z. and L.L.; Resources, T.Z.; Data Curation, J.Z.; Writing—Original Draft Preparation, J.Z.; Writing—Review & Editing, J.Z., J.F., T.Z., X.Z. and L.L.; Visualization, J.Z. and X.Z.; Supervision, T.Z.; Project Administration, T.Z.; Funding Acquisition, T.Z. All authors have read and agreed to the published version of the manuscript.

Funding

This work received the financial support of Postgraduate Research & Practice Innovation Program of Jiangsu Province, and its project number is KYCX18_0316. This work was supported by the National Natural Science Foundation of China (Grant number: 51976089).

Institutional Review Board Statement

Not applicable.

Informed Consent Statement

Not applicable.

Data Availability Statement

Not applicable.

Acknowledgments

The authors thank Zhang Tianhong for his guidance on this paper and the help of students from our research office. The authors also thank other researchers for their illuminating research on the APU and other electric studies.

Conflicts of Interest

The authors declare no conflict of interest.

References

  1. Jones, R.I. The More Electric Aircraft-Assessing the Benefits. J. Aerosp. Eng. 2002, 216, 259–269. [Google Scholar] [CrossRef]
  2. Feiner, L.J. Power-By-Wire Aircraft Secondary Power Systems. In Proceedings of the 12th AIAA/IEEE Digital Avionics Systems Conference, Fort Worth, TX, USA, 28 October 1993; pp. 439–444. [Google Scholar]
  3. Weale, D.; Whitely, C. Power Takes Flight. Power Eng. 2004, 18, 32–36. [Google Scholar] [CrossRef]
  4. Verschoor, M. The More Electric Architecture Revolution. Aerotech Mag. 2005, 1, 3–7. [Google Scholar]
  5. Rosero, J.; Ortega, J.; Aldabas, E.; Romeral, L. Moving Towards a More Electric Aircraft. IEEE AE Syst. Mag. 2007, 22, 3–9. [Google Scholar] [CrossRef]
  6. Qin, H.H.; Yan, Y.G. Electrical Systems of More Electric Aircraft, 2nd ed.; Beijing University of Aeronautics and Astronautics Press: Beijing, China, 2015; p. 2. [Google Scholar]
  7. Cheng, Y.L.; Georgios, D.; Panagiotis, L.; Riti, S. Thermal cycle analysis of turboelectric distributed propulsion system with boundary layer ingestion. Aerosp. Sci. Technol. 2013, 27, 163–170. [Google Scholar]
  8. Felder, J.L.; Kim, H.D.; Brown, G.V.; Kummer, J. An Examination of the Effect of Boundary Layer Ingestion on Turboelectric Distributed Propulsion Systems. In Proceedings of the AIAA Aerospace Sciences Meeting Including the New Horizons Forum & Aerospace Exposition, Orlando, FL, USA, 4–7 January 2011. [Google Scholar]
  9. Cheng, Y.L.; Georgios, D.; Panagiotis, L.; Riti, S. Turboelectric Distributed Propulsion System Modelling for Hybrid-Wing-Body Aircraft. In Proceedings of the 48th AIAA/ASME/SAE/ASEE Joint Propulsion Conference & Exhibit, Atlanta, GA, USA, 30 July–1 August 2012. [Google Scholar]
  10. Skliros, C.; Fakhre, A.; Ian, J. Fault simulations and diagnostics for a Boeing 747 Auxiliary Power Unit. Expert Syst. Appl. 2021, 184, 115504. [Google Scholar] [CrossRef]
  11. Enalou, H.B.; Lang, X.; Rashed, M.; Bozhko, S. Time-Scaled Emulation of Electric Power Transfer in the More Electric Engine. IEEE Trans. Transp. Electrif. 2020, 6, 1679–1694. [Google Scholar] [CrossRef]
  12. Balaghi, E.H.; Bozhko, S. Performance improvement of turbofans by electric power transfer. J. Turbomach. 2020, 142, 111002. [Google Scholar] [CrossRef]
  13. Balaghi, E.H.; Bozhko, S. Electric Power Transfer Concept for Enhanced Performance of the More Electric Engine. J. Eng. Gas Turbines Power 2021, 143, 091002. [Google Scholar] [CrossRef]
  14. Balaghi, E.H.; Abbasi, S.E.; Rashed, M.; Shen, Y.S.; Bozhko, S. A detailed modular governor-turbine model for multiple-spool gas turbine with scrutiny of bleeding effect. J. Eng. Gas Turbines Power 2017, 139, 114501. [Google Scholar] [CrossRef]
  15. Wei, J.D.; Yang, Y.W.; Zhou, B.; Zhang, K. Integrated AC-DC excitation control of three-stage synchronous motor starting process. J. Electr. Eng. Technol. 2015, 30, 138–146. [Google Scholar]
  16. Peng, J.C.; Liu, W.G.; Ma, P.; Mao, S.H. A three-stage type motor rotor initial position estimation technique. Chin. J. Electr. Eng. 2015, 35, 5069–5077. [Google Scholar]
  17. Alan, I.; Lipo, T.A. Starter/generator employing resonant-converter-fed induction machine part I: Analysis. IEEE Trans. Aerosp. Electron. Syst. 2000, 36, 1309–1318. [Google Scholar]
  18. Alan, I.; Lipo, T.A. Starter/generator employing resonant-converter-fed induction machine part II: Hardware prototype. IEEE Trans. Aerosp. Electron. Syst. 2000, 36, 1319–1329. [Google Scholar]
  19. Rajashekara, K.; Jia, Y. An induction generator-based auxiliary power unit for power generation and management system for more electric aircraft. In Proceedings of the IEEE Energy Conversion Congress and Exposition (ECCE), Milwaukee, WI, USA, 18–22 September 2016. [Google Scholar]
  20. Jia, Y.; Prasanna, U.R.; Rajashekara, K. An open-end winding induction generation system for frequency insensitive ac loads in more electric aircraft. In Proceedings of the Fortieth Annual Conference of the IEEE Industrial Electronics Society (IECON), Dallas, TX, USA, 29 October–1 November 2014. [Google Scholar]
  21. Jia, Y.; Rajashekara, K. An induction generator-based ac/dc hybrid electric power generation system for more electric aircraft. IEEE Trans. Ind. Appl. 2017, 53, 2485–2494. [Google Scholar] [CrossRef]
  22. Jia, Y.; Kaushik, R. Induction machine for more electric aircraft: Enabling new electrical power system architectures. IEEE Electrif. Mag. 2017, 5, 25–37. [Google Scholar] [CrossRef]
  23. Ojo, O.; Davidson, I.E. PWM-VSI inverter-assisted stand-alone dual stator winding induction Generator. IEEE Trans. Ind. Appl. 2000, 36, 1604–1611. [Google Scholar]
  24. Ojo, O.; Davidson, I.E. A dual stator winding induction generator with a four switch inverter-battery scheme for control. In Proceedings of the IEEE Thirty-first Annual Power Electronics Specialists Conference (PESC), Galway, Ireland, 23 June 2000; pp. 230–234. [Google Scholar]
  25. Stamatis, A.; Mathioudakis, K.; Papailiou, K.D. Adaptive simulation of gas turbine performance. In Proceedings of the ASME 1989 International Gas Turbine and Aeroengine Congress and Exposition, Toronto, ON, Canada, 4 June 1989. [Google Scholar]
  26. Lambiris, B.; Mathioudakis, K.; Stamatis, A.; Papailiou, K. Adaptive modeling of jet engine performance with application to condition monitoring. J. Propuls. Power 1994, 10, 890–896. [Google Scholar] [CrossRef]
  27. Ahmed, U.; Ali, F.; Jennions, I.K. Development of a Far-Field Noise Estimation Model for an Aircraft Auxiliary Power Unit. IEEE Access 2021, 9, 127703–127719. [Google Scholar] [CrossRef]
  28. Altuntas, O.; Selcuk, E.; Yalin, G.; Karakoc, T.H. Comparison of Auxiliary Power Unit (APU) and Ground Power Unit (GPU) with life cycle analysis in ground operations: A case study for domestic flight in Turkey. Appl. Mech. Mater. 2014, 629, 219–224. [Google Scholar] [CrossRef]
  29. Gu, W.; Ma, W.; Wang, D. Study on the dq-axis decoupling problem of mathematical model of double-stator winding asynchronous generator. Small Medium-Sized Electr. Mach. 2004, 31, 1–5. [Google Scholar]
  30. Liu, H.; Bu, F.; Huang, W.; Xu, H.; Hong, F.; Zhou, Y. Modeling of five-phase dual stator-winding induction generator with third harmonic injection. In Proceedings of the IEEE Eleventh International Conference on Power Electronics and Drive Systems (PEDS), Sydney, Australia, 9–12 June 2015. [Google Scholar]
  31. Bu, F.; Liu, H.; Huang, W.; Xu, H.; Hu, Y. Recent advances and developments in dual stator-winding induction generator and system. IEEE Trans. Energy Convers. 2018, 33, 1431–1442. [Google Scholar] [CrossRef]
  32. Mudannayake, C.P.; Rahman, M.F. A matlab/simulink model for a prototype integrated starter alternator for automobiles. In Proceedings of the Fourth International Power Electronics and Motion Control Conference (IPEMC), Xi’an, China, 14–16 August 2004. [Google Scholar]
  33. Zhang, L.; Hu, Y.; Huang, W. Research on DTC control strategy of induction starter/generator system. In Proceedings of the International Conference on Electrical Machines and Systems (ICEMS), Nanjing, China, 26–29 September 2005. [Google Scholar]
  34. Zhang, J.; Rahman, M.F.; Tang, L. Modified direct torque controlled induction generator with space vector modulation for integrated starter alternator. In Proceedings of the Fourth International Power Electronics and Motion Control Conference (IPEMC), Xi’an, China, 14–16 August 2004. [Google Scholar]
  35. Abdollahi, R.; Gharehpetian, G.B.; Davari, M. A Novel More Electric Aircraft Power System Rectifier Based on a Low-Rating Autotransformer. IEEE Trans. Transp. Electrif. 2021, 8, 649–659. [Google Scholar] [CrossRef]
  36. Guo, F.; Yang, T.; Diab, A.M.; Yeoh, S.S.; Bozhko, S.; Wheeler, P. An enhanced virtual space vector modulation scheme of three-level NPC converters for more-electric-aircraft applications. IEEE Trans. Ind. Appl. 2021, 57, 5239–5251. [Google Scholar] [CrossRef]
  37. Zhang, C.; Zhang, X. PWM Rectifiers and Their Control, 1st ed.; China Machine Press: Beijing, China, 2003; pp. 67–88. [Google Scholar]
  38. Huang, G.P.; Liang, D.W.; He, Z.Q. Comparison of technical characteristics of APU and micro turbine engines for large aircraft. J. Aerosp. Power 2008, 2, 383–388. [Google Scholar]
  39. Wang, J.Q.; Zhao, H.H.; Zhang, Y. Flight test of steady and transient characteristics of APU. Aeronaut. Sci. Technol. 2020, 31, 41–46. [Google Scholar]
  40. Li, D.J. Application Status and Development Trend of Auxiliary Power Unit. Aeronaut. Sci. Technol. 2012, 6, 7–10. [Google Scholar]
  41. Tao, J.; Huang, J. Research on component-level component model of aero-engine. Aero Engine 2009, 35, 18–21+9. [Google Scholar]
  42. Zhou, W. Research on modeling and object-oriented simulation of aero-engine and control system. Doctor degree, Nanjing University of Aeronautics and Astronautics, Nanjing, China, 2006. [Google Scholar]
  43. Zhou, W.; Huang, J.; Dou, J. Component-level starting model of turbofan engine. Aerodyn. J. 2006, 21, 248–253. [Google Scholar]
  44. Su, N.; Huang, W. Parallel power generation system based on dual-stator winding induction generator for electric propulsion aircraft. Acta Aeronaut. Astronaut. Sin. 2022, 8, 509–520. [Google Scholar]
Figure 1. Structure diagram of the conventional auxiliary power unit (APU).
Figure 1. Structure diagram of the conventional auxiliary power unit (APU).
Aerospace 09 00803 g001
Figure 2. More electric auxiliary power unit (MEAPU) structure diagram.
Figure 2. More electric auxiliary power unit (MEAPU) structure diagram.
Aerospace 09 00803 g002
Figure 3. The MEAPU component-level-model (CLM).
Figure 3. The MEAPU component-level-model (CLM).
Aerospace 09 00803 g003
Figure 4. APU CLM simulation results. (a) Speed output from start to generate; (b) compressor operating point from start to generate; (c) turbine operating point from start to generate.
Figure 4. APU CLM simulation results. (a) Speed output from start to generate; (b) compressor operating point from start to generate; (c) turbine operating point from start to generate.
Aerospace 09 00803 g004aAerospace 09 00803 g004b
Figure 5. Double winding induction stater-generator (DWISG) structure diagram.
Figure 5. Double winding induction stater-generator (DWISG) structure diagram.
Aerospace 09 00803 g005
Figure 6. The DWISG model using switching functions of the pulse width modulation (PWM) rectifier model.
Figure 6. The DWISG model using switching functions of the pulse width modulation (PWM) rectifier model.
Aerospace 09 00803 g006
Figure 7. The control block diagram of SG.
Figure 7. The control block diagram of SG.
Aerospace 09 00803 g007
Figure 8. The DWISG model using linearized PWM rectifier model.
Figure 8. The DWISG model using linearized PWM rectifier model.
Aerospace 09 00803 g008
Figure 9. The control block diagram of simplified SG model.
Figure 9. The control block diagram of simplified SG model.
Aerospace 09 00803 g009
Figure 10. The speed inputs from APU to SG.
Figure 10. The speed inputs from APU to SG.
Aerospace 09 00803 g010
Figure 11. Comparison between simplified and un-simplified SG models. (a) Torque comparison; (b) DC voltage comparison; (c) AC voltage root mean square (RMS) comparison; (d) AC three-phase voltage comparison; (e) Local enlargement of area A in figure (d); (f) Local enlargement of area B in figure (d).
Figure 11. Comparison between simplified and un-simplified SG models. (a) Torque comparison; (b) DC voltage comparison; (c) AC voltage root mean square (RMS) comparison; (d) AC three-phase voltage comparison; (e) Local enlargement of area A in figure (d); (f) Local enlargement of area B in figure (d).
Aerospace 09 00803 g011
Figure 12. Inputs and outputs of the MEAPU integrated model for the starting process.
Figure 12. Inputs and outputs of the MEAPU integrated model for the starting process.
Aerospace 09 00803 g012
Figure 13. Inputs and outputs of MEAPU integrated model for power generation process.
Figure 13. Inputs and outputs of MEAPU integrated model for power generation process.
Aerospace 09 00803 g013
Figure 14. The flux diagram of the method.
Figure 14. The flux diagram of the method.
Aerospace 09 00803 g014
Figure 15. The integrated MEAPU model with simple cooperative controller.
Figure 15. The integrated MEAPU model with simple cooperative controller.
Aerospace 09 00803 g015
Figure 16. Flux diagram for the integrated MEAPU model calculation.
Figure 16. Flux diagram for the integrated MEAPU model calculation.
Aerospace 09 00803 g016
Figure 17. The simulation results. (a) The speed and surge margin of MEAPU; (b) The voltage output and torque of SG.
Figure 17. The simulation results. (a) The speed and surge margin of MEAPU; (b) The voltage output and torque of SG.
Aerospace 09 00803 g017
Table 1. The open-loop simulation results for the modified APU model.
Table 1. The open-loop simulation results for the modified APU model.
Height
km
Intake Air Temperature
K
Shaft Power
kW
Fuel Flow
Kg/h
Exhaust Temperature
K
Rotational Speed
rpm
Exhaust Temperature Difference
k
Rotational Speed Difference
%
0−50282127.762248,86820.050.14
0ISA282121.974148,849−130.10
3−5028210964648,97620.440.36
3ISA28210778048,815−250.03
4.5−50282103.566648,6545.56−0.30
4.5ISA26097.578548,888−340.18
Table 2. DWISG parameters [44].
Table 2. DWISG parameters [44].
Parameter NameValueParameter NameValue
Rated power250 kWPair of poles2
Rated speed48,800 rpmControl/power winding turns ratio1:3
Control winding resistance0.005563 ΩControl winding self-inductance0.103
Power winding resistance0.005672 ΩPower winding self-inductance0.060
Rotor equivalent winding resistance0.0082 ΩRotor equivalent winding self-inductance0.04
Excitation inductance1.950 mHExcitation capacitor40
Publisher’s Note: MDPI stays neutral with regard to jurisdictional claims in published maps and institutional affiliations.

Share and Cite

MDPI and ACS Style

Zhang, J.; Fang, J.; Zhang, T.; Li, L.; Zhang, X. Component-Level Modeling of More Electric Auxiliary Power Units for Cooperative Control. Aerospace 2022, 9, 803. https://doi.org/10.3390/aerospace9120803

AMA Style

Zhang J, Fang J, Zhang T, Li L, Zhang X. Component-Level Modeling of More Electric Auxiliary Power Units for Cooperative Control. Aerospace. 2022; 9(12):803. https://doi.org/10.3390/aerospace9120803

Chicago/Turabian Style

Zhang, Jiaming, Jun Fang, Tianhong Zhang, Lingwei Li, and Xinglong Zhang. 2022. "Component-Level Modeling of More Electric Auxiliary Power Units for Cooperative Control" Aerospace 9, no. 12: 803. https://doi.org/10.3390/aerospace9120803

APA Style

Zhang, J., Fang, J., Zhang, T., Li, L., & Zhang, X. (2022). Component-Level Modeling of More Electric Auxiliary Power Units for Cooperative Control. Aerospace, 9(12), 803. https://doi.org/10.3390/aerospace9120803

Note that from the first issue of 2016, this journal uses article numbers instead of page numbers. See further details here.

Article Metrics

Back to TopTop