Abstract
A numerical study of supersonic cavity flows is conducted with different turbulent models, including RANS, LES, DES, DDES, and IDDES. Firstly, a supersonic cavity-ramp flow with Ma∞ = 2.92 is simulated numerically. It shows that the results of DDES and IDDES are nearly equivalent. The wall skin-friction coefficients obtained by these two models are in better agreement with the experimental measurement than those of DES. The reason is that the RANS region of DDES and IDDES is larger than that of DES, so it produces more turbulence in the near-wall region. In comparison, RANS cannot accurately predict large separation flows. The shear layer’s reattachment point on the ramp predicted by RANS is biased downstream compared to the experimental measurement, making its overall prediction accuracy worse than other models. The results obtained by LES are comparable to those obtained by DDES and IDDES except for the wall skin-friction coefficient, which is much smaller because the grid resolution is not high enough to accurately resolve the near-wall turbulent flow. Secondly, the effect of different aft-wall angles (θ) on the flow characteristics of the supersonic cavity is investigated numerically with IDDES. We find that as θ decreases, the oscillation intensity of the cavity flow continuously decreases. However, the change in cavity drag with θ is non-monotonic, which means that there might be a critical θ at which the drag penalties of a cavity are minimal. Therefore, an optimal design should be achieved when changing θ to control the oscillation intensity of supersonic cavity flows.
1. Introduction
Supersonic flows over cavities are encountered in many aerospace applications, such as open weapon bays in supersonic fighters [1] and the flame-holding cavity in scramjet combustors [1,2,3,4]. In a weapon bay, the unsteady flow in the cavity often leads to the strong pitching oscillation of a missile during its initial release stage, resulting in collision with and damage to the aircraft body. In addition, the noise generated by the unsteady flow in the cavity affects the fighter’s stealth performance. In a flame-holding device for scramjet combustors, finding the optimal design for the cavity configuration which will yield the most effective flame-holding capability with minimum losses is often demanding. Therefore, due to the important role they play in supersonic vehicles, supersonic cavity flows have drawn the attention of many researchers, and lots of studies have been performed to enhance our understanding of such flows [1,3].
In general, the supersonic flow separates at the leading edge of a cavity, leading to the formation of a shear layer, which then reattaches on the rear wall. Therefore, supersonic cavity flows generally feature the combination of separated flows and reattaching flows. As pointed out by the NASA report [5] published in 2014, the accurate numerical prediction of separation and reattachment flows remains a big challenge, and a promising way to solve this problem is the hybrid RANS/LES method, which is still immature. The Reynolds-Averaged Navier–Stokes (RANS) method has a relatively small computational expense and has been widely used for engineering design. However, it is difficult to accurately predict large separation flows with this method. The Large Eddy Simulation (LES) method [6,7,8] is suitable for unsteady separated flows, but a LES of high-Reynolds-number wall-bounded flows will consume significant computational resources [6]. The hybrid RANS/LES method combines the advantages of RANS and LES while avoiding the shortcomings of the two methods; it uses the RANS method in the near-wall region and the LES method in the region away from the wall or in the separated flow region. Detached Eddy Simulation (DES) methods, including the original DES [9,10], detached DES (DDES) [11,12], and improved DDES (IDDES) [13], are a kind of promising hybrid RANS/LES method.
Settles et al. [14] conducted an experiment with a supersonic cavity-ramp flow with Ma∞ = 2.92, which is often used to validate turbulent models. Gao et al. [15] and Zhao et al. [16] used RANS to simulate this flow. The calculated wall pressure and friction obtained by Gao et al. [15] were consistent with the experimental measurement. On the other hand, the accuracy of the calculated wall friction obtained by Zhao et al. [16] was not so satisfied. Fan et al. [17] and Quinlan et al. [18] used the hybrid RANS/LES method, respectively. Their simulation well reproduced the flow characteristics. Regrettably, Quinlan et al. [18] did not provide the results of wall friction. Leger et al. [19], Zhou et al. [20], and Wu et al. [21] conducted DDES investigations, respectively. Leger et al. [19] used the SA-based DDES (SA-DDES) model, and there was an obvious deviation between the calculated wall friction and the experimental data. Wu et al. [21] used the DDES model based on the k-ω SST model (SST-DDES), and the calculated results were consistent with the experimental data. Zhou et al. [20] used both the SA-DDES model and the SST-DDES model in their research. They found that compared to the SST-DDES model, the calculated wall pressure and friction of SA-DDES were in better agreement with the experimental data. According to the authors’ literature research, the IDDES model is rarely applied to the supersonic cavity-ramp flow.
Controlling the flow-induced cavity oscillation has received a great deal of interest in the past few decades because of its practical applications. In a weapon bay, the oscillation intensity of cavity flows needs to be suppressed to reduce the pitching oscillation and decrease the noise. In a flame-holding device in a scramjet, the oscillation intensity often needs to be strengthened to promote the mixing of fuel and oxidant. The controlling approaches can be divided into active [22,23] and passive [1] control methods. Slanting the aft wall is a passive control method, and it has been experimentally proven to be effective at suppressing oscillation intensity. Vikramaditya et al. [24,25] conducted an experiment to investigate the effect of aft-wall angles (θ) in a supersonic cavity flow with Ma∞ = 1.63. They found that as θ decreases, the oscillation intensity also decreases. By analyzing the shadowgraph and cross-correlation coefficients, they found that the self-oscillation mechanism of acoustic resonance is present when the θ = 90° or 60° but disappears when θ decreases to 45°. Then, the experiment of Zhang et al. [26] showed that for a rectangular cavity, drag decreases with the length-to-depth ratio. In another research study, Zhang et al. [27] used two-dimensional unsteady RANS (URANS) to study the effect of θ. They found that both the oscillation intensity and the cavity drag continuously decrease as θ decreases from 90° to 67.5° and then to 45°. Gruber et al. [28] also studied the effect of θ by means of experiments and numerical simulations (two-dimensional URANS). They found that as θ decreases from 90° to 30° and then to 16°, the oscillation intensity decreases but the cavity drag increases. In comparison, Gruber et al. [28] agreed with Zhang et al. [27] on the changing trend of oscillation intensity, but their conclusions about the changing trend of cavity drag with θ are completely opposite. Ben-Yakar et al. [2] noticed this disagreement and speculated that the change in cavity drag with θ is actually non-monotonic, and there might be a critical θ (between 45° and 16°) at which the drag penalties of a cavity are minimal. This speculation is partly supported by the experiment conducted by Ding et al. [29]. They found that the cavity drag decreases when θ is between about 18° and 45°, followed by an increase between about 45° and 60°. Considering that both Zhang et al. [27] and Gruber et al. [28] used two-dimensional URANS, which cannot accurately describe the three-dimensional characteristics of turbulence, their calculated drag forces are not so convincing. Although the experiment of Ding et al. [29] supported that cavity drag changes non-monotonically with θ, more investigation is still necessary to further prove it. Therefore, further studies are required to complete our understanding of the effect of θ.
Overall, the present paper has two objectives. One is to conduct numerical simulations of the supersonic cavity-ramp flow of the experiment conducted by Settles et al. [14]. Different turbulent models, including RANS, LES, DES, DDES, and IDDES, are used and then their accuracy is compared. The other is to investigate the effect of θ on the flow oscillation intensity and drag of supersonic cavities. This paper is arranged as follows. Governing equations and turbulent models are formulated sequentially in Section 2. In Section 3, the numerical simulation of the supersonic cavity-ramp flow of the experiment by Settles et al. [14] is conducted. The results of different turbulent models are compared with the experimental measurement in this section. Next, maintaining the flow condition of Ma∞ = 2.92, changing θ from 90° to 60° and then to 20°, we numerically investigate the change in oscillation intensity and cavity drag. These results are summarized in Section 4. Finally, conclusions are drawn in Section 5.
2. Governing Equations and Turbulent Models
2.1. Governing Equations
The numerical simulation is based on a three-dimensional Navier–Stokes equation system, whose mass conservation, momentum conservation, and energy conservation equations in Cartesian coordinates are
where ρ, ui, p, and T are the density, velocity, pressure, and static temperature of the gas, respectively. E is the total energy per unit mass, which can be expressed as
where e is internal energy, and H = E + p/ρ is the total enthalpy. λ is the thermal conductivity coefficient. τij is the shear stress tensor. For Newtonian fluids, due to Stokes hypothesis, the constitutive equation between τij and velocity gradient tensor ∂ui/∂xj can be written as
where μ is the viscosity coefficient in Equation (5). To solve Equations (1)–(3), it is necessary to introduce the gas state equation simultaneously, which is
where R = 287 J/(kg·K) is the gas constant.
In the above equations, the superscript “–” has different meanings in steady RANS or unsteady LES/DES. In steady RANS, it represents the time average, while in unsteady LES/DES it represents the spatial average. Furthermore, the superscript “~” means the Favrè-average operator, i.e., . Although the averages in RANS and LES/DES have different meanings, their equations have the same mathematical form, namely, Equations (1)–(3). Similarly, the unclosed terms in Equation (2) due to time or space averaging operations also have different meanings. The next section gives the different turbulent models for the calculation of this term.
2.2. Turbulent Models
2.2.1. RANS Model
In the present research, RANS uses the k-ω SST model [30], whose equations can be expressed as
where σk, σω, β, and Cω are model parameters. They are calculated, respectively, by the combination of their constant counterparts in the k-ω model and k-ε model, i.e.,
where Ψ1 or Ψ2 are the constants in the k-ω model and k-ε model, respectively, i.e.,
F1 in Equation (9) is a blending function whose formula is
where
where d is the distance from the wall and
Pk and Dk in Equations (7) and (8) are the generation terms and dissipation terms of the k-transport equation, respectively. The formulas are
where β* = 0.09 is the model constant and
where Sij is the rate-of-strain tensor. Reynolds stress has a similar form to the molecular viscous stress, i.e.,
where the eddy viscosity is defined as
where ɑ1 = 0.31 is a model constant and Ω is the magnitude of vorticity. F2 in Equation (19) is given by
Furthermore, the compressible correction model proposed by Wilcox [31] is adopted to consider the high Mach number effect. We define a turbulent Mach number as
where c is the local sound speed. We set Mat0 = 1/4., ξ = 2.0. Furthermore, we define
In Wilcox’s compressible correction model, ξ and FMt are used to modify the β in Equation (8) and β* in Equation (16). Actually, it is to modify the dissipation terms of the k-transport and ω-transport equations. The formula is
where the subscripts of “old” and “new” mean the parameters before and after compressible correction.
2.2.2. LES Model
The unclosed term under the LES framework is subgrid stress, and the exact expression is
We use the dynamic Smagorinsky model [32] to model this term. The dynamic Smagorinsky model is constructed based on the constant coefficient Smagorinsky model.
where the two eddy viscosities can be expressed as
where is the modulus of the rate-of-strain tensor as given by Equation (17). Δ is the spatial filtering scale, and the grid scale is used in this study, i.e.,
where Δx, Δy, and Δz are the grid scales in the x, y, and z directions, respectively.
For the constant coefficient model, C and CI are constants, and they are calibrated as C = 0.01 and CI = 0.0066 by using the data from the DNS of the isotropic turbulence. For non-isotropic turbulence, constant coefficient models may introduce significant errors. On the basis of the constant coefficient model, the dynamic model infers the flow characteristics at the subgrid scale through solvable large-scale flow information and dynamically determines the model coefficients based on local solvable flow information. The dynamic model first introduces a test filter scale , which generally satisfies > Δ. In the present study, is chosen. Under the test filter scale, there is also a subgrid stress , which is believed to have the same form as the subgrid stress under the original filter scale, i.e.,
The test filter operator “^” always acts on the resolved flow field. According to the Germano consistency principle [7], we can obtain
can be calculated explicitly by using the test filter operator on the resolved flow field. By further derivation, the dynamic model coefficients can be obtained as
where Mij is a tensor introduced during the derivation process and is defined as
And Mij can also be calculated explicitly by using the test filter operator on the resolved flow field. The operator “< >“ in Equations (31)–(33) means the spanwise average, which can prevent the denominator from being too small and causing C or CI to be too large.
2.2.3. DES Models Based on k-ω SST Model
Original DES Model
By imitating the SA-based DES model proposed by Spalart et al. [9], Strelets [10] transformed the Menter’s SST model [30] into the DES mode by modifying the length scale of the k-transport equation. In Equation (16), the dissipation term is modified to
where is length scale of the DES model, which is decided by the length scale of RANS and LES, i.e.,
where
where CDES is a model constant. It is calculated by
where and , and the formula of F1 is given in Equation (12).
DDES Model
During the process of densifying the grid, the premature switch from the RANS mode to the LES mode will lead to insufficiently modeled Reynolds stresses, resulting in modeled stress depletion (MSD) and non-physical separation [11]. To solve this problem, Spalart et al. [11] proposed the SA-based delayed-DES model (SA-DDES) by constructing a generic shielding function fd to detect the boundary-layer region and “preserve RANS mode”. Similarly, the DDES model based on Menter’s SST model (SST-DDES) [12] can be constructed. In SST-DDES, the length scale in Equation (34) changes to a new length scale, , which is calculated as
where lRANS and lLES are still calculated by Equations (36) and (37). The shielding function fd is expressed as follows:
where cd is a model constant and is set to 20 in the present study as suggested by Gritskevich et al. [12]. The parameter rd is calculated with the velocity gradient, wall distance d, and viscosity, and the expression is
where κ = 0.41 is a model constant.
IDDES Model
To improve the simulation accuracy of velocity distribution in the log layer within the boundary layer, Shur et al. combined the DDES model with the wall-modified LES and proposed the IDDES model [13]. In this model, the length scale in Equation (34) is further modified to be , which is calculated as
where lRANS still has the same formula as Equation (36). However, lLES is modified as
where is the modified filtering scale, and it is calculated using the following formula:
where cw = 0.15. Furthermore, and . The formula of fe in Equation (42) is
where
and . In addition,
where
and ct = 25, cl = 3.4969.
The formula of in Equation (42) is
where
and
where cd is a model constant and also set to be 20, which is the same as it is in Equation (40) of DDES.
3. Numerical Simulation of a Supersonic Cavity-Ramp Flow
In this section, the numerical simulation of the supersonic cavity-ramp flow with Ma∞ = 2.92 from the experiment by Settles et al. [14] is conducted. Different turbulent models, including RANS, LES, original DES, DDES, and IDDES described above, are used.
3.1. Description of Experiment
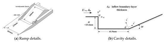
The schematic of the flow experimental model is shown in Figure 1. As Figure 1b shows, the height H of the cavity is 25.4 mm and the length is 61.9 mm. A 20° ramp is located behind the cavity. The thickness δ0 of the boundary layer upstream of the cavity is 2.8 mm. As Figure 1a shows, although the model spans the entire test section, the cavity walls are inset 25.4 mm from the tunnel sidewalls. Aerodynamic fences are attached to the portion of the ramp that extends above the cavity. For clarity, the fence nearest the viewer is omitted in the figure.
Figure 1.
Schematic of the experimental model (unit: mm).
The inflow conditions are shown in Table 1, where the isothermal wall is adopted and the wall temperature Tw is set to 266 K. This experiment has abundant measurement data, including velocity distribution, wall pressure and friction, turbulent fluctuations, etc.
Table 1.
Freestream condition and boundary condition.
3.2. Grid Generation
The software Gridgen (version 15.18) is used for grid generation. A diagram of the centerplane of the computational mesh is shown in Figure 2. The computational domain begins on the flat plate 25.4 mm upstream of the step, including the cavity and the ramp. The grid consists of two main sections in the x–y plane. The first section is a flat plate region located before the cavity, containing 81 (streamwise) × 85 (tranverse) points. The second section is the cavity and ramp region, containing 491 (streamwise) × 175 (transverse) points. The two-dimensional centerplane mesh is uniformly extruded with 65 points over 38.1 mm (i.e., 1.5 H) in the z direction. The three-dimensional mesh consists of about 6 × 106 points. Grid lines are forced to be normal to the solid boundaries. The initial grid spacing (i.e., Δy) from all no-slip walls in the resolved region is taken to be 0.003 mm, maintaining an initial wall-normal grid spacing in inner units of Δy+ = O(1). At the same time, the numerical simulation also uses another grid with approximately 4 × 106 points. The pressure and skin friction on the wall obtained by the grids with 4 × 106 and 6 × 106 points with the IDDES model are consistent with each other, as shown by Figure 3. This means that the grid independence is satisfied. The results of the following research are obtained from the grid with about 6 × 106 points.
Figure 2.
Centerplane of the grid and boundary conditions.
Figure 3.
Grid independence testing.
3.3. Computational Procedure and Numerical Scheme
The computational procedure is as follows. Firstly, RANS of a supersonic turbulent boundary-layer flow on a flat plate is conducted, and the inflow conditions shown in Table 1 are adopted. Then, the transverse distribution at a streamwise position where the boundary-layer thickness is 2.8 mm is extracted. The transverse distributions of streamwise velocity and temperature are given in Figure 4. It can be seen that the computational results are consistent with the experimental data [33]. With the exception of the flow variables like velocity, temperature, pressure, and density, which are given at the inflow boundary, the turbulent flow variables are also given. The distribution of turbulent kinetic energy and eddy viscosity are shown in Figure 4c,d. The peak value of μt/μ∞ is above 300, which means that the turbulence is highly developed.
Figure 4.
Distribution at inflow boundary.
Secondly, the transverse distribution is configured to the inflow boundary of the computational domain to conduct the RANS or LES/DES of the supersonic cavity-ramp flow. Furthermore, the LES/DES also use the steady RANS results as the initial field to conduct the following unsteady numerical simulations. It is worth pointing out that no transition models are used in the steady-state calculation of RANS. Furthermore, no turbulent fluctuations are specified at the inflow boundary for the unsteady LES and DES, following the simulations of Leger et al. [19] and Wu et al. [21]. Although it may influence the initial development of the turbulence, the build-in self-excited oscillating mechanism of the supersonic cavity flow can force the turbulence to fully develop. For the unsteady LES and DES, a fully developed turbulent status can be obtained after running about 10 times the flow passage time t0, which is equal to L/U∞ ≈ 4.3 × 10−4 s. Then, statistics of turbulent variables start and take another 60 t0.
The boundary conditions are also shown in Figure 2. At the inflow boundary, specified distributions as stated above are given. The bottom boundaries are all solid-surface. The upper and downstream boundaries of the computational domain are treated as supersonic outflow. The periodic conditions are specified for the boundaries in the z direction.
One of the purposes of this study is to compare the accuracy of different turbulent models for the supersonic cavity-ramp flow. Therefore, Menter’s k-ω SST RANS model, dynamic Smagorinsky LES model, and the original DES model, DDES model, and IDDES model based on the k-ω SST model are used in the present study, respectively. In the RANS study, the Roe scheme [34] is used to discretize the inviscid term, and the viscous term is discretized using the second-order central difference. Time marching uses the LUSGS scheme with the CFL number set to 1.0. The LES and DES use a seventh-order WENO scheme [35] to discretize the inviscid term. WENO schemes balance the contributions of different candidate templates by introducing nonlinear weights, thereby reducing dissipation in smooth regions and increasing resolution in discontinuous regions. In the smooth region of the solution, the seventh-order WENO scheme can achieve seventh-order numerical accuracy. When encountering shock waves or contact discontinuities, the order of the scheme will be reduced to maintain its essentially oscillation-free properties. A second-order central difference is used for the discretization of the viscous term, and a dual-time-step-implicit LUSGS scheme [36,37] is used for time marching. The internal iteration takes 10 steps with a CFL number of 5.0 and a time step of 1 × 10−7 s. The present calculations are carried out with a high-order finite-difference in-house code, which was validated in previous studies [32,38].
3.4. Results and Discussion
3.4.1. Instantaneous and Statistically Averaged Flow Field
The instantaneous temperature contours of different turbulent models at the x-y centerplane are shown in Figure 5, where “DES” means the “original DES”. The flow fields obtained by different turbulent models are similar, and they all effectively describe the unsteady flow phenomenon. The turbulent boundary layer at the flat plate separates from the step, forming a shear layer, which then impinges on the ramp in the presence of an oblique shock.
Figure 5.
Instantaneous temperature contours of different turbulent models at x-y centerplane.
Instantaneous contours of shield functions for original DES, DDES, and IDDES are shown in Figure 6. The shield function fd defined in Equation (40) is used in DDES to separate the RANS region and LES region. When it is equal to 0, the DDES model returns to the RANS model, while when it is equal to 1, the DDES model functions as a LES model. We define a new shield function, i.e., fd2, which can be used in DES and DDES to further help to distinguish the pure LES region. fd2 is defined as

Figure 6.
Instantaneous contours of shield functions for different DES models.
As can be seen in Figure 6a, in the original DES, we can distinguish the pure LES region (the red area) by only using fd2. The whole area in the cavity, a near-wall region above the ramp, and the impinging shock region all belong to the LES region. The other purple area is calculated by RANS. Specifically, there is a very thin layer near the wall that is also treated as a RANS region. fd2 remains 0 in the thin layer within the boundary layer and changes to 1 very quickly in the outer region. In DDES, the pure LES region is where fd and fd2 are both equal to 1. Using this principle, the LES region is distinguished in Figure 6b. Compared to the original DES, the impinging shock region is no longer treated as a LES region. In IDDES, we use , defined in Equations (42) and (49), to find the pure LES region, which is shown in Figure 6c. Nearly all the computational domain belong to the LES region in IDDES. Only a thin layer near the wall is treated as a RANS region. On the other hand, the area of the thin layer near the wall in IDDES is nearly equal to that in DDES but larger than that in original DES. The regions of concern, including those in the cavity and the region above the ramp, are all treated as LES regions in the original DES, DDES, and IDDES. This is the reason why the instantaneous flow fields of the LES, original DES, DDES, and IDDES are similar to each other, as shown in Figure 5.
The instantaneous flow fields obtained by IDDES are shown in Figure 7. Figure 7a gives the contour of the streamwise velocity and streamlines at the x-y centerplane, while Figure 7b gives the three-dimensional isosurface of the vortex, which is colored by pressure. The vortex is distinguished by the Q criterion, and the reference value is . It can be seen from Figure 7a that after the shear layer reattaches on the ramp, a portion of fluid flows back into the cavity, generating a large number of small vortex structures. Actually, these back-flowing fluids crash on the fore wall of the cavity, forming a disturbance source that stimulates the instability of the shear layer. It can be seen from Figure 7b that the vortex is two-dimensional in shape after the shear layer separates from the step. Then the shear layer develops with the Kelvin–Helmholtz instability mechanism. At the same time, the vortex structure gradually increases and forms a circular and a horseshoe-like structure intertwined with each other. After impinging on the ramp, the large-scale vortices break up into a large number of small-scale vortices. Some of them flow back into the cavity, while the others flow downstream and gradually develop into large-scale coherent structures (i.e., circular vortices or horseshoe vortices) again. The streamwise velocity contour and vortex isosurface of other unsteady turbulence models, including LES, original DES, and DDES, are similar to the results of the IDDES, so they are not given here for clarity.
Figure 7.
Instantaneous flow fields of IDDES.
The pseudo-schlieren images of different turbulent models along with the streamlines are shown in Figure 8, where the results of LES and IDDES are statistically averaged. The pseudo-schlieren images of original DES and DDES are similar to the results of IDDES, so they are not given here for clarity. Furthermore, the experimental schlieren image [19] is also provided. As can be seen from the figure, the shear layer of RANS departs further from the cavity than the results of LES and IDDES. Therefore, the impinging point of RANS (at about x/H = 5.9) is located further downstream than those of LES and IDDES (at about x/H = 4.7). There are a pair of counter-rotating vortices inside the cavity, namely, a primary vortex and a smaller secondary vortex near the front-wall/bottom-wall joint. The secondary vortex obtained by RANS is larger than that predicted by LES and IDDES. The sizes of the recirculation zone obtained by LES and IDDES are similar to each other. Compared with RANS, the images of LES and IDDES are more consistent with the experimental measurement.
Figure 8.
Pseudo-schlieren images and experimental schlieren image.
3.4.2. Shear-Layer and Boundary-Layer Profiles
Four different stations within the shear layer above the cavity are surveyed in the experiment [14], and their positions are sketched in Figure 9. The comparison of measured and computed mean velocity distributions at these four stations are compared in Figure 10. The results of different turbulent models are given. Furthermore, the “Ref-DDES” is another DDES result reported by Leger et al. [19]. In their research, the three-dimensional mesh consists of about 1.6 × 108 points, so their grid resolution is much higher than the present simulation. It can be seen that although the RANS results are in good agreement with the experimental value at x/H = 0.5, the differences between the measured and computed values at each subsequent station become gradually larger. On the other hand, the velocity distribution of LES, DES, DDES, and IDDES are similar to each other. Specifically, the distributions of DDES and IDDES are almost overlapped. The height of the shear layer above the cavity is underpredicted by LES, DES, DDES, and IDDES relative to the experiment. Moreover, the results obtained by the present simulations are in agreement with that of the “Ref-DDES”, where the underprediction of the position of shear layer also appears. It is in part to the assumption of homogeneity in the spanwise direction. If the side walls and aerodynamic fences present in the experiments, as shown in Figure 1a, were included in the computations, we expect that the agreement would be much better. It has been shown that three-dimensional effects can play a significant role in flow separation, even when extensive steps are taken in the experiment to ensure mean flow two-dimensionality [39]. Furthermore, the absence of turbulence fluctuations at the inflow boundary affects the initial shear-layer entrainment and thus the separation angle at the step. It is necessary and interesting to evaluate the influences of the side walls, aerodynamic fences, and inflow turbulent fluctuations in detail. We plan to conduct this work in the future.
Figure 9.
Locations of profile surveys.
Figure 10.
Mean streamwise velocity profiles in the shear layer.
Five different stations of the boundary layer along the ramp are also surveyed in the experiment [14], and the positions are also sketched in Figure 9. The mean velocity profiles within the boundary layer on the ramp are shown in Figure 11. The longitudinal axis is a dimensionless value defined by y’ dividing the local boundary-layer thickness δ, which are obtained from experimental measurements [19], and their values are shown in Table 2. Similar to Figure 10, the DDES results obtained by Leger et al. [19] are also shown, and they are labeled as “Ref-DDES”. The velocity distributions of LES, original DES, DDES, and IDDES are similar to each other, and their accuracies show a significant improvement compared to the RANS results. Furthermore, the distributions of DDES and IDDES are almost overlapped, and their accuracies are a little bit better than the results obtained by LES and original DES. The present results of LES, original DES, DDES, and IDDES are in good agreement with the “Ref-DDES” data, and they are even closer to the experimental data at the first two stations of x′/H = 2.7 and 3.8 compared to the “Ref-DDES” data. At the last two stations of 5.4 and 6.1, all the CFD results except RANS fall almost on top of the experimental data.
Figure 11.
Mean velocity profiles along the ramp.
Table 2.
Experimental values of boundary-layer thickness for stations along ramp.
3.4.3. Mean Profiles Along Ramp
The distributions of the pressure and skin-friction coefficient (cf) along the ramp are shown in Figure 12, where the DDES results reported by Leger et al. [19] are also shown, and they are still labeled as “Ref-DDES”. It can be seen from Figure 12a that the pressure distribution of LES, original DES, DDES, IDDES, and Ref-DDES are nearly overlapped, and they are in good agreement with the experiment. By comparison, the RANS performance in pressure prediction is relatively poor.
Figure 12.
Parameter distributions along ramp.
It can be concluded from Figure 12b that the reattachment positions (equal to the positions where cf = 0) predicted by RANS, LES, original DES, DDES, and IDDES are approximately 3.54, 2.46, 2.32, 2.24, and 2.27 (nondimensional value presented by x′/H), respectively, while the positions obtained by experiment [40] and Ref-DDES are 2.66 and 2.20, respectively. The results of the present DDES and Ref-DDES are very close. Relative to the experiment, RANS predicted that the shear layer would depart further from the cavity (as shown in Figure 8) and consequently show a later reattachment on the ramp. On the other hand, the LES predictions are more indicative of a laminar flow rather than a turbulent one. The failure of LES is not so surprising, as the grid resolution is not high enough to accurately resolve the near-wall turbulent flow.
The original DES, DDES, and IDDES all predicted an earlier reattachment than the experiment and showed a larger growing rate of cf downstream. Finally, at the end of the ramp, the results of DDES and IDDES are in agreement with the experiment data, but original DES slightly underestimated the skin-friction coefficient. The cf predicted by the original DES, DDES, and IDDES are not very consistent with the experimental measurement, but they match better than the results of Ref-DDES reported by Leger et al. [19]. The grid resolution of Ref-DDES is much higher than the present simulation. The reason that its cf deviated from the experimental measurement more than the present DDES results may be because the accuracy of its inviscid scheme is only third-order, which is lower than the present simulation with seventh-order WENO schemes. Furthermore, the literature does not clearly give the treatment for the wall-boundary conditions. Leger et al. [19] doubted the accuracy of the experimental data. They argued that the flow is in a state of high nonequilibrium, but data reduction techniques used in the experiment assumed that the flow was close to equilibrium, and the experiment did not provide an estimate of uncertainty. The accurate prediction of cf of this supersonic cavity-ramp flow is still a challenge for CFD. Fan et al. [17] and Wu et al. [21] conducted a hybrid RANS/LES and a DDES research study for the cavity-ramp flow, respectively. Their cf values are not closer to the experimental measurement than the present DES/DDES/IDDES results.
In order to find the reason for the difference in cf between original DES, DDES, and IDDES, as shown in Figure 12b, the distribution of modeled Reynolds shear stress, modeled turbulent viscosity, and shield functions for the three models at x′/H = 5.4 on the ramp are shown in Figure 13. The modeled Reynolds shear stress is computed as , where the subscript “m” means the modeled values. As shown in the left figure, the modeled Reynolds shear stress by original DES is smaller than that obtained by DDES and IDDES, whose peak values are almost equivalent. The difference in the modeled Reynolds shear stress is mainly caused by the difference in modeled turbulent viscosity, as shown in the middle figure. The reason why original DES models the minimum turbulence is that its RANS region is the smallest. As shown in the right figure, the RANS region of original DES is only extended from the wall to nearly y’/δ = 0.005, while for the DDES and IDDES models, the RANS regions extend to nearly y’/δ = 0.032 and 0.04, respectively. Above all, the RANS regions in DDES and IDDES are larger than that in original DES, so they modeled more turbulence in the near-wall region and the cf predicted by them is larger.
Figure 13.
Modeled Reynolds shear stress (left), modeled turbulent viscosity (middle), and shield functions (right) for original DES, DDES, and IDDES at x′/H = 5.4 on the ramp.
3.4.4. Pressure Fluctuations on the Ramp
The standard deviation, normalized by the freestream value, of surface pressure along the ramp is shown in Figure 14, where the Ref-DDES reported by Leger et al. [19] is also shown. Standard deviation is calculated by , where “< >“ means the statistical averaged operator. As shown in the figure, the results of LES and the three different DES models are consistent, both higher than the experimental measurement of Poggie et al. [41] and Shen et al. [42], but the current calculated results are in good agreement with Ref-DDES.
Figure 14.
Standard deviation of wall pressure along the ramp.
Power spectral densities (PSDs) of the surface pressure at the station with peak fluctuation intensity are shown in Figure 15, where the Ref-DDES reported by Leger et al. [19] is also shown for comparison. The experimental data are those reported by Poggie and Smits [41] using three sampling rates: 10 kHz, 250 kHz, and 1 MHz. The present results are obtained by IDDES. For the present IDDES calculation, data are collected at fs = 10 MHz along three streamwise lines on the ramp. Similar to the approach of Leger et al., the present research uses the Hanning window and the Welsh method with 50% overlap to perform FFT post-processing on the collected sample points. The Ref-DDES used 4 × 104 points per window to process the data, while the present IDDES uses 4 × 104 points per window and 2 × 104 points per window to process the data. As shown in the figure, the current IDDES results are located between the experimental measurement and the Ref-DDES result, and their distribution trends are consistent. The PSD of LES, original DES, and DDES are similar to the IDDES data, so their results are not given for clarity.
Figure 15.
Power spectral density of wall pressure at the ramp location with peak fluctuation intensity using IDDES.
4. Study of Effect of Aft-Wall Angle on Supersonic Cavity Flows
The accuracy of DDES and IDDES is almost the same, and their performance in the supersonic cavity flow is proved to be superior to LES, original DES, and RANS. We chose IDDES to study the effect of aft-wall angle on the characteristics of supersonic cavity flows. By maintaining the same height of the fore wall of the configure shown in Figure 1 and changing the aft-wall angle, the cavity used in this section can be obtained, whose shapes are shown in Figure 16. The height of the fore wall remains as H = 25.4 mm. Three different aft-wall angles (labeled by θ) of the cavity are taken, namely, 20°, 60°, and 90°. Following the definition used in Ref. [28], the length of the cavity (labeled by L) is defined as the distance between the midpoint of the rear wall (point B in Figure 16) and the fore wall. When changing θ, we keep the length of the cavity unchanged, that is, we maintain L = 96.8 mm. This design ensures that the volume of the cavity remains unchanged when θ changes. The length–depth ratio of the three cavities used in this study is L/H = 3.81. According to Ref. [43], L/H < 9 is an open cavity, 9 < L/H < 13 is a transitional cavity, and L/H > 13 is a closed cavity. Therefore, the cavity in this study is an open cavity.
Figure 16.
Schematic of cavity with a slanted aft wall.
The inflow and wall conditions remain unchanged, as shown in Table 1. The boundary-layer thickness upstream of the cavity also remains unchanged, i.e., δ0 = 2.8 mm. Following the grid resolution of the cavity-ramp mesh used in the previous section, when θ = 20°, 60°, and 90°, the numbers of grid points are 6.2 × 106, 6 × 106, and 5.3 × 106, respectively.
4.1. Instantaneous and Statistically Averaged Flow Field
The contours of instantaneous streamwise velocity at the x-y centerplane of the cavities with different aft-wall angles are shown in Figure 17. The three cavity flows all shows strong turbulent fluctuations. When the shear layer impinges on the rear wall, part of the fluid will flow back into the cavity. With θ increasing, the reverse flow velocity increases. It results in the fluid colliding more fiercely with the fore wall, causing a stronger disturbance to the shear layer.
Figure 17.
Contours of instantaneous streamwise velocity.
The contours of mean pressure of the cavities with different θ are shown in Figure 18, along with the streamline distribution. As shown in the figure, there is a pair of counter-rotating vortices inside the cavity, namely, a primary vortex and a smaller secondary vortex near the front-wall/bottom-wall joint. The size of the secondary vortex does not vary monotonically. When θ = 60°, the size becomes largest. In addition, as θ decreases, the shear layer deflects farther into the cavity and impinges on the rear wall to form a stronger oblique shock wave. Therefore, the compression wave at the cavity leading edge at θ = 90° transforms into an expansion wave at θ = 20°, thereby reducing the pressure inside the cavity. The contours of pressure fluctuation intensity of the cavities with different θ are shown in Figure 19, where the black circles mark the location of the pressure-monitoring points. It can be seen that the maximum values of pressure fluctuations are located near the position where the shear layer impinges on the rear wall. The pressure fluctuation intensity within the cavity decreases gradually with decreasing θ.
Figure 18.
Contours of mean pressure.
Figure 19.
Contours of standard deviation of pressure.
4.2. Fluctuation Characteristics
As shown in Figure 19, six monitor points are set at different positions in the cavity to record the pressure fluctuation intensity. The first point is located on the fore wall of the cavity and near the separation point of the shear layer, which is marked as “LE”. It has the same position in different cases, i.e., (x/H, y/H) = (0, −0.2). The second point is located within the shear layer and marked as “SH”. The third point is located in the recirculation zone, labeled as “RZ”. Its position in different cases is the same, i.e., (x/H, y/H) = (2.0, −0.5). The fourth point is located on the bottom wall of the cavity, marked as “BW”. Its position in different cases is also the same, i.e., (x/H, y/H) = (1.0, −1.0). The fifth point is located at the bottom-wall/rear-wall joint, marked as “BW-RW”. The sixth point is located near the position on the rear wall with peak pressure fluctuation intensity, labeled as “RP”. Due to the different flow situations, the positions of the three points of “SH”, “BW-RW”, and “RP” are not exactly the same in different cases. The PSDs of pressure at the above six monitor points are shown in Figure 20. As θ decreases, the pressure fluctuation intensity at each monitor point also diminishes. In addition, the low-frequency pressure fluctuations caused by large-scale vortex motion decrease more significantly.
Figure 20.
PSD of pressure at different monitor positions.
The overall sound pressure levels (OASPLs) on the wall of the cavities with different θ are compared in Figure 21, where the values of fore and rear walls are also presented. In the primary figure, the positions of the rear wall are also marked out. OASPL is calculated based on the pressure fluctuation intensity using the following formula:
where pref = 2 × 10−5 Pa. When θ decreases, the OASPL also gradually diminishes. Its peak value decreases by 3.2 dB and 7.4 dB when θ = 60° and 20° compared to the results of 90°, respectively.
Figure 21.
OASPL on cavity walls.
4.3. Cavity Drag
The pressure distribution on the cavity wall with different θ is shown in Figure 22. Due to the compression wave changing to an expansion wave on the leading edge of the cavity with the decrease in θ, the pressure gradually diminishes on the fore wall. In addition, as θ decreases, the shear layer deflects farther into the cavity, impinging on the rear wall, with a presence of a stronger oblique shock wave. Therefore, the peak pressure reaches maximum at θ = 20°. However, the pressure does not change monotonically on the rear wall, i.e., the peak pressure is minimum when θ = 60°. On the bottom wall of the cavity, the magnitudes of pressure when θ = 90° and 60° are nearly equivalent and are greater than the value at θ = 20°.
Figure 22.
Distribution of pressure coefficient on cavity walls.
The drag coefficients (drag force normalized by the freestream dynamic pressure and cavity fore-wall area) for each cavity configuration are listed in Table 3, along with the resultant force (considering only pressure and not including viscous friction) on the fore wall, bottom wall, and rear wall. The cavity drag is mainly dominated by the pressure component, rather than the friction forces, whose values when negative mean that the friction forces actually produce thrust due to the flow recirculation within the cavity, which is consistent with the results of Gruber et al. [28]. In addition, as θ decreases, the drag coefficient first decreases and then increases.
Table 3.
Drag coefficient of cavity.
Gruber et al.’s study [28] (Ma∞ = 3.0, L/H = 3) found that as θ decreases from 90° to 30° and 16°, the drag coefficients gradually increase. Zhang et al.’s study [27] (Ma∞ = 1.5, L/H = 3) found that as θ decreases from 90° to 67.5° and 45°, the drag coefficients gradually decrease. Barkar et al. [2] discovered this contradictory conclusion and speculated that the change in cavity drag with θ is not monotonic; possibly, there is a critical value (between θ = 45° and 16°) at which the drag penalties are minimal. The present study finds that as θ decreases, the drag coefficients are not monotonic, and this proves the speculation of Barkar et al. [2]. And it agrees with the conclusion of the experiment of Ding et al. [29]. Two causes led to the change in the cavity drag. First, with the decrease in θ, the compression wave at the leading edge of the cavity changes to an expansion wave, resulting in a decrease in pressure on the fore wall adding drag (as shown in Figure 22 and Table 3). Second, with the decrease in θ, the shear layer deflects farther into the cavity, impinging on the rear wall and resulting in an oblique shock wave. But the pressure on the rear wall changes non-monotonically (also see Figure 22 and Table 3), resulting in the resultant cavity drag changing non-monotonically. In summary, there is a critical value of θ, which minimizes the flow oscillation and also minimizes the cavity drag; therefore, an optimal design needs to be researched.
5. Conclusions
A supersonic cavity-ramp flow with Ma∞ = 2.92 is simulated numerically with different turbulent models, including RANS, LES, original DES, DDES, and IDDES. And the results of different turbulent models are compared. Then, based on IDDES, the effect of the aft-wall angle (labeled by θ) on the flow oscillation intensity and cavity drag (Ma∞ = 2.92 and length-to-depth ratio L/H = 3.81) are studied. Three different θ are chosen, namely, 20°, 60°, and 90°. The conclusions are drawn as follows:
(1) The results of DDES and IDDES are nearly equivalent and are comparable to the experimental measurement and the results reported by another DDES from the open literature, which have a much higher grid resolution than the present simulation. Therefore, the reliability and accuracy of the present numerical method and code are validated and verified.
(2) RANS cannot accurately predict the large separation flows. Its predicted size of the recirculation zone within the cavity is too large, so the shear layer’s reattachment point on the ramp is biased downstream compared to the experiment measurement, making its overall prediction accuracy worse than the other models. For LES, it predicts the unsteady self-excited oscillating flow phenomenon as well as the other three DES models. The results of velocity, pressure, and fluctuation intensity given by LES are consistent with the experimental measurement and DES results. However, due to insufficient grid resolution, LES is unable to accurately distinguish small-scale turbulent structures in the near-wall region, resulting in a much smaller wall skin-friction coefficient compared to the experimental measurement. The overall prediction performance of DDES and IDDES are nearly equivalent, and they are better than the performance of original DES. The unsteady flow phenomena given by the three DES models are similar because the flows inside the cavity are all nearly resolved by LES. The wall skin-friction coefficients obtained by DDES and IDDES are in better agreement with the experiment measurement than original DES. The reason is that the RANS regions in DDES and IDDES are larger than that in original DES, so they produce more turbulence in the near-wall region.
(3) As θ decreases, the flow oscillation intensity diminishes continuously, but the cavity drag changes non-monotonically. Therefore, there is an optimal θ that can reduce the flow oscillation intensity with minimal drag penalties. If engineers want to control the flow oscillation intensity in a supersonic cavity, an optimal design should be researched.
Author Contributions
Conceptualization, H.L., S.Z. and F.S.; methodology, H.L., S.Z. and F.S.; software, H.L., S.W.; validation, H.L.; formal analysis, H.L., S.Z.; investigation, H.L.; resources, H.L.; data curation, S.W.; writing—original draft preparation, H.L.; writing—review and editing, H.L., S.Z. and F.S., S.W.; visualization, H.L.; supervision, H.L., S.W.; project administration, H.L.; funding acquisition, H.L., S.Z. and F.S., S.W. All authors have read and agreed to the published version of the manuscript.
Funding
This research is supported by the National Natural Science Foundation of China (no. 12102469, 12202486, 12202142 and 92252101) and the Research Program Project of National Defense University of Science and Technology through grant ZK22-41.
Data Availability Statement
The data that support the findings of this study are available from the corresponding author upon reasonable request.
Conflicts of Interest
The authors have no conflicts to disclose.
References
- Lawson, S.J.; Barakos, G.N. Review of numerical simulations for high-speed, turbulent cavity flows. Prog. Aerosp. Sci. 2011, 47, 186–216. [Google Scholar] [CrossRef]
- Ben-Yakar, A.; Hanson, R.K. Cavity flame-holders for ignition and flame stabilization in scramjets: An overview. J. Propuls. Power 2001, 17, 869–877. [Google Scholar] [CrossRef]
- Barnes, F.W.; Segal, C. Cavity-based flameholding for chemically-reacting supersonic flows. Prog. Aerosp. Sci. 2015, 76, 24–41. [Google Scholar] [CrossRef]
- Ma, G.W.; Sun, M.B.; Zhao, G.Y.; Liang, C.H.; Wang, H.B.; Yu, J.F. Effect of injection scheme on asymmetric phenomenon in rectangular and circular scramjets. Chin. J. Aeronaut. 2023, 36, 216–230. [Google Scholar] [CrossRef]
- Slotnick, J.; Khodadoust, A.; Alonso, J.; Darmofal, D.; Gropp, W.; Lurie, E.; Mavriplis, D. CFD Vision 2030 Study: A Path to Revolutionary Computational Aerosciences; NASA/CR-2014-218178; National Aeronautics and Space Administration, Langley Research Center: Hampton, VA, USA, 2014. [Google Scholar]
- Piomelli, U. Wall-layer models for large eddy simulations. Prog. Aerosp. Sci. 2008, 44, 437–446. [Google Scholar] [CrossRef]
- Germano, M.; Piomelli, U.; Moin, P.; Cabot, W.H. A dynamic subgrid-scale eddy viscosity model. Phys. Fluids A 1991, 3, 1760–1765. [Google Scholar] [CrossRef]
- Moin, P.; Squires, K.; Cabot, W.; Lee, S. A dynamic subgrid-scale model for compressible turbulence and scalar transport. Phys. Fluids A 1991, 3, 2746–2757. [Google Scholar] [CrossRef]
- Spalart, P.E.; Jou, W.H.; Strelets, M.; Allmaras, S.R. Comments on the feasibility of LES for wings, and on a hybrid RANS/LES approach. In Proceedings of the First AFOSR International Conference on DNS/LES, Ruston, LA, USA, 4–8 August 1997. [Google Scholar]
- Strelets, M. Detached eddy simulation of massively separated flows. In Proceedings of the 39th Aerospace Sciences Meeting and Exhibit, Reno, NV, USA, 8–11 January 2001. AIAA-2001-0897. [Google Scholar]
- Spalart, P.R.; Deck, S.; Shur, M.L.; Squires, K.D.; Strelet, M.K.; Travin, A. A new version of detached-eddy simulation, resistant to ambiguous grid densities. Theor. Comput. Fluid Dyn. 2006, 20, 181–195. [Google Scholar] [CrossRef]
- Gritskevich, M.S.; Garbaruk, A.V.; Jochen, S.; Menter, F.R. Development of DDES and IDDES formulations for the k–ω shear stress transport model. Flow Turbul. Combust. 2012, 88, 431–449. [Google Scholar] [CrossRef]
- Shur, M.L.; Spalart, P.R.; Strelets MKh Travin, A. A hybrid RANS-LES model with delayed DES and wall-modeled LES capabilities. Int. J. Heat Fluid Flow 2008, 29, 1638–1649. [Google Scholar] [CrossRef]
- Settles, G.S.; Williams, D.R.; Baca, B.K.; Bogdonoff, S.M. Reattachment of a compressible turbulent free shear layer. AIAA J. 1982, 20, 60–67. [Google Scholar] [CrossRef]
- Gao, Z.X.; Jiang, C.W.; Lee, C.H. Improvement and application of wall function boundary condition for high-speed compressible flows. Sci. China Technol. Sci. 2013, 56, 2501–2515. [Google Scholar] [CrossRef]
- Zhao, R.; Yan, C.; Yu, J.; Li, X.L. Improvement of Baldwin–Lomax turbulence model for supersonic complex flows. Chin. J. Aeronaut. 2013, 26, 529–534. [Google Scholar] [CrossRef]
- Fan, C.C.; Xiao, X.D.; Edwards, J.R.; Hassan, A.H.; Robert, A.B. Hybrid Large-eddy/Reynolds-averaged Navier-Stokes simulations of shock-separated flows. J. Spacecr. Rocket. 2004, 41, 897–906. [Google Scholar] [CrossRef]
- Quinlan, J.R.; McDaniel, J.C.; Baurle, R.A. Simulation of a wall-bounded flow using a hybrid LES/RAS approach with turbulence recycling. In Proceedings of the 42nd AIAA Fluid Dynamics Conference and Exhibit, New Orleans, LA, USA, 25–28 June 2012. [Google Scholar]
- Leger, T.; Bisek, N.; Poggie, J. Detached-eddy simulation of a supersonic reattaching shear layer. AIAA J. 2017, 55, 3722–3733. [Google Scholar] [CrossRef]
- Zhou, L.; Zhao, R.; Yuan, W. An investigation of interface conditions inherent in detached-eddy simulation methods. Aerosp. Sci. Technol. 2018, 74, 46–55. [Google Scholar] [CrossRef]
- Wu, Z.Y.; Gao, Z.X.; Jiang, C.W.; Lee, C.H. An in-depth numerical investigation of a supersonic cavity-ramp flow with DDES method. Aerosp. Sci. Technol. 2019, 89, 253–263. [Google Scholar] [CrossRef]
- Rowley, C.; Williams, D. Dynamics and control of high Reynolds number flow over open cavities. Annu. Rev. Fluid Mech. 2006, 38, 251–276. [Google Scholar] [CrossRef]
- Cattafesta, I.I.I.L.N.; Song, Q.; Williams, D.; Rowley, C.W.; Alvi, F.S. Active control of flow- induced cavity oscillations. Prog. Aerosp. Sci. 2008, 44, 479–502. [Google Scholar] [CrossRef]
- Vikramaditya, N.S.; Kurian, J. Effect of aft wall slope on cavity pressure oscillations in supersonic flows. Aeronaut. J. 2009, 113, 291–300. [Google Scholar] [CrossRef]
- Vikramaditya, N.S.; Kurian, J. Experimental study of influence of trailing wall geometry on cavity oscillations in supersonic flow. Exp. Therm. Fluid Sci. 2014, 54, 102–109. [Google Scholar] [CrossRef]
- Zhang, X.; Edwards, J.A. An investigation of supersonic oscillatory cavity flows driven by thick shear layers. Aeronaut. J. 1990, 94, 355–364. [Google Scholar] [CrossRef]
- Zhang, X.; Rona, A.; Edwards, J.A. The effect of trailing edge geometry on cavity flow oscillation driven by a supersonic shear layer. Aeronaut. J. 1998, 102, 129–136. [Google Scholar] [CrossRef]
- Gruber, M.R.; Baurle, R.A.; Mathur, T.; Mathur, T.; Hsu, K.Y. Fundamental studies of cavity-based flameholder concepts for supersonic combustors. J. Propuls. Power 2001, 17, 146–153. [Google Scholar] [CrossRef]
- Ding, M.; Wang, Z.G. Experimental investigation on drag of cavity flame holder. Acta Aeronaut. Astronaut. Sin. 2006, 27, 556–560. (In Chinese) [Google Scholar]
- Menter, F.R. Two-equation eddy-viscosity turbulence models for engineering applications. AIAA J. 1994, 32, 1598–1605. [Google Scholar] [CrossRef]
- Wilcox, D.C. Turbulence Modeling for CFD; DCW Industries: La Cañada, CA, USA, 2006. [Google Scholar]
- Liu, H.P.; Gao, Z.X.; Jiang, C.W.; Lee, C.H. Studies of combustion effects on near-wall turbulence in supersonic flows by large eddy simulation. Aerosp. Sci. Technol. 2020, 107, 106328. [Google Scholar] [CrossRef]
- Leger, T.; Poggie, J. Detached-eddy simulation of a reattaching shear layer in compressible turbulent flow. In Proceedings of the 7th AIAA Theoretical Fluid Mechanics Conference, Atlanta, GA, USA, 16–20 June 2014. AIAA-2014-3329. [Google Scholar]
- Roe, P.L. Approximate Riemann solvers, parameter vectors and difference schemes. J. Comput. Phys. 1981, 43, 357–372. [Google Scholar] [CrossRef]
- Balsara, D.S.; Shu, C.W. Monotonicity preserving weighted essentially non-oscillatory schemes with increasingly high order of accuracy. J. Comput. Phys. 2000, 160, 405–452. [Google Scholar] [CrossRef]
- Jameson, A. Time dependent calculations using multigrid, with applications to unsteady flows past airfoils and wings. In Proceedings of the AIAA 10th Computational Fluid Dynamics Conference, Honolulu, HI, USA, 24–26 June 1991. AIAA-91-1956. [Google Scholar]
- Zhang, L.P.; Wang, Z.J. A block LU-SGS implicit dual time-stepping algorithm for hybrid dynamic meshes. Comput. Fluids 2004, 33, 891–916. [Google Scholar] [CrossRef]
- Liu, H.P.; Gao, Z.X.; Jiang, C.W.; Lee, C.H. Numerical study of combustion effects on the development of supersonic turbulent mixing layer flows with WENO schemes. Comput. Fluids 2019, 189, 82–93. [Google Scholar] [CrossRef]
- Oliver, A.B.; Lillard, R.P.; Schwing, A.M.; Blaisdell, G.A.; Lyrintzis, A.S. Assessment of turbulent shock-boundary layer interaction computations using the OVERFLOW code. In Proceedings of the 45th AIAA Aerospace Sciences Meeting and Exhibit, Reno, NV, USA, 8–11 January 2007. AIAA Paper 2007-0104. [Google Scholar]
- Horstman, C.C.; Settles, G.S.; Williams, D.R.; Bogdonoff, S.M. A reattaching free shear layer in compressible turbulent flow. AIAA J. 1982, 20, 79–85. [Google Scholar] [CrossRef]
- Poggie, J.; Smits, A.J. Shock unsteadiness in a reattaching shear layer. J. Fluid Mech. 2001, 429, 155–185. [Google Scholar] [CrossRef]
- Shen, Z.H.; Smith, D.R.; Smits, A.J. Wall pressure fluctuations in the reattachment region of a supersonic free shear layer. Exp. Fluids 1993, 14, 10–16. [Google Scholar] [CrossRef]
- Bauer, R.C.; Dix, R.E. Engineering Model of Unsteady Flow in a Cavity; Arnold Engineering Development Center, Air Force Systems Command, United States Air Force: Arnold AFB, TN, USA, 1991. [Google Scholar]
Disclaimer/Publisher’s Note: The statements, opinions and data contained in all publications are solely those of the individual author(s) and contributor(s) and not of MDPI and/or the editor(s). MDPI and/or the editor(s) disclaim responsibility for any injury to people or property resulting from any ideas, methods, instructions or products referred to in the content. |
© 2024 by the authors. Licensee MDPI, Basel, Switzerland. This article is an open access article distributed under the terms and conditions of the Creative Commons Attribution (CC BY) license (https://creativecommons.org/licenses/by/4.0/).