Proof of Concept of an Occupational Machine for Biomechanical Load Reduction: Interpreting the User’s Intent
Abstract
1. Introduction
2. Materials and Methods
2.1. Mechanical Design of the Device
2.1.1. Technical Requirements, Conceptual Design
- Mass to be moved: up to 5 kg,
- Working volume: 600 mm × 600 mm × 600 mm,
- Reduction of the user’s biomechanical effort by the same percentage. The gain has to be settable,
- Ability to detect and interpret the user’s intention and to give assistance in the task to be performed.
2.1.2. Direct Kinematic Model—Domain Analysis
2.1.3. Inverse Kinematic Model
2.1.4. Jacobian, Singularity Analysis
2.1.5. Dynamic Requirements—Actuator and Transmission Dimensioning
2.1.6. Force Sensor
2.1.7. Detailed Design
2.2. Control System
2.2.1. Electro-Mechanical Modeling, Control Strategy
2.2.2. Hardware
3. Results
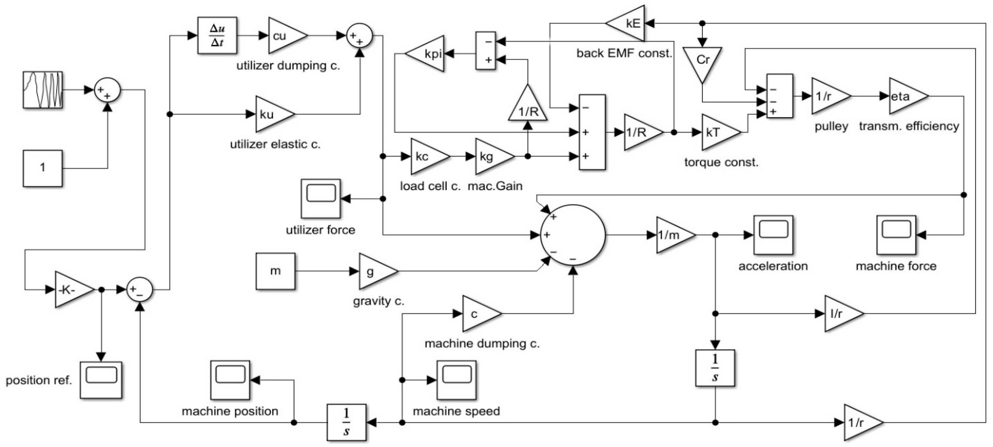
3.1. Electro-Mechanical Model
3.2. The Realized Prototype
3.3. First Experimental Test
3.3.1. Data Acquisition and Signal Processing
3.3.2. Statistical Analysis
4. Discussion
5. Conclusions
Funding
Informed Consent Statement
Data Availability Statement
Acknowledgments
Conflicts of Interest
Appendix A. Kinematic Models and Jacobian (Supplementary Derivations)
Appendix A.1
Appendix A.2
Appendix A.3
References
- Rosen, J.; Brand, M.; Fuchs, M.; Arcan, M. A myosignal-based powered exoskeleton system. IEEE Trans. Syst. Man Cybern. Part A Syst. Hum. 2001, 31, 210–222. [Google Scholar] [CrossRef]
- Durante, F.; Raparelli, T.; Beomonte Zobel, P. Two-Dof Upper Limb Rehabilitation Robot Driven by Straight Fibers Pneumatic Muscles. Bioengineering 2022, 9, 377. [Google Scholar] [CrossRef]
- Sacco, K.; Belforte, G.; Eula, G.; Raparelli, T.; Sirolli, S.; Geda, E.; Geminiani, G.C.; Virgilio, R.; Zettin, M.P.I.G.R.O. An active exoskeleton for robotic neurorehabilitation training driven by an electro-pneumatic control. Mech. Mach. Sci. 2018, 49, 845–853. [Google Scholar] [CrossRef]
- Koceska, N.; Koceski, S.; Durante, F.; Zobel, P.B.; Raparelli, T. Control architecture of a 10 DOF lower limbs exoskeleton for gait rehabilitation. Int. J. Adv. Robot. Syst. 2013, 10, 68. [Google Scholar] [CrossRef]
- Kawasaki, H.; Ito, S.; Ishigure, Y.; Nishimoto, Y.; Aoki, T.; Mouri, T.; Sakaeda, H.; Abe, M. Development of a Hand Motion Assist Robot for Rehabilitation Therapy by Patient Self-Motion Control. In Proceedings of the IEEE 10th International Conference on Rehabilitation Robotics (ICORR), Noordwijk, The Netherlands, 13–15 June 2007; pp. 234–240. [Google Scholar]
- Mayr, A.; Kofler, M.; Saltuari, L. ARMOR: An electromechanical robot for upper limb training following stroke. A prospective randomised controlled pilot study. Handchir. Mikrochir. Plast. Chir. 2008, 40, 66–73. [Google Scholar] [CrossRef]
- Kiguchi, K.; Iwami, K.; Yasuda, M.; Watanabe, K.; Fukuda, T. An exoskeletal robot for human shoulder joint motion assist. IEEE/ASME Trans. Mechatron. 2003, 8, 125–135. [Google Scholar] [CrossRef]
- Durante, F.; Raparelli, T.; Zobel, P.B. Development of a 4-DoF Active Upper Limb Orthosis. Robotics 2022, 11, 122. [Google Scholar] [CrossRef]
- Cozens, J.A. Robotic assistance of an active upper limb exercise in neurologically impaired patients. IIIE Trans. Rehabil. Eng. 1999, 7, 254–256. [Google Scholar] [CrossRef]
- Ögce, F.; Özyalçin, H. Case study: A myoelectrically controlled shoulder-elbow orthosis for unrecovered brachial plexus injury. Prosthet. Orthosis Int. 2000, 24, 252–255. [Google Scholar] [CrossRef]
- Cordo, P.; Lutsep, H.; Cordo, L.; Wright, W.G.; Cacciatore, T.; Skoss, R. Assisted movement with enhanced sensation (AMES): Coupling motor and sensory to remediatemotor deficits in chronic stroke patients. Neurorehabilit. Neural Repair 2009, 23, 67–77. [Google Scholar] [CrossRef]
- Durante, F.; Zobel, P.B.; Raparelli, T. Development of an active orthosis for inferior limb with light structure. Mech. Mach. Sci. 2018, 49, 833–841. [Google Scholar] [CrossRef]
- Kazerooni, H.; Guo, J. Human extenders. J. Dyn. Syst. Meas. Control 1993, 115, 281–290. [Google Scholar] [CrossRef]
- Kazerooni, H.; Mahoney, S.L. Dynamics and control of Robotic Systems Worn by Humans. J. Dyn. Syst. Meas. Control 1991, 113, 379–387. [Google Scholar] [CrossRef]
- Kazerooni, H.; Steger, R. The Berkeley Lower Extremity Exoskeletons. ASME J. Dyn. Syst. Meas. Control 2006, 128, 14–25. [Google Scholar] [CrossRef]
- Amirabdollahian, F.; Loureiro, R.; Gradwell, E.; Collin, C.; Harwin, W.; Johnson, G. Multivariate analysis of the Fugl-Meyer outcome measures assessing the effectiveness of GENTLE/S robot-mediated stroke therapy. J. Neuroeng. Rehabil. 2007, 4, 4. [Google Scholar] [CrossRef]
- Cheng, H.S.; Ju, M.S.; Lin, C.C.K. Improving elbow torque output of stroke patients with assistive torque controlled by EMG signals. J. Biomech. Eng. 2003, 125, 881–886. [Google Scholar] [CrossRef]
- Turner, M.; Gomez, D.; Tremblay, M.; Cutkosky, M. Preliminary tests of an arm-grounded haptic feedback device in telemanipulation. In Proceedings of the ASME Dynamic Systems and Control Division, Anaheim, CA, USA, 15–20 November 1998; Volume 64, pp. 145–149. [Google Scholar]
- Mali, U.; Munih, M. HIFE-haptic interface for finger exercise. Mechatron. IEEE/ASME Trans. 2006, 11, 93–102. [Google Scholar] [CrossRef]
- Hesse, S.; Kuhlmann, H.; Wilk, J.; Tomelleri, C.; Kirker, S.G.B. A new electromechanical trainer for sensorimotor rehabilitation of paralysed fingers: A case series in chronic and acute stroke patients. J. Neuroeng. Rehabil. 2008, 5, 21. [Google Scholar] [CrossRef] [PubMed]
- Burgar, C.G.; Lum, P.S.; Shor, P.C.; Van der Loos, H.F.M. Development of robots for rehabilitation therapy: The Palo Alto VA/Stanford experience. J. Rehabil. Res. Dev. 2000, 37, 663–673. [Google Scholar] [PubMed]
- Perry, J.C.; Rosen, J.; Burns, S. Upper-limb powered exoskeleton design. IEEE/ASME Trans. Mechatron. 2007, 12, 408–417. [Google Scholar] [CrossRef]
- Stienen, A.; Hekman, E.; Prange, G.; Jannink, M.; Aalsma, A.; van der Helm, F.; van der Kooij, H. Dampace. Design of an exoskeleton for force-coordination training in upper-extremity rehabilitation. J. Med. Devices 2009, 3, 10. [Google Scholar] [CrossRef]
- Pylatiuk, C.; Kargov, A.; Gaiser, I.; Werner, T.; Schulz, S.; Bretthauer, G. Design of a flexible fluidic actuation system for a hybrid elbow orthosis. In Proceedings of the IEEE International Conference on Rehabilitation Robotics (ICORR), Kyoto, Japan, 23–26 June 2009; pp. 167–171. [Google Scholar]
- Umemura, A.; Saito, Y.; Fujisaki, K. A study on power-assisted rehabilitation robot arms operated by patient with upper limb disabilities. In Proceedings of the IEEE International Conference on Rehabilitation Robotics (ICORR), Kyoto, Japan, 23–26 June 2009; pp. 451–456. [Google Scholar]
- Stienen, A.H.A.; Hekman, E.E.G.; ter Braak, H.; Aalsma, A.M.M.; van der Helm, F.C.T.; van der Kooij, H. Design of a rotational hydro-elastic actuator for an active upper-extremity rehabilitation exoskeleton. In Proceedings of the 2nd IEEE RAS & EMBS International Conference on Biomedical Robotics and Biomechatronics (BioRob), Scottsdale, AZ, USA, 19–22 October 2008; pp. 881–888. [Google Scholar]
- Durante, F.; Antonelli, M.G.; Zobel, P.B. Development of an active exoskeleton for assisting back movements in lifting weights. Int. J. Mech. Eng. Robot. Res. 2018, 7, 353–360. [Google Scholar] [CrossRef]
- Takahashi, C.D.; Der-Yeghiaian, L.; Le, V.; Motiwala, R.R.; Cramer, S.C. Robot-based handmotor therapy after stroke. Brain 2008, 131, 425–437. [Google Scholar] [CrossRef] [PubMed]
- Sasaki, D.; Noritsugu, T.; Takaiwa, M. Development of Active Support Splint driven by Pneumatic Soft Actuator (ASSIST). In Proceedings of the IEEE International Conference on Robotics and Automation (ICRA), Barcelona, Spain, 18–22 April 2005; pp. 520–525. [Google Scholar]
- Kline, T.; Kamper, D.; Schmit, B. Control system for pneumatically controlled glove to assist in grasp activities. In Proceedings of the 9th International Conference on Rehabilitation Robotics ICORR, Chicago, IL, USA, 28 June–1 July 2005; pp. 78–81. [Google Scholar]
- Klein, J.; Spencer, S.; Allington, J.; Bobrow, J.E.; Reinkensmeyer, D.J. Optimization of a parallel shouldermechanism to achieve a high-force, low-mass, robotic-arm exoskeleton. IEEE Trans. Robot. 2010, 26, 710–715. [Google Scholar] [CrossRef]
- Lucas, L.; Di Cicco, M.; Matsuoka, Y. An EMG-controlled hand exoskeleton for natural pinching. J. Robot Mechatron. 2004, 16, 482–488. [Google Scholar] [CrossRef]
- Bouzit, M.; Burdea, G.; Popescu, G.; Boian, R. The Rutgers Master II-new design force-feedback glove. IEEE/ASME Trans. Mechatron. 2002, 7, 256–263. [Google Scholar] [CrossRef]
- Koceska, N.; Koceski, S.; Zobel, P.B.; Durante, F. Control architecture for a lower limbs rehabilitation robot system. In Proceedings of the IEEE International Conference on Robotics and Biomimetics, ROBIO 2008, Bangkok, Thailand, 14–17 December; pp. 971–976. [CrossRef]
- Paterna, M.; Magnetti Gisolo, S.; De Benedictis, C.; Muscolo, G.G.; Ferraresi, C. A passive upper-limb exoskeleton for industrial application based on pneumatic artificial muscles. Mech. Sci. 2022, 13, 387–398. [Google Scholar] [CrossRef]
- Ashta, G.; Finco, S.; Battini, D.; Persona, A. Passive Exoskeletons to EnhanceWorkforce Sustainability: Literature Review and Future Research Agenda. Sustainability 2023, 15, 7339. [Google Scholar] [CrossRef]
- Öçal, A.E.; Lekesiz, H.; Çetin, S.T. The Development of an Innovative Occupational Passive Upper Extremity Exoskeleton and an Investigation of Its Effects on Muscles. Appl. Sci. 2023, 13, 6763. [Google Scholar] [CrossRef]
- Bennett, S.T.; Han, W.; Mahmud, D.; Adamczyk, P.G.; Dai, F.; Wehner, M.; Veeramani, D.; Zhu, Z. Usability and Biomechanical Testing of Passive Exoskeletons for ConstructionWorkers: A Field-Based Pilot Study. Buildings 2023, 13, 822. [Google Scholar] [CrossRef]
- Pacheco Quiñones, D.; Paterna, M.; De Benedictis, C.; Maffiodo, D.; Franco, W.; Ferraresi, C. Contact force regulation in physical human-machine interaction based on model predictive control. Robotica 2023, 41, 3409–3425. [Google Scholar] [CrossRef]
- Guagliumi, L.; Berti, A.; Monti, E.; Fabritius, M.; Martin, C.; Carricato, M. Force-Sensor-Free Implementation of a Hybrid Position–Force Control for Overconstrained Cable-Driven Parallel Robots. Robotics 2024, 13, 25. [Google Scholar] [CrossRef]
- Kim, H.; Yang, W. Variable Admittance Control Based on Human–Robot Collaboration Observer Using Frequency Analysis for Sensitive and Safe Interaction. Sensors 2021, 21, 1899. [Google Scholar] [CrossRef]
- Samarathunga, T.A.; Valori, M.; Legnani, G.; Fassi, I. Assessing Safety in Physical Human–Robot Interaction in Industrial Settings: A Systematic Review of Contact Modelling and Impact Measuring Methods. Robotics 2025, 1, 27. [Google Scholar] [CrossRef]
- Wang, Y.; Yang, Y.; Zhao, B.; Qi, X.; Hu, Y.; Li, B.; Sun, L.; Zhang, L.; Meng, M.Q.-H. Variable Admittance Control Based on Trajectory Prediction of Human Hand Motion for Physical Human-Robot Interaction. Appl. Sci. 2021, 11, 5651. [Google Scholar] [CrossRef]
- Mason, M.T. Compliance and Force Control for Computer Controlled Manipulators. IEEE Trans. Syst. Man Cybern. 2007, 11, 418–432. [Google Scholar] [CrossRef]
- Raibert, M.H.; Craig, J.J. Hybrid Position/Force Control of Manipulators. ASME J. Dyn. Syst. Meas. Control 1981, 102, 126–133. [Google Scholar] [CrossRef]
- Hogan, N. Impedance Control: An Approach to Manipulation Part I-II-III. J. Dyn. Syst. Meas. Control 1985, 107, 1–24. [Google Scholar] [CrossRef]
- Kazerooni, H. Fundamentals of Robust Compliant Motion for Manipulators. IEEE J. Robot. Autom. 1986, 2, 2. [Google Scholar]
- Lee, S.; Sankai, Y. Power assist control for walking aid with HAL-3 based on EMG and impedance adjustment around knee joint. Int. Conf. Intell. Robot. Syst. 2002, 2, 1499–1504. [Google Scholar]
- Allotta, B.; Pugi, L.; Bartolini, F. Design and experimental results of an active suspension system for a high-speed pantograph. IEEE/ASME Trans. Mechatron. 2008, 13, 548–557. [Google Scholar] [CrossRef]
- Lee, U.H.; Shepherd, T.; Kim, S.; De, A.; Su, H.; Gregg, R.; Mooney, L.; Rouse, E. How to Model Brushless Electric Motors for the Design of Lightweight Robotic Systems. arXiv 2023, arXiv:2310.00080. [Google Scholar] [CrossRef]
- Durante, F.; Raparelli, T.; Beomonte Zobel, P. Man-Power-Amplifying Exoskeleton with Pneumatic Actuator. Actuators 2024, 13, 12. [Google Scholar] [CrossRef]



















| i | αi−1 [°] | ai−1 [mm] | θi [°] | di [mm] |
|---|---|---|---|---|
| 1 | 0 | 0 | 0 | d1 |
| 2 | 0 | 136.5 | θ2 | 0 |
| 3 | 0 | 390 | θ3 | 0 |
| 4 | 0 | 330 | θ4 | 0 |
| 5(E) | 0 | 0 | 0 | −220 |
| Ref. Signal | Load (kg) | , Robot ON (%) | Δe_med (%) | EMG Reduction (%) |
|---|---|---|---|---|
| Sinusoidal | 1.5 | 15.06 ± 0.16 | 12.1 ± 26.6 | 60.5 ± 15.1 |
| Sinusoidal | 0.5 | 15.10 ± 0.19 | 17.9 ± 21.1 | 57.0 ± 19.1 |
| Random | 1.5 | 15.02 ± 0.12 | 7.6 ± 9.0 | 62.4 ± 17.5 |
| Random | 0.5 | 14.96 ± 0.58 | 5.0 ± 6.4 | 62.9 ± 15.4 |
| Condition | Fo p-Value (Wilcoxon) | e_med p-Value (Wilcoxon) | EMG p-Value (Paired t-Test) |
|---|---|---|---|
| Sinusoidal, 1.5 kg | 0.0078 | 0.4609 | 1.61 × 10−4 |
| Sinusoidal, 0.5 kg | 0.0078 | 0.0781 | 0.0015 |
| Random, 1.5 kg | 0.0078 | 0.0547 | 3.50 × 10−4 |
| Random, 0.5 kg | 0.0078 | 0.5469 | 4.40 × 10−4 |
| Approach | Typical Sensing | Control Objective | Remarks/Limitations |
|---|---|---|---|
| This work (force-sharing via current control) | Single interaction-force sensor at handle; motor current feedback inside the drive | Prescribed force-sharing ratio for vertical load handling (user provides motion reference) | Very simple hardware/software; suited to vertical manipulation; does not regulate arbitrary 6-DoF contact forces |
| Impedance control (classical) | Robot position/velocity; often interaction force/torque at end-effector or joints | Impose a desired dynamic relation between motion and force (robot behaves like mass–spring–damper) | Requires model/tuning; typically needs both motion and force information; higher controller complexity |
| Admittance control (classical) | Interaction force/torque; robot position/velocity (commanded by an outer-loop admittance) | Generate motion from measured force through a virtual admittance (force-to-motion mapping) | Requires stable force measurement and compliant actuation; outer-loop dynamics must be tuned for safety |
Disclaimer/Publisher’s Note: The statements, opinions and data contained in all publications are solely those of the individual author(s) and contributor(s) and not of MDPI and/or the editor(s). MDPI and/or the editor(s) disclaim responsibility for any injury to people or property resulting from any ideas, methods, instructions or products referred to in the content. |
© 2026 by the author. Licensee MDPI, Basel, Switzerland. This article is an open access article distributed under the terms and conditions of the Creative Commons Attribution (CC BY) license.
Share and Cite
Durante, F. Proof of Concept of an Occupational Machine for Biomechanical Load Reduction: Interpreting the User’s Intent. Robotics 2026, 15, 53. https://doi.org/10.3390/robotics15030053
Durante F. Proof of Concept of an Occupational Machine for Biomechanical Load Reduction: Interpreting the User’s Intent. Robotics. 2026; 15(3):53. https://doi.org/10.3390/robotics15030053
Chicago/Turabian StyleDurante, Francesco. 2026. "Proof of Concept of an Occupational Machine for Biomechanical Load Reduction: Interpreting the User’s Intent" Robotics 15, no. 3: 53. https://doi.org/10.3390/robotics15030053
APA StyleDurante, F. (2026). Proof of Concept of an Occupational Machine for Biomechanical Load Reduction: Interpreting the User’s Intent. Robotics, 15(3), 53. https://doi.org/10.3390/robotics15030053
