A Ku-Band GaAs Multifunction Transmitter and Receiver Chipset
Abstract
1. Introduction
2. Ku-Band Multifunction Chip Architecture
3. Circuit Blocks of the Ku-Band Multifunction Chipset
3.1. 5-Bit Digital Attenuator
3.2. 4-Bit Digital Phase Shifter
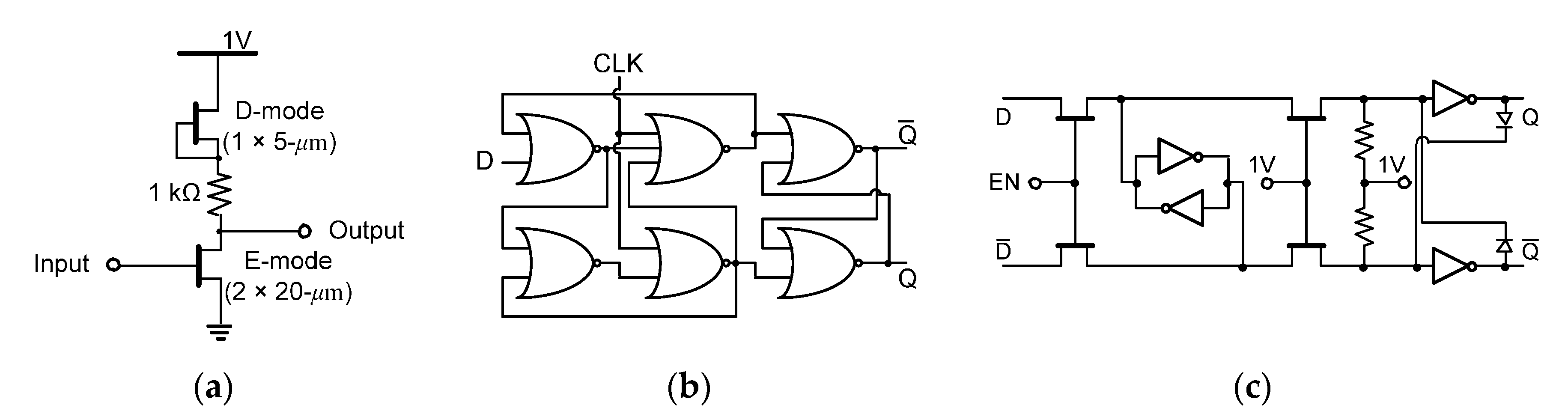
3.3. Serial-to-Parallel Converter (SPC)
3.4. Medium Power Amplifier (MPA)
3.5. Low-Noise Amplifier (LNA)
4. Multifunction Transmitter and Receiver
5. Conclusions
Author Contributions
Funding
Conflicts of Interest
References
- Shin, D.H.; Jeong, J.C.; Moon, S.M.; Yom, I.B. Compact Ku-band GaAs Multifunction Chip for SATCOM Phase Arrays. In Proceedings of the 45th European Microwave Conference (EuMC), Paris, France, 7–10 September 2015; pp. 1471–1474. [Google Scholar]
- Bugeau, J.; Coughlin, W.; Priolo, M.; Onge, G.S. Advanced MMIC T/R module for 6 to 18 GHz multifunction arrays. In Proceedings of the IEEE 1992 Microwave and Millimeter-Wave Monolithic Circuits Symposium Digest of Papers, Albuquerqu, NM, USA, 1–3 June 1992; pp. 119–122. [Google Scholar]
- Jeong, J.C.; Shin, D.H.; Ju, I.; Yom, I.B. An S-Band Multifunction Chip with a Simple Interface for Active Phased Array Base Station Antennas. ETRI J. 2013, 35, 378–385. [Google Scholar] [CrossRef]
- Cao, R.; Li, Z.; Tao, X.; Sang, L. A compact X-band four-channel SiGe BiCMOS T/R chipset for digital array radar applications. In Proceedings of the IEEE MTT-S International Microwave Symposium (IMS), Honololu, HI, USA, 4–9 June 2017; pp. 1979–1982. [Google Scholar]
- Carosi, D.; Bentini, A.; Nanni, A.; Marescialli, L.; Cetronio, A. Mixed-signal X-band SiGe multi-function control MMIC for phased array radar applications. In Proceedings of the European Microwave Conference (EuMC), Rome, Italy, 29 September–1 October 2009; pp. 240–243. [Google Scholar]
- Jeong, J.C.; Yom, I.B. X-band High power SiGe BiCMOS multi-function chip for active phased array radars. Electron. Lett. 2011, 47, 618–619. [Google Scholar] [CrossRef]
- Cho, M.K.; Han, J.H.; Kim, J.H.; Kim, J.G. An X/Ku-band bi-directional true time delay T/R chipset in 0.13 μm CMOS technology. In Proceedings of the IEEE MTT-S International Microwave Symposium (IMS), Tampa, FL, USA, 1–6 June 2014; pp. 1–3. [Google Scholar]
- Kim, D.S.; Yeon, K.W. Compact 4-bit GaAs Ku-band core chips for phased arrays. Microw. Opt. Technol. Lett. 2020, 62, 2289–2299. [Google Scholar] [CrossRef]
- Zhou, S.; Zhou, S.; Zhang, J.; Wu, J.; Yang, H.; Wang, Z. A 7.5–9 GHz GaAs two-channel multi-function chip. Electronics 2019, 8, 395. [Google Scholar] [CrossRef]
- Ciccognani, W.; Ferrari, M.; Ghione, G.; Limiti, E.; Longhi, P.E.; Pirola, M.; Quaglia, R. A compact high performance X-Band core-chip with on board serial-to-parallel conversion. In Proceedings of the 40th European Microwave Conference (EuMC), Paris, France, 28–30 September 2010; pp. 902–905. [Google Scholar]
- Bentini, A.; Ferrari, M.; Longhi, P.E.; Marzolf, E.; Moron, J.; Leblanc, R. A 6–18 GHz GaAs multifunctional chip for transmit/receive modules. In Proceedings of the 44th European Microwave Conference (EuMC), Rome, Italy, 8–10 October 2014; pp. 1908–1911. [Google Scholar]
- Jeong, J.C.; Uhm, M.; Jang, D.P.; Yom, I.B. A Ka-band GaAs multi-function chip with wide-band 6-bit phase shifters and attenuators for satellite applications. In Proceedings of the 13th European Conference of Antennas and Propagation (EuCAP), Krakow, Poland, 31 March–5 April 2019; pp. 1–4. [Google Scholar]
- Van Vliet, F.E.; Van Wanum, M.; Roodnat, A.W. Fully-integrated wideband TTD core chip with serial control. In Proceedings of the Gallium Arsenide applications symposium (GAAS), Munich, German, 6–10 October 2003; pp. 89–92. [Google Scholar]
- Pirola, M.; Quaglia, R.; Ghione, G.; Ciccognani, W.; Limiti, E. 13-bit GaAs serial-to-parallel converter with compact layout for core-chip applications. Microelecron. J. 2014, 45, 864–869. [Google Scholar] [CrossRef]
- Zhang, L.; Zhao, C.; Zhang, X.; Wu, Y.; Kang, K. A CMOS K-band 6-bit attenuator with low phase imbalance for phased array applications. IEEE Access 2017, 5, 19657–19661. [Google Scholar] [CrossRef]
- Sun, P. Analysis of phase variation of CMOS digital attenuator. Electron. Lett. 2014, 50, 1912–1914. [Google Scholar] [CrossRef]
- Song, I.; Cho, M.; Cressler, J.D. Design and analysis of a low loss, wideband digital step attenuator with minimized amplitude and phase variations. IEEE J. Solid State Circuits 2018, 53, 2202–2213. [Google Scholar] [CrossRef]
- Luo, L.; Li, Z.; Yao, Y.; Cheng, G. A 6-Bit Ku Band Digital Step Attenuator with Low Phase Variation in 0.13-μm SiGe BiCMOS. Electronics 2019, 8, 1149. [Google Scholar] [CrossRef]
- Kang, D.W.; Lee, H.D.; Kim, C.H.; Hong, S. Ku-band MMIC phase shifter using a parallel resonator with 0.18-μm CMOS technology. IEEE Trans. Microw. Theory Tech. 2006, 54, 294–301. [Google Scholar] [CrossRef]
- Bahl, I.J.; Bhartia, P. Microwave Solid State Circuit Design; John Wiley & Sons: New York, NY, USA, 1988. [Google Scholar]
- Yanyang, X.; Xiaoguang, Z.; Jingchen, H. Direct coupled FET logic (DCFL) circuit for GaAs LSIC application. In Proceedings of the 1998 International Conference of Microwave and Millimeter Wave Technology (ICMMT’98), Beijing, China, 18–20 August 1998; pp. 913–916. [Google Scholar]























| Parameter | Design Value | Parameter | Design Value | Parameter | Design Value |
|---|---|---|---|---|---|
| M1–M10 | 2 × 50-μm | R5 | 5.1 Ω | R10 | 498.9 Ω |
| R1 | 16.4 Ω | R6 | 627.0 Ω | R11, RG | 6.7 kΩ |
| R2 | 102.3 Ω | R7 | 7.6 Ω | C1 | 65.3 fF |
| R3 | 31.5 Ω | R8 | 371.2 Ω | C2 | 133.9 fF |
| R4 | 96.9 Ω | R9 | 18.4 Ω | C3 | 122.8 fF |
| Parameter | Design Value | Parameter | Design Value |
|---|---|---|---|
| M1, M4, M8, M9, M14 | 5 × 75-μm | L1, L3, L9 | 212.7 pH |
| M2, M5, M7, M10, M11, M12, M13, M15 | 5 × 125-μm | L2, L4, L10 | 619.7 pH |
| M3, M6, M16 | 9 × 100-μm | L5 | 102.1 pH |
| RG | 2.1 kΩ | L6 | 1.3 nH |
| C1, C2 | 205.4 fF | L7, L8 | 513.4 pH |
| Ref. | Process | Freq. (GHz) | Architecture | GainMAX 1 (dB) | OP1dB (dBm) | NF 2(dB) | PS/ATT 3(# of bits) | RMS Atten. Error 4 (dB) | RMS Phase Error 5 (°) | Chip Size (mm2) |
|---|---|---|---|---|---|---|---|---|---|---|
| [1] | 0.5-μm GaAs pHEMT | 12–18 | ATT + PS + SPC | −13 | - | - | 4/4 | 0.5 | 3.5 | 7.6 |
| [8] | 0.25-μm GaAs pHEMT | 10.5–13 | LNA + PS + SPC | 12 * | 3.3@12.25GHz | 2 | 4/- | - | <6 | 3.0 |
| [8] | 0.25-μm GaAs pHEMT | 13.5–15.5 | PS + DA 6 + SPC | >10 | 12.5@14.5GHz | - | 4/- | - | <3 | 3.0 |
| [10] | 0.18-μm GaAs pHEMT | 8.6–10 | SW + AMPTx 7 + AMPRx 8 + ATT + PS + SPC | 11.9 (Tx) 12.3 (Rx) | - | - | 6/6 | - | - | 14.8 |
| [11] | 0.18-μm GaAs pHEMT | 6–18 | SW + AMPTx + AMPRx + ATT + PS + SPC | 23.5 * | >17 | 8 | 4/4 | 0.5 | 8 | 25.8 |
| This work | 0.25-μm GaAs pHEMT | 12–18 | ATT + PS + MPA + SPC | 16.5 | 19.2@15GHz | 4/5 | 0.6 | 6.4 | 11.7 | |
| This work | 0.25-μm GaAs pHEMT | 12–18 | LNA + ATT + PS + SPC | 17.3 | 4.3 | 4/5 | 0.7 | 5.1 | 11.7 |
© 2020 by the authors. Licensee MDPI, Basel, Switzerland. This article is an open access article distributed under the terms and conditions of the Creative Commons Attribution (CC BY) license (http://creativecommons.org/licenses/by/4.0/).
Share and Cite
Lee, H.; Kim, Y.; Lee, I.; Kim, D.; Park, K.; Jeon, S. A Ku-Band GaAs Multifunction Transmitter and Receiver Chipset. Electronics 2020, 9, 1327. https://doi.org/10.3390/electronics9081327
Lee H, Kim Y, Lee I, Kim D, Park K, Jeon S. A Ku-Band GaAs Multifunction Transmitter and Receiver Chipset. Electronics. 2020; 9(8):1327. https://doi.org/10.3390/electronics9081327
Chicago/Turabian StyleLee, Hyunkyu, Younghwan Kim, Iljin Lee, Dongkyo Kim, Kwangwon Park, and Sanggeun Jeon. 2020. "A Ku-Band GaAs Multifunction Transmitter and Receiver Chipset" Electronics 9, no. 8: 1327. https://doi.org/10.3390/electronics9081327
APA StyleLee, H., Kim, Y., Lee, I., Kim, D., Park, K., & Jeon, S. (2020). A Ku-Band GaAs Multifunction Transmitter and Receiver Chipset. Electronics, 9(8), 1327. https://doi.org/10.3390/electronics9081327

