BPR-TCAM—Block and Partial Reconfiguration based TCAM on Xilinx FPGAs
Abstract
1. Introduction
2. Related Work
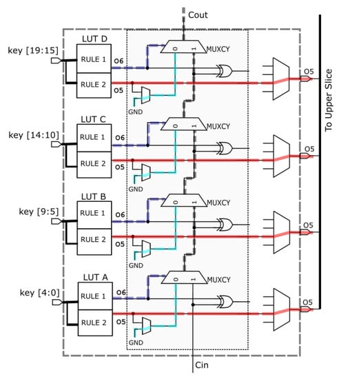
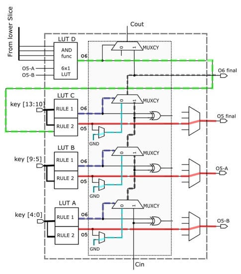
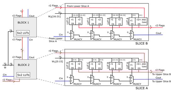
3. Emulating TCAMs with Memories on FPGAs
4. Block and Partial Reconfiguration TCAM (BPR-TCAM)
5. Evaluation
6. Conclusions and Future Work
Author Contributions
Funding
Conflicts of Interest
References
- Zilberman, N.; Audzevich, Y.; Covington, G.A.; Moore, A.W. NetFPGA SUME: Toward 100 Gbps as Research Commodity. IEEE Micro 2014, 34, 32–41. [Google Scholar] [CrossRef]
- Xilinx. SDNet Packet Processor User Guide; UG1012 (v2018.1); Xilinx: San Jose, CA, USA, 2018. [Google Scholar]
- Reviriego, P.; Pontarelli, S.; Levy, G. CuCoTrack: Cuckoo filter based connection tracking. Inf. Process. Lett. 2019, 147, 55–60. [Google Scholar] [CrossRef]
- Sundstron, M.; Larzon, L. Åke High-performance longest prefix matching supporting high-speed incremental updates and guaranteed compression. In Proceedings of the 24th Annual Joint Conference of the IEEE Computer and Communications Societies, Miami, FL, USA, 13–17 March 2005; Volume 3, pp. 1641–1652. [Google Scholar]
- Yu, F.; Katz, R.; Lakshman, T. Efficient Multimatch Packet Classification and Lookup with TCAM. IEEE Micro 2005, 25, 50–59. [Google Scholar]
- Pagiamtzis, K.; Sheikholeslami, A. Content-Addressable Memory (CAM) Circuits and Architectures: A Tutorial and Survey. IEEE J. Solid-state Circuits 2006, 41, 712–727. [Google Scholar] [CrossRef]
- Bosshart, P.; Gibb, G.; Kim, S.H.; Varghese, G.; McKeown, N.; Izzard, M.; Mujica, F.; Horowitz, M. Forwarding metamorphosis: Fast programmable match-action processing in hardware for SDN. In Proceedings of the Conference of the ACM Special Interest Group on Data Communication (SIGCOMM ’13), Hong Kong, China, 12–16 August 2013. [Google Scholar]
- Reviriego, P.; Ullah, A.; Pontarelli, S. PR-TCAM: Efficient TCAM Emulation on Xilinx FPGAs Using Partial Reconfiguration. IEEE Trans. Very Large Scale Integr. Syst. 2019, 27, 1952–1956. [Google Scholar] [CrossRef]
- Ullah, I.; Ullah, Z.; Afzaal, U.; Lee, J.-A. DURE: An Energy- and Resource-Efficient TCAM Architecture for FPGAs With Dynamic Updates. IEEE Trans. Very Large Scale Integr. Syst. 2019, 27, 1–10. [Google Scholar] [CrossRef]
- Yu, W.; Sivakumar, S.; Pao, D. Pseudo-TCAM: SRAM-Based Architecture for Packet Classification in One Memory Access. IEEE Netw. Lett. 2019, 1, 89–92. [Google Scholar] [CrossRef]
- Lim, H.; Lee, S.; Swartzlander, E.E. A new hierarchical packet classification algorithm. Comput. Netw. 2012, 56, 3010–3022. [Google Scholar] [CrossRef]
- Jiang, W.; Prasanna, V.K. Scalable Packet Classification on FPGA. IEEE Trans. Very Large Scale Integr. Syst. 2011, 20, 1668–1680. [Google Scholar] [CrossRef]
- Kennedy, A.; Wang, X. Ultra-High Throughput Low-Power Packet Classification. IEEE Trans. Very Large Scale Integr. Syst. 2013, 22, 286–299. [Google Scholar] [CrossRef]
- Pao, D.; Lu, Z.; Pao, C.W.D. A multi-pipeline architecture for high-speed packet classification. Comput. Commun. 2014, 54, 84–96. [Google Scholar] [CrossRef]
- Chang, Y.-K.; Chen, H.-C. Fast Packet Classification using Recursive Endpoint-Cutting and Bucket Compression on FPGA. Comput. J. 2018, 62, 198–214. [Google Scholar] [CrossRef]
- Irfan, M.; Ullah, Z. G-AETCAM: Gate-Based Area-Efficient Ternary Content-Addressable Memory on FPGA. IEEE Access 2017, 5, 20785–20790. [Google Scholar] [CrossRef]
- Ullah, Z. LH-CAM: Logic-based Higher Performance Binary CAM Architecture on FPGA. IEEE Embed. Syst. Lett. 2017, 9, 1. [Google Scholar] [CrossRef]
- Irfan, M.; Ahmad, A. Impact of Initialization on Gate-Based Area Efficient Ternary Content-Addressable Memory. In Proceedings of the 2018 International Conference on Computing, Electronics & Communications Engineering (iCCECE), Southend, UK, 16–17 August 2018; pp. 328–332. [Google Scholar]
- Mahmood, H.; Ullah, Z.; Mujahid, O.; Ullah, I.; Hafeez, A. Beyond the Limits of Typical Strategies: Resources Efficient FPGA-Based TCAM. IEEE Embed. Syst. Lett. 2019, 11, 89–92. [Google Scholar] [CrossRef]
- Somasundaram, M. Circuits to Generate a Sequential Index for an Input Number in a Pre-Defined List of Numbers. U.S. Patent 7 155 563 B1, 26 December 2006. [Google Scholar]
- Ullah, Z.; IlGon, K.; Baeg, S. Hybrid Partitioned SRAM-Based Ternary Content Addressable Memory. IEEE Trans. Circuits Syst. I: Regul. Pap. 2012, 59, 2969–2979. [Google Scholar] [CrossRef]
- Ullah, Z.; Jaiswal, M.K.; Cheung, C.C.R. Z-TCAM: An SRAM-based Architecture for TCAM. IEEE Trans. Very Large Scale Integr. Syst. 2014, 23, 402–406. [Google Scholar] [CrossRef]
- Ullah, Z.; Jaiswal, M.K.; Cheung, R.C.C.; Cheung, C.C.R. E-TCAM: An Efficient SRAM-Based Architecture for TCAM. Circuits, Syst. Signal Process. 2014, 33, 3123–3144. [Google Scholar] [CrossRef]
- Ullah, Z.; Jaiswal, M.K.; Cheung, R.C.; So, H.K.; Cheung, C.C.R. UE-TCAM: An ultra efficient SRAM-based TCAM. In Proceedings of the TENCON 2015–2015 IEEE Region 10 Conference, Macao, China, 1–4 November 2015; Institute of Electrical and Electronics Engineers (IEEE); pp. 1–6. [Google Scholar]
- Ahmed, A.; Park, K.; Baeg, S. Resource-Efficient SRAM-based Ternary Content Addressable Memory. IEEE Trans. Very Large Scale Integr. Syst. 2016, 25, 1–5. [Google Scholar] [CrossRef]
- Ullah, I.; Ullah, Z.; Lee, J.-A.; Ullaha, Z. Efficient TCAM Design Based on Multipumping-Enabled Multiported SRAM on FPGA. IEEE Access 2018, 6, 19940–19947. [Google Scholar] [CrossRef]
- Syed, F.; Ullah, Z.; Jaiswal, M.K. Fast Content Updating Algorithm for an SRAM-Based TCAM on FPGA. IEEE Embed. Syst. Lett. 2017, 10, 73–76. [Google Scholar] [CrossRef]
- Ullah, I.; Ullah, Z.; Lee, J.-A. EE-TCAM: An Energy-Efficient SRAM-Based TCAM on FPGA. Electronics 2018, 7, 186. [Google Scholar] [CrossRef]
- Reviriego, P.; Pontarelli, S.; Ullah, A.; Zahir, A.; Bianchi, G. Multiple Hash Matching Units (MHMU): An Algorithmic Ternary Content Addressable Memory Design for Field Programmable Gate Arrays. In Proceedings of the 2018 IEEE 19th International Conference on High Performance Switching and Routing (HPSR), Bucharest, Romania, 18–20 June 2018; pp. 1–6. [Google Scholar]
- Jiang, W. Scalable Ternary Content Addressable Memory implementation using FPGAs. Arch. Netw. Commun. Syst. 2013, 71–82. [Google Scholar]
- Qian, Z.; Margala, M. Low power RAM-based hierarchical CAM on FPGA. In Proceedings of the 2014 International Conference on ReConFigurable Computing and FPGAs (ReConFig14), Cancun, Mexico, 8–10 December 2014; pp. 1–4. [Google Scholar]
- Locke, K. Parameterizable Content-Addressable Memory; Xilinx: San Jose, CA, USA, 2011. [Google Scholar]
- Xilinx. Ternary Content Addressable Memory (TCAM) Search IP for SDNet. In SmartCORE IP Product Guide; PG190 (v1.0); Xilinx: San Jose, CA, USA, 2017. [Google Scholar]
- Maidee, P. Multiplexer-Based Ternary Content Addressable Memory. U.S. Patent 9653165, 16 May 2017. [Google Scholar]





| KEY | PARAMETER | RULES | |||
|---|---|---|---|---|---|
| 32 | 64 | 512 | 1024 | ||
| 40 | LUTS | 160 | 320 | 2560 | 5120 |
| FFs | 145 | 209 | 1105 | 2129 | |
| SLICES | 48 | 96 | 768 | 1536 | |
| DELAY-V7 | 2.52 | 2.61 | 2.78 | 3.21 | |
| DELAY-A7 | 4.70 | 5.25 | 5.38 | 6.00 | |
| 80 | LUTS | 320 | 640 | 5120 | 10,240 |
| FFs | 225 | 289 | 1185 | 2209 | |
| SLICES | 80 | 160 | 1280 | 2560 | |
| DELAY-V7 | 4.24 | 4.79 | 5.32 | 5.82 | |
| DELAY-A7 | 8.10 | 8.67 | 10.16 | 10.36 | |
| 120 | LUTS | 480 | 960 | 7680 | 15,360 |
| FFs | 305 | 369 | 1265 | 2289 | |
| SLICES | 128 | 256 | 2048 | 4096 | |
| DELAY-V7 | 5.76 | 6.16 | 6.82 | 7.66 | |
| DELAY-A7 | 11.40 | 12.18 | 13.53 | 14.98 | |
| Architecture | Device | Size | LUTRAMs | LUTs | FFs | BRAMs | Slices | Speed |
|---|---|---|---|---|---|---|---|---|
| HP-TCAM [21] | XC6VLX760 | 512 × 36 | 0 | 6546 | 2670 | 56 | 1637 | 118 |
| Z-TCAM [22] | XC6VLX760 | 512 × 36 | 0 | 4462 | 2178 | 40 | 1116 | 159 |
| UE-TCAM [24] | XC6VLX760 | 512 × 36 | 0 | 3652 | 1758 | 32 | 913 | 202 |
| Syed [27] | XC6VLX760 | 512 × 36 | 0 | 3013 | 552 | 32 | 754 | 101 |
| DURE-I [9] | XC6VLX760 | 512 × 36 | 4096 | 1605 | 1174 | 0 | 1668 | 335 |
| PR-TCAM [8] | XC7A100T | 512 × 40 | 0 | 3574 | 0 | 0 | 1085 | 82 |
| BPR-TCAM I | XC6VLX760 | 512 × 40 | 0 | 2560 | 793 | 0 | 768 | 219.2 |
| Xilinx [33] | XC7V2000T | 512 × 128 | 8875 | 27,559 | 35,068 | 3 | 12,011 | 171 |
| DURE-II [9] | XC6VLX760 | 1024 × 144 | 32,768 | 3039 | 2700 | 0 | 9654 | 175 |
| BPR-TCAM II | XC6VLX760 | 1024 × 144 | 0 | 18,432 | 3029 | 0 | 4608 | 111.49 |
| Jiang [30] | XC7V2000T | 1024 × 150 | 20,480 | 61,624 | 37,556 | 0 | 20,526 | 199 |
| Architecture | Device | Size | N.Slices | N. Speed | Throughput | PA |
|---|---|---|---|---|---|---|
| HP-TCAM [21] | XC6VLX760 | 512 × 36 | 2981 | 118 | 4.25 | 0.73 |
| Z-TCAM [22] | XC6VLX760 | 512 × 36 | 2076 | 159 | 5.72 | 1.41 |
| UE-TCAM [24] | XC6VLX760 | 512 × 36 | 1681 | 202 | 7.26 | 2.21 |
| Syed [27] | XC6VLX760 | 512 × 36 | 1522 | 101 | 3.64 | 1.22 |
| DURE-I [9] | XC6VLX760 | 512 × 36 | 1668 | 335 | 12.06 | 3.7 |
| PR-TCAM [8] | XC7A100T | 512 × 40 | 1085 | 57.4 | 2.3 | 1.08 |
| BPR-TCAM I | XC6VLX760 | 512 × 40 | 768 | 219.2 | 8.77 | 5.85 |
| Xilinx [33] | XC7V2000T | 512 × 128 | 12,083 | 120 | 15.36 | 0.65 |
| DURE-II [9] | XC6VLX760 | 1024 × 144 | 9654 | 175 | 25.2 | 2.67 |
| BPR-TCAM II | XC6VLX760 | 1024 × 144 | 4608 | 111.49 | 16.05 | 3.57 |
| Jiang [30] | XC7V2000T | 1024 × 150 | 20,526 | 139 | 20.9 | 1.04 |
© 2020 by the authors. Licensee MDPI, Basel, Switzerland. This article is an open access article distributed under the terms and conditions of the Creative Commons Attribution (CC BY) license (http://creativecommons.org/licenses/by/4.0/).
Share and Cite
Ullah, A.; Zahir, A.; Khan, N.A.; Ahmad, W.; Ramos, A.; Reviriego, P. BPR-TCAM—Block and Partial Reconfiguration based TCAM on Xilinx FPGAs. Electronics 2020, 9, 353. https://doi.org/10.3390/electronics9020353
Ullah A, Zahir A, Khan NA, Ahmad W, Ramos A, Reviriego P. BPR-TCAM—Block and Partial Reconfiguration based TCAM on Xilinx FPGAs. Electronics. 2020; 9(2):353. https://doi.org/10.3390/electronics9020353
Chicago/Turabian StyleUllah, Anees, Ali Zahir, Noaman A. Khan, Waleed Ahmad, Alexis Ramos, and Pedro Reviriego. 2020. "BPR-TCAM—Block and Partial Reconfiguration based TCAM on Xilinx FPGAs" Electronics 9, no. 2: 353. https://doi.org/10.3390/electronics9020353
APA StyleUllah, A., Zahir, A., Khan, N. A., Ahmad, W., Ramos, A., & Reviriego, P. (2020). BPR-TCAM—Block and Partial Reconfiguration based TCAM on Xilinx FPGAs. Electronics, 9(2), 353. https://doi.org/10.3390/electronics9020353

