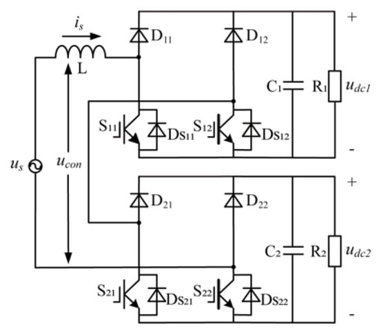
Evaluation and Comprehensive Comparison of H-Bridge-Based Bidirectional Rectifier and Unidirectional Rectifiers
Abstract
1. Introduction
2. Description to Unidirectional Rectifier Topologies and Operation Principles
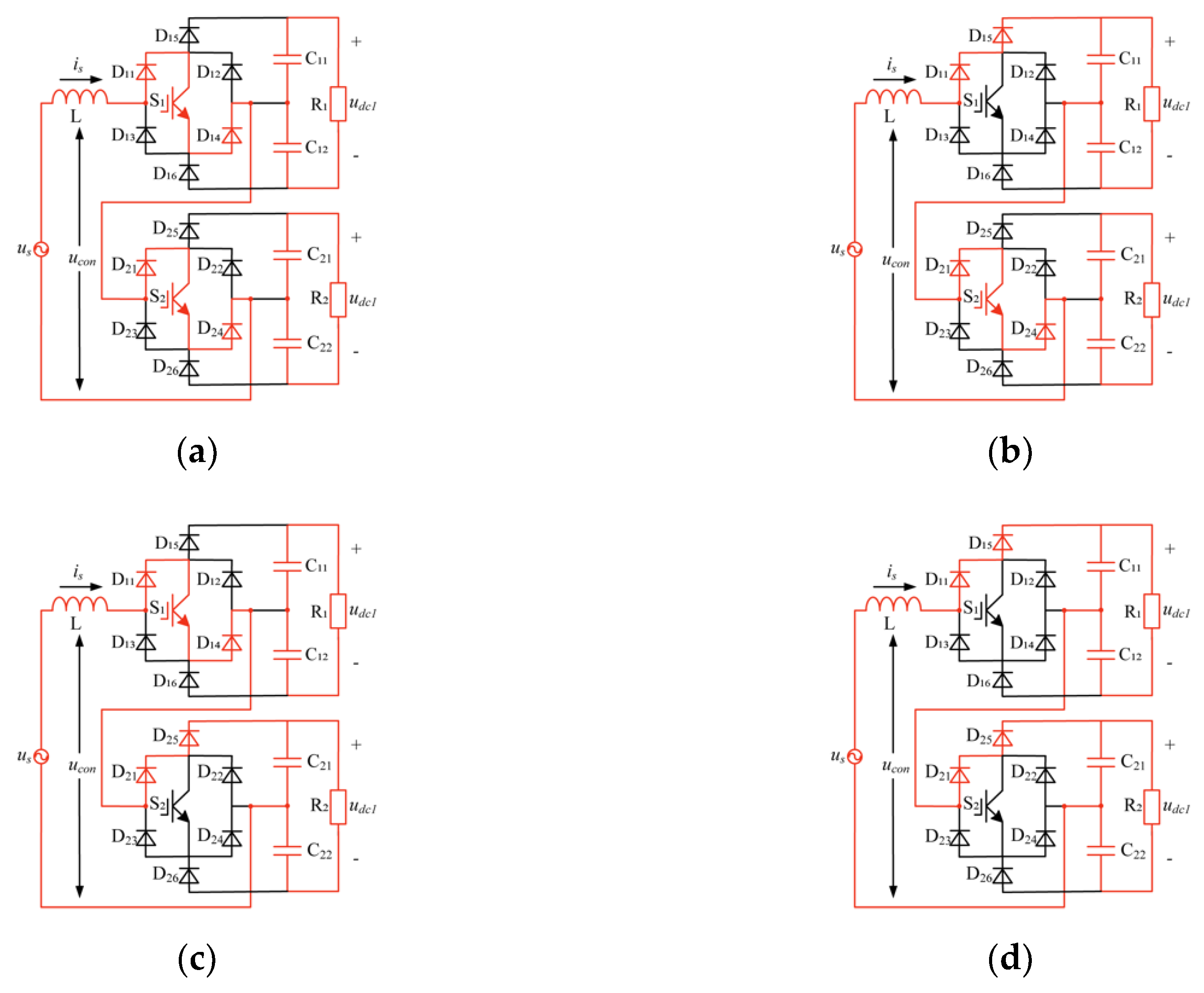
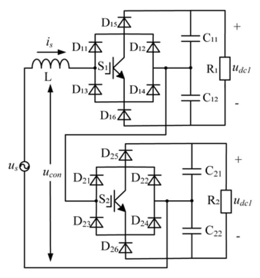
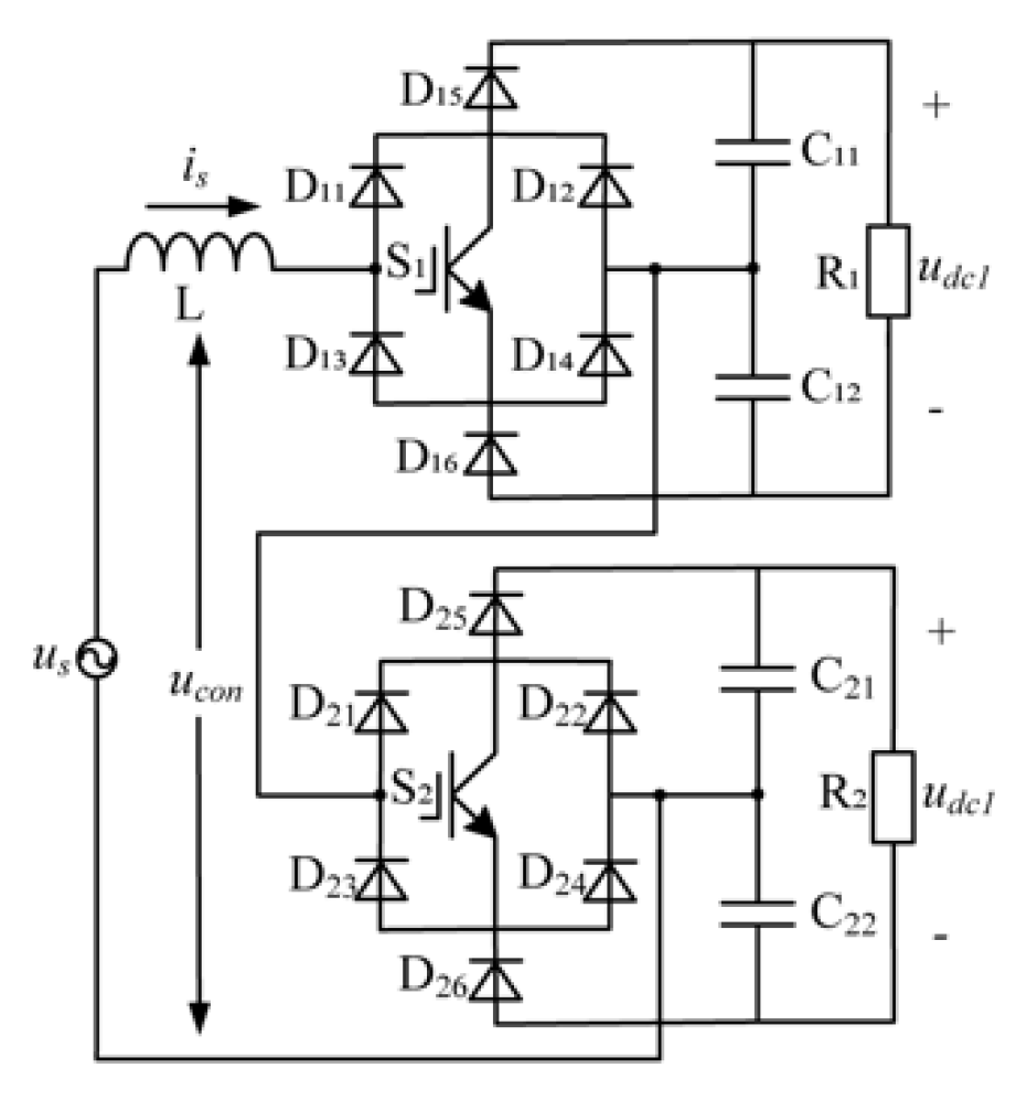
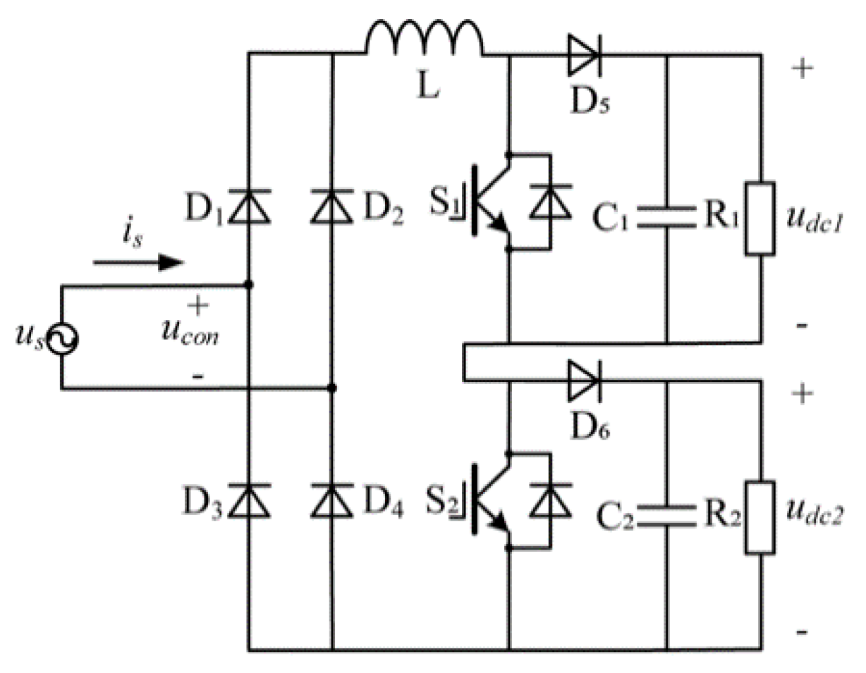
2.1. Diode H-Bridge Cascaded Boost Rectifier
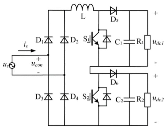
2.2. Cascaded Bridgeless Rectifier
2.3. Cascaded VIENNA Rectifier
3. Power Losses and Efficiency-Based Evaluation
3.1. Calculation of Switching and Conduction Losses
3.2. Investigation of Power Losses and Efficiency
3.3. Efficiency Investigation under Different Power Loading
4. Cost Performance Analysis
5. Component Stresses
- (1)
- All the topologies are worked at CCM mode.
- (2)
- These circuits are supplied by an ideal AC power source with 50 Hz frequency and operate at unity power factor.
- (3)
- The output DC voltage is stable with no voltage ripple
6. THD Analysis of Input Current
7. Conclusions
Author Contributions
Funding
Acknowledgments
Conflicts of Interest
References
- Akagi, H.; Inoue, S. Medium-Voltage Power Conversion Systems in the Next Generation. In Proceedings of the IEEE International Power Electronics and Motion Control Conference, Shanghai, China, 14–16 August 2006; pp. 1–8. [Google Scholar]
- Iman Eini, H.; Farhangi, S.; Schanen, J.L. A modular AC/DC rectifier based on cascaded H-bridge rectifier. In Proceedings of the International Power Electronics and Motion Control Conference, Poznan, Poland, 1–3 September 2008; pp. 173–180. [Google Scholar]
- Shi, J.; Gou, W.; Yuan, H.; Zhao, T.; Huang, A.Q. Research on voltage and power balance control for cascaded modular solid-state transformer. IEEE Trans. Power Electron. 2011, 26, 1154–1166. [Google Scholar] [CrossRef]
- Dang, H.Q.S.; Watson, A.; Clare, J.; Wheeler, P.; Kenzelmann, S.; de Novaes, Y.R.; Rufer, A. Advanced integration of multilevel converters into power system. In Proceedings of the Annual Conference of IEEE Industrial Electronics, Orlando, FL, USA, 10–13 November 2008; pp. 3188–3194. [Google Scholar]
- Huang, A.Q.; Crow, M.L.; Heydt, G.T.; Zheng, J.P.; Dale, S.J. The Future Renewable Electric Energy Delivery and Management (FREEDM) System: The Energy Internet. Pron. IEEE. 2011, 99, 133–148. [Google Scholar] [CrossRef]
- Venkat, J.; Shukla, A.; Kulkarni, S.V. Operation of a three phase solid state-Transformer under unbalanced load conditions. In Proceedings of the IEEE International Conference on Power Electronics, Drives and Energy Systems, Mumbai, India, 16–19 December 2014; pp. 1–6. [Google Scholar]
- Guo, P. Research on cascaded H-bridge rectifier stage and balance control for DC-link capacitor voltages. Ph.D. Thesis, China University of Mining and Technology, Beijing, China, 1 April 2012. [Google Scholar]
- Zou, J.; Wang, C.; Cheng, H.; Liu, J. Triple Line-Voltage Cascaded VIENNA Converter Applied as the Medium-Voltage AC Drive. Energies 2018, 11, 1079. [Google Scholar] [CrossRef]
- Cong, W.; Jian, J.; Chang, W.; Hong, C. Research on New Multi-level Cascaded Bridgeless Rectifier. J. Power Supply 2015, 13, 10–16. [Google Scholar]
- Wang, C.; Wang, C.; Jiang, X.; Cheng, H. A Novel Cascaded Diode H-Bridge Multi-Level Rectifier. Power Syst. Technol. 2015, 39, 829–836. [Google Scholar]
- Chen, H.; Wang, C.; Hu, H.; Liu, J.; Zhao, Z.; Zhang, Y.; Lu, Q.; Zou, J. DC Voltage Balance Control Strategy for Unidirectional Cascaded Multilevel Power Electronic Converter. China Patent Application No. CN109039129A, 18 December 2018. [Google Scholar]
- Wang, C.; Zhuang, Y.; Jiao, J.; Zhang, H.; Wang, C.; Cheng, H. Topologies and Control Strategies of Cascaded Bridgeless Multilevel Rectifiers. IEEE J. Emerg. Sel. Topics Power Electron. 2017, 5, 432–444. [Google Scholar] [CrossRef]
- Zanchetta, P.; Gerry, D.B.; Monopoli, V.G.; Clare, J.C.; Wheeler, P.W. Predictive Current Control for Multilevel Active Rectifiers With Reduced Switching Frequency. IEEE Trans. Ind. Electron. 2008, 55, 163–172. [Google Scholar] [CrossRef]
- Moeini, A.; Zhao, H.; Wang, S. A Current-Reference-Based Selective Harmonic Current Mitigation PWM Technique to Improve the Performance of Cascaded H-Bridge Multilevel Active Rectifiers. IEEE Trans. Ind. Electron. 2018, 65, 727–737. [Google Scholar] [CrossRef]
- Moosavi, M.; Farivar, G.; Iman-Eini, H.; Shekarabi, S.M. A voltage balancing strategy with extended operating region for cascaded H-bridge converters. IEEE Trans. Power Electron. 2014, 29, 5044–5053. [Google Scholar] [CrossRef]
- Watson, A.J.; Wheeler, P.W.; Clare, J.C. A Complete Harmonic Elimination Approach to DC Link Voltage Balancing for a Cascaded Multilevel Rectifier. IEEE Trans. Ind. Electron. 2007, 54, 2946–2953. [Google Scholar] [CrossRef]
- Chang, W. Novel High-Power Cascaded H-Bridge Multi-Level Rectifier. Ph.D. Thesis, China University of Mining and Technology, Beijing, China, 1 January 2016. [Google Scholar]
- Huber, L.; Jang, Y.; Jovanovic, M.M. Performance Evaluation of Bridgeless PFC Boost Rectifiers. IEEE Trans. Power Electron. 2008, 23, 1381–1390. [Google Scholar] [CrossRef]
- Jang, Y.; Jovanovic, M.M. A Bridgeless PFC Boost Rectifier with Optimized Magnetic Utilization. IEEE Trans. Power Electron. 2009, 24, 85–93. [Google Scholar] [CrossRef]
- Petrea, C.; Lucanu, M. Bridgeless power factor correction converter working at high load variations. In Proceedings of the IEEE Computer Society, Iasi, Romania, 13–14 July 2007; pp. 621–624. [Google Scholar]
- Lu, B.; Brown, R.; Soldano, M. Bridgeless PFC implementation using one cycle control technique. In Proceedings of the IEEE Applied Power Electronics Conference and Exposition, Austin, TX, USA, 6–10 March 2005; pp. 812–817. [Google Scholar]
- Gopinath, M.; Prabakaran; Ramareddy, S. A brief analysis on bridgeless boost PFC converter. In Proceedings of the International Conference on Sustainable Energy and Intelligent Systems, Chennai, India, 20–22 July 2011; pp. 242–246. [Google Scholar]
- Li, C.; Yang, T.; Kulsangcharoen, P.; Calzo, G.L.; Bozhko, S.; Gerada, C.; Wheeler, P. A Modified Neutral-Point Balancing Space Vector Modulation Technique for Three-Level Neutral Point Clamped Converters in High Speed Drives. IEEE Trans. Ind. Electron. 2018, 66, 910–921. [Google Scholar] [CrossRef]
- Siddique, M.D.; Mekhilef, S.; Shah, N.M.; Sarwar, A.; Iqbal, A.; Tayyab, M.; Ansari, M. Low Switching Frequency Based Asymmetrical Multilevel Inverter Topology With Reduced Switch Count. IEEE Access. 2019, 7, 86374–86383. [Google Scholar] [CrossRef]
- Choudhury, A.; Pillay, P.; Williamson, S.S. Discontinuous Hybrid-PWM based DC-link voltage balancing algorithm for a 3-Level neutral point clamped (NPC) traction inverter drive. IEEE Trans. Ind. Appl. 2016, 52, 3071–3082. [Google Scholar] [CrossRef]
- Musavi, F.; Eberle, W.; Dunford, W.G. Efficiency evaluation of single-phase solutions for AC-DC PFC boost converters for plug-in-hybrid electric vehicle battery chargers. In Proceedings of the IEEE Vehicle Power and Propulsion Conference, Lille, France, 1–3 September 2010; pp. 1–6. [Google Scholar]
- Liu, J.; Liu, Y.; Zhuang, Y.; Wang, C. Analysis to Input Current Zero Crossing Distortion of Bridgeless Rectifier Operating under Different Power Factors. Energies 2018, 11, 2447. [Google Scholar] [CrossRef]
- Cheng, H.; Kong, J.; Wang, X.; Wang, P.; Chen, T.; Wang, C. Power factor adjustment and input current distortion mitigation for three-phase unidirectional rectifier. IET Power Electron. 2019, 12, 1816–1824. [Google Scholar] [CrossRef]
- Cheng, H.; Chen, T.; Wang, C.; Wang, X.; Qin, X. Single-phase Bridgeless Rectifier with Capability of Power Quality Management. In Proceedings of the IEEE International Power Electronics and Application Conference and Exposition, Shenzhen, China, 4–7 November 2018; pp. 1–6. [Google Scholar]
- Wang, C.; Liu, J.; Cheng, H.; Zhuang, Y.; Zhao, Z. A Modified One-Cycle Control for Vienna Rectifiers with Functionality of Input Power Factor Regulation and Input Current Distortion Mitigation. Energies 2019, 12, 3375. [Google Scholar] [CrossRef]














| Parameters | Type/Values |
|---|---|
| Input voltage (RMS) | 380 V |
| Source voltage frequency | 50 Hz |
| Switching frequency | 10 KHz |
| DC-link voltage | 1200 V |
| Load side capacitor | 2200 mF |
| Input inductor | 2 mH |
| Regular Diode (diode H bridge rectifier) | CS4112499C |
| Regular Diode (VIENNA rectifier) | 60EPS12 |
| Fast Diode | RHRG75120 |
| IGBT | IGW60T120 |
| Device | Cascaded H-Bridge Rectifier | Diode H-Bridge Cascaded Boost Rectifier | Cascaded Bridgeless Rectifier | Cascaded VIENNA Rectifier |
|---|---|---|---|---|
| Regular Diode | 0 | 4 | 0 | 2N |
| IGBT | 4N | N | 2N | N |
| Fast Recovery | 0 | N | 2N | 4N |
| Diode Capacitor | N | N | N | 2N |
| Inductor | 1 | 1 | 1 | 1 |
| Topology | Cost |
|---|---|
| Cascaded H-bridge rectifier | High |
| Diode H-bridge cascaded boost rectifier | Medium |
| Cascaded bridgeless rectifier | Low |
| Cascaded VIENNA rectifier | High |
| Topology | H-Bridge Rectifier | Bridgeless Rectifier |
|---|---|---|
| Inductor (RMS) | ||
| Bridge Diode (AVG) | Not applicable | Not applicable |
| Fast Diode (AVG) | Not applicable | |
| IGBT (RMS) | ||
| IGBT Intrinsic Diode (AVG) | ||
| Output Capacitor Ripple |
| Topology | Diode H-Bridge Rectifier | VIENNA Rectifier |
| Inductor (RMS) | ||
| Bridge Diode (AVG) | ||
| Fast Diode (AVG) | or | |
| IGBT (RMS) | ||
| IGBT Intrinsic Diode (AVG) | Not applicable | Not applicable |
| Output Capacitor Ripple |
© 2020 by the authors. Licensee MDPI, Basel, Switzerland. This article is an open access article distributed under the terms and conditions of the Creative Commons Attribution (CC BY) license (http://creativecommons.org/licenses/by/4.0/).
Share and Cite
Deng, J.; Cheng, H.; Wang, C.; Wu, S.; Si, M. Evaluation and Comprehensive Comparison of H-Bridge-Based Bidirectional Rectifier and Unidirectional Rectifiers. Electronics 2020, 9, 309. https://doi.org/10.3390/electronics9020309
Deng J, Cheng H, Wang C, Wu S, Si M. Evaluation and Comprehensive Comparison of H-Bridge-Based Bidirectional Rectifier and Unidirectional Rectifiers. Electronics. 2020; 9(2):309. https://doi.org/10.3390/electronics9020309
Chicago/Turabian StyleDeng, Jiaqing, Hong Cheng, Cong Wang, Shiyan Wu, and Mingjun Si. 2020. "Evaluation and Comprehensive Comparison of H-Bridge-Based Bidirectional Rectifier and Unidirectional Rectifiers" Electronics 9, no. 2: 309. https://doi.org/10.3390/electronics9020309
APA StyleDeng, J., Cheng, H., Wang, C., Wu, S., & Si, M. (2020). Evaluation and Comprehensive Comparison of H-Bridge-Based Bidirectional Rectifier and Unidirectional Rectifiers. Electronics, 9(2), 309. https://doi.org/10.3390/electronics9020309
