Next Article in Journal
Stator Inductance Identification Based on Low-Speed Tests for Three-Level NPC Inverter-Fed Induction Motor Drives
Next Article in Special Issue
HEAP: A Holistic Error Assessment Framework for Multiple Approximations Using Probabilistic Graphical Models
Previous Article in Journal
A Novel Intrusion Detection Model Using a Fusion of Network and Device States for Communication-Based Train Control Systems
Previous Article in Special Issue
Using Approximate Computing and Selective Hardening for the Reduction of Overheads in the Design of Radiation-Induced Fault-Tolerant Systems
 
 
Font Type:
Arial Georgia Verdana
Font Size:
Aa Aa Aa
Line Spacing:
Column Width:
Background:
Article

FPGA-Based Hardware Matrix Inversion Architecture Using Hybrid Piecewise Polynomial Approximation Systolic Cells

by
Javier Vázquez-Castillo
1,
Alejandro Castillo-Atoche
2,
Roberto Carrasco-Alvarez
3,*,
Omar Longoria-Gandara
4 and
Jaime Ortegón-Aguilar
1
1
Department of Engineering, University of Quintana Roo, Chetumal 77019, Mexico
2
Department of Mechatronics, Autonomous University of Yucatán, Mérida 97203, Mexico
3
Department of Electronics, University of Guadalajara, Guadalajara 44430, Mexico
4
Department of Electronics, Systems and IT, Western Institute of Technology and Higher Education, Tlaquepaque 45604, Mexico
*
Author to whom correspondence should be addressed.
Electronics 2020, 9(1), 182; https://doi.org/10.3390/electronics9010182
Submission received: 2 September 2019 / Revised: 18 November 2019 / Accepted: 20 November 2019 / Published: 18 January 2020

Abstract

The hardware of the matrix inversion architecture using QR decomposition with Givens Rotations (GR) and a back substitution (BS) block is required for many signal processing algorithms. However, the hardware of the GR algorithm requires the implementation of complex operations, such as the reciprocal square root (RSR), which is typically implemented using LookUp Table (LUT) and COordinate Rotation DIgital Computer (CORDICs), among others, conveying to either high-area consumption or low throughput. This paper introduces an Field-Programmable Gate Array (FPGA)-based full matrix inversion architecture using hybrid piecewise polynomial approximation systolic cells. In the design, a hybrid segmentation technique was incorporated for the implementation of piecewise polynomial systolic cells. This hybrid approach is composed by an external and internal segmentation, where the first is nonuniform and the second is uniform, fitting the curve shape of the complex functions achieving a better signal-quantization-to noise-ratio; furthermore, it improves the time performance and area resources. Experimental results reveal a well-balanced improvement in the design achieving high throughput and, hence, less resource utilization in comparison to state-of-the-art FPGA-based architectures. In our study, the proposed design achieves 7.51 Mega-Matrices per second for performing 4 × 4 matrix operations with a latency of 12 clock cycles; meanwhile, the hardware design requires only 1474 slice registers, 1458 LUTs in an FPGA Virtex-5 XC5VLX220T, and 1474 slice registers and 1378 LUTs when a FPGA Virtex-6 XC6VLX240T is used.

1. Introduction

Matrix inversion is one of the most useful operations used in many signal processing algorithms (SPA), where the efficient computation and accuracy of this operation are required. Important areas such as image recovery, phased-array radar and sonar, wireless communication, control applications, and others [1] require the efficient computations of the matrix inversion in real time, specifically in Hardware (HW) implementations of wireless communication for designing multiple-input multiple-output (MIMO) systems [2,3], in multiplicative noise generators using autoregressive modeling [4], and more generally in the implementation of generic linear algebra architectures [5].
Givens rotation (GR) is considered in this paper for implementing the QR decomposition (QRD) due to its stability and accuracy [6,7], and at the same time, the GR technique allows a rapid prototyping implementation on a parallel and pipelined systolic array structure. However, the HW design of the standard GR requires the implementation of complex operations, such as square root (SR) and its reciprocal (reciprocal square root (RSR)). In this sense, recent studies reported in References [8,9,10,11] have been tackling this issue, incorporating lookup tables (LUT) and CORDIC (coordinate rotation digital computer [12]) in order to compute the SR and RSR of the GR structure.
LUT-based designs are easy to implement, but the increase in memory is directly proportional to the accuracy required by the HW architecture. The memory size could increase, even to several megabytes, depending on the unit last place (ulp) value or according to a specific signal-to-quantization-noise ratio (SQNR). On the other hand, CORDIC implementations have proved its efficiency for computing complex operations such as SR, RSR, number division, sine, and cosine, among others [12]. However, the accuracy of CORDIC implementation depends on the number of algorithm’s iterations [13].
Specific fixed-point implementations of SR and RSR have been presented in References [14,15] and can be used to improve the performance of the QRD hardware. However, such proposals are based on iterative algorithms using several clock cycles for converging to the final result and require significant HW resources as was discussed in References [16,17].
In this paper, a full matrix inversion architecture is designed. In the FPGA design, a hybrid segmentation method is incorporated for the implementation of complex arithmetic functions in combination with systolic and piecewise polynomial approximation (PPA) techniques. The resulting hybrid PPA-systolic cells are integrated in the QRD and back-substitution modules. The developed architecture demonstrates a better signal-quantization-to-noise ratio (SQNR), less execution time, and a reduction in the area resources in comparison with state-of-the-art hardware architectures.
Although, recent publications of matrix inversion architectures and complex arithmetic operations are in the current state-of-the-art literature, many of these works have been focused in the design of LUT, CORDICs, or iterative techniques [18,19,20]. Other approaches have considered parallel hardware implementations. For example, a parallel structure with inter-vector connectivity was implemented in Reference [21], with an improvement in the time performance; however, the design is high in the amount of area resources. Other studies, such as References [19,22], have focused on the implementation with piecewise polynomial approximations or systolic arrays, but in these studies, the designs present contributions only in time or area performance.
The rest of the paper is organized as follows: Section 2 reviews the background of matrix inversion by QR decomposition using Givens rotations. Section 3 presents a parallel matrix inversion architecture using hybrid piecewise polynomial approximation systolic cells. Section 4 analyzes the implementation results and, then, compares the hardware performance with the state-of-the-art designs on FPGAs. Section 5 presents a performance analysis discussion. Finally, Section 6 presents the concluding remarks.

2. Matrix Inversion by QR Decomposition

The matrix inverse procedure is based on QRD and back-subtitution, which are introduced in the following subsections.

2.1. QRD Procedure

Let us consider a matrix A m × n for m n ; hence, the QRD can be expressed as A = QR , where Q is an m × m orthogonal matrix, such that QQ T = I ( I is the identity matrix) and R is the m × n upper triangular matrix. A technique for computing the matrix Q and R is by means of GR, which has a computational complexity of O ( 3 n 2 ( m n / 3 ) ) .
The QRD consists of finding a matrix R and, subsequently, of pre-multiplying the matrix A by several GR matrices, which are defined as G ( i , j , θ ) , where the entries ( i , i ) and ( j , j ) of matrix G are equal to c = cos ( θ ) , the entry ( i , j ) is equal to s = sin ( θ ) , and the entry ( j , i ) is equal to s . It is important to note that the parameters ( i , j ) are fixed according to the corresponding rows of matrix A for being rotated. On the other hand, θ is the degrees to be rotated. Therefore, the QRD procedure consists of finding the GR matrices G 1 , G 2 , , G i such as G 1 T × G 2 T , , G i T A is a triangular upper matrix. Since the GR matrices are orthogonal, the multiplication of multiple Givens matrices is also orthogonal; hence, G 1 T × G 2 T , , G i T A = Q T A = R .
In order to carry out the QRD hardware implementation, consider the following nomenclature: R i , j is the element allocated in row i and column j of matrix R and R ( α 1 : α 2 , β 1 : β 2 ) is a sub-matrix of R that contains all the elements corresponding to the rows from α 1 to α 2 and the columns from β 1 to β 2 , respectively. Matrix G r is defined as follows:
G r = cos ( θ ) sin ( θ ) sin ( θ ) cos ( θ ) = c s s c ,
where c 2 + s 2 = 1 , and thus, the QRD can be implemented following Algorithm 1 as presented in p. 252 in Reference [23].
Algorithm 1 QRD algorithm.
1:
Parameter initialization: R = A
2:
Begin of the QRD algorithm
3:
for loop j = 1 : 1 : n 1 do
4:
    for loop i = m : 1 : j + 1 do
5:
        To compute:
6:
         r = R i 1 , j 2 + R i , j 2
7:
         G r for c = R i 1 , j r and s = R i , j r
8:
         R ( i 1 : i , j : n ) = G r T R ( i 1 : i , j : n )

2.2. Back-Substitution and Matrix Inverse Procedures

Once the matrix R is computed using Algorithm 1, it is necessary to calculate R 1 via the back-substitution algorithm as R R 1 = I , where each of the matrices can be represented as follows:
r 1 , 1 r 1 , 2 r 1 , m 0 r 2 , 2 r 2 , m 0 0 r m , m r i n v 1 , 1 r i n v 1 , 2 r i n v 1 , m 0 r i n v 2 , 2 r i n v 2 , m 0 0 r i n v m , m = 1 0 0 0 1 0 0 0 1 .
Thus, using Equation (Section 2.2), it is possible to write a system of linear equations as follows:
r m , m · r i n v m , m = 1 r m 1 , m 1 · r i n v m 1 , m + r m 1 , m · r i n v m , m = 0 r 1 , 1 · r i n v 1 , m + r 1 , 2 · r i n v 2 , m + + r 1 , m · r i n v m , m = 0
As can be seen, the first element of Equation (3) is computed directly as follows:
r j , j · r i n v j , j = 1 ; 1 j m , r i n v j , j = 1 r j j ,
Also, substituting the value of r i n v j , j in the second row of Equation (3) obtains r i n v m 1 , m . This procedure is repeated until the entire system is solved in a back substitution fashion. Hence, once the inverse matrix R 1 is obtained, it is possible to compute A 1 = R 1 Q T = R 1 ( R 1 ) T A T .
Having analyzed the QRD Algorithm 1, it can be observed that the RSR operation is a crucial part of the computations of this algorithm. In this sense, a hybrid PPA technique is presented in the following subsection, which permits to improve the accuracy of the proposed hardware matrix inversion architecture.

2.3. Evaluation of RSR Using Hybrid PPA Technique

The PPA technique is efficiently applied to evaluate the RSR function. Compared with uniformly sized segments, the inclusion of a hybrid segmentation technique (conformed by an external and internal segmentation, where the first is nonuniform and the second is uniform) is capable of reducing the number of segments which significantly reduces the hardware resources [24].
It is remarked that this paper employs a hybrid segmentation, which is composed via the combination of the uniform and nonuniform segmentation techniques. First, the RSR function is divided by using a nonuniform segmentation technique (providing the external segments), and after that, each of such segments is divided by using a uniform segmentation (providing the internal segments).
The advantage of the hybrid segmentation over basic segmentation methods consists in the reduction of the employed segments while the signal-quantization-to-noise ratio remains. The proposed methodology is the following: In a first level, an external segmentation is applied to divide the arithmetic function in a specific interval with nonuniformity by the power of two. Then, in a second segmentation level, each segment is uniformly divided into a number of subintervals providing a better distribution in all curvature regions.
The following design constraints are necessary to be considered: (1) range reduction strategy, i.e., for a given function f ( x ) for a x < b , transforms into a new function H ( z ) = W ( f ( x ) ) for 0 z < 1 , as proposed in Equation (4) in [16]; (2) segmentation method uses the hybrid PPA technique; and (3) bit-width optimization identifies the required number of bits of each fixed-point operand in the data path in order to guarantee a desired SQNR.
As an example, Figure 1 presents a hybrid segmentation of the RSR function. It can be noted that the external segmentation is nonuniform and carried out by dividing z by the power of two, i.e., the limits of the segments are located in z = { 1 / 2 , 1 / 4 , 1 / 8 , } , which are represented in the plot of the figure as black boxes. Meanwhile, the internal segmentation is applied by dividing the external segments into uniform segments (limits plotted as red circles).
In the design process, an SQNR analysis is applied to determine the bit word-length as well as the number of internal and external segments in order to achieve the SQNR specification.

2.4. QRD Implementation Using Systolic Arrays

Once the QRD and back-substitution operations are analyzed based on the hybrid nonuniform segmentation, the PPA cells are integrated in a systolic array design.
The systolic design is implemented via advanced loop transformations, such as space–time mapping. This methodology improves the throughput while the hardware resources is reduced.
In a first stage, a parallelism and locality analysis of the QRD and back-substitution algorithms are determined with a Dependence Graph (DG) [25]. In this study, the DG is represented as Λ = [ Ξ Υ ] , where Ξ represents a set of nodes and Υ represents a set of arcs (see Figure 2). Each arc ζ Υ connects the corresponding pair of nodes υ 1 , υ 2 Ξ , i.e, ζ = υ 1 ζ υ 2 , and a linearly bounded lattice denotes an index space of the form I = { I Z n | I = Mk + c Ak b } , where k Z l , M Z n × l , c Z n , A Z m × l and b Z m .
k Z l | Ak b defines an integral convex polyhedron or, in the case of boundedness, a polytope in Z l . Here, matrix M is considered to be square and of full rank. Then, each vector k is uniquely mapped into a new index point.
Therefore, a linear transformation t p = Π Σ i j , is used as space–time mapping in order to assign a processor index p Z n 1 (space) and a sequencing index t Z (time) to index vectors I I , where Π Z n × 1 and Σ Z ( n 1 ) × n represent the scheduling and allocation, respectively, that are essential for systolic implementations.
The allocation and scheduling functions must satisfy the well-known causality constrain Σ · u 0 , ( u i , u j ) , where u is a projection vector of the dependence graph, guaranteeing that no more than two index points are simultaneously assigned to a processing element [26].

3. Architecture and Hardware Implementation

This section explains the FPGA-based architecture of the high-throughput matrix inversion implementation. The novelty of this design consists in rearranging the traditional 2D systolic array architecture of Figure 2, incorporating hybrid PPA-systolic cells instead of iterative or LUT methods.
The boundary and internal cells ( B s and I s, respectively) are designed to obtain R , and the back-substitution cells ( S s) compute the R 1 matrix through the back-substitution algorithm. This design improves the results of the previous study reported in Reference [27], incorporating in the design a hybrid segmentation in PPA-systolic cells and guarantying an accurate fixed-point evaluation by measuring SQNR, high-throughput design, and a resource area improvement in FPGA devices. The matrix inversion architecture adapts the back substitution, Givens Generation (GG), Givens Rotation (GR), and the QRD 2D systolic array with the whole matrix inversion system.
As previously developed by Reference [25], the target polytope model of QRD is represented as follows:
A Π Σ 1 y b ,
where matrix A is the input data and y = [ t p 1 p 2 ] T is the new space–time coordinate.
Considering Π Σ 1 = 1 1 2 0 1 0 0 0 1 , the target polytope of Equation (5) is computed using the Fourier Motzking method as follows:
1 1 2 0 1 1 0 0 1 1 1 1 0 1 0 0 0 1 t p 1 p 2 M 1 0 0 1 N 1 N 1 ,
where N and M are the boundaries of the loop program of the Algorithm 1. In this study, the Fourier–Motzkin method is used to solve Equation (6) [26]. This method is a linear programming algorithm that permits to solve a system of inequalities. If the system has a feasible solution, it permits iteratively to eliminate the dependence of variables until it is solved for one variable; then, using back substitution, the rest of the variables are found. It is possible to think that this method is the equivalent of the Gaussian method but for a system of inequalities.
The linear inequalities of the target polytope are solved by achieving a new time-processor index domain used to generate the scheduling control signals of the processing elements.
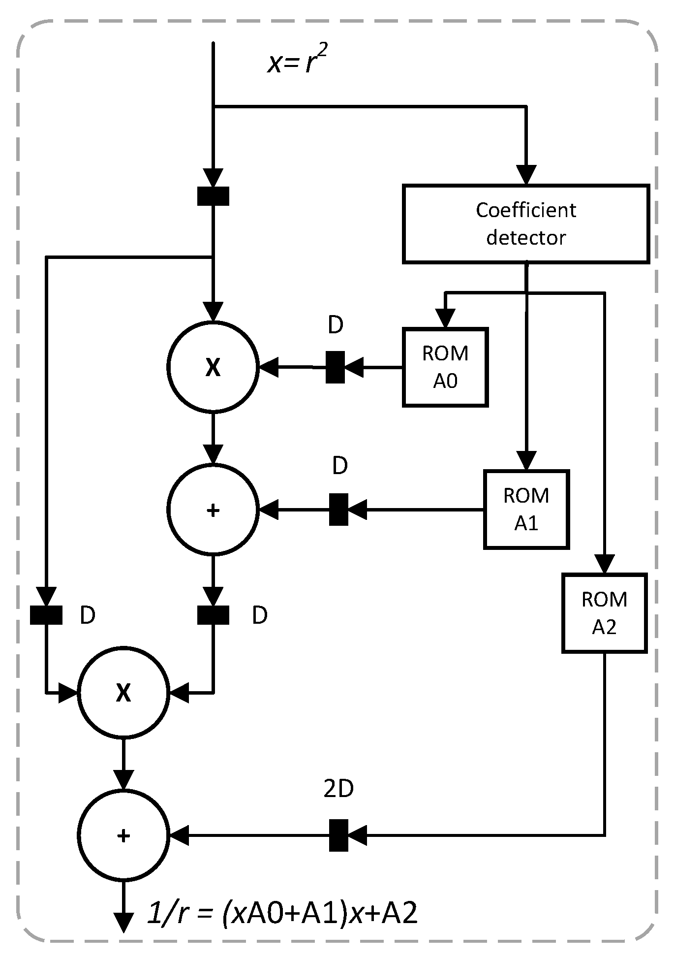
The architecture of the GG boundary block is developed with another systolic array design based on the hybrid PPA technique. This hardware architecture is shown in Figure 3, and it is implemented considering the following parameters: a word-length precision of 16-bit fixed-point operations for signed numbers in two complement format, 30 segments conformed by 3 internal segments for each 10 external segments, and d = 2 degree polynomials.
It is important to mention that a higher number of external segments (nonuniform segmentation) leads to a better representation of the RSR when z approach to zero; however, it is conveyed in an increment in the word length. On the other hand, an increment in the number of internal segments leads to a decrement of the error approximation of the function but with the penalty of increasing the number of polynomials to be considered and, consequently, an increment in usage of LUT, Digital Signal Processing (DSP) blocks, and latency. Thus, in this paper, the number of external and internal segments were selected through a trial-and-error process for assurance of at least 80 dB of SQNR while the number of LUT and DSP blocks is not increased significantly.
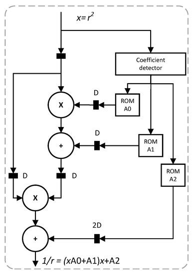
The GG processor block contains the hybrid PPA-systolic cell for the RSR operation, as illustrated in Figure 4. The hardware of the hybrid PPA-systolic cell is implemented with a pipelined systolic design composed of a buffer memory block, which stores the coefficients of each 30 segments of the RSR curve labeled as Read Memory Only (ROM) A0, A1, and A2; a decoder, or coefficient detector, used to identify the interval where the input value belongs; and the fixed-point arithmetic operations of the systolic degree-2 PPA-cell, which evaluates the input value (considering a range reduction of [ 0 , 1 ) ) with the polynomial coefficients. This block computes the RSR operation in only one clock cycle.
A comparative approximation error of the GR hybrid piecewise polynomial approximation systolic cell is presented in Figure 5. The figure shows a maximum absolute error of 1.2 × 10 3 in the RSR curve achieving an SQNR equal to 88.37 dBs and improving the 54 dBs reported in Reference [27] for the RSR block. This experiment compares the accuracy of the RSR curve between the continuous floating-point Matlab function (labeled as floating-point approximation, black line) and the proposed fixed-point systolic array architecture (labeled as fixed-point approximation, dotted gray line). As can be seen, the curves overlap perfectly thanks to the SQNR achieved; however, the maximum error and SQNR can be improved if the number of segments in the PPA-systolic cell is increased [19].
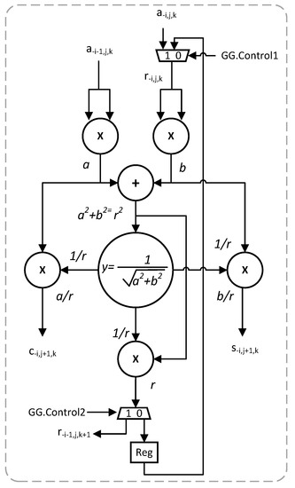
In this regard, the output of the GG processing block is synchronized to generate the rotation angle transmitted along the GR processing elements of the general 2D QRD systolic array architecture. All values of triangular matrix R are computed, and matrix Q T is also updated with new rotated elements ( B s). The last step is the back-substitution processing nodes ( S s).
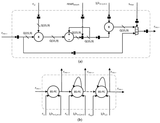
Matrix R 1 is obtained by using the back-substitution cells as illustrated in Figure 2, where the algorithm operations by column are associated to Equations (3) and (4). The architecture proposed for this important block is shown in Figure 6. The variable r i n v i , m in r i i r i n v i , m is computed by dividing by r i i . Note that the 1 / r i i element is obtained in the GG block of the QR architecture, as shown in Figure 3. After that, the results are passed to the next processing elements in order to implement R 1 .

4. Implementation Results and Performance

The results and performance analysis of the matrix inversion architecture are presented in this section. The proposed approach is designed using Verilog-HDL and synthesized using the Integrated Software Environment (ISETM) WebPACKTM 14.7 of the Xilinx XST tool. It is important to note that our architecture computes not only a QR decomposition but also a complete matrix inversion.
Table 1 summarizes the hardware (HW) implementation results on contemporary Virtex-5 XC5VLX220T and Virtex-6 XC6VLX240T FPGAs, analyzing the scalability of the proposed architecture in terms of hardware resources for different matrix sizes. As can be seen, the number of slice registers and slice LUTs are balanced with the DSP48E resources in order to allocate the designed architecture in the FPGA. According to References [28,29], a FPGA-based hardware matrix inversion can be implemented using only slice registers or with DSP blocks. However, the design using only slice registers requires more than three times the number of resources than the one utilizing both FPGA slice registers and DSP blocks [28]. Also, the area and speed penalty of using only slice registers to implement the design instead of DSP blocks is high. Hence, such dedicated FPGA resources are used for area-efficient and high-performance designs. In this study, an area and accuracy trade-off is explored in the FPGA design by considering the “Optimize Instantiated Primitives Synthesis” option in the Xilinx tool (balanced mode).
On the other hand, the resulting SQNR of the complete matrix invertion architecture is 58 dB, configured with a data precisions of 16 bits. This SQNR performance could be improved if the number of bits in the word length of the architecture is increased. Likewise, the total execution time for performing the matrix inversion operation of a 4 × 4 matrix using the proposed architecture is equal to 284 ns, with a latency of 171.4 ns (12 clock cycles, 7 cycles for computing the QRD and 5 cycles for computing the back-substitution algorithm) and a throughput equal to 5.83 Mega-Matrices per second (MM/s). Likewise, a maximum clock frequency of 70 MHz (clock period of 14.2 ns) is achieved when the proposed architecture is synthesized using Virtex-5. For the case of a Virtex-6 FPGA, the maximum clock frequency achieved is 90 MHz ( 11.1 ns of clock period) with a latency of 133 ns and a throughput equal to 7.51 MM/s.
In order to make a fair comparison of the performance of our proposal with respect to state-of-the-art QRD and matrix inversion architectures, a 4 × 4 matrix dimension is considered using a 16-bit word length precision. Table 2 shows the comparative analysis results. As can be seen, the proposed matrix inversion design based on PPA systolic cells takes less hardware resources in slice registers and LUTs with respect to state-of-the-art architectures: 1474 slice registers and 1458 LUTs when a Virtex-5 FPGA is used and 1474 slice registers and 1378 LUTs when a Virtex-6 FPGA is considered. Also, in Table 2 can be observed the well-balanced performance of the latency parameter when it is compared with the state-of-the-art architectures, e.g., the proposed matrix inversion architecture based on PPA systolic cells is 5 times faster than the CORDIC-based architecture reported in Reference [8] and it is close to up to two times faster than the CORDIC-based architecture reported in Reference [9] considering a 90 MHz clock frequency. Likewise, the reached SQNR allows to implement the architecture with only 16-bit word length precision and to decrease the area resources as slice register, slice LUTs, and DSP48 elements, which improve the resource utilization reported in Reference [27].
On the other hand, it is important to note that the whole execution time of the presented approach only takes 12 clock cycles for computing the 4 × 4 matrix inversion. This characteristic makes the proposed architecture based on hybrid PPA techniques small in latency when it is compared with other designs based on CORDICs and LUTs.

Evaluation of the Matrix Inversion Design

In this subsection, the matrix inversion is evaluated using the hardware/software codesign technique. In the experiment, a matrix inversion architecture is integrated as a coprocessor with a Cortex-A9 ARM processor of 650 Mhz in the ZYBO ZYNQ XC7Z010-1CLG400C platform. Figure 7 illustrates the hardware/software codesign approach of the ARM processor and our matrix inversion architecture.
Considering a 4 × 4 matrix as input of the hardware/software (HW/SW) codesign, the ARM processor transmits the matrix data to the coprocessor and receives the solution of the matrix inversion. In this analysis, the time performance was carried out as follows:
t i n v = t A X I + t Q R D + t B S ,
where t i n v is the total time for the matrix inversion operation, t A X I is the time intercommunication between the ARM and FPGA device, t Q R D is the time processing of the QRD using PPA systolic cells, and t B S is the processing time of the back-substitution implementation.
The resulting performance for the implementation is t A X I equal to 0.3369 ms, t Q R D = 0.15 ms, and t B S = 0.17 ms. Therefore, the total time of the parallel matrix inversion is 0.6569 ms. In order to compare this result, the sequential implementation of the same operation, with only the ARM processor, was employed achieving 5.0492 ms, which represents a speed up of 7.6864.

5. Performance Analysis Discussion

As mentioned in Section 1, hardware implementations based on CORDIC strategies need to carry out several algorithm iterations for converging to the desired results in order to improve the result accuracy; however, these iterations impact in latency metric (cycles and time), as can be seen in Table 2, even when high frequency operations are achieved by the state-of-the-art QRD hardwares. Likewise, the CORDIC-based architectures increase the number of slice registers and slice LUTs. On the other hand, our proposed architecture decreases the number of slice registers, slice LUTs, and latency cycles in the design. It only takes a latency of 7 clock cycles for carrying out the QRD and 5 clock cycles for computing the back-substitution algorithms, which is equivalent to 100 ns and 71.4 ns for a frequency operation of 70 MHz and 77.7 ns and 55.5 ns for a frequency operation of 90 MHz, respectively. As can be observed in Table 2, our proposed matrix inversion architecture is the fastest architecture, which improves the time performances reported in the open literature. However, these outstanding advantages are paid by increasing the number of DSP48 elements in the architecture, which can be balanced by implementing them via slice registers and slice LUTs along the synthesis process or by using other design strategies in order to reduce the number of DSP48 elements [30]. Finally, the proposed matrix inversion architecture in this paper offers a well-balanced improvement in the design, achieving high throughput and less hardware resource utilization in comparison of state-of-the-art FPGA-based architectures.

6. Conclusions

In this paper, a new design of a hardware matrix inversion architecture was presented. The proposal is based on the QR matrix decomposition and the back-substitution algorithm, which are implemented using a systolic hardware architecture that requires the RSR operation computed by a hybrid piecewise polynomial approximation. The results show that the hardware resources and the time execution are significantly reduced in comparison with the proposals that employ CORDICs and LUTs. In particular, the experimental results for Virtex-6 technology pointed out that the proposal has the capacity to compute 7.51 MM/s when 4 × 4 matrices are processed using 12 clock cycles for the complete matrix inversion operation. Moreover, the SQNR achieved is 58 dB with 16 bit word length. Under this perspective, the authors consider that this proposal of a fast hardware architecture for the matrix inversion can be used as a coprocessor in a hardware and software codesign paradigm for many applications like receivers in MIMO space–time communications and matrix signal processing applications, where efficient and real-time computations are required.

Author Contributions

Conceptualization, J.V.-C., A.C.-A., R.C.-A., O.L.-G.; Formal analysis, R.C.-A., J.V.-C., O.L.-G.; Investigation, O.L.-G., J.O.-A.; Methodology, R.C.-A., J.V.-C., O.L.-G., A.C.-A.; Project administration, J.V.-C., R.C.-A.; Validation, O.L.-G., J.O.-A.; Writing—original draft, J.V.-C., R.C.-A., A.C.-A., O.L.-G., J.O.-A.; Writing—review and editing, J.V.-C., R.C.-A., A.C.-A., O.L.-G., J.O.-A. All authors have read and agreed to the published version of the manuscript.

Funding

This work was financed by the Mexican Ministry of Education (SEP-PRODEP-2019) and by the Mexican Council for Science and Technology (CONACYT) through the SEP-CONACYT Basic Research Program: Project reference #241272.

Conflicts of Interest

The authors declare no conflict of interest.

References

  1. Castillo-Atoche, A.; Torres-Roman, D.; Shkvarko, Y. Towards real time implementation of reconstructive signal processing algorithms using systolic arrays coprocessors. J. Syst. Archit. 2010, 56, 327–339. [Google Scholar] [CrossRef]
  2. Liu, C.; Xing, Z.; Yuan, L.; Tang, C.; Zhang, Y. A Novel Architecture to Eliminate Bottlenecks in a Parallel Tiled QRD Algorithm for Future MIMO Systems. IEEE Trans. Circuits Syst. II Express Briefs 2017, 64, 26–30. [Google Scholar] [CrossRef]
  3. Chen, W.; Li, F.; Peng, Y. 3D-MIMO Channel Estimation under Non-Gaussian Noise with Unknown PDF. Electronics 2019, 8, 316. [Google Scholar] [CrossRef]
  4. Alwan, N.A. Systolic parallel architecture for brute-force autoregressive signal modeling. Comput. Electr. Eng. 2013, 39, 1358–1366. [Google Scholar] [CrossRef]
  5. Skalicky, S.; Lopez, S.; Lukowiak, M. Performance modeling of pipelined linear algebra architectures on FPGAs. Comput. Electr. Eng. 2014, 40, 1015–1027. [Google Scholar] [CrossRef]
  6. Datta, B.N. Numerical Methods for Linear Control Systems: Design and Analysis; Elsevier: Amsterdam, The Netherlands, 2004. [Google Scholar]
  7. Higham, N.J. Accuracy and Stability of Numerical Algorithms, 2nd ed.; Society for Industrial and Applied Mathematics: Philadelphia, PA, USA, 2002. [Google Scholar]
  8. Aslan, S.; Niu, S.; Saniie, J. FPGA implementation of fast QR decomposition based on givens rotation. In Proceedings of the 2012 IEEE 55th International Midwest Symposium on Circuits and Systems (MWSCAS), Boise, ID, USA, 5–8 August 2012; pp. 470–473. [Google Scholar]
  9. Muñoz, S.D.; Hormigo, J. High-Throughput FPGA Implementation of QR Decomposition. IEEE Trans. Circuits Syst. II Express Briefs 2015, 62, 861–865. [Google Scholar] [CrossRef]
  10. Abels, M.; Wiegand, T.; Paul, S. Efficient FPGA implementation of a high throughput systolic array QR-decomposition algorithm. In Proceedings of the 2011 Conference Record of the Forty Fifth Asilomar Conference on Signals, Systems and Computers, Pacific Grove, CA, USA, 6–9 November 2011; pp. 904–908. [Google Scholar]
  11. Chen, D.; Sima, M. Fixed-Point CORDIC-Based QR Decomposition by Givens Rotations on FPGA. In Proceedings of the 2011 International Conference on Reconfigurable Computing and FPGAs, Cancun, Mexico, 30 November–2 December 2011; pp. 327–332. [Google Scholar]
  12. Bag, J.; Roy, S.; Dutta, P.K.; Sarkar, S.K. Design of a DPSK Modem Using CORDIC Algorithm and Its FPGA Implementation. IETE J. Res. 2014, 60, 355–363. [Google Scholar] [CrossRef]
  13. Chervyakov, N.; Lyakhov, P.; Babenko, M.; Nazarov, A.; Deryabin, M.; Lavrinenko, I.; Lavrinenko, A. A High-Speed Division Algorithm for Modular Numbers Based on the Chinese Remainder Theorem with Fractions and Its Hardware Implementation. Electronics 2019, 8, 261. [Google Scholar] [CrossRef]
  14. Auger, F.; Lou, Z.; Feuvrie, B.; Li, F. Multiplier-Free Divide, Square Root, and Log Algorithms [DSP Tips and Tricks]. IEEE Signal Process. Mag. 2011, 28, 122–126. [Google Scholar] [CrossRef]
  15. Mahapatra, C.; Mahboob, S.; Leung, V.C.M.; Stouraitis, T. Fast Inverse Square Root Based Matrix Inverse for MIMO-LTE Systems. In Proceedings of the 2012 International Conference on Control Engineering and Communication Technology, Liaoning, China, 7–9 December 2012; pp. 321–324. [Google Scholar]
  16. Pizano-Escalante, L.; Parra-Michel, R.; Castillo, J.V.; Longoria-Gandara, O. Fast bit-accurate reciprocal square root. Microprocess. Microsystems 2015, 39, 74–82. [Google Scholar] [CrossRef]
  17. Aguilera-Galicia, C.R.; Longoria-Gandara, O.; Pizano-Escalante, L.; Vázquez-Castillo, J.; Salim-Maza, M. On-chip implementation of a low-latency bit-accurate reciprocal square root unit. Integration 2018, 63, 9–17. [Google Scholar] [CrossRef]
  18. Zhang, C.; Liang, X.; Wu, Z.; Wang, F.; Zhang, S.; Zhang, Z.; You, X. On the Low-Complexity, Hardware-Friendly Tridiagonal Matrix Inversion for Correlated Massive MIMO Systems. IEEE Trans. Veh. Technol. 2019, 68, 6272–6285. [Google Scholar] [CrossRef]
  19. Trejo-Arellano, J.; Vázquez Castillo, J.; Longoria-Gandara, O.; Carrasco-Alvarez, R.; Gutiérrez, C.; Castillo Atoche, A. Adaptive segmentation methodology for hardware function evaluators. Comput. Electr. Eng. 2018, 69, 194–211. [Google Scholar] [CrossRef]
  20. Kim, S.; Yun, U.; Jang, J.; Seo, G.; Kang, J.; Lee, H.N.; Lee, M. Reduced Computational Complexity Orthogonal Matching Pursuit Using a Novel Partitioned Inversion Technique for Compressive Sensing. Electronics 2018, 7, 206. [Google Scholar] [CrossRef]
  21. Langhammer, M.; Pasca, B. High-Performance QR Decomposition for FPGAs. In Proceedings of the 2018 ACM/SIGDA International Symposium on Field-Programmable Gate Arrays, Monterey, CA, USA, 25–27 February 2018; pp. 183–188. [Google Scholar]
  22. Ellaithy, D.M.; El-Moursy, M.A.; Zaki, A.; Zekry, A. Dual-Channel Multiplier for Piecewise-Polynomial Function Evaluation for Low-Power 3-D Graphics. IEEE Trans. Very Large Scale Integr. (VLSI) Syst. 2019, 27, 790–798. [Google Scholar] [CrossRef]
  23. Golub, G.; Van Loan, C. Matrix Computations; Johns Hopkins University Press: Baltimore, MD, USA, 2012. [Google Scholar]
  24. Lee, D.U.; Cheung, R.; Luk, W.; Villasenor, J. Hierarchical Segmentation for Hardware Function Evaluation. IEEE Trans. Very Large Scale Integr. (VLSI) Syst. 2009, 17, 103–116. [Google Scholar] [CrossRef]
  25. Kung, S.Y. VLSI Array Processors; Prentice Hall: Upper Saddle River, NJ, USA, 1988. [Google Scholar]
  26. Parhi, K.K. VLSI Digital Signal Processing Systems: Design and Implementation, 1st ed.; Wiley-Interscience: Hoboken, NJ, USA, 1999. [Google Scholar]
  27. Canche Santos, L.; Castillo Atoche, A.; Vázquez Castillo, J.; Longoria-Gándara, O.; Carrasco Alvarez, R.; Ortegon Aguilar, J. An improved hardware design for matrix inverse based on systolic array QR decomposition and piecewise polynomial approximation. In Proceedings of the 2015 International Conference on ReConFigurable Computing and FPGAs (ReConFig), Mexico City, Mexico, 7–9 December 2015; pp. 1–6. [Google Scholar]
  28. Cheung, R.; Lee, D.U.; Luk, W.; Villasenor, J.D. Hardware Generation of Arbitrary Random Number Distributions From Uniform Distributions Via the Inversion Method. IEEE Trans. Very Large Scale Integr. (VLSI) Syst. 2007, 15, 952–962. [Google Scholar] [CrossRef]
  29. Alimohammad, A.; Fard, S.F.; Cockburn, B.F. A Unified Architecture for the Accurate and High-Throughput Implementation of Six Key Elementary Functions. IEEE Trans. Comput. 2010, 59, 449–456. [Google Scholar] [CrossRef]
  30. Pushpangadan, R.; Sukumaran, V.; Innocent, R.; Sasikumar, D.; Sundar, V. High Speed Vedic Multiplier for Digital Signal Processors. IETE J. Res. 2009, 55, 282–286. [Google Scholar] [CrossRef]
Figure 1. Hybrid segmentation methodology for piecewise polynomial approximation (PPA) techniques.
Figure 1. Hybrid segmentation methodology for piecewise polynomial approximation (PPA) techniques.
Electronics 09 00182 g001
Figure 2. Two-dimensional systolic array architecture for QR decomposition and back-substitution algorithm.
Figure 2. Two-dimensional systolic array architecture for QR decomposition and back-substitution algorithm.
Electronics 09 00182 g002
Figure 3. Architecture of Givens Generation (GG) block.
Figure 3. Architecture of Givens Generation (GG) block.
Electronics 09 00182 g003
Figure 4. Givens Rotation (GR) systolic architecture based on hybrid PPA techniques.
Figure 4. Givens Rotation (GR) systolic architecture based on hybrid PPA techniques.
Electronics 09 00182 g004
Figure 5. Comparative error of the GR systolic architecture.
Figure 5. Comparative error of the GR systolic architecture.
Electronics 09 00182 g005
Figure 6. Back substitution architecture: (a) General architecture, (b) Processor element internal architecture (BS-PE).
Figure 6. Back substitution architecture: (a) General architecture, (b) Processor element internal architecture (BS-PE).
Electronics 09 00182 g006
Figure 7. HW/SW codesign with the matrix inversion as the coprocessor unit.
Figure 7. HW/SW codesign with the matrix inversion as the coprocessor unit.
Electronics 09 00182 g007
Table 1. Scalability of the matrix inversion architecture using different size matrices and Virtex FPGAs.
Table 1. Scalability of the matrix inversion architecture using different size matrices and Virtex FPGAs.
Size Matrix 4 × 4 6 × 6 8 × 8 10 × 10 Available
Virtex-5 XC5VLX220T FPGA
Slice Reg.1474290147887135138240
Slice LUTs145830092490455060138240
DSP48Es52102112115128
Virtex-6 XC6VLX240T FPGA
Slice Reg.1474290147887135301440
Slice LUTs1378280547247135150720
DSP48Es52102168250768
Table 2. Resource utilization for 4 × 4 matrix computations.
Table 2. Resource utilization for 4 × 4 matrix computations.
Work[8][9][10][11][27]Proposed
OperationQRDQRDQRDQRDMatrix InversionMatrix Inversion
Virtex Family5645556
Word length (bits)162416182416
Max Freq. (MHz)246398144111707090
Throughput (MM/s) 1.363.682.821.385.835.837.51
Slice Registers16929604658917811198614741474
Slice LUTs10899622098102609870514581378
DSP48Es282441-10052
Latency (cycles)18010851801212
Latency ( n s )731271354720171171133
Throughput (MM/s) = 1/(Latency ( n s )). 7 cycles for computing the QRD and 5 cycles for computing the back-substitution algorithms.

Share and Cite

MDPI and ACS Style

Vázquez-Castillo, J.; Castillo-Atoche, A.; Carrasco-Alvarez, R.; Longoria-Gandara, O.; Ortegón-Aguilar, J. FPGA-Based Hardware Matrix Inversion Architecture Using Hybrid Piecewise Polynomial Approximation Systolic Cells. Electronics 2020, 9, 182. https://doi.org/10.3390/electronics9010182

AMA Style

Vázquez-Castillo J, Castillo-Atoche A, Carrasco-Alvarez R, Longoria-Gandara O, Ortegón-Aguilar J. FPGA-Based Hardware Matrix Inversion Architecture Using Hybrid Piecewise Polynomial Approximation Systolic Cells. Electronics. 2020; 9(1):182. https://doi.org/10.3390/electronics9010182

Chicago/Turabian Style

Vázquez-Castillo, Javier, Alejandro Castillo-Atoche, Roberto Carrasco-Alvarez, Omar Longoria-Gandara, and Jaime Ortegón-Aguilar. 2020. "FPGA-Based Hardware Matrix Inversion Architecture Using Hybrid Piecewise Polynomial Approximation Systolic Cells" Electronics 9, no. 1: 182. https://doi.org/10.3390/electronics9010182

APA Style

Vázquez-Castillo, J., Castillo-Atoche, A., Carrasco-Alvarez, R., Longoria-Gandara, O., & Ortegón-Aguilar, J. (2020). FPGA-Based Hardware Matrix Inversion Architecture Using Hybrid Piecewise Polynomial Approximation Systolic Cells. Electronics, 9(1), 182. https://doi.org/10.3390/electronics9010182

Note that from the first issue of 2016, this journal uses article numbers instead of page numbers. See further details here.

Article Metrics

Back to TopTop