Design and Measurement of a 0.67 THz Biased Sub-Harmonic Mixer
Abstract
1. Introduction
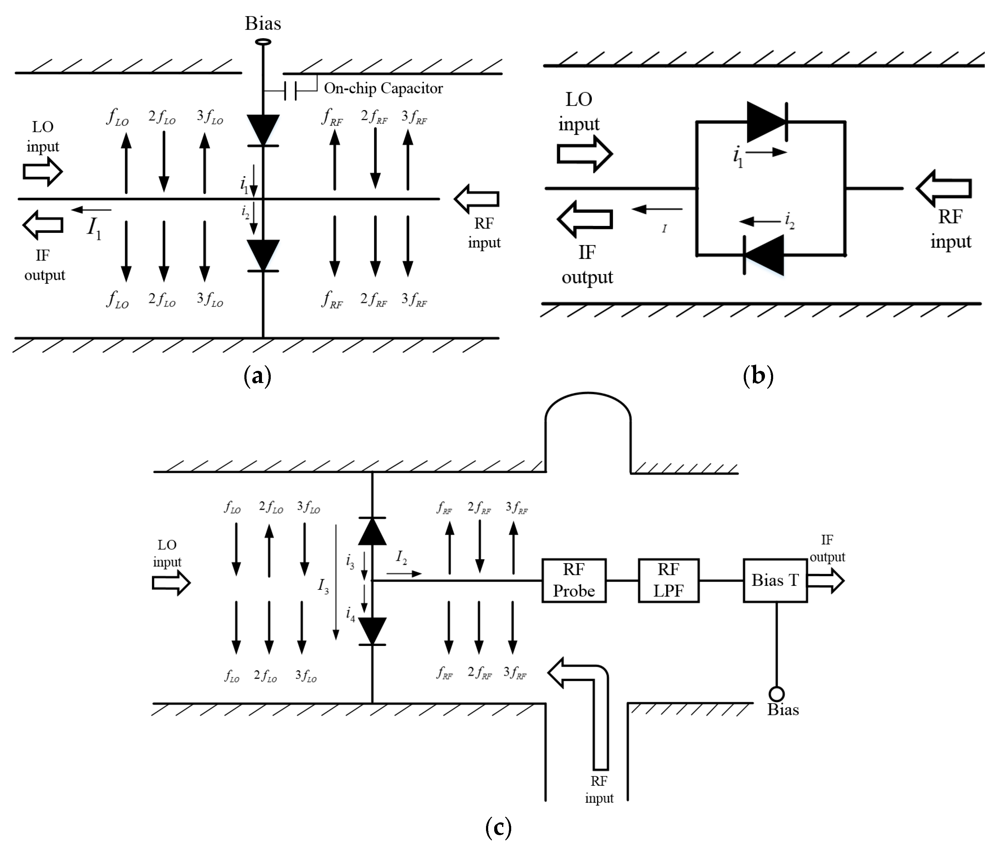
2. Comparison and Analysis of Different Mixing Topologies
3. Mixer Design
3.1. Mixer Architecture
- To minimize the size of the mixer, an external Bias-T is used instead of designing inside.
- The cathode pads of the two diodes are directly placed on the pre-designed grounded ears as shown in Figure 3 which can short the LO and RF signal. At the same time, the loop is provided for the IF signal and bias voltage.
- To improve the stability of fabrication and assembly, the Rogers 5880 substrate is used as the transition board to reduce the length of the quartz-glass.
- To enhance the stability of the diode assembly, the shield microstrip line is chosen instead of the suspended microstrip line. The size of the circuit channel is 150 μm × 100 μm which can guarantee the single-mode transmission of the RF signal.
3.2. Mixer Simulation
3.3. Mixer Fabrication and Measurement
4. Discussion
5. Conclusions
Author Contributions
Funding
Conflicts of Interest
References
- Siegel, P.H. Terahertz technology. IEEE Trans. Microw. Theory Tech. 2002, 50, 910–928. [Google Scholar] [CrossRef]
- Meng, J.; Zhang, D.H.; Ji, G.Y.; Yao, C.F.; Jiang, C.H.; Liu, S.Y. Design of a 335 GHz Frequency Multiplier Source Based on Two Schemes. Electronics 2019, 8, 948. [Google Scholar] [CrossRef]
- Mehdi, I.; Siles, J.V.; Maestrini, A.; Lin, R.; Lee, C.; Schlecht, E. Chattopadhyay. Local oscillator sub-systems for array receivers in the 1–3 THz range. In Proceedings of the SPIE Spie Astronomical Telescopes + Instrumentation, Amsterdam, The Netherlands, 24 September 2012. [Google Scholar]
- Maestrini, A.; Thomas, B.; Wang, H.; Jung-Kubial, C.; Treuttel, J.; Jin, Y.; Chattopadhyay, G.; Mehdi, I.; Beaudin, G. Schottky diode-based terahertz frequency multipliers and mixers. C. R. Phys. 2010, 11, 480–495. [Google Scholar] [CrossRef]
- Waliwander, T.; Crowley, M.; Fehilly, M.; Lederer, D.; Pike, J.; Floyd, L.; O’Connel, D. Sub-millimeter Wave 183 GHz and 366 GHz MMIC membrane sub-harmonic mixers. In Proceedings of the 2011 IEEE MTT-S International Microwave Symposium, Baltimore, MD, USA, 5–10 June 2011. [Google Scholar]
- Chen, Z.; Zhang, B.; Fan, Y.; Yuan, Y. Design of a low noise 190–240 GHz subharmonic mixer based on 3D geometric modeling of Schottky diodes and CAD load-pull techniques. IEICE Electron. Express 2016, 13, 20160604. [Google Scholar] [CrossRef]
- Thomas, B.; Maestrini, A.; Beaudin, G. A Low-Noise Fixed-Tuned 300–360 GHz Sub-Harmonic Mixer Using Planar Schottky Diodes. IEEE Microw. Wirel. Compon. Lett. 2005, 15, 865–867. [Google Scholar] [CrossRef]
- Tong, X.D.; Li, Q.; An, N.; Wang, W.J.; Deng, X.D.; Zhang, L.; Liu, H.T.; Zeng, J.P.; Li, Z.Q.; Tang, H.L.; et al. The Study of 0.34GTHz Monolithically Integrated Fourth Subharmonic Mixer Using Planar Schottky Barrier Diode. J. Infrared Millim. Terahertz Waves 2015, 36, 1112–1122. [Google Scholar] [CrossRef]
- Yang, F.; Meng, H.F.; Duo, W.B.; Sun, Z.L. Terahertz Sub-harmonic Mixer Using Discrete Schottky Diode for Planetary Science and Remote Sensing. J. Infrared Millim. Terahertz Waves 2017, 38, 630–637. [Google Scholar] [CrossRef]
- He, Y.; Tian, Y.; Miao, L.; Jiang, J.; Deng, X.J. A Broadband 630–720 GHz Schottky Based Sub-Harmonic Mixer Using Intrinsic Resonances of Hammer-Head Filter. China Commun. 2019, 16, 86–94. [Google Scholar]
- Maestrini, A.; Ward, J.S.; Gill, J.J.; Javadi, H.S.; Schlecht, E.; Tripon-Canseliet, C.; Chattopadhyay, G.; Mehdi, I. A 540–640-GHz high-efficiency four-anode frequency tripler. IEEE Trans. Microw. Theory Tech. 2005, 53, 2835–2843. [Google Scholar] [CrossRef]
- Maestrini, A.; Ward, J.S.; Gill, J.J.; Lee, C.; Thomas, B.; Lin, R.H.; Chattopadhyay, G.; Mehdi, I. A Frequency-Multiplied Source with More Than 1 mW of Power Across the 840–900-GHz Band. IEEE Trans. Microw. Theory Tech. 2010, 58, 1925–1932. [Google Scholar] [CrossRef]
- Schlecht, E.; Gill, J.; Dengler, R.; Lin, R.; Tsang, R.; Mehdi, I. A Unique 520-590 GHz Biased Subharmonically-Pumped Schottky Mixer. IEEE Microw. Wirel. Compon. Lett. 2007, 17, 879–881. [Google Scholar] [CrossRef]
- Thomas, B.; Maestrini, A.; Matheson, D.; Mehdi, I.; de Maagt, P. Design of an 874 GHz biasable sub-harmonic mixer based on MMIC membrane planar schottky diodes. In Proceedings of the 2008 33rd International Conference on Infrared, Millimeter and Terahertz Waves, Pasadena, CA, USA, 15–19 September 2008. [Google Scholar]
- Hammar, A.; Sobis, P.; Drakinskiy, V.; Emrich, A.; Wadefalk, N.; Schleeh, J.; Stake, J. Low noise 874 GHz receivers for the International Submillimetre Airborne Radiometer (ISMAR). Rev. Sci. Instrum. 2018, 89, 055104. [Google Scholar] [CrossRef] [PubMed]
- Schlecht, E.; Siles J, V.; Lee, C.; Lin, R.; Thomas, B.; Chattopadhyay, G.; Medhi, I. Schottky Diode Based 1.2 THz Receivers Operating at Room-Temperature and Below for Planetary Atmospheric Sounding. IEEE Trans. Terahertz Sci. Technol. 2014, 4, 661–669. [Google Scholar] [CrossRef]
- Thomas, B.; Siles, J.; Schlecht, E.; Maestrini, A.; Chattopadhyay, G.; Lee, C.; Jung-Kubiak, C.; Mehdi, I.; Gulkis, S. First results of a 1.2 THz MMIC sub-harmonic mixer based GaAs Schottky diodes for planetary atmospheric remote sensing. ISSTT Proc. 2012, 100–102. Available online: http://https://www.nrao.edu/meetings/isstt/2012.shtml (accessed on 10 January 2020).
- Treuttel, J.; Schlecht, E.; Siles, J.; Lee, C.; Lin, R.; Thomas, B. A 2 THz Schottky solid-state heterodyne receiver for atmospheric studies. In Proceedings of the SPIE Millimeter, Submillimeter, and Far-Infrared Detectors and Instrumentation for Astronomy VIII, Edinburgh, UK, 16 June 2016. [Google Scholar]
- Cohn, M.; Degenford, J.E.; Newman, B.A. Harmonic Mixing with an Anti-Parallel Diode Pair. In Proceedings of the 1974 IEEE S-MTT International Microwave Symposium, Atlanta, GA, USA, 12–14 June 1975. [Google Scholar]
- Schlecht, E.; Gill, J.; Siegel, P.H.; Oswald, J.; Mehdi, I. Novel Designs for Submillimeter Subharmonic and Fundamental Schottky Mixers. In Proceedings of the 14th International Symposium on Space Terahertz Technology, Arizona, AZ, USA, 22–24 April 2003. [Google Scholar]
- Crowe, T.W.; Mattauch, R.J.; Roser, H.P.; Bishop, W.L.; Peatman, W.C.B.; Liu, X.L. GaAs Schottky diodes for THz mixing applications. Proc. IEEE 1992, 80, 1827–1841. [Google Scholar] [CrossRef]
- Jiang, J.; He, Y.; Wang, C.; Liu, J.; Tian, Y.L.; Zhang, J.; Deng, X.J. 0.67 THz sub-harmonic mixer based on Schottky diode and hammer-head filter. J. Infrared Millim. Terahertz Waves 2016, 35, 418–424. [Google Scholar]










| m:odd n:odd | m:even n:even | m:odd n:even | m:even n:odd | |
| Anti-Parallel I1 | × | × | √ | √ |
| Anti-Series I2(I3) | × (√) | √ (×) | √ (×) | × (√) |
| Cj0 | Rs | Cut-Off Frequency | Overall Size (L × W × H) |
|---|---|---|---|
| 0.95 fF | 11.5 Ω | 14 THz | 90 μm × 50 μm × 12 μm |
| Frequency (GHz) | Biased | LO Power (mw) | Conversion Loss (dB) | Structure | Reference |
|---|---|---|---|---|---|
| 638–715 | No | 2–8 | 8.2–12 (DSB) | Hybrid | [10] |
| 520–590 | Yes | 10.6–11.7 (DSB) | Monolithic | [13] | |
| 660–710 | No | 6 | 13–20 (DSB) | Hybrid | [22] |
| 650–690 | Yes | 3 | Optimum: 15.3 (SSB) Typical: 18.2 dB | Hybrid | This work |
© 2020 by the authors. Licensee MDPI, Basel, Switzerland. This article is an open access article distributed under the terms and conditions of the Creative Commons Attribution (CC BY) license (http://creativecommons.org/licenses/by/4.0/).
Share and Cite
Ji, G.; Zhang, D.; Meng, J.; Liu, S.; Yao, C. Design and Measurement of a 0.67 THz Biased Sub-Harmonic Mixer. Electronics 2020, 9, 161. https://doi.org/10.3390/electronics9010161
Ji G, Zhang D, Meng J, Liu S, Yao C. Design and Measurement of a 0.67 THz Biased Sub-Harmonic Mixer. Electronics. 2020; 9(1):161. https://doi.org/10.3390/electronics9010161
Chicago/Turabian StyleJi, Guangyu, Dehai Zhang, Jin Meng, Siyu Liu, and Changfei Yao. 2020. "Design and Measurement of a 0.67 THz Biased Sub-Harmonic Mixer" Electronics 9, no. 1: 161. https://doi.org/10.3390/electronics9010161
APA StyleJi, G., Zhang, D., Meng, J., Liu, S., & Yao, C. (2020). Design and Measurement of a 0.67 THz Biased Sub-Harmonic Mixer. Electronics, 9(1), 161. https://doi.org/10.3390/electronics9010161
