A Novel Meander Split Power/Ground Plane Reducing Crosstalk of Traces Crossing Over
Abstract
1. Introduction
2. The Meander DGS on Split Power/Ground Plane
2.1. Advantage and Application of the Meander DGS
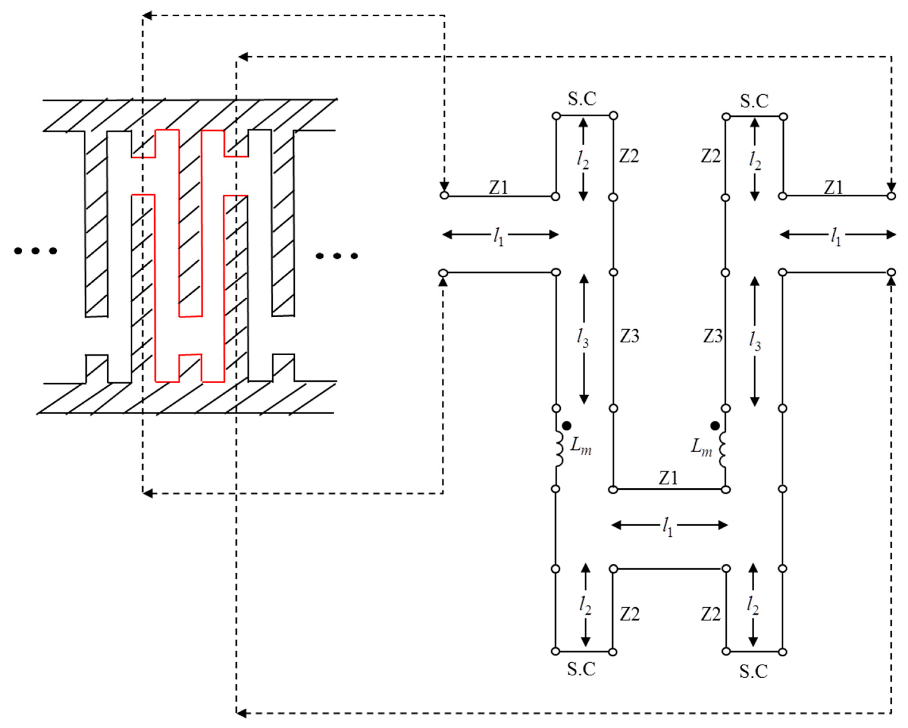
2.2. Design Methodolgy of the Meander DGS
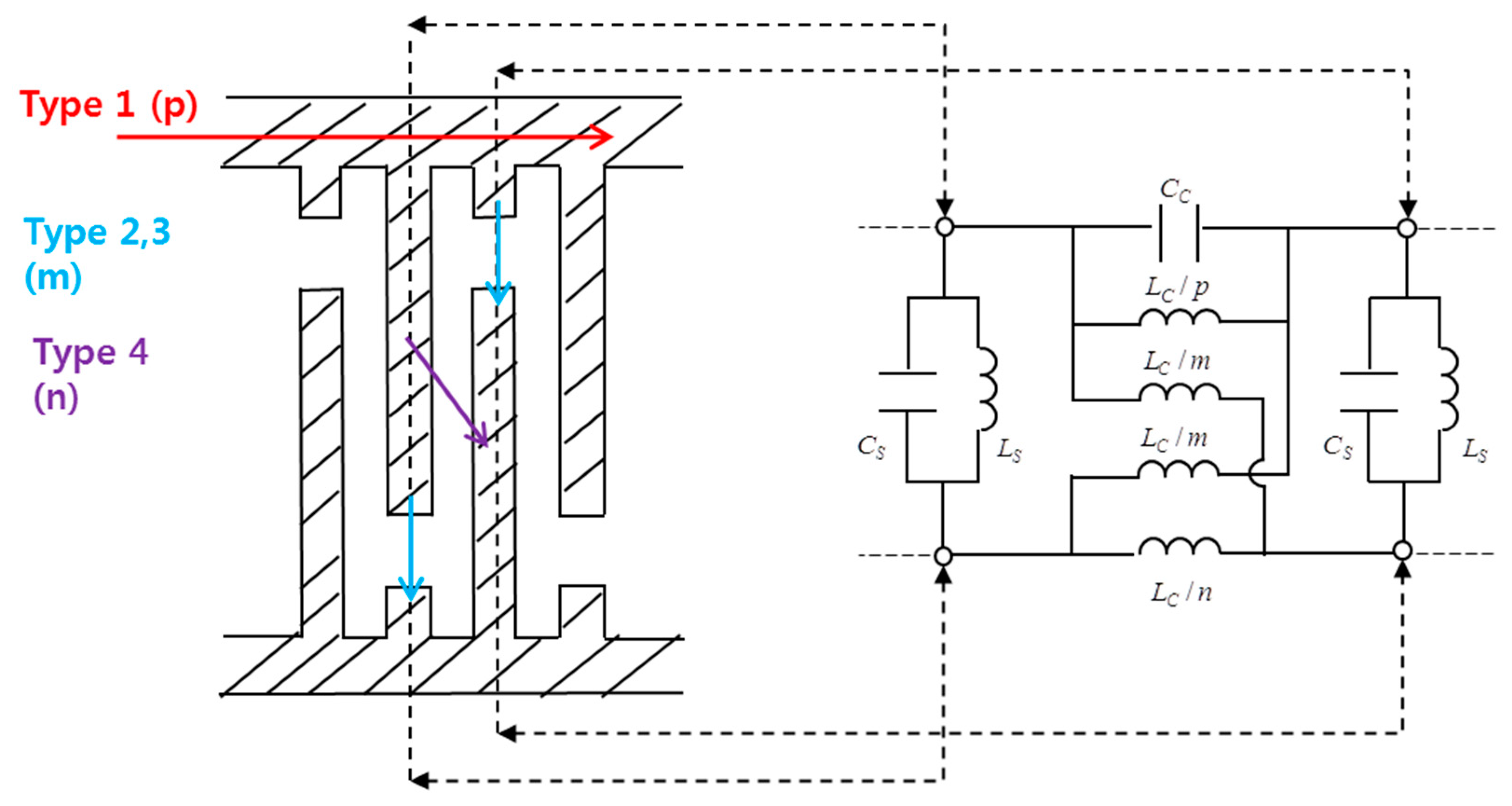
2.3. Equivalent Circuit of the Meander DGS Split Model
3. Results
3.1. Simulation Results of the Equivalent Circuit
3.2. Reduction of Crosstalk According to the Vertical Length and Width of the Meander Split Gap
3.3. Time Domain Crosstalk Simulation Results
3.4. Time Domain Crosstalk Measurement Results
4. Conclusions
Author Contributions
Funding
Acknowledgments
Conflicts of Interest
References
- Fan, J.; Ren, Y.; Chen, J.; Hockanson, D.M.; Shi, H.; Drewniak, J.L.; Hubing, T.H.; Van Doren, T.P.; DuBroff, R.E. RF isolation using power islands in DC power bus design. In Proceedings of the 1999 IEEE International Symposium on Electromagnetic Compatability. Symposium Record (Cat. No. 99CH36261), Seattle, WA, USA, 2–6 August 1999; pp. 838–843. [Google Scholar]
- Miller, J.R. The impact of split power planes on package performance. In Proceedings of the 2001 Proceedings. 51st Electronic Components and Technology Conference (Cat. No. 01CH37220), Orlando, FL, USA, 29 May–1 June 2001; pp. 1117–1121. [Google Scholar]
- Liaw, H.-J.; Merkelo, H. Signal integrity issues at split ground and power planes. In Proceedings of the 1996 Proceedings 46th Electronic Components and Technology Conference, Orlando, FL, USA, 28–31 May 1996; pp. 752–755. [Google Scholar]
- Shim, H.-Y.; Kim, J.; Yook, J.-G. Modeling of ESD and EMI problems in split multi-layer power distribution network. In Proceedings of the 2003 IEEE Symposium on Electromagnetic Compatibility. Symposium Record (Cat. No. 03CH37446), Boston, MA, USA, 18–22 August 2003; pp. 48–51. [Google Scholar]
- Cui, W.; Fan, J.; Ren, Y.; Shi, H.; Drewniak, J.; Dubroff, R. DC power-bus noise isolation with power-plane segmentation. IEEE Trans. Electromagn. Compat. 2003, 45, 436–443. [Google Scholar] [CrossRef]
- Johnson, H.W.; Graham, M. High-Speed Digital Design: A Handbook of Black Magic; Prentice Hall: Upper Saddle River, NJ, USA, 1993. [Google Scholar]
- Shuppert, B. Microstrip/slotline transitions: Modeling and experimental investigation. IEEE Trans. Microwave Theory Tech. 1988, 36, 1272–1282. [Google Scholar] [CrossRef]
- Duan, D.-W.; Rubin, B.J.; Magerlein, J. Distributed effects of a gap in power/ground planes. In Proceedings of the IEEE 8th Topical Meeting on Electrical Performance of Electronic Packaging (Cat. No. 99TH8412), San Diego, CA, USA, 25–27 October 1999; pp. 207–210. [Google Scholar]
- Schuster, C.; Fichtner, W. Parasitic modes on printed circuit boards and their effects on EMC and signal integrity. IEEE Trans. Electromagn. Compat. 2001, 43, 416–425. [Google Scholar] [CrossRef]
- Moran, T.; Virga, K.; Aguirre, G.; Prince, J. Methods to reduce radiation from split ground planes in RF and mixed signal packaging structures. IEEE Trans. Adv. Packag. 2002, 25, 409–416. [Google Scholar] [CrossRef]
- Xiao, F.; Nakada, Y.; Murano, K.; Kami, Y. Crosstalk analysis model for traces crossing split ground plane and its reduction by stitching capacitor. Electron. Commun. Jpn. (Part II: Electron.) 2007, 90, 26–34. [Google Scholar] [CrossRef]
- Suntives, A.; Khajooeizadeh, A.; Abhari, R. Using via fences for crosstalk reduction in PCB circuits. In Proceedings of the 2006 IEEE International Symposium on Electromagnetic Compatibility, Portland, OR, USA, 14–18 August 2006; pp. 34–37. [Google Scholar]
- Mbairi, F.D.; Siebert, W.P.; Hesselbom, H. On The Problem of Using Guard Traces for High Frequency Differential Lines Crosstalk Reduction. IEEE Trans. Compo. Packag. Technol. 2007, 30, 67–74. [Google Scholar] [CrossRef]
- Huang, W.-T.; Lu, C.-H.; Lin, D.-B. SUPPRESSION OF CROSSTALK USING SERPENTINE GUARD TRACE VIAS. Prog. Electromagn. Res. 2010, 109, 37–61. [Google Scholar] [CrossRef]
- Koo, S.-K.; Lee, H.; Park, Y.B. Crosstalk Reduction Effect of Asymmetric Stub Loaded Lines. J. Electromagn. Waves Appl. 2011, 25, 1156–1167. [Google Scholar] [CrossRef]
- Chu, S.T.; Little, B.; Pan, W.; Kaneko, T.; Kokubun, Y. Cascaded microring resonators for crosstalk reduction and spectrum cleanup in add-drop filters. IEEE Photonics Technol. Lett. 1999, 11, 1423–1425. [Google Scholar]
- Cai, Q.-M.; Yu, X.-B.; Zhang, L.; Zhu, L.; Zhang, C.; Ren, Y.; Fan, J. Far-End Crosstalk Mitigation in DDR5 Using Graphene-Paraffin Material Coated Signal Lines with Tabs. In Proceedings of the 2019 Cross Strait Quad-Regional Radio Science and Wireless Technology Conference (CSQRWC 2019), Taiyuan, China, 18–21 July 2019; pp. 1–3. [Google Scholar]
- Zhang, L.; Cai, Q.-M.; Yu, X.-B.; Zhu, L.; Zhang, C.; Ren, Y.; Fan, J. Far-End Crosstalk Mitigation for Microstrip Lines in High-Speed PCBs. In Proceedings of the 2019 Cross Strait Quad-Regional Radio Science and Wireless Technology Conference (CSQRWC 2019), Taiyuan, China, 18–21 July 2019; pp. 1–3. [Google Scholar]
- Lee, S.-K.; Lee, K.; Park, H.-J.; Sim, J.-Y. FEXT-eliminated stub-alternated microstrip line for multi-gigabit/second parallel links. Electron. Lett. 2008, 44, 272–273. [Google Scholar] [CrossRef]
- Roden, J.A.; Archambeault, B.; Lyle, R.D. Effect of stitching capacitor distance for critical traces crossing split reference planes. In Proceedings of the 2003 IEEE Symposium on Electromagnetic Compatibility. Symposium Record (Cat. No. 03CH37446), Boston, MA, USA, 18–22 August 2003; pp. 703–707. [Google Scholar]
- Lin, D.-B.; Shen, R.-H. The improvement of signal quality and far-end crosstalk for coupled microstrip line over a completely split ground plane. In Proceedings of the 2012 IEEE Electrical Design of Advanced Packaging and Systems Symposium (EDAPS 2012), Taipei, Taiwan, 9–11 December 2012; pp. 139–141. [Google Scholar]
- Kim, J.; Lee, H.; Kim, J. Effects on signal integrity and radiated emission by split reference plane on high-speed multilayer printed circuit boards. IEEE Trans. Adv. Packag. 2005, 28, 724–735. [Google Scholar]
- Chuang, H.-H.; Wu, T.-L. Suppression of Common-Mode Radiation and Mode Conversion for Slot-Crossing GHz Differential Signals Using Novel Grounded Resonators. IEEE Trans. Electromagn. Compat. 2011, 53, 429–436. [Google Scholar] [CrossRef]
- Chuang, H.-H.; Chou, C.-C.; Chang, Y.-J.; Wu, T.-L. A Branched Reflector Technique to Reduce Crosstalk between Slot-Crossing Signal Lines. IEEE Microwave Wireless Compon. Lett. 2012, 22, 342–344. [Google Scholar] [CrossRef]
- Mandal, M.K.; Sanyal, S. A novel defected ground structure for planar circuits. IEEE Microwave Wireless Compo. Lett. 2006, 16, 93–95. [Google Scholar] [CrossRef]
- Chen, H.-J.; Huang, T.-H.; Chang, C.-S.; Chen, L.-S.; Wang, N.-F.; Wang, Y.-H.; Houng, M.-P. A novel cross-shape DGS applied to design ultra-wide stopband low-pass filters. IEEE Microwave Wireless Components Lett. 2006, 16, 252–254. [Google Scholar] [CrossRef]
- Woo, D.-J.; Lee, T.-K.; Lee, J.-W.; Pyo, C.-S.; Choi, W.-K. Novel U-slot and V-slot DGSs for bandstop filter with improved Q factor. IEEE Trans. Microwave Theory Tech. 2006, 54, 2840–2847. [Google Scholar]
- Kim, C.-S.; Park, J.-S.; Ahn, D.; Jae-Bong, L. A novel 1-D periodic defected ground structure for planar circuits. IEEE Microwave Guided Wave Lett. 2000, 10, 131–133. [Google Scholar]
- Balalem, A.; Ali, A.R.; Machac, J.; Omar, A. Quasi-Elliptic Microstrip Low-Pass Filters Using an Interdigital DGS Slot. IEEE Microwave Wireless Compon. Lett. 2007, 17, 586–588. [Google Scholar] [CrossRef]
- Liu, W.-T.; Tsai, C.-H.; Han, T.-W.; Wu, T.-L. An Embedded Common-Mode Suppression Filter for GHz Differential Signals Using Periodic Defected Ground Plane. IEEE Microwave Wireless Compon. Lett. 2008, 18, 248–250. [Google Scholar]
- Henridass, A.; Sindhadevi, M.; Karthik, N.; Alsath, M.G.N.; Kumar, R.R.; Malathi, K. Defective ground plane structure for broadband crosstalk reduction in PCBs. In Proceedings of the 2012 International Conference on Computing, Communication and Applications, Dindigul, India, 22–24 February 2012; pp. 1–5. [Google Scholar]
- Khandelwal, M.K.; Kanaujia, B.K.; Kumar, S. Defected Ground Structure: Fundamentals, Analysis, and Applications in Modern Wireless Trends. Int. J. Antennas Propag. 2017, 2017, 1–22. [Google Scholar] [CrossRef]
- Curnow, H. A General Equivalent Circuit for Coupled-Cavity Slow-Wave Structures. IEEE Trans. Microwave Theory Tech. 1965, 13, 671–675. [Google Scholar] [CrossRef]
- Abbosh, A.M.; Bialkowski, M.E. Deriving characteristics of the slotline using the conformal mapping technique. In Proceedings of the MIKON 2008-17th International Conference on Microwaves, Radar and Wireless Communications, Wroclaw, Poland, 19–21 May 2008; pp. 1–4. [Google Scholar]













| ltot(mm) | l1(mm) | l2(mm) | l3(mm) | w1(mm) | w2(mm) | w3(mm) | Z1(Ω) | Z2(Ω) | Z3(Ω) | εe1 | εe2 | εe3 |
|---|---|---|---|---|---|---|---|---|---|---|---|---|
| 35 | 0.25 | 0.4 | 5 | 14.6 | 0.2 | 0.2 | 168 | 75 | 75 | 1.1 | 1.3 | 1.3 |
| 35 | 0.25 | 0.4 | 15 | 9.6 | 0.2 | 0.2 | 149 | 75 | 75 | 1.1 | 1.4 | 1.4 |
| 35 | 0.25 | 0.4 | 30 | 2.1 | 0.2 | 0.2 | 106 | 75 | 75 | 1.1 | 1.4 | 1.4 |
© 2019 by the author. Licensee MDPI, Basel, Switzerland. This article is an open access article distributed under the terms and conditions of the Creative Commons Attribution (CC BY) license (http://creativecommons.org/licenses/by/4.0/).
Share and Cite
Lee, J.-H. A Novel Meander Split Power/Ground Plane Reducing Crosstalk of Traces Crossing Over. Electronics 2019, 8, 1041. https://doi.org/10.3390/electronics8091041
Lee J-H. A Novel Meander Split Power/Ground Plane Reducing Crosstalk of Traces Crossing Over. Electronics. 2019; 8(9):1041. https://doi.org/10.3390/electronics8091041
Chicago/Turabian StyleLee, Jung-Han. 2019. "A Novel Meander Split Power/Ground Plane Reducing Crosstalk of Traces Crossing Over" Electronics 8, no. 9: 1041. https://doi.org/10.3390/electronics8091041
APA StyleLee, J.-H. (2019). A Novel Meander Split Power/Ground Plane Reducing Crosstalk of Traces Crossing Over. Electronics, 8(9), 1041. https://doi.org/10.3390/electronics8091041

