Development of a Stand-Alone Photovoltaic System Considering Shaded Effect for Energy Storage and Release
Abstract
1. Introduction
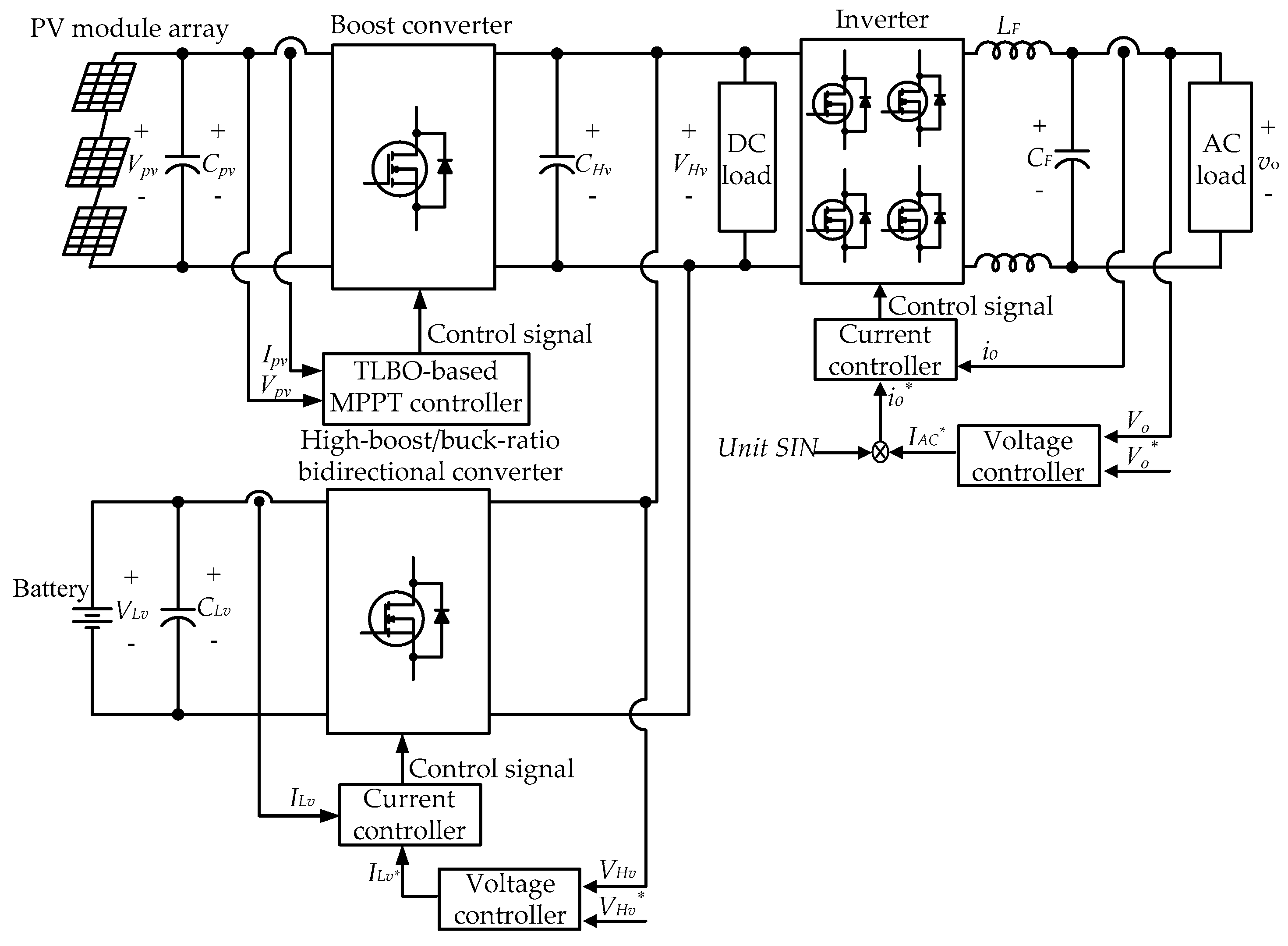
2. Photovoltaic System Architecture
2.1. Maximum Power Point Tracker
2.2. High-Boost/Buck-Ratio Bidirectional Converter
2.3. Characteristics of Photovoltaic Module Arrays with Partial Module Shade
- (1)
- Define the number of students (n) and the number of iterations (i).
- (2)
- Initialize the class and randomly define the level of each student.
- (3)
- Substitute the levels of students into the objective function and evaluate the fitness function values of each student.
- (4)
- The fitness function value of each student is compared with the best grade of this class, and the students having favorable performance levels are selected as the Xteacher,i of the iteration.
- (5)
- The average value of the class is obtained from Equation (10), and then the average difference value of Xteacher,i in the iteration is calculated by Equation (11). The scores of other students are updated by Equation (12).
- (6)
- Two students in the class are selected to conduct mutual learning, thus that students having low grades can learn from students having favorable grades; the low-scoring students can improve their performance. The formula of iteration is shown as Equation (13).
- (7)
- If the condition is met, the iteration is ended; otherwise, step (4) is re-executed until the number of iterations is reached, or the optimal solution for the global domain has been found.
- Student (XK): Kth learner, K = 1, 2, …, n.
- Average value of the class (M): The average grade of the students in the class.
- Teaching step (ri): Generated by random numbers, the number is limited in the range [0, 1].
- Teaching factor (TF): 1 or 2.
- Teacher (Xteacher,i): The ith iteration, the student who has the highest grade.
- Average difference value (Difference_Meani): The difference between the highest score and the average value of the class.
2.4. Energy Storage Control Strategy
2.5. Development of the Inverter
3. Test results
3.1. Maximum Power Point Tracking Results
- (1)
- Case 1 (10 panels in each of 4 parallel string arrays): [1 panel, 35% shaded + 9 panels, 0% shaded] // [1 panel, 35% shaded + 9 panels, 0% shaded] // [1 panel, 35% shaded + 9 panels, 0% shaded] // [1 panel, 35% shaded + 9 panels, 0% shaded]
- (2)
- Case 2 (10 panels in each of 4 parallel string arrays): [1 panel, 30% shaded + 9 panels, 0% shaded] // [1 panel, 30% shaded + 9 panels, 0% shaded] // [2 panels, 30% shaded + 8 panels, 0% shaded] // [2 panels, 30% shaded + 8 panels, 0% shaded]
- (3)
- Case 3 (10 panels in each of 4 parallel string arrays): [1 panel, 30% shaded + 9 panels, 0% shaded] // [2 panels, 30% shaded + 8 panels, 0% shaded] // [3 panels, 30% shaded + 7 panels, 0% shaded] // [3 panels, 30% shaded + 7 panels, 0% shaded]
- (4)
- Case 4 (10 panels in 4 parallel string arrays): [1 panel, 20% shaded + 9 panels, 0% shaded] // [1 panel, 20% shaded + 9 panels, 0% shaded] // [1 panel, 20% shaded + 9 panels, 0% shaded] // [1 panel, 20% shaded + 9 panels, 0% shaded]
3.2. Measured Results of the Energy Storage Regulation of the High-Boost/Buck-Ratio Bidirectional Converter
3.3. Measured Results of the DC Load Terminal
3.4. Measured Results of the Inverter
4. Conclusions
Author Contributions
Funding
Acknowledgments
Conflicts of Interest
References
- Wang, Y.J.; Hsu, P.C. Analytical modeling of partial shading and different orientation of photovoltaic modules. IET Renew. Power Gener. 2010, 4, 272–282. [Google Scholar] [CrossRef]
- Fermia, N.; Lisi, G.; Petrone, G.; Spagnuolo, G.; Vitelli, M. Distributed maximum power point tracking of photovoltaic arrays: Novel approach and system analysis. IEEE Trans. Ind. Electron. 2008, 55, 2610–2621. [Google Scholar]
- Koutroulis, E.; Kalaitzakis, K.; Voulgaris, N.C. Development of a microcontroller-based photovoltaic maximum power point tracking control system. IEEE Trans. Power Electron. 2001, 16, 46–54. [Google Scholar] [CrossRef]
- Shih, Y.W. A Systematic Approach for Designing Control Rule of Fuzzy Controller. Master’s Thesis, China University of Science and Technology, Taipei, Taiwan, 2009. [Google Scholar]
- Hung, C.P.; Liuand, W.G.; Su, H.Z. Fault diagnosis of steam turbine-generator sets using CMAC neural network approach and portable diagnosis apparatus implementation. In Proceedings of the 5th International Conference on Intelligent Computing (ICIC), Ulsan, South Korea, 16–19 September 2009; pp. 724–734. [Google Scholar]
- Ramaprabha, R. Maximum power point tracking using GA-optimized artificial neural network for solar PV system. In Proceedings of the 1st International Conference on Electrical Energy Systems (ICEES), Newport Beach, CA, USA, 3–5 January 2011; pp. 264–268. [Google Scholar]
- Besheer, A.H. Ant colony system based PI maximum power point tracking for stand alone photovoltaic system. In Proceedings of the IEEE International Conference on Industrial Technology (ICIT), Athens, Greece, 19–21 March 2012; pp. 693–698. [Google Scholar]
- Chao, K.H.; Chiu, C.L. Design and implementation of an intelligent maximum power point tracking controller for photovoltaic systems. Int. Rev. Electr. Eng-I. 2012, 7, 3759–3768. [Google Scholar]
- Pellegrino, G.; Vagati, A.; Boazzo, B.; Guglielmi, P. Comparison of induction and PM synchronous motor drives for EV application including design examples. IEEE Trans. Ind. Appl. 2012, 48, 2322–2332. [Google Scholar] [CrossRef]
- Ortiz-Rivera, E.I. Understanding the history of fuel cells. In Proceedings of the IEEE Conference on the History of Electric Power, Newark, NJ, USA, 3–5 August 2007; pp. 117–122. [Google Scholar]
- Marongiu, A.; Damiano, A.; Heuer, M. Experimental analysis of lithium iron phosphate battery performances. In Proceedings of the IEEE International Symposium on Industrial Electronics (ISIE), Bari, Italy, 4–7 July 2010; pp. 3420–3424. [Google Scholar]
- Liu, W.P.; Lin, M.S. Research and application of high concentrating solar photovoltaic system. In Proceedings of the 2nd IEEE International Conference on Consumer Electronics, Communications and Networks (CECNet), Yichang, China, 21–23 April 2012; pp. 1187–1191. [Google Scholar]
- Lin, C.C.; Yang, L.S.; Wu, G.W. Study of a non-isolated bidirectional DC-DC converter. IET Power Electron. 2013, 6, 30–37. [Google Scholar] [CrossRef]
- Wang, Y.X.; Qin, F.F.; Kim, Y.B. Bidirectional DC-DC converter design and implementation for lithium-ion battery application. In Proceedings of the IEEE PES Asia-Pacific Power and Energy Engineering Conference (APPEEC), Hong Kong, China, 7–10 December 2014; pp. 1–5. [Google Scholar]
- Lee, M.C. The research of rapid charging technology use in lead-acid battery. Master’s Thesis, National Central University, Taoyuan, Taiwan, 2003. [Google Scholar]
- Hart, D.W. Introduction to Power Electronics; Prentice Hall: New York, NY, USA, 2003. [Google Scholar]
- Narasimharaju, B.L.; Dubey, S.P.; Singh, S.P. Design and analysis of coupled inductor bidirectional DC–DC convertor for high-voltage diversity applications. IET Power Electron. 2012, 5, 998–1007. [Google Scholar] [CrossRef]
- BP SX-10 Data Sheet. Available online: https://www.oeko-energie.de/downloads/bpsx10.pdf (accessed on 23 June 2018).
- Solar Pro Official Website. Available online: http://www.lapsys.co.jp/english/products/pro.html (accessed on 12 April 2019).
- Rao, R.V.; Savsani, V.J.; Vakharia, D.P. Teaching-learning-based optimization: A novel method for constrained mechanical design optimization problems. Comput. Aided Design 2011, 43, 303–315. [Google Scholar] [CrossRef]


















| Items | Specifications |
|---|---|
| Storage inductor (L) | 1.8 mH, withstand current = 10 A |
| Filter capacitor (C) | 470 μF, withstand voltage = 450 V |
| Fast diode (D) IQBD30E60A1 | VRRM withstand current = 600 V IFAV withstand current = 30 A |
| Power switch IXGH48N60C3D1 | VDSS withstand voltage = 600 V ID withstand current = 30 A |
| Items | Specifications |
|---|---|
| Coupled inductor (L1) | 0.3 mH |
| Coupled inductor (L2) | 1.2 mH |
| Filter capacitor (CL) | 470 μF, withstand voltage = 450 V |
| Turns ratio (N) | 2 |
| Power switch IXGH48N60C3D1 | VDSS withstand voltage = 600 V ID withstand current = 30 A |
| Parameter Name | Parameter Value |
|---|---|
| Maximum power Pmax | 10 W |
| Warranted power Pwar | 9 W |
| Voltage at Pmax | 16.8 V |
| Current at Pmax | 0.59 A |
| Short circuit current ISC | 0.65 A |
| Open circuit voltage VOC | 21 V |
| Parameter Name | Parameter Value |
|---|---|
| Number of student (n) | 4 |
| Number of iteration (i) | 40 |
| Teaching step (ri) | Radom number in the range [0, 1] |
| Teaching factor (TF) | 1 or 2 |
| Case | Partial Shading Condition | Peak Number of P-V Output Curve |
|---|---|---|
| 1 | 10 panels in 4 parallel string arrays: [1 panel, 35% shaded + 9 panels, 0% shaded]// [1 panel, 35% shaded + 9 panels, 0% shaded]// [1 panel, 35% shaded + 9 panels, 0% shaded]// [1 panel, 35% shaded + 9 panels, 0% shaded] | Two peaks |
| 2 | 10 panels in 4 parallel string arrays: [1 panel, 30% shaded + 9 panels, 0% shaded]// [2 panels, 30% shaded + 8 panels, 0% shaded]// [2 panels, 30% shaded + 8 panels, 0% shaded]// [2 panels, 30% shaded + 8 panels, 0% shaded] | Three peaks |
| 3 | 10 panels in 4 parallel string arrays: [1 panel, 30% shaded + 9 panels, 0% shaded]// [2 panels, 30% shaded + 8 panels, 0% shaded]// [3 panels, 30% shaded + 7 panels, 0% shaded]// [3 panels, 30% shaded + 7 panels, 0% shaded] | Four peaks |
| 4 | 10 panels in 4 parallel string arrays: No shading → [1 panel, 20% shaded + 9 panels, 0% shaded]// [1 panel, 20% shaded + 9 panels, 0% shaded]// [1 panel, 20% shaded + 9 panels, 0% shaded]// [1 panel, 20% shaded + 9 panels, 0% shaded] | One peak → two peaks |
© 2019 by the authors. Licensee MDPI, Basel, Switzerland. This article is an open access article distributed under the terms and conditions of the Creative Commons Attribution (CC BY) license (http://creativecommons.org/licenses/by/4.0/).
Share and Cite
Chao, K.-H.; Lai, Y.-J.; Chang, W.-C. Development of a Stand-Alone Photovoltaic System Considering Shaded Effect for Energy Storage and Release. Electronics 2019, 8, 567. https://doi.org/10.3390/electronics8050567
Chao K-H, Lai Y-J, Chang W-C. Development of a Stand-Alone Photovoltaic System Considering Shaded Effect for Energy Storage and Release. Electronics. 2019; 8(5):567. https://doi.org/10.3390/electronics8050567
Chicago/Turabian StyleChao, Kuei-Hsiang, Yu-Ju Lai, and Wen-Ching Chang. 2019. "Development of a Stand-Alone Photovoltaic System Considering Shaded Effect for Energy Storage and Release" Electronics 8, no. 5: 567. https://doi.org/10.3390/electronics8050567
APA StyleChao, K.-H., Lai, Y.-J., & Chang, W.-C. (2019). Development of a Stand-Alone Photovoltaic System Considering Shaded Effect for Energy Storage and Release. Electronics, 8(5), 567. https://doi.org/10.3390/electronics8050567
