A Modified Control Scheme for Power Management in an AC Microgrid with Integration of Multiple Nanogrids
Abstract
:1. Introduction
- The nanogrid demands constant active power from the microgrid, despite the variation in active power demand in the nanogrid. Therefore, the microgrid is unaffected from the nanogrid disturbances and the burden on master DG is reduced.
- The reactive power demand in the nanogrid is compensated locally; therefore, the effect of reactive power demand on the microgrid voltage is avoided and hence voltage profile of microgrid is improved.
- The nanogrid demands balanced current from the microgrid even though the load demand in the nanogrid is unbalanced, which avoids three phase voltage unbalance in the system.
- The voltage distortion due to non-linear loads is minimized by compensating the harmonics current locally in the nanogrid to improve power quality in the microgrid.
- The smooth transition is achieved during the change in operating modes of nanogrid and microgrid; therefore, critical loads in the nanogrid remains unaffected during the transition period. The reliability of the microgrid and nanogrid is improved.
- The disturbances occurred in the microgrid will not be reflected in the main grid, which makes the main grid transient free from the microgrid disturbances.
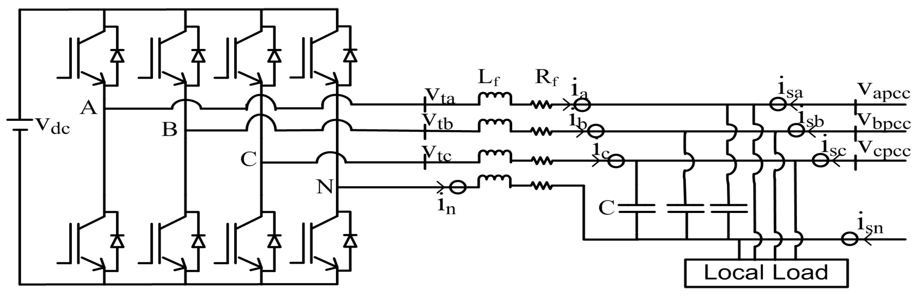
2. System Configuration
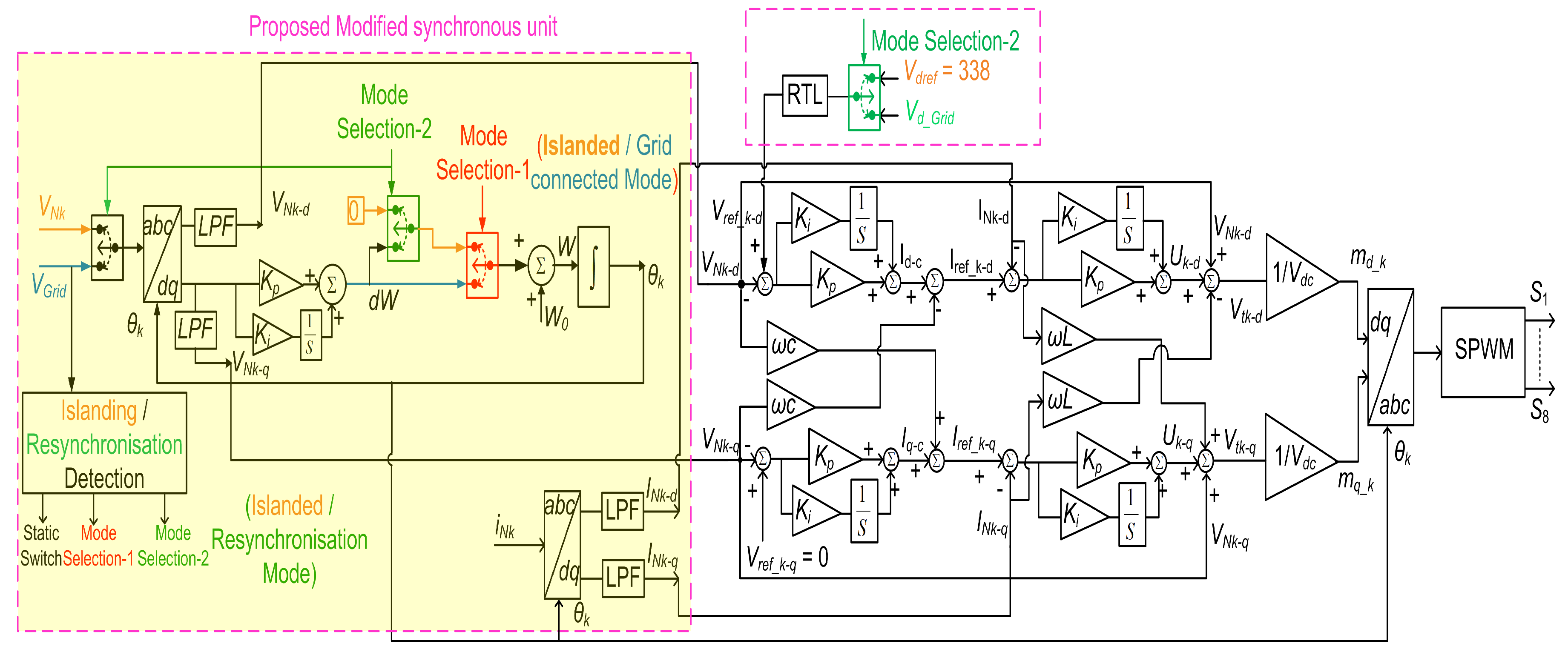
3. Proposed Modified Control Scheme
3.1. Proposed Modified Voltage Control Technique
3.2. Proposed Modified Power Control Scheme
- The system is immune to local disturbances. The nanogrid disturbances will not be reflected in the microgrid and similarly the microgrid disturbances will not be reflected in the main grid.
- The reactive power demands are compensated locally.
- The non-linear and unbalanced load will not affect the microgrid and the main grid.
4. The Proposed Microgrid Performance Evaluation
- Nanogrids in grid connected operation mode.
- Transition of nanogrid between grid connected and islanded operation mode.
- Microgrid in grid connected operation mode.
- Transition of microgrid between grid connected and islanded operation mode.
4.1. Nanogrids in Grid Connected Operation Mode
4.2. Transition of Nanogrid Between Grid Connected and Islanded Operation Mode
4.3. Microgrid in Grid Connected Operation Mode
4.4. Microgrid Transition from Grid Connected to Islanded Operation Mode and Re-Synchronisation
5. Conclusions
Author Contributions
Funding
Acknowledgments
Conflicts of Interest
References
- Shahidehpour, M.; Li, Z.; Gong, W.; Bahramirad, S.; Lopata, M. A Hybrid ac/dc Nanogrid: The Keating Hall Installation at the Illinois Institute of Technology. IEEE Electrif. Mag. 2017, 5, 36–46. [Google Scholar] [CrossRef]
- Liu, N.; Yu, X.; Fan, W.; Hu, C.; Rui, T.; Chen, Q.; Zhang, J. Online Energy Sharing for Nanogrid Clusters: A Lyapunov Optimization Approach. IEEE Trans. Smart Grid 2018, 9, 4624–4636. [Google Scholar] [CrossRef]
- Nasir, M.; Jin, Z.; Khan, H.A.; Zaffar, N.A.; Vasquez, J.C.; Guerrero, J.M. A Decentralized Control Architecture Applied to DC Nanogrid Clusters for Rural Electrification in Developing Regions. IEEE Trans. Power Electron. 2019, 34, 1773–1785. [Google Scholar] [CrossRef]
- Rocabert, J.; Luna, A.; Blaabjerg, F.; Rodríguez, P. Control of Power Converters in AC Microgrids. IEEE Trans. Power Electron. 2012, 27, 4734–4749. [Google Scholar] [CrossRef]
- Han, H.; Hou, X.; Yang, J.; Wu, J.; Su, M.; Guerrero, J.M. Review of Power Sharing Control Strategies for Islanding Operation of AC Microgrids. IEEE Trans. Smart Grid 2016, 7, 200–215. [Google Scholar] [CrossRef]
- Bollen, M.H.; Das, R.; Djokic, S.; Ciufo, P.; Meyer, J.; Rönnberg, S.K.; Zavodam, F. Power Quality Concerns in Implementing Smart Distribution-Grid Applications. IEEE Trans. Smart Grid 2017, 8, 391–399. [Google Scholar] [CrossRef]
- Chandorkar, M.C.; Divan, D.M.; Adapa, R. Control of parallel connected inverters in standalone AC supply systems. IEEE Trans. Ind. Appl. 1993, 29, 136–143. [Google Scholar] [CrossRef]
- Engler, A. Applicability of droops in low voltage grids. Int. J. Distrib. Energy Res. 2005, 1, 1–6. [Google Scholar]
- Guerrero, J.M.; Matas, J.; de Vicuna, L.G.; Castilla, M.; Miret, J. Wireless-Control Strategy for Parallel Operation of Distributed-Generation Inverters. IEEE Trans. Ind. Electron. 2006, 53, 1461–1470. [Google Scholar] [CrossRef]
- Trivedi, A.; Singh, M. L1 Adaptive Droop Control for AC Microgrid With Small Mesh Network. IEEE Trans. Ind. Electron. 2018, 65, 4781–4789. [Google Scholar] [CrossRef]
- Ziouani, I.; Boukhetala, D.; Darcherif, A.; Amghar, B.; el Abbassi, I. Hierarchical control for flexible microgrid based on three-phase voltage source inverters operated in parallel. Int. J. Electr. Power Energy Syst. 2018, 95, 188–201. [Google Scholar] [CrossRef]
- Kayalvizhi, S.; Kumar, D.M.V. Load Frequency Control of an Isolated Micro Grid Using Fuzzy Adaptive Model Predictive Control. IEEE Access 2017, 5, 16241–16251. [Google Scholar] [CrossRef]
- Han, Y.; Shen, P.; Zhao, X.; Guerrero, J.M. An Enhanced Power Sharing Scheme for Voltage Unbalance and Harmonics Compensation in an Islanded AC Microgrid. IEEE Trans. Energy Convers. 2012, 27, 831–841. [Google Scholar] [CrossRef]
- Vandoorn, T.; Meersman, B.; Kooning, J.D.; Vandevelde, L. Controllable harmonic current sharing in islanded microgrids: DG units with programmable resistive behavior toward harmonics. IEEE Trans. Power Deliv. 2012, 27, 831–841. [Google Scholar] [CrossRef]
- Trivedi, A.; Singh, M. Repetitive Controller for VSIs in Droop-Based AC-Microgrid. IEEE Trans. Power Electron. 2017, 32, 6595–6604. [Google Scholar] [CrossRef]
- Gholami, S.; Saha, S.; Aldeen, M. Robust multiobjective control method for power sharing among distributed energy resources in islanded microgrids with unbalanced and nonlinear loads. Int. J. Electr. Power Energy Syst. 2018, 94, 321–338. [Google Scholar] [CrossRef]
- Rezaei, M.M.; Soltani, J. A robust control strategy for a grid-connected multi-bus microgrid under unbalanced load conditions. Int. J. Electr. Power Energy Syst. 2015, 71, 68–76. [Google Scholar] [CrossRef]
- Kumar, S.; Singh, B. Seamless Operation and Control of Single Phase Hybrid PV-BES-Utility Synchronized System. IEEE Trans. Ind. Appl. 2019, 55, 1072–1082. [Google Scholar] [CrossRef]
- Tummuru, N.R.; Manandhar, U.; Ukil, A.; Gooi, H.B.; Kollimalla, S.K.; Naidu, S. Control strategy for AC-DC microgrid with hybrid energy storage under different operating modes. Int. J. Electr. Power Energy Syst. 2019, 104, 807–816. [Google Scholar] [CrossRef]
- Das, D.; Gurrala, G.; Shenoy, U.J. Linear Quadratic Regulator-Based Bumpless Transfer in Microgrids. IEEE Trans. Smart Grid 2018, 9, 416–425. [Google Scholar] [CrossRef]
- Arafat, M.N.; Elrayyah, A.; Sozer, Y. An Effective Smooth Transition Control Strategy Using Droop-Based Synchronization for Parallel Inverters. IEEE Trans. Ind. Appl. 2015, 51, 2443–2454. [Google Scholar] [CrossRef]
- Wang, J.; Chang, N.C.P.; Feng, X.; Monti, A. Design of a Generalized Control Algorithm for Parallel Inverters for Smooth Microgrid Transition Operation. IEEE Trans. Ind. Electron. 2015, 62, 4900–4914. [Google Scholar] [CrossRef]
- Caldognetto, T.; Tenti, P. Microgrids Operation Based on Master-Slave Cooperative Control. IEEE J. Emerg. Sel. Top. Power Electron. 2014, 2, 1081–1088. [Google Scholar] [CrossRef]
- Yang, J.; Yuan, W.; Sun, Y.; Han, H.; Hou, X.; Guerrero, J.M. A novel quasi-master-slave control frame for PV-storage independent microgrid. Int. J. Electr. Power Energy Syst. 2018, 97, 262–274. [Google Scholar] [CrossRef]
- Talapur, G.G.; Suryawanshi, H.M.; Xu, L.; Shitole, A.B. A Reliable Microgrid With Seamless Transition Between Grid Connected and Islanded Mode for Residential Community with Enhanced Power Quality. IEEE Trans. Ind. Appl. 2018, 54, 5246–5255. [Google Scholar] [CrossRef]
- Jain, P.; Agarwal, V.; Muni, B.P. Hybrid Phase Locked Loop for Controlling Master-Slave Configured Centralized Inverters in Large Solar Photovoltaic Power Plants. IEEE Trans. Ind. Appl. 2018, 54, 3566–3574. [Google Scholar] [CrossRef]













| Sr.No. | Parameter | Value |
|---|---|---|
| 1 | Microgrid Voltage | 415 V (L-L) |
| 1 | Microgrid Frequency | 50 Hz |
| 2 | Rating of | 30 kVA |
| 3 | Rating of | 25 kVA |
| 4 | Rating of | 20 kVA |
| 5 | Rating of | 50 kVA |
| 6 | Line Impedance | 3 mH, 1.334 |
| 7 | Filter | 0.15 , 6 mH and 50 F |
| 8 | DC link Voltage of DGs | 760 V |
| 9 | Switching Frequency of VSC | 3150 Hz |
| Criteria | [13] | [18] | [20] | [23] | [24] | Proposed |
|---|---|---|---|---|---|---|
| Voltage regulation | yes | yes | yes | yes | yes | yes |
| Compensation of reactive power, harmonics and unbalanced current | yes | yes | - | yes | Yes | yes |
| Seamless transition between modes of operation | - | yes | yes | - | - | yes |
| Dynamics during disturbances (on voltage source) | medium | poor | medium | poor | poor | good |
| Control complexity | more | medium | medium | medium | medium | less |
© 2019 by the authors. Licensee MDPI, Basel, Switzerland. This article is an open access article distributed under the terms and conditions of the Creative Commons Attribution (CC BY) license (http://creativecommons.org/licenses/by/4.0/).
Share and Cite
Talapur, G.G.; Suryawanshi, H.M. A Modified Control Scheme for Power Management in an AC Microgrid with Integration of Multiple Nanogrids. Electronics 2019, 8, 490. https://doi.org/10.3390/electronics8050490
Talapur GG, Suryawanshi HM. A Modified Control Scheme for Power Management in an AC Microgrid with Integration of Multiple Nanogrids. Electronics. 2019; 8(5):490. https://doi.org/10.3390/electronics8050490
Chicago/Turabian StyleTalapur, Girish G., and Hiralal M. Suryawanshi. 2019. "A Modified Control Scheme for Power Management in an AC Microgrid with Integration of Multiple Nanogrids" Electronics 8, no. 5: 490. https://doi.org/10.3390/electronics8050490
APA StyleTalapur, G. G., & Suryawanshi, H. M. (2019). A Modified Control Scheme for Power Management in an AC Microgrid with Integration of Multiple Nanogrids. Electronics, 8(5), 490. https://doi.org/10.3390/electronics8050490

