A Novel Low-Cost Synchronous/Asynchronous Microcontroller-Based Pulsed Laser
Abstract
1. Introduction
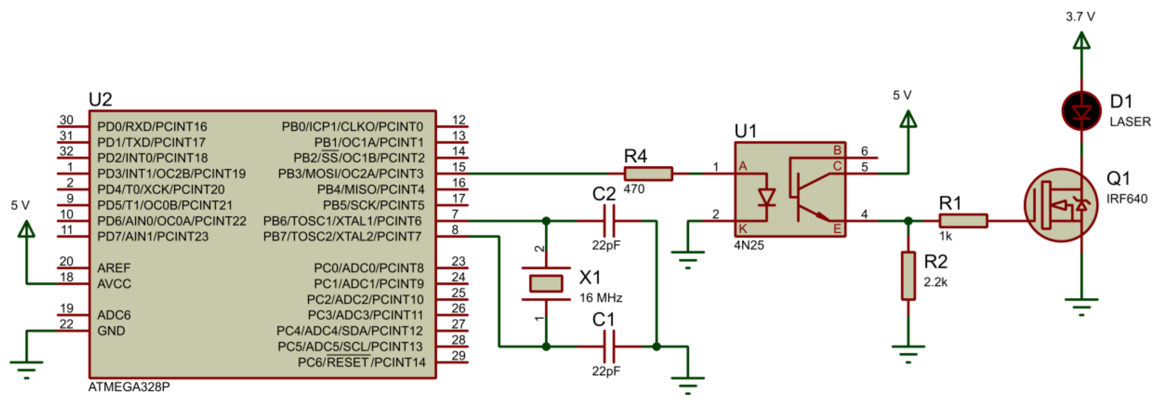
2. Experimental Setup
3. Results
4. Conclusions
Author Contributions
Funding
Conflicts of Interest
References
- Hecht, J. Short history of laser development. Opt. Eng. 2010, 49, 091002. [Google Scholar] [CrossRef]
- Diels, J.-C.; Arissian, L. Lasers: The Power and Precision of Light; Wiley-VCH: Weinheim, Germany, 2011. [Google Scholar]
- Glasser, L.A. C.W. modelocking of a GaInAsP diode laser. Electron. Lett. 1978, 14, 725. [Google Scholar] [CrossRef]
- Benmair, R.M.J.; Kagan, J.; Kalisky, Y.; Noter, Y.; Oron, M.; Shimony, Y.; Yogev, A. Solar-pumped Er,Tm,Ho:YAG laser. Opt. Lett. 1990, 15, 36. [Google Scholar] [CrossRef]
- Bollig, C.; Clarkson, W.A.; Hanna, D.C. Stable high-repetition-rate single-frequency Q-switched operation by feedback suppression of relaxation oscillation. Opt. Lett. 1995, 20, 1383. [Google Scholar] [CrossRef] [PubMed]
- Wang, Z.; Wang, Z.; Liu, Y.; He, R.; Wang, G.; Yang, G.; Han, S. The simultaneous generation of soliton bunches and Q-switched-like pulses in a partially mode-locked fiber laser with a graphene saturable absorber. Laser Phys. Lett. 2018, 15, 055101. [Google Scholar] [CrossRef]
- Santiago-Hernandez, H.; Pottiez, O.; Duran-Sanchez, M.; Alvarez-Tamayo, R.I.; Lauterio-Cruz, J.P.; Hernandez-Garcia, J.C.; Ibarra-Escamilla, B.; Kuzin, E.A. Dynamics of noise-like pulsing at sub-ns scale in a passively mode-locked fiber laser. Opt. Express. 2015, 23, 18840–18849. [Google Scholar] [CrossRef]
- Krzempek, K.; Abramski, K. Dissipative soliton resonance mode-locked double clad Er:Yb laser at different values of anomalous dispersion. Opt. Express. 2016, 24, 22379. [Google Scholar] [CrossRef] [PubMed]
- Lauterio-Cruz, J.P.; Pottiez, O.; Bracamontes-Rodríguez, Y.E.; Hernández-García, J.C.; García-Sánchez, E.; Bello-Jimenez, M.; Kuzin, E.A. Comparative study of supercontinuum generation using standard and high-nonlinearity fibres pumped by noise-like pulses. Laser Phys. 2017, 27, 065107. [Google Scholar] [CrossRef]
- Xu, R.-Q.; Tian, J.-R.; Song, Y.-R. Noise-like pulses with a 145 fs spike generated in an Yb-doped fiber nonlinear amplifier. Opt. Lett. 2018, 43, 1910. [Google Scholar] [CrossRef] [PubMed]
- Svelto, O. Principles of Lasers; Springer US: Boston, MA, USA, 2010. [Google Scholar]
- Tamura, K.; Nakazawa, M. Pulse energy equalization in harmonically FM mode-locked losers with slow gain. Opt. Lett. 1996, 21, 1930–1932. [Google Scholar] [CrossRef]
- Pottiez, O.; Hernández-García, J.C.; Ibarra-Escamilla, B.; Kuzin, E.A.; Durán-Sánchez, M.; González-García, A. High-order harmonic noise-like pulsing of a passively mode-locked double-clad Er/Yb fibre ring laser. Laser Phys. 2014, 24, 115103. [Google Scholar] [CrossRef]
- Lauterio-Cruz, J.P.; Hernandez-Garcia, J.C.; Pottiez, O.; Estudillo-Ayala, J.M.; Kuzin, E.A.; Rojas-Laguna, R.; Santiago-Hernandez, H.; Jauregui-Vazquez, D. High energy noise-like pulsing in a double-clad Er/Yb figure-of-eight fiber laser. Opt. Express. 2016, 24, 13778–13787. [Google Scholar] [CrossRef]
- Wang, Y.; Li, J.; Zhang, E.; Mo, K.; Wang, Y.; Liu, F.; Zhou, X.; Liu, Y. Coexistence of noise-like pulse and high repetition rate harmonic mode-locking in a dual-wavelength mode-locked Tm-doped fiber laser. Opt. Express. 2017, 25, 17192. [Google Scholar] [CrossRef]
- Richardson, D.J.; Laming, R.I.; Payne, D.N.; Phillips, M.W.; Matsas, V.J. 320 fs soliton generation with passively mode-locked erbium fibre laser. Electron. Lett. 1991, 27, 730. [Google Scholar] [CrossRef]
- Hernandez-Garcia, J.C.; Estudillo-Ayala, J.M.; Pottiez, O.; Filoteo-Razo, J.D.; Lauterio-Cruz, J.P.; Sierra-Hernandez, J.M.; Rojas-Laguna, R. Flat supercontinuum generation by a F8L in high-energy harmonic noise-like pulsing regime. Laser Phys. Lett. 2016, 13, 125104. [Google Scholar] [CrossRef]
- Newbury, N.R. Searching for applications with a fine-tooth comb. Nat. Photonics. 2011, 5, 186–188. [Google Scholar] [CrossRef]
- Leith, E.N.; Upatnieks, J. Reconstructed Wavefronts and Communication Theory. J. Opt. Soc. Am. 1962, 52, 1123. [Google Scholar] [CrossRef]
- Romanini, D.; Kachanov, A.A.; Sadeghi, N.; Stoeckel, F. CW cavity ring down spectroscopy. Chem. Phys. Lett. 1997, 264, 316–322. [Google Scholar] [CrossRef]
- Abbate, A.D.; Kawai, T.; Moore, C.B.; Chin, C.-T. Activation and cleaning of oxide surfaces by a cw CO2 laser. Surf. Sci. 1984, 136, L19–L24. [Google Scholar] [CrossRef]
- Turhani, D.; Scheriau, M.; Kapral, D.; Benesch, T.; Jonke, E.; Bantleon, H.P. Pain relief by single low-level laser irradiation in orthodontic patients undergoing fixed appliance therapy. Am. J. Orthod. Dentofac. Orthop. 2006, 130, 371–377. [Google Scholar] [CrossRef] [PubMed]
- Bass, M. Laser Materials Processing; Elsevier: New York, NY, USA, 2012. [Google Scholar]
- Özgören, K.; Öktem, B.; Yilmaz, S.; Ilday, F.Ö.; Eken, K. 83 W, 31 MHz, square-shaped, 1 ns-pulsed all-fiber-integrated laser for micromachining. Opt. Express. 2011, 19, 17647. [Google Scholar] [CrossRef] [PubMed]
- Fermann, M.E.; Hartl, I. Ultrafast fibre lasers. Nat. Photonics. 2013, 7, 868–874. [Google Scholar] [CrossRef]
- Smirnov, S.V.; Ania-Castañón, J.D.; Kobtsev, S.; Turitsyn, S.K. Supercontinuum in Telecom Applications. In The Supercontinuum Laser Source, 3rd ed.; Alfano, R.R., Ed.; Springer: New York, NY, USA, 2016; pp. 371–403. [Google Scholar]
- Thyagarajan, K.; Ghatak, A. Lasers, 2nd ed.; Springer US: Boston, MA, USA, 2011. [Google Scholar]
- Saleh, B.E.A.; Teich, M.C. Fundamentals of Photonics, 2nd ed.; Wiley: Hoboken, NJ, USA, 2007. [Google Scholar]
- Barrett, S.F.; Pack, D.J. Microcontrollers Fundamentals for Engineers and Scientists; Morgan & Claypool: Williston, VT, USA, 2006. [Google Scholar]
- Boone, G.W. Computing Systems CPU. U.S. Patent 3757306, 4 September 1973. [Google Scholar]
- Moon, J.-W.; Park, J.-W.; Kang, D.-W.; Kim, J.-M. A Control Method of HVDC-Modular Multilevel Converter Based on Arm Current Under the Unbalanced Voltage Condition. IEEE Trans. Power Deliv. 2015, 30, 529–536. [Google Scholar] [CrossRef]
- Salehi, M.; Ejlali, A. A Hardware Platform for Evaluating Low-Energy Multiprocessor Embedded Systems Based on COTS Devices. IEEE Trans. Ind. Electron. 2015, 62, 1262–1269. [Google Scholar] [CrossRef]
- Crespi, A.; Badertscher, A.; Guignard, A.; Ijspeert, A.J. AmphiBot I: An amphibious snake-like robot. Rob. Auton. Syst. 2005, 50, 163–175. [Google Scholar] [CrossRef]
- Rostro-Gonzalez, H.; Cerna-Garcia, P.A.; Trejo-Caballero, G.; Garcia-Capulin, C.H.; Ibarra-Manzano, M.A.; Avina-Cervantes, J.G.; Torres-Huitzil, C. A CPG system based on spiking neurons for hexapod robot locomotion. Neurocomputing. 2015, 170, 47–54. [Google Scholar] [CrossRef]
- Espinal, A.; Rostro-Gonzalez, H.; Carpio, M.; Guerra-Hernandez, E.I.; Ornelas-Rodriguez, M.; Puga-Soberanes, H.J.; Sotelo-Figueroa, M.A.; Melin, P. Quadrupedal Robot Locomotion: A Biologically Inspired Approach and Its Hardware Implementation. Comput. Intell. Neurosci. 2016, 2016, 1–13. [Google Scholar] [CrossRef]
- Koutroulis, E.; Kalaitzakis, K.; Voulgaris, N.C. Development of a microcontroller-based, photovoltaic maximum power point tracking control system. IEEE Trans. Power Electron. 2001, 16, 46–54. [Google Scholar] [CrossRef]
- Rajagopal, K.; Çiçek, S.; Pham, V.-T.; Jafari, S.; Karthikeyan, A. A novel class of chaotic systems with different shapes of equilibrium and microcontroller-based cost-effective design for digital applications. Eur. Phys. J. Plus. 2018, 133, 231. [Google Scholar] [CrossRef]
- Short, M.; Abugchem, F. A Microcontroller-Based Adaptive Model Predictive Control Platform for Process Control Applications. Electronics 2017, 6, 88. [Google Scholar] [CrossRef]
- Mukaro, R.; Carelse, X.F. A microcontroller-based data acquisition system for solar radiation and environmental monitoring. IEEE Trans. Instrum. Meas. 1999, 48, 1232–1238. [Google Scholar] [CrossRef]
- Parra, J.S.; Ospina, B.; Mejia, E.F.; Orozco-Gutierrez, M.L.; Bastidas-Rodriguez, J.D. Microcontroller Based Low Cost and Modular Architecture for Photovoltaic Array Monitoring. In Proceedings of the 2018 IEEE International Conference on Environment and Electrical Engineering and 2018 IEEE Industrial and Commercial Power Systems Europe (EEEIC / I&CPS Europe), Palermo, Italy, 12–15 June 2018. [Google Scholar]
- Godoy Simoes, M.; Franceschetti, N.N. A RISC-microcontroller based photovoltaic system for illumination applications. In Proceedings of the APEC 2000. Fifteenth Annual IEEE Applied Power Electronics Conference and Exposition, New Orleans, LA, USA, 6–10 February 2000. [Google Scholar]
- Adam, G.K.; Kontaxis, P.A.; Doulos, L.T.; Madias, E.-N.D.; Bouroussis, C.A.; Topalis, F.V. Embedded microcontroller with a CCD camera as a digital lighting control system. Electronis 2019, 8, 33. [Google Scholar] [CrossRef]
- Izhikevich, E.M. Which model to use for cortical spiking neurons? IEEE Trans. Neural Networks. 2004, 15, 1063–1070. [Google Scholar] [CrossRef]
- Reinoso, J.A.; Torrent, M.C.; Masoller, C. Analysis of noise-induced temporal correlations in neuronal spike sequences. Eur. Phys. J. Spec. Top. 2016, 225, 2689–2696. [Google Scholar] [CrossRef][Green Version]
- Furber, S.B.; Galluppi, F.; Temple, S.; Plana, L.A. The SpiNNaker Project. Proc. IEEE. 2014, 102, 652–665. [Google Scholar] [CrossRef]
- Davies, M.; Srinivasa, N.; Lin, T.-H.; Chinya, G.; Cao, Y.; Choday, S.H.; Dimou, G.; Joshi, P.; Imam, N.; Jain, S.; et al. Loihi: A Neuromorphic Manycore Processor with On-Chip Learning. IEEE Micro. 2018, 38, 82–99. [Google Scholar] [CrossRef]




© 2019 by the authors. Licensee MDPI, Basel, Switzerland. This article is an open access article distributed under the terms and conditions of the Creative Commons Attribution (CC BY) license (http://creativecommons.org/licenses/by/4.0/).
Share and Cite
Lauterio-Cruz, J.P.; Hernandez-Garcia, J.C.; Filoteo-Razo, J.D.; Estudillo-Ayala, J.M.; Rojas-Laguna, R.; Pottiez, O.; Barron-Zambrano, J.H.; Rostro-González, H. A Novel Low-Cost Synchronous/Asynchronous Microcontroller-Based Pulsed Laser. Electronics 2019, 8, 489. https://doi.org/10.3390/electronics8050489
Lauterio-Cruz JP, Hernandez-Garcia JC, Filoteo-Razo JD, Estudillo-Ayala JM, Rojas-Laguna R, Pottiez O, Barron-Zambrano JH, Rostro-González H. A Novel Low-Cost Synchronous/Asynchronous Microcontroller-Based Pulsed Laser. Electronics. 2019; 8(5):489. https://doi.org/10.3390/electronics8050489
Chicago/Turabian StyleLauterio-Cruz, Jesús Pablo, Juan Carlos Hernandez-Garcia, José David Filoteo-Razo, Julian Moises Estudillo-Ayala, Roberto Rojas-Laguna, Olivier Pottiez, José Hugo Barron-Zambrano, and Horacio Rostro-González. 2019. "A Novel Low-Cost Synchronous/Asynchronous Microcontroller-Based Pulsed Laser" Electronics 8, no. 5: 489. https://doi.org/10.3390/electronics8050489
APA StyleLauterio-Cruz, J. P., Hernandez-Garcia, J. C., Filoteo-Razo, J. D., Estudillo-Ayala, J. M., Rojas-Laguna, R., Pottiez, O., Barron-Zambrano, J. H., & Rostro-González, H. (2019). A Novel Low-Cost Synchronous/Asynchronous Microcontroller-Based Pulsed Laser. Electronics, 8(5), 489. https://doi.org/10.3390/electronics8050489

