Three-Phase Five-Level Cascade Quasi-Switched Boost Inverter
Abstract
:1. Introduction
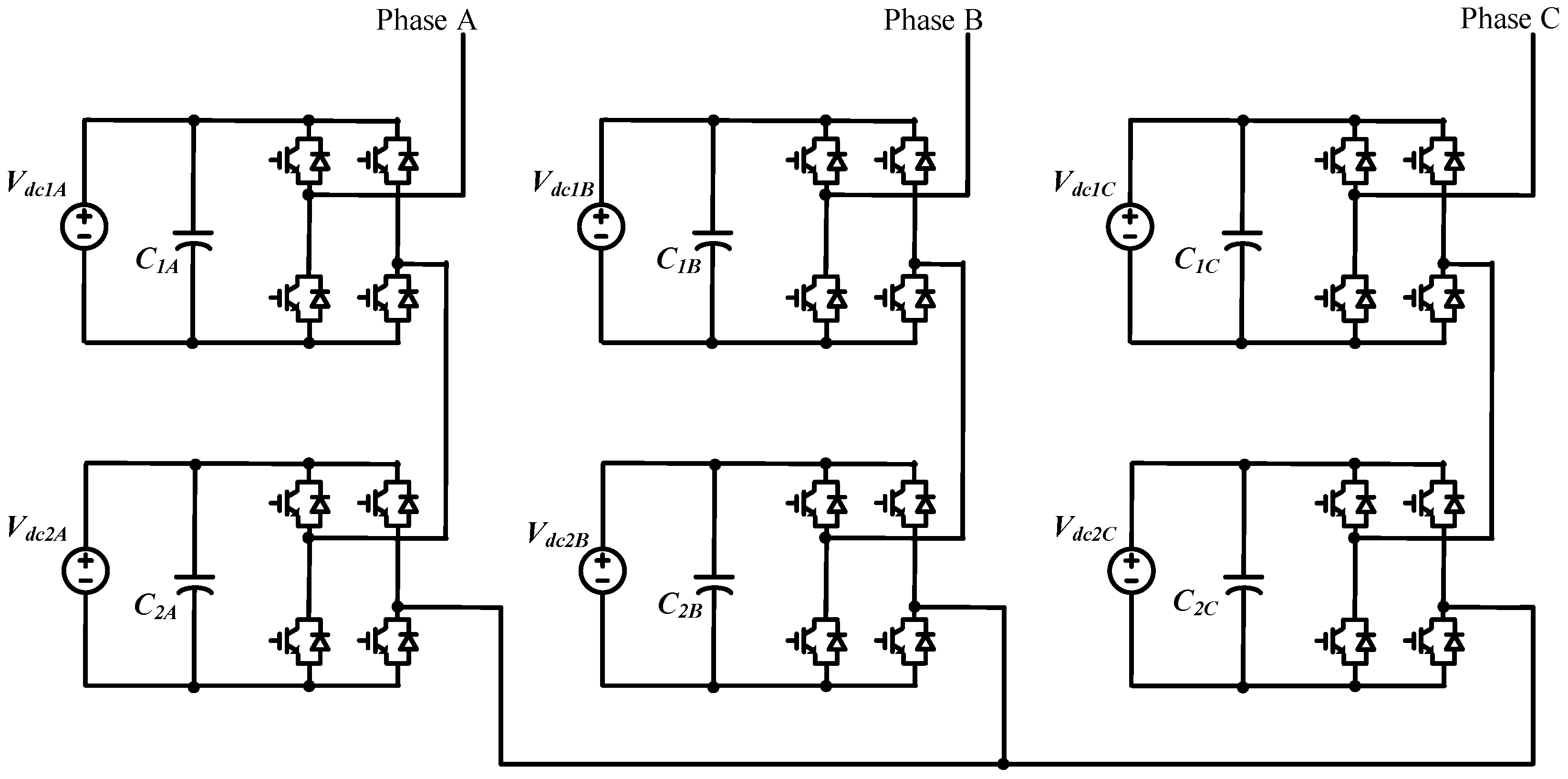
2. Conventional Three-Phase CHB Inverter Topologies
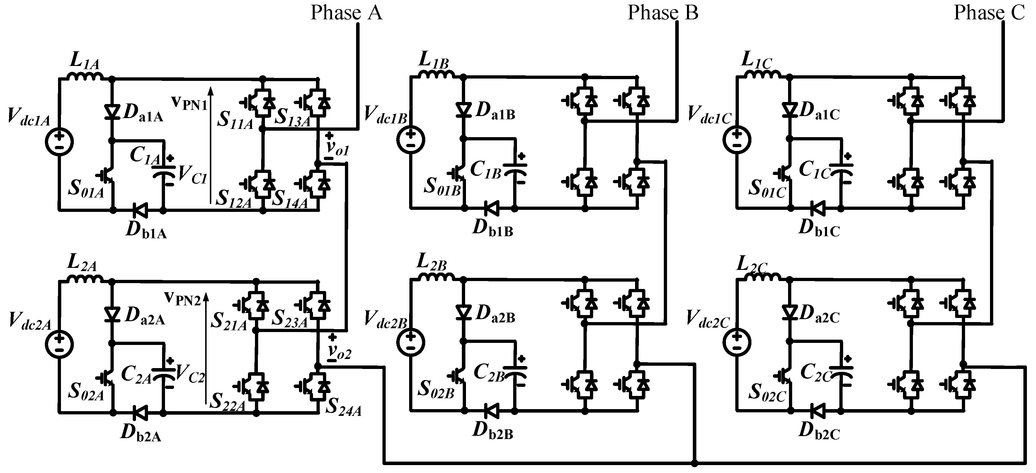
3. Three-Phase CHB-qSBI
3.1. Operating Principle
3.2. Improved PWM Control for Three-Phase CHB-qSBI
4. Comparison between Three-Phase CHB-qSBI under Improved PWM Method and Three-Phase CHB-qZSI
5. Simulation and Experimental Verifications
5.1. Simulation Verification
5.2. Experimental Verifications
6. Conclusions
Author Contributions
Funding
Acknowledgments
Conflicts of Interest
Abbreviations
| CHB | Cascaded H-bridge |
| D1 | Shoot-through duty cycle |
| DSP | Digital signal processing |
| EMI | Electromagnetic interference |
| FC | Flying capacitor |
| NPC | Neutral point clamped |
| NST | Non-shoot-through |
| PWM | Pulse-width modulation |
| qSBI | quasi-switched boost inverter |
| ST | Shoot-through |
| T | Period time |
| qZSI | Quasi-Z-source inverter |
References
- Malinowski, M.; Gopakumar, K.; Rodriguez, J.; Pérez, M.A. A survey on cascaded multilevel inverters. IEEE Trans. Ind. Electron. 2010, 57, 2197–2206. [Google Scholar] [CrossRef]
- Su, G.J. Multilevel dc-link inverter. IEEE Trans. Ind. Appl. 2005, 41, 848–854. [Google Scholar] [CrossRef]
- Calais, M.; Borle, L.J.; Agelidis, V.G. Analysis of multicarrier PWM methods for a single-phase five-level inverter. In Proceedings of the 2001 IEEE 32nd Annual Power Electronics Specialists Conference, Vancouver, BC, Canada, 17–21 June 2001; Volume 3, pp. 1173–1178. [Google Scholar]
- Pou, J.; Pindado, R.; Boroyevich, D. Voltage-balance limits in four-level diode-clamped converters with passive front ends. IEEE Trans. Ind. Electron. 2005, 52, 190–196. [Google Scholar] [CrossRef]
- Hammami, M.; Rizzoli, G.; Mandrioli, R.; Grandi, G. Capacitors voltage switching ripple in three-phase three-level neutral point clamped inverters with self-balancing carrier-based modulation. Energies 2018, 11, 3244. [Google Scholar] [CrossRef]
- Son, Y.; Kim, J. A novel phase current reconstruction method for a three-level neutral point clamped inverter (NPCI) with a neutral shunt resistor. Energies 2018, 11, 2616. [Google Scholar] [CrossRef]
- Meynard, T.A.; Foch, H.; Thomas, P.; Courault, J.; Jakob, R.; Nahrstaedt, M. Multilevel converters: Basic concepts and industry applications. IEEE Trans. Ind. Electron. 2002, 49, 955–964. [Google Scholar] [CrossRef]
- Kang, K.P.; Cho, Y.; Kim, H.S.; Baek, J.W. DC-link capacitor voltage imbalance compensation method based injecting harmonic voltage for cascaded multi-module neutral point clamped inverter. Electronics 2019, 8, 155. [Google Scholar] [CrossRef]
- Kang, J.W.; Hyun, S.W.; Ha, J.O.; Won, C.Y. Improved neutral-point voltage-shifting strategy for power balancing in cascaded NPC/H-bridge inverter. Electronics 2018, 7, 167. [Google Scholar] [CrossRef]
- Noman, A.M.; Al-Shamma’a, A.A.; Addoweesh, K.E.; Alabduljabbar, A.A.; Alolah, A.I. cascaded multilevel inverter topology based on cascaded H-bridge multilevel inverter. Energies 2018, 11, 895. [Google Scholar] [CrossRef]
- Villanueva, E.; Correa, P.; Rodriguez, J.; Pacas, M. Control of a single-phase cascader H-bridge multilevel converter for grid-connected photovoltaic systems. IEEE Trans. Ind. Electron. 2009, 56, 4399–4406. [Google Scholar] [CrossRef]
- Kouro, S.; Moya, A.; Villanueva, E.; Correa, P.; Wu, B.; Rodriguez, J. Control of a cascaded H-bridge converter for grid-connected photovoltaic systems. In Proceedings of the IEEE 35th Annual Conference of the Industrial Electronics Society, Porto, Portugal, 3–5 November 2009; Volume 9, pp. 1–7. [Google Scholar]
- Viola, F. Experimental evaluation of the performance of a three-phase five-level cascaded H-bridge inverter by means FPGA-based control board for grid connected applications. Energies 2018, 11, 3298. [Google Scholar] [CrossRef]
- Suresh, Y.; Pand, A.K. Research on a cascaded multilevel inverter by employing three-phase transformers. IET Power Electron. 2012, 5, 561–570. [Google Scholar] [CrossRef]
- Zhou, Y.; Liu, L.; Li, H. A high-performance photovoltaic module-integrated converter (MIC) based on cascaded quasi-Z-source inverters (qZSI) using eGaN FETs. IEEE Trans. Power Electron. 2013, 28, 2727–2738. [Google Scholar] [CrossRef]
- Sun, D.; Ge, B.; Yan, X.; Bi, D.; Zhang, L.H.Y.; Abu, H.; Ben, L.; Feng, F.Z. Modeling, impedance-design, and efficiency analysis of quasi-Z source module in cascaded multilevel photovoltaic power system. IEEE Trans. Ind. Electron. 2014, 61, 6108–6117. [Google Scholar] [CrossRef]
- Sun, D.; Ge, B.; Peng, F.Z.; Haitham, A.R.; Bi, D.; Liu, Y. A new grid-connected PV system based on cascaded H-bridge quasi-Z source inverter. In Proceedings of the IEEE International Symposium on Industrial Electronics (ISIE), Hangzhou, China, 28–31 May 2012; pp. 951–956. [Google Scholar]
- Ge, B.; Liu, Y.; Abu-Rub, H.; Peng, F.Z. State-of-charge balancing control for a battery-energy-stored quasi-Z-source cascaded-multilevel-inverter-based photovoltaic power system. IEEE Trans. Ind. Electron. 2018, 65, 2268–2279. [Google Scholar] [CrossRef]
- Miceli, R.; Schettino, G.; Viola, F. Performance evaluation of a three-phase five-level quasi-Z-source cascaded h-bridge for grid-connected applications. In Proceedings of the IEEE International Power Electronics and Application Conference and Exposition (PEAC), Shenzhen, China, 4–7 November 2018; pp. 1–6. [Google Scholar]
- Aleenejad, M.; Mahmoudi, H.; Moamaei, P.; Ahmadi, R. A fault-tolerant strategy based on fundamental phase shift compensation for three phase multilevel converters with quasi-Z-Source networks. In Proceedings of the IEEE Power and Energy Conference at Illinois (PECI), Urbana, IL, USA, 19–20 February 2016; pp. 1–6. [Google Scholar]
- Nguyen, M.K.; Le, T.V.; Park, S.J.; Lim, Y.C. A class of quasi-switched boost inverters. IEEE Trans. Ind. Electron. 2015, 62, 1526–1536. [Google Scholar] [CrossRef]
- Nguyen, M.K.; Lim, Y.C.; Park, S.J. A comparison between single-phase quasi-Z-source and quasi-switched boost inverters. IEEE Trans. Ind. Electron. 2015, 62, 6336–6344. [Google Scholar] [CrossRef]
- Nguyen, M.K.; Choi, Y.O. PWM control scheme for quasi-switched-boost inverter to improve modulation index. IEEE Trans. Power Election. 2018, 33, 4037–4044. [Google Scholar] [CrossRef]
- Tran, T.T.; Nguyen, M.K. Cascaded five-level quasi-switched-boost inverter for single-phase grid-connected system. IET Power Electron. 2017, 10, 1896–1903. [Google Scholar] [CrossRef]
- Tran, V.T.; Nguyen, M.K.; Yoo, M.H.; Choi, Y.O.; Cho, G.B. A three-phase cascaded H-bridge quasi switched boost inverter for renewable energy. In Proceedings of the IEEE International Conference on Electrical Machines and Systems (ICEMS), Sydney, Australia, 11–14 August 2017; pp. 1–5. [Google Scholar]
- Liu, Y.; Abu-Rub, H.; Ge, B.; Peng, F.Z. Impedance design of 21-kW quasi-Z-source H-bridge module for MW-scale medium-voltage cascaded multilevel photovoltaic inverter. In Proceedings of the IEEE 23rd International Symposium on Industrial Electronics (ISIE), Istanbul, Turkey, 1–4 June 2014; pp. 2490–2495. [Google Scholar]
- Gautam, A.R.; Rathore, N.; Fulwani, D. Second-order harmonic ripple mitigation: A solution for the micro-inverter applications. In Proceedings of the IEEE Industry Applications Society Annual Meeting (IAS), Portland, OR, USA, 23–27 September 2018; pp. 1–6. [Google Scholar]












| Compared Condition | Status of Switches | ||||
|---|---|---|---|---|---|
| S01A | S11A | S12A | S13A | S14A | |
| VSH1 ≤ *vtri | 1 | 1 | 1 | 1 | 1 |
| VSH1 ≤ vsaw | 1 | - | - | - | - |
| VSH1 > vsaw | 0 | - | - | - | - |
| vcontrol > vtri | - | 1 | 0 | - | - |
| vcontrol ≤ vtri | - | 0 | 1 | - | - |
| −vcontrol > vtri | - | - | - | 1 | 0 |
| −vcontrol ≤ vtri | - | - | - | 0 | 1 |
| Parameter | Three-Phase CHB-qZSI | Three-Phase CHB-qSBI | |
|---|---|---|---|
| Number of inductors | 12 | 6 | |
| Number of capacitors | 12 | 6 | |
| Number of diodes | 30 | 36 | |
| Number of switches | 24 | 30 | |
| Capacitor voltage | VC1 = VC2 | ||
| VC3 = VC4 | NA | ||
| DC-Link voltage each module, VPN | |||
| Diodes voltage stresses, VD | |||
| Switches voltage stresses, VS | |||
| Voltage gain, G at each module | |||
| ST immunity | Yes | Yes | |
| Input current | Continuous | Continuous | |
| Parameter | Value | |
|---|---|---|
| Output voltage | 220 Vrms | |
| Output frequency | 50 Hz | |
| Inductors | 1 mH | |
| Capacitors | 2200 uF | |
| Load | Inductor (Lf) | 10 mH |
| Resistor (R) | 30 Ω | |
| Switching frequency | 10 KHz | |
© 2019 by the authors. Licensee MDPI, Basel, Switzerland. This article is an open access article distributed under the terms and conditions of the Creative Commons Attribution (CC BY) license (http://creativecommons.org/licenses/by/4.0/).
Share and Cite
Tran, V.-T.; Nguyen, M.-K.; Ngo, C.-C.; Choi, Y.-O. Three-Phase Five-Level Cascade Quasi-Switched Boost Inverter. Electronics 2019, 8, 296. https://doi.org/10.3390/electronics8030296
Tran V-T, Nguyen M-K, Ngo C-C, Choi Y-O. Three-Phase Five-Level Cascade Quasi-Switched Boost Inverter. Electronics. 2019; 8(3):296. https://doi.org/10.3390/electronics8030296
Chicago/Turabian StyleTran, Van-Thuan, Minh-Khai Nguyen, Cao-Cuong Ngo, and Youn-Ok Choi. 2019. "Three-Phase Five-Level Cascade Quasi-Switched Boost Inverter" Electronics 8, no. 3: 296. https://doi.org/10.3390/electronics8030296
APA StyleTran, V.-T., Nguyen, M.-K., Ngo, C.-C., & Choi, Y.-O. (2019). Three-Phase Five-Level Cascade Quasi-Switched Boost Inverter. Electronics, 8(3), 296. https://doi.org/10.3390/electronics8030296

