Three-Phase Three-Level Flying Capacitor PV Generation System with an Embedded Ripple Correlation Control MPPT Algorithm
Abstract
1. Introduction
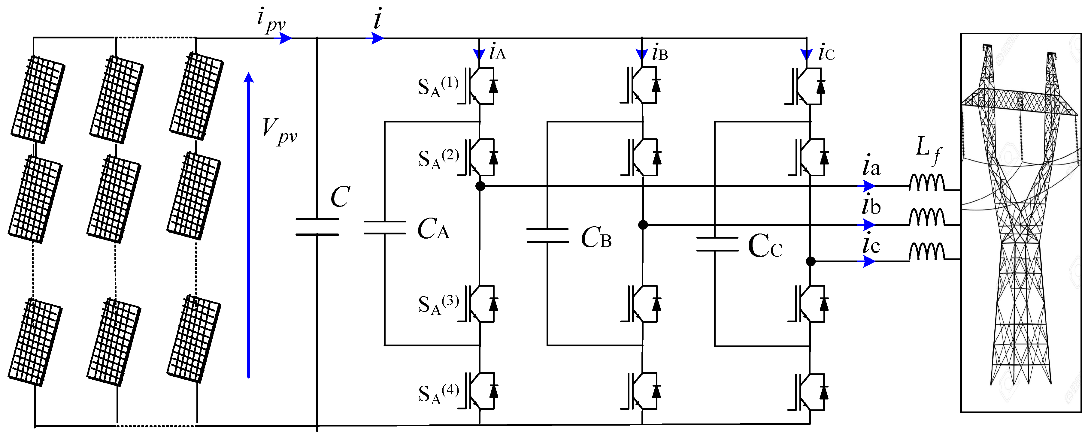
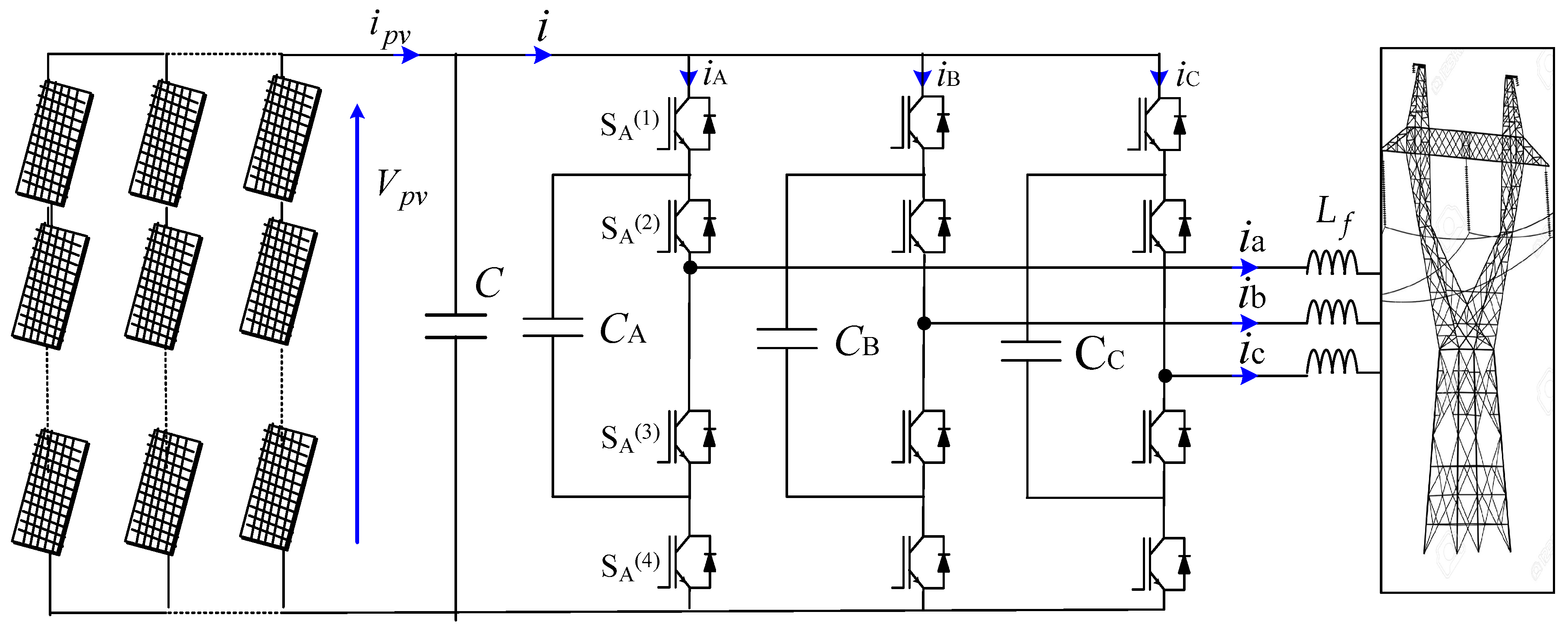
2. Modulation Principle for the Three-Level FC Inverter
3. Evaluation of PV Current and Voltage Harmonics
3.1. Inverter Input Current Harmonics
3.2. PV Voltage Harmonics
3.3. PV Current Harmonics
4. Proposed RCC-MPPT Algorithm
5. Simulation Results
- Sun irradiance (ramp) increase,
- Sun irradiance (ramp) decrease.
6. Conclusions
Author Contributions
Funding
Conflicts of Interest
References
- Elgendy, M.A.; Zahawi, B.; Atkinson, D.J. Assessment of Perturb and Observe MPPPT Algorithm Implementaion Techniques for PV Pumping Applications. IEEE Trans. Sustain. Energy 2012, 3, 21–33. [Google Scholar] [CrossRef]
- Kumar, N.; Hussain, I.; Singh, B.; Panigrahi, B.K. Self-Adaptive Incremental Conductance Algorithm for Swift and Ripple-Free Maximum Power Harvesting from PV Array. IEEE Trans. Ind. Inform. 2018, 14, 2031–2041. [Google Scholar] [CrossRef]
- Thangavelu, A.; Vairakannu, S.; Parvathyshankar, D. Linear Open Circuit Voltage-Variable Step-Size-Incremental Conductance Strategy-Based Hybrid MPPT Controller for Remote Power Applications. IET Power Electron. 2017, 10, 1363–1376. [Google Scholar] [CrossRef]
- Ariyur, K.; Krstic, M. Real-Time Optimization by Extremum-Seeking Control; Wiley: Howard, NY, USA, 2003. [Google Scholar]
- Ghaffari, A.; Seshagiri, S.; Krstic, M. Control Engineering Practice Multivariable Maximum Power Point Tracking for Photovoltaic Micro-Converters Using Extremum Seeking. Control Eng. Pract. 2015, 35, 83–91. [Google Scholar] [CrossRef]
- Ghaffari, A.; Krstic, M.; Seshagiri, S. Power Optimization for Photovoltaic Microconverters Using Multivariable Newton-Based Extremum Seeking. IEEE Trans. Control Syst. Technol. 2014, 22, 2141–2149. [Google Scholar] [CrossRef]
- Barth, C.; Pilawa-Podgurski, R.C.N. Dithering Digital Ripple Correlation Control for Photovoltaic Maximum Power Point Tracking. IEEE Trans. Power Electron. 2015, 30, 4548–4559. [Google Scholar] [CrossRef]
- Kimball, J.W.; Krein, P.T. Discrete-Time Ripple Correlation Control for Maximum Power Point Tracking. IEEE Trans. Power Electron. 2008, 23, 2353–2362. [Google Scholar] [CrossRef]
- Bazzi, A.M.; Krein, P.T. Ripple Correlation Control: An Extremum Seeking Control Perspective for Real-Time Optimization. IEEE Trans. Power Electron. 2014, 29, 988–995. [Google Scholar] [CrossRef]
- Hammami, M.; Grandi, G. A Single-Phase Multilevel PV Generation System with an Improved Ripple Correlation Control. Energies 2017, 10, 2037. [Google Scholar] [CrossRef]
- Hammami, M.; Grandi, G.; Rudan, M. RCC-MPPT Algorithms for Single-Phase PV Systems in Case of Multiple DC Harmonics. In Proceedings of the 6th International Conference on Clean Electrical Power (ICCEP), Santa Margherita Ligure, Italy, 27–29 June 2017. [Google Scholar]
- Casadei, D.; Grandi, G.; Rossi, C. Single-Phase Single-Stage Photovoltaic Generation System Based on a Ripple Correlation Control Maximum Power Point Tracking. IEEE Trans. Energy Convers. 2006, 21, 562–568. [Google Scholar] [CrossRef]
- Hammami, M.; Grandi, G.; Rudan, M. An Improved MPPT Algorithm Based on Hybrid RCC Scheme for Single-Phase PV Systems. In Proceedings of the 42nd Annual Conference of the IEEE Industrial Electronics Society (IECON), Florence, Italy, 23–26 October 2016. [Google Scholar]
- Esram, T.; Kimball, J.W.; Krein, P.T.; Chapman, P.L.; Midya, P. Dynamic Maximum Power Point Tracking of Photovoltaic Arrays Using Ripple Correlation Control. IEEE Trans. Power Electron. 2006, 21, 1282–1290. [Google Scholar] [CrossRef]
- Elnosh, A.; Khadkikar, V.; Xiao, W.; James, L. An Improved Extremum—Seeking Based MPPT for Grid—Connected PV Systems with Partial Shading. In Proceedings of the 2014 IEEE 23rd International Symposium on Industrial Electronics (ISIE), Istanbul, Turkey, 1–4 June 2014. [Google Scholar]
- Yuan, X.; Stemmler, H.; Barbi, I. Self-Balancing of the Clamping-Capacitor-Voltages in the Multilevel Capacitor-Clamping-Inverter under Sub-Harmonic PWM Modulation. IEEE Trans. Power Electron. 2001, 16, 256–263. [Google Scholar]
- Babaei, E.; Laali, S.; Bayat, Z. A Single-Phase Cascaded Multilevel Inverter Based on a New Basic Unit with Reduced Number of Power Switches. IEEE Trans. Ind. Electron. 2015, 62, 922–929. [Google Scholar] [CrossRef]
- Buticchi, G.; Barater, D.; Lorenzani, E.; Concari, C.; Franceschini, G. A Nine-Level Grid-Connected Converter Topology for Single-Phase Transformerless PV Systems. IEEE Trans. Ind. Electron. 2014, 61, 3951–3960. [Google Scholar] [CrossRef]
- Rahim, N.A.; Selvaraj, J. Multistring Five-Level Inverter with Novel PWM Control Scheme for PV Application. IEEE Trans. Ind. Electron. 2010, 57, 2111–2123. [Google Scholar] [CrossRef]
- Hammami, M.; Rizzoli, G.; Mandrioli, R.; Grandi, G. Capacitors Voltage Switching Ripple in Three-Phase Three-Level Neutral Point Clamped Inverters With. Energies 2018, 11, 3244. [Google Scholar] [CrossRef]
- Hammami, M.; Vujacic, M.; Grandi, G. Dc-Link Current and Voltage Ripple Harmonics in Three-Phase Three-Level Flying Capacitor Inverters with Sinusoidal Carrier-Based PWM. In Proceedings of the 19th International Conference on Imdustrial Technology (ICIT), Lyon, France, 20–22 February 2018. [Google Scholar]
- Nabae, A.; Takahashi, I.; Akagi, H. A New Neutral-Point-Clamped PWM Inverter. IEEE Trans. Ind. Appl. 1981, IA-17, 518–523. [Google Scholar] [CrossRef]
- Margaliot, M.; Ruderman, A.; Reznikov, B. Mathematical Analysis of a Flying Capacitor Converter: A Sampled- Data Modeling Approach. Int. J. Circuit Therory Appl. 2013, 41, 682–700. [Google Scholar] [CrossRef]
- Ibrayeva, A.; Ten, V.; Familiant, Y.L.; Ruderman, A. PWM Strategy for Improved Natural Balancing of a Four-Level H-Bridge Flying Capacitor Converter. In Proceedings of the Aegean Conference on Electrical Machines and Power Electroonics (ACEMP), Side, Turkey, 2–4 September 2015. [Google Scholar]
- Thielemans, S.; Ruderman, A.; Reznikov, B. Improved Natural Balancing With Modified Phase-Shifted PWM for Single-Leg Five-Level Flying-Capacitor Converters. IEEE Trans. Power Electron. 2012, 27, 1658–1667. [Google Scholar] [CrossRef]













| Label | Description | Parameters |
|---|---|---|
| Vac | Grid voltage (rms) | 230 V |
| Lf, Rf | Ac-link inductor | 1 mH, 3 mΩ |
| C | DC-link capacitor | 2 mF |
| CA, CB, CC | Flying capacitors | 5 mF |
| f, fsw | Fundamental and switching frequencies | 50 Hz, 3kHz |
| Label | Description | Parameters |
|---|---|---|
| VOC | Open circuit voltage | 64.2 V |
| ISC | Short circuit current | 5.96 A |
| Vmpp | Maximum photovoltaic voltage | 54.7 V |
| Impp | Maximum photovoltaic current | 5.58 A |
| NS | Number of series-connected modules per string | 16 |
| NP | Number of parallel strings | 22 |
© 2019 by the authors. Licensee MDPI, Basel, Switzerland. This article is an open access article distributed under the terms and conditions of the Creative Commons Attribution (CC BY) license (http://creativecommons.org/licenses/by/4.0/).
Share and Cite
Hammami, M.; Ricco, M.; Ruderman, A.; Grandi, G. Three-Phase Three-Level Flying Capacitor PV Generation System with an Embedded Ripple Correlation Control MPPT Algorithm. Electronics 2019, 8, 118. https://doi.org/10.3390/electronics8020118
Hammami M, Ricco M, Ruderman A, Grandi G. Three-Phase Three-Level Flying Capacitor PV Generation System with an Embedded Ripple Correlation Control MPPT Algorithm. Electronics. 2019; 8(2):118. https://doi.org/10.3390/electronics8020118
Chicago/Turabian StyleHammami, Manel, Mattia Ricco, Alex Ruderman, and Gabriele Grandi. 2019. "Three-Phase Three-Level Flying Capacitor PV Generation System with an Embedded Ripple Correlation Control MPPT Algorithm" Electronics 8, no. 2: 118. https://doi.org/10.3390/electronics8020118
APA StyleHammami, M., Ricco, M., Ruderman, A., & Grandi, G. (2019). Three-Phase Three-Level Flying Capacitor PV Generation System with an Embedded Ripple Correlation Control MPPT Algorithm. Electronics, 8(2), 118. https://doi.org/10.3390/electronics8020118

