Transformerless High Step-Up DC-DC Converters with Switched-Capacitor Network
Abstract
:1. Introduction
2. Derivation of Proposed 3-SCNCs in CCM
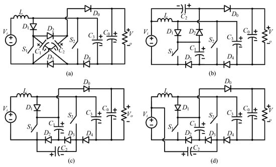
2.1. Operating Principle of the Proposed 3-SCNC Type 1
2.2. Operating Principle of the Proposed 3-SCNC Type 2
2.3. Operating Principle of the Proposed 3-SCNC Type 3
2.4. Operating Principle of 3-SCNC Type 4
3. DCM Boundary Condition and Influence of Parasitic Components Analysis
3.1. DCM Derivation
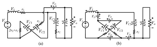
3.2. Voltage Gain Considering Parasitic Components
4. Comparison with Other High Step-Up Transformer-Less DC-DC Converter
4.1. Voltage Gain
4.2. The Number of Components
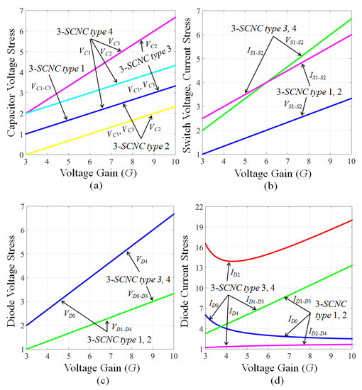
4.3. Comparison of Stresses and Input Current Ripple
5. Component Selections
5.1. Inductance Selection
5.2. Capacitance Selection
5.3. Semiconductor Devices Selection
6. Simulation and Experiment Discussion
6.1. Simulation Results
6.2. Experimental Results
7. Conclusions
Author Contributions
Funding
Acknowledgments
Conflicts of Interest
References
- Abu-Rub, H.; Malinowski, M.; Al-Haddad, K. Power Electronics for Renewable Energy Systems, Transportation and Industrial Applications; John Wiley & Sons: Hoboken, NJ, USA, 2014. [Google Scholar]
- Sarvar, H.N.; Muhammad, U.A.; Zafar, A.; Sadam, H.; Tahir, M.; Muhammad, J.A.; Raghavendra, K.V.G.; Kim, H.J. An Optimized Methodology for a Hybrid Photo-Voltaic and Energy Storage System Connected to a Low-Voltage Grid. Electronics 2019, 8, 176. [Google Scholar]
- Mattia, F.; Marta, M.; Eneko, O.O. A flexible power electronics configuration for coupling renewable energy sources. Electronics 2015, 4, 283–302. [Google Scholar]
- Forouzesh, M.; Siwakoti, Y.P.; Gorji, S.A.; Blaabjerg, F.; Lehman, B. Step-up DC-DC converters: A comprehensive review of voltage-boosting techniques, topologies, and applications. IEEE Trans. Power Electron. 2017, 32, 9143–9178. [Google Scholar] [CrossRef]
- Lin, B.R. Analysis of a DC converter with low primary current loss and balance voltage and current. Electronics 2019, 8, 439. [Google Scholar] [CrossRef]
- Nguyen, M.K.; Lim, L.C.; Choi, J.H.; Cho, G.B. Isolated High Step-up DC-DC Converter Based on Quasi-Switched-Boost Network. IEEE Trans. Ind. Electron. 2016, 63, 7553–7562. [Google Scholar] [CrossRef]
- Oleksandr, H.; Tatiana, S.; Dmitri, V.; Carlos, R.C.; Enrique, R.C.; Andrii, C. Comprehensive comparative analysis of impedance-source networks for DC and AC application. Electronics 2019, 8, 405. [Google Scholar]
- Nguyen, M.K.; Duong, T.D.; Lim, Y.C.; Kim, Y.J. Isolated boost dc-dc converter with three switches. IEEE Trans. Power Electron. 2018, 33, 1389–1398. [Google Scholar]
- Nguyen, M.K.; Duong, T.D.; Lim, Y.C.; Choi, J.H. Active CDS-clamped L-type current-fed isolated DC-DC converter. J. Power Electron. 2018, 18, 955–964. [Google Scholar]
- Wu, G.; Ruan, X.; Ye, Z. High step-up DC-DC converter based on switched capacitor and couple inductor. IEEE Trans. Ind. Electron. 2018, 65, 5572–5579. [Google Scholar] [CrossRef]
- Siwakoti, Y.P.; Blaabjerg, F.; Loh, P.C. Quasi-Y-source boost DC–DC converter. IEEE Trans. Power Electron. 2015, 30, 6514–6519. [Google Scholar] [CrossRef]
- Michal, F.; Jan, M.; Branislav, H.; Michal, P. The study of the operational characteristic of interleaved boost converter with modified couple inductor. Electronics 2019, 8, 1049. [Google Scholar]
- Axelrod, B.; Beck, Y.; Berkovich, Y. High step-up dc–dc converter based on the switched-coupled-inductor boost converter and diode capacitor multiplier: Steady state and dynamics. IET Power Electron. 2015, 8, 1420–1428. [Google Scholar] [CrossRef]
- Young, C.M.; Chen, M.H.; Chang, T.A.; Ko, C.C.; Jen, K.K. Cascade Cockcroft–Walton voltage multiplier applied to transformerless high step-up DC–DC converter. IEEE Trans. Ind. Electron. 2013, 60, 523–537. [Google Scholar] [CrossRef]
- Wijeratne, D.S.; Moschopoulos, G. Quadratic power conversion for power electronics: Principles and circuits. IEEE Trans. Circuits Syst. I Reg. Pap. 2011, 59, 1967–1979. [Google Scholar] [CrossRef]
- Garcia, F.S.; Pomilio, J.A.; Spiazzi, G. Modeling and control design of the interleaved double dual boost converter. IEEE Trans. Ind. Electron. 2013, 60, 3283–3290. [Google Scholar] [CrossRef]
- Alcazar, Y.J.A.; Oliveira, D.S., Jr.; Tofoli, F.L.; Torrico-Bascope, R.P. DC–DC nonisolated boost converter based on the three-state switching cell and voltage multiplier cells. IEEE Trans. Ind. Electron. 2013, 60, 4438–4449. [Google Scholar] [CrossRef]
- Jiao, Y.; Luo, F.L.; Zhu, M. Voltage-lift-type switched-inductor cells for enhancing DC–DC boost ability: Principles and integrations in Luo converter. IET Power Electron. 2011, 4, 131–142. [Google Scholar] [CrossRef]
- Rosas-Caro, J.C.; Ramirez, J.M.; Peng, F.Z.; Valderrabano, A. A DC–DC multilevel boost converter. IET Power Electron. 2010, 3, 129–137. [Google Scholar] [CrossRef]
- Tran, V.T.; Nguyen, M.K.; Choi, Y.O.; Cho, G.B. Switched-capacitor-based high boost DC-DC converter. Energies 2018, 11, 987. [Google Scholar] [CrossRef]
- Wu, G.; Ruan, X.; Ye, Z. Nonisolated high step-up DC–DC converters adopting switched-capacitor cell. IEEE Trans. Ind. Electron. 2015, 62, 383–393. [Google Scholar] [CrossRef]
- Peng, F.Z. Z-source inverter. IEEE Trans. Ind. Appl. 2003, 39, 504–510. [Google Scholar] [CrossRef]
- Nguyen, M.K.; Le, T.V.; Park, S.J.; Lim, Y.C. A class of quasi-switched boost inverters. IEEE Trans. Ind. Electron. 2015, 62, 1526–1536. [Google Scholar] [CrossRef]
- Zhang, G.; Zhang, B.; Li, Z.; Qiu, D.; Yang, L.; Halang, W.A. A 3-Z-Network boost converter. IEEE Trans. Ind. Electron. 2015, 62, 278–288. [Google Scholar] [CrossRef]
- Nguyen, M.K.; Choi, Y.O.; Cho, G.B.; Lim, Y.C. Two-switch non-isolated step-up DC-DC converter. J. Power Electron. 2018, 18, 651–661. [Google Scholar]
- Nguyen, M.K.; Duong, T.D.; Lim, Y.C.; Kim, Y.G. Switched-capacitor quasi-switched boost inverters. IEEE Trans. Ind. Electron. 2018, 65, 5105–5113. [Google Scholar] [CrossRef]
- Nguyen, M.K.; Duong, T.D.; Lim, Y.C. Switched-capacitor-based dual-switch high-boost DC-DC converter. IEEE Trans. Power Electron. 2018, 33, 4181–4189. [Google Scholar] [CrossRef]
- Zhang, G.; Wang, Z.; Yu, S.S.; Chen, S.Z.; Zhang, B.; Iu, H.H.C.; Zhang, Y. A generalized additional voltage pumping solution (GAVPS) for high-step-up converters. IEEE Trans. Power Electron. 2019, 34, 6456–6467. [Google Scholar] [CrossRef]
- Jalilzadeh, T.; Rostami, N.; Babaei, E.; Maalandish, M. Non-isolated topology for high step-up DC-DC converters. IEEE J. Emerg. Sel. Top. Power Electron. 2019. [Google Scholar] [CrossRef]
- Tang, Y.; Wang, T.; Fu, D. Multicell switched-inductor/switched capacitor combined active-network converters. IEEE Trans. Power Electron. 2015, 30, 2063–2072. [Google Scholar] [CrossRef]
- Zhu, X.; Zhang, B.; Li, Z.; Li, H.; Ran, L. Extended switched-boost DC-DC converters adopting switched-capacitor cells for high step-up conversion. IEEE J. Emerg. Sel. Top. Power Electron. 2017, 5, 1020–1030. [Google Scholar] [CrossRef]



















| 3-ZNC [24] | DIESC-SC [21] | IESC-SC [29] | SL/SC-ANC [30] | SC/SL-SBC [31] | 3-SCNC Type 1 | 3-SCNC Type 2 | 3-SCNC Type 3 | 3-SCNC Type 4 | |
|---|---|---|---|---|---|---|---|---|---|
| Ind. | 4 | 2 | 3 | 3 | 2 | 1 | |||
| Cap. | 2 | 5 | 6 | 3 | 3 | 4 | |||
| Di./Sw. | 9/1 | 4/1 | 5/2 | 6/2 | 7/2 | 5/2 | |||
| Total | 16 | 12 | 16 | 14 | 14 | 12 | |||
| VS1/ViVS2/Vi | G | 1/(1 − D) | 1/(1 − D) 1/(1 − D)2 | 1/(1 − D) (1+D)/(1 − D) | 2D/(1 − 3D) G/2 | G/3 | G/3 | G/3 2G/3 | G/3 2G/3 |
| VDx/Vi | D/(1 − D), 1 2DG/(1+D) (1+D)/(1 − D) G | 1/(1 − D) | 1/(1 − D) 1/(1 − D)2 | 1 (2+D)/(1 − D) D/(1 − D) | G/2 2D/(1 − 3D) | G/3 2G/3 | G/3 2G/3 | G/3 2G/3 | G/3 2G/3 |
| VCy/Vi | (1 − D)/(1+D) G | 1/(1 − D) D/(1 − D) | 1/(1 − D) 1/(1 − D)2 D/(1 − D)2 | (1+D)/(1 − D) | 2D/(1 − 3D) G/2 | G/3 | G/3 2DG/3 | G/3 2G/3 | G/3 (2 − 2D)G/3 2G/3 |
| G | |||||||||
| ΔIin | High | High | High | High | High | Low | High | Low | High |
| Type 1 | Type 2 | Type 3 | Type 4 | |
|---|---|---|---|---|
| VC1/Vi | G/3 | G/3 | G/3 | G/3 |
| VC2/Vi | G/3 | 2DG/3 | 2G/3 | (2 − 2D)/(1 − 2D) |
| VC3/Vi | G/3 | G/3 | G/3 | 2G/3 |
| VS1/Vi | G/3 | G/3 | G/3 | G/3 |
| VS2/Vi | G/3 | G/3 | 2G/3 | 2G/3 |
| VD0/Vi | 2G/3 | 2G/3 | G/3 | G/3 |
| VD1/Vi | G/3 | G/3 | G/3 | G/3 |
| VD2/Vi | G/3 | G/3 | G/3 | G/3 |
| VD3/Vi | G/3 | G/3 | G/3 | G/3 |
| VD4/Vi | G/3 | G/3 | 2G/3 | 2G/3 |
| IS1/Io | (1+D)/D(1 − 2D) | (1+D)/D(1 − 2D) | (1+D)/D(1 − 2D) | (1+D)/D(1 − 2D) |
| IS2/Io | (1+D)/D(1 − 2D) | (1+D)/D(1 − 2D) | (1+D)/D(1 − 2D) | (1+D)/D(1 − 2D) |
| ID0/Io | 1/D | 1/D | 1/D | 1/D |
| ID1/Io | (2 − D)/(1 − D)(1 − 2D) | (2 − D)/(1 − D)(1 − 2D) | (2 − D)/(1 − D)(1 − 2D) | (2 − D)/(1 − D)(1 − 2D) |
| ID2/Io | 1/(1 − D) | 1/(1 − D) | (2 − D)/D(1 − 2D) | (2 − D)/(1 − D)(1 − 2D) |
| ID3/Io | (2 − D)/(1 − D)(1 − 2D) | (2 − D)/(1 − D)(1 − 2D) | (2 − D)/(1 − D)(1 − 2D) | (2 − D)/D(1 − 2D) |
| ID4/Io | 1/(1 − D) | 1/(1 − D) | 1/(1 − D) | 1/(1 − D) |
| Parameter | Values | |
|---|---|---|
| Input DC source | 36 V–72 V | |
| Output voltage | 400 V | |
| Output power | 400 W | |
| Inductor | 0.5 mH | |
| Capacitors | C1, C2, C3 | 7.5 µF/350 V |
| C0 | 45 µF/450 V | |
| Switching frequency | 60 kHz | |
© 2019 by the authors. Licensee MDPI, Basel, Switzerland. This article is an open access article distributed under the terms and conditions of the Creative Commons Attribution (CC BY) license (http://creativecommons.org/licenses/by/4.0/).
Share and Cite
Duong, T.-D.; Nguyen, M.-K.; Tran, T.-T.; Lim, Y.-C.; Choi, J.-H. Transformerless High Step-Up DC-DC Converters with Switched-Capacitor Network. Electronics 2019, 8, 1420. https://doi.org/10.3390/electronics8121420
Duong T-D, Nguyen M-K, Tran T-T, Lim Y-C, Choi J-H. Transformerless High Step-Up DC-DC Converters with Switched-Capacitor Network. Electronics. 2019; 8(12):1420. https://doi.org/10.3390/electronics8121420
Chicago/Turabian StyleDuong, Truong-Duy, Minh-Khai Nguyen, Tan-Tai Tran, Young-Cheol Lim, and Joon-Ho Choi. 2019. "Transformerless High Step-Up DC-DC Converters with Switched-Capacitor Network" Electronics 8, no. 12: 1420. https://doi.org/10.3390/electronics8121420
APA StyleDuong, T.-D., Nguyen, M.-K., Tran, T.-T., Lim, Y.-C., & Choi, J.-H. (2019). Transformerless High Step-Up DC-DC Converters with Switched-Capacitor Network. Electronics, 8(12), 1420. https://doi.org/10.3390/electronics8121420

