Regenerative Battery Charging Control Method for PMSM Drive without a DC/DC Converter
Abstract
1. Introduction
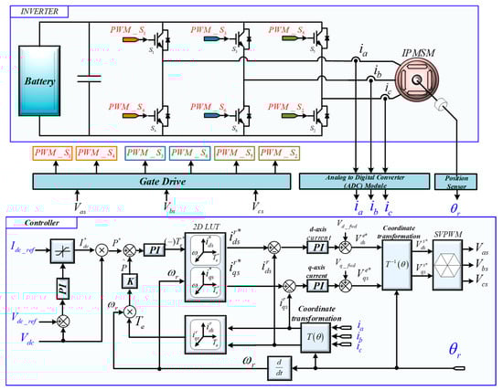
2. Regenerative Power of a PMSM
2.1. Torque Control of a PMSM
2.2. Problem of Sensing the DC-link Current
3. Proposed Regenerative Control Method for Battery Charge
4. Experimental Results
5. Conclusions
Author Contributions
Funding
Conflicts of Interest
Nomenclature
| Electrical torque | |
| Permanent magnet flux | |
| Inductances of d-/q-axis synchronous frame | |
| Magnitude of phase inductance | |
| Currents of d-/q-axis synchronous frame | |
| Electrical angular velocity | |
| DC-link voltage | |
| DC-link current | |
| Effective component of DC-link current | |
| Back-EMF voltage magnitude | |
| Phase inductance in the stator | |
| Magnitude of phase current | |
| a,b,c-phase currents | |
| a,b,c-phase back-EMF voltages | |
| Number of poles of PMSM | |
| Maximum output voltage of the inverter with SVPWM under linear modulation region |
References
- Wirasingha, S.G.; Emadi, A. Classification and Review of Control Strategies for Plug-In Hybrid Electric Vehicles. IEEE Trans. Veh. Technol. 2011, 60, 111–122. [Google Scholar] [CrossRef]
- Zeraoulia, M.; Benbouzid, M.E.H.; Diallo, D. Electric Motor Drive Selection Issues for HEV Propulsion Systems: A Comparative Study. IEEE Trans. Veh. Technol. 2006, 55, 1756–1764. [Google Scholar] [CrossRef]
- Estima, J.O.; Cardoso, A.J.M. Efficiency Analysis of Drive Train Topologies Applied to Electric/Hybrid Vehicles. IEEE Trans. Veh. Technol. 2012, 61, 1021–1031. [Google Scholar] [CrossRef]
- Ko, J.; Ko, S.; Son, H.; Yoo, B.; Cheon, J.; Kim, H. Development of Brake System and Regenerative Braking Cooperative Control Algorithm for Automatic-Transmission-Based Hybrid Electric Vehicles. IEEE Trans. Veh. Technol. 2015, 64, 431–440. [Google Scholar] [CrossRef]
- Fajri, P.; Lee, S.; Prabhala, V.A.; Ferdowsi, M. Modeling and Integration of Electric Vehicle Regenerative and Friction Braking for Motor/Dynamometer Test Bench Emulation. IEEE Trans. Veh. Technol. 2016, 65, 1. [Google Scholar] [CrossRef]
- Kim, D.; Hwang, S.-H.; Kim, H. Vehicle Stability Enhancement of Four-Wheel-Drive Hybrid Electric Vehicle Using Rear Motor Control. IEEE Trans. Veh. Technol. 2008, 57, 727–735. [Google Scholar]
- Lin, Y.-S.; Hu, K.-W.; Yeh, T.-H.; Liaw, C.-M. An Electric Vehicle IPMSM Drive with Interleaved Front-End DC/DC Converter. IEEE Trans. Veh. Technol. 2016, 65, 4493–4504. [Google Scholar] [CrossRef]
- Cheng, K.W.E.; Divakar, B.P.; Wu, H.; Ding, K.; Ho, H.F. Battery-Management System (BMS) and SOC Development for Electrical Vehicles. IEEE Trans. Veh. Technol. 2011, 60, 76–88. [Google Scholar] [CrossRef]
- Lee, D.-T.; Shiah, S.-J.; Lee, C.-M.; Wang, Y.-C. State-of-Charge Estimation for Electric Scooters by Using Learning Mechanisms. IEEE Trans. Veh. Technol. 2007, 56, 544–556. [Google Scholar] [CrossRef]
- Jiang, J.; Zhang, C.; Wen, J.; Zhang, W.; Sharkh, S.M. An Optimal Charging Method for Li-Ion Batteries Using a Fuzzy-Control Approach Based on Polarization Properties. IEEE Trans. Veh. Technol. 2013, 62, 3000–3009. [Google Scholar] [CrossRef]
- Anseán, D.; González, M.; Viera, J.C.; García, V.M.; Blanco, C.; Valledor, M. Fast charging technique for high power lithium iron phosphate batteries: A cycle life analysis. J. Power Sources 2013, 239, 9–15. [Google Scholar] [CrossRef]
- Vo, T.T.; Chen, X.; Shen, W.; Kapoor, A. New charging strategy for lithium-ion batteries based on the integration of Taguchi method and state of charge estimation. J. Power Sources 2015, 273, 413–422. [Google Scholar] [CrossRef]
- Guo, Z.; Liaw, B.Y.; Qiu, X.; Gao, L.; Zhang, C. Optimal charging method for lithium ion batteries using a universal voltage protocol accommodating aging. J. Power Sources 2015, 274, 957–964. [Google Scholar] [CrossRef]
- Kim, T.-H.; Lee, J.-H.; Won, C.-Y. Design and Control Methods of Bidirectional DC-DC Converter for the Optimal DC-Link Voltage of PMSM Drive. J. Electr. Eng. Technol. 2014, 9, 1944–1953. [Google Scholar] [CrossRef]
- Lee, J.-H.; Jung, D.-Y.; Lee, T.-K.; Kim, Y.-R.; Won, C.-Y. Regenerative Current Control Method of Bidirectional DC/DC Converter for EV/HEV Application. J. Electr. Eng. Technol. 2013, 8, 97–105. [Google Scholar] [CrossRef]
- Yu, F.; Zhu, Z.; Mao, J.; Gu, J. Performance evaluation of a permanent magnet electric-drive-reconfigured onboard charger with active power factor correction. CES Trans. Electr. Mach. Syst. 2019, 3, 72–80. [Google Scholar] [CrossRef]
- Hossain, M.J.; Hossain, M.S.; Hoque, M.A.; Anower, M.S. A Novel Fuzzy Logic Based Flux Weakeneing Speed Control for IPMSM Drive with Variable Direct and quadrature axis inductances. In Proceedings of the 2007 10th International Conference on Computer and Information Technology (ICCIT2007), Dhaka, Bangladesh, 27–29 December 2007. [Google Scholar]
- Li, Y.; Zeng, Q.; Wang, C.; Wang, L. Research on Control Strategy for Regenerative Braking of a Plug-In Hybrid Electric City Public Bus. In Proceedings of the 2009 Second International Conference on Intelligent Computation Technology and Automation, Changsha, China, 10–11 October 2009; pp. 842–845. [Google Scholar]
- Gao, Y.; Chu, L.; Ehsani, M. Design and Control Principles of Hybrid Braking System for EV, HEV and FCV. In Proceedings of the 2007 IEEE Vehicle Power and Propulsion Conference, Arlington, TX, USA, 9–12 September 2007; pp. 384–391. [Google Scholar]
- Lv, M.; Chen, Z.; Yang, Y.; Bi, J. Regenerative braking control strategy for a hybrid electric vehicle with rear axle electric drive. In Proceedings of the 2017 Chinese Automation Congress (CAC), Jinan, China, 20–22 October 2017; pp. 521–525. [Google Scholar]
- Jing, H.; Liu, Z.; Liu, J. Wheel slip control for hybrid braking system of electric vehicle. In Proceedings of the Proceedings 2011 International Conference on Transportation, Mechanical, and Electrical Engineering (TMEE), Changchun, China, 16–18 December 2011; pp. 743–746. [Google Scholar]
- Basrah, M.S.; Velenis, E.; Cao, D. Four wheel torque blending for slip control in a hybrid electric vehicle with a single electric machine. In Proceedings of the 2015 International Conference on Sustainable Energy Engineering and Application (ICSEEA), Bandung, Indonesia, 5–7 October 2015; pp. 19–24. [Google Scholar]
- Jain, A.K.; Mathapati, S.; Ranganathan, V.T.; Narayanan, V. Integrated Starter Generator for 42-V Powernet Using Induction Machine and Direct Torque Control Technique. IEEE Trans. Power Electron. 2006, 21, 701–710. [Google Scholar] [CrossRef]
- Wai, J.; Jahns, T.M. A New Control Technique for Achieving Wide Constant Power Speed Operation with an Interior PM Alternator Machine. In Proceedings of the Conference Record of the 2001 IEEE Industry Applications Conference. 36th IAS Annual Meeting (Cat. No.01CH37248), Chicago, IL, USA, 30 September–4 October 2001; Volume 2, pp. 807–814. [Google Scholar]













| Parameter | Value |
|---|---|
| Pole | 8 |
| Permanent magnet flux | 0.0045 (Wb) |
| d-axis inductance | 0.000303 (H) |
| q-axis inductance | 0.000907 (H) |
| Resistance | 0.0003 (Ω) |
| DC-link capacitance | 670 (μF) |
| Rated phase current | 110 (A) |
| Rated Speed | 4800 (rpm) |
| Rated Torque | 32 (Nm) |
| Parameter | Value |
|---|---|
| Battery type | LiB |
| Rated voltage | 250 (V) |
| Rated current | 18 (Ah) |
| Maximum charging current | 28 (A) |
| Max. Efficiency of Previous Control Method [14] | Max. Efficiency of Proposed Control Method |
| 89% | 92% |
© 2019 by the authors. Licensee MDPI, Basel, Switzerland. This article is an open access article distributed under the terms and conditions of the Creative Commons Attribution (CC BY) license (http://creativecommons.org/licenses/by/4.0/).
Share and Cite
Ko, S.-T.; Park, S.-S.; Lee, J.-H. Regenerative Battery Charging Control Method for PMSM Drive without a DC/DC Converter. Electronics 2019, 8, 1126. https://doi.org/10.3390/electronics8101126
Ko S-T, Park S-S, Lee J-H. Regenerative Battery Charging Control Method for PMSM Drive without a DC/DC Converter. Electronics. 2019; 8(10):1126. https://doi.org/10.3390/electronics8101126
Chicago/Turabian StyleKo, Sung-Tae, Soon-Sun Park, and Jung-Hyo Lee. 2019. "Regenerative Battery Charging Control Method for PMSM Drive without a DC/DC Converter" Electronics 8, no. 10: 1126. https://doi.org/10.3390/electronics8101126
APA StyleKo, S.-T., Park, S.-S., & Lee, J.-H. (2019). Regenerative Battery Charging Control Method for PMSM Drive without a DC/DC Converter. Electronics, 8(10), 1126. https://doi.org/10.3390/electronics8101126
