Analytical Approach in the Development of RF MEMS Switches
Abstract
:1. Introduction
2. Analytical Approach to the Development of RF MEMS Switches of Electrostatic Type
2.1. The Influence of Switching Characteristics of Switch
2.2. Causes of Failure of RF MEMS Switches
2.3. Selection of Structural Material of RF MEMS Switch with Capacitive Switching Principle
2.4. Material Properties of the Sandwich Structure
2.5. Mathematical Model of the RF MEMS Switch with Capacitive Switching Principle
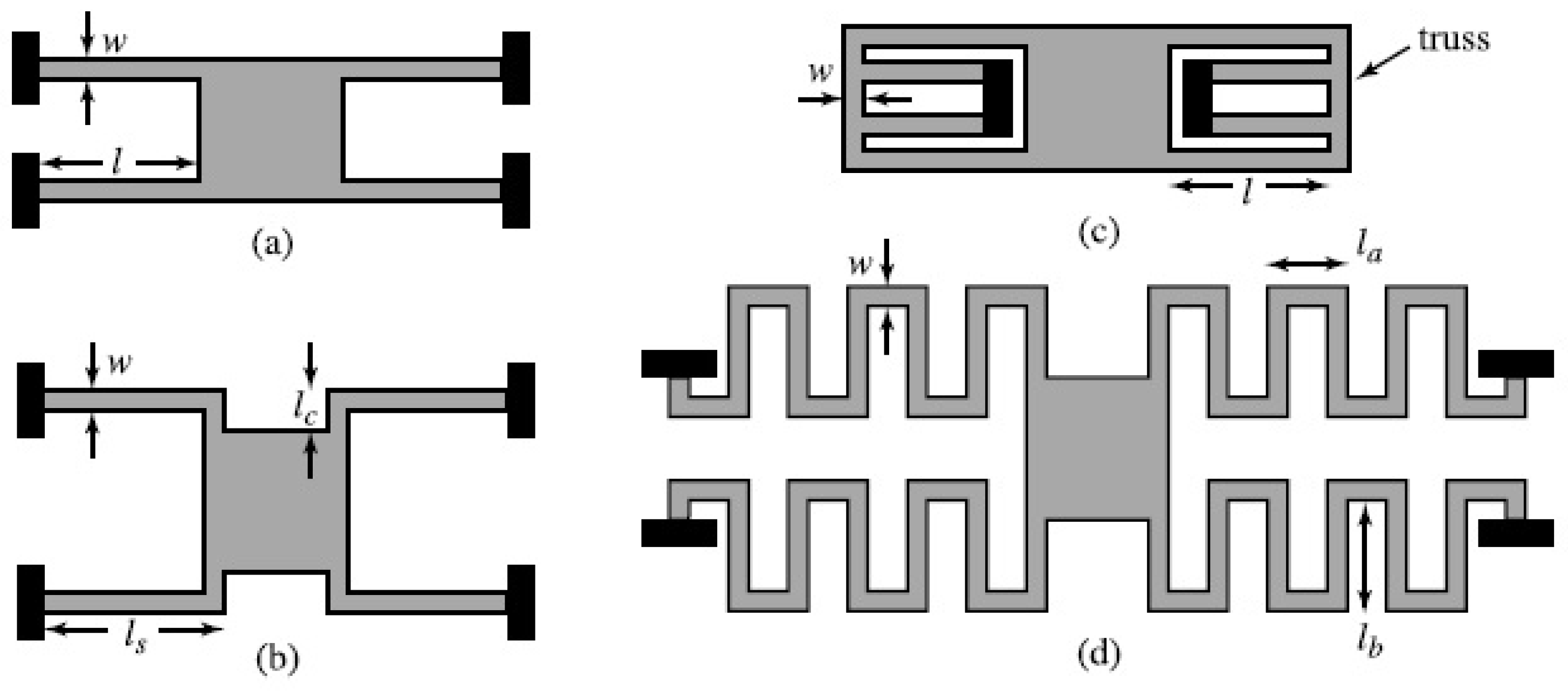
2.6. Coefficient of Stiffness of Elastic Suspension Elements
3. Approbation of the Analytically Approach in the Development of RF MEMS Switches
3.1. Study of the Dynamic Characteristics
3.2. The Calculation Capacity of the Membrane Considering Perforated Holes
3.3. The Results of the Study of the Dynamic Characteristics and Discussion of the Results
3.4. Development and Modeling of Equivalent Circuit
3.5. Technological Route of Manufacturing of the Developed Design of a RF MEMS Switch
4. Conclusions
Author Contributions
Funding
Acknowledgments
Conflicts of Interest
References
- Rebeiz, G.M. RF MEMS: Theory, Design, and Technology; John Wiley & Sons: New York, NY, USA, 2004. [Google Scholar]
- Petersen, K.E. Micromechanical membrane switches on silicon. JBM J. Res. Dev. 1971, 23, 376–385. [Google Scholar] [CrossRef]
- Robin, L. Status of MEMS Industry; Tech. Rep.; Yole Developpement: Phoenix, AZ, USA, 2015; p. 7. [Google Scholar]
- Robin, L. Status of the MEMS Industry; Tech. Rep.; Yole Developpement: Phoenix, AZ, USA, 2017; p. 2. [Google Scholar]
- Hosaka, H.; Kuwano, H.; Yanagisawa, K. Electromagnetic microrelays: Concepts and fundamental characteristic. Sens. Actuators A 1994, 40, 41–47. [Google Scholar] [CrossRef]
- Taylor, W.P.; Allen, M.G.; Dauwalter, C.R. Batch fabricated electromagnetic microrelays. In Proceedings of the 45th Relay Conference, Lake Buena Vista, FL, USA, 23 July 1997; pp. 8.1–8.6. [Google Scholar]
- Taylor, W.P.; Allen, M.G. Integrated magnetic microrelays: Normally open, normally closed, and multi-pole devices. In Proceedings of the International Solid State Sensors and Actuators Conference (Transducers ’97), Chicago, IL, USA, 19 June 1997; pp. 1149–1152. [Google Scholar]
- Tilmans, H.A.; Fullin, E.; Ziad, H.; Van de Peer, M.D.; Kesters, J.; Van Geffen, E.; Bergqvist, J.; Pantus, M.; Beyne, E.; Baert, K.; et al. A fully-packaged electromagnetic microrelay. In Proceedings of the Technical Digest, IEEE International MEMS 99 Conference, Twelfth IEEE International Conference on Micro Electro Mechanical Systems, Orlando, FL, USA, 21 January 1999; pp. 25–30. [Google Scholar]
- Wright, J.A.; Tai, Y.-C. Magnetostatic MEMS relays for the miniaturization of brushless DC motor controllers. In Proceedings of the Technical Digest, Twelfth IEEE International Conference on Micro Electro Mechanical Systems, Orlando, FL, USA, 21 January 1999; pp. 594–599. [Google Scholar]
- Gretillat, M.A.; Gretillat, F.; Rooij, N.F. Micromechanical relay with electrostatic actuation and metallic contacts. J. Micromech. Microeng. 1999, 9, 324–331. [Google Scholar] [CrossRef]
- Sanders, C. MCNC Thermally Actuated Microrelays; News Release; MEMS Technology Application Center MCNC: Durham, NC, USA, 30 November 1998. [Google Scholar]
- Larson, L.E.; Hackett, R.H.; Lohr, R.F. Microactuators for GaAs-based microwave integrated circuits. In Proceedings of the 1991 International Conference on Solid-State Sensors and Actuators, Digest of Technical Papers, San Francisco, CA, USA, 24–27 June 1991; pp. 743–746. [Google Scholar]
- Yao, J.J.; Chang, M.F. A surface micromachined miniature switch for telecommunications applications with signal frequencies from DC up to 4 GHz. In Proceedings of the International Solid-State Sensors and Actuators Conference, Stockholm, Sweden, 25–29 June 1995; pp. 384–387. [Google Scholar]
- Schiele, I.; Huber, J.; Evers, C.; Hillerich, B.; Kozlowski, F. Micromechanical relay with electrostatic actuation. In Proceedings of the International Solid State Sensors and Actuators Conference, Chicago, IL, USA, 19 June 1997; pp. 1165–1168. [Google Scholar]
- De Los Santos, H.J.; Kao, Y.-H.; Caigoy, A.L.; Ditmars, E.D. Microwave and mechanical considerations in the design of MEM switches for aerospace applications. Proc. IEEE Aerosp. Conf. 1997, 3, 235–254. [Google Scholar]
- Hyman, D.; Lam, J.; Warneke, B.; Schmitz, A.; Hsu, T.Y.; Brown, J.; Schaffner, J.; Walston, A.; Loo, R.Y.; Mehregany, M.; et al. Surface-micromachined RF MEMS switches on GaAs substrates. Int. J. RF Microw. CAE 1999, 9, 348–361. [Google Scholar] [CrossRef]
- Hyman, D.; Schmitz, A.; Warneke, B.; Hsu, T.Y.; Lam, J.; Brown, J.; Schaffner, J.; Walston, A.; Loo, R.Y.; Tangonan, G.L.; et al. GaAs-compatible surface-micromachined RF MEMS switches. Electron. Lett. 1999, 35, 224–226. [Google Scholar] [CrossRef]
- Sovero, E.A.; Mihailovich, R.; Deakin, D.S.; Higgins, J.A.; Yao, J.J.; DeNatale, J.F.; Hong, J.H. Monolithic GaAs PHEMT MMICs integrated with high performance MEMS microrelays. In Proceedings of the 1999 SBMO/IEEE MTT-S International Microwave and Optoelectronics Conference, Rio de Janeiro, Brazil, 9–12 August 1999; pp. 257–260. [Google Scholar]
- Muldavin, J.B.; Rebeiz, G.M. 30 GHz tuned MEMS switches. In Proceedings of the 1999 IEEE MTT-S International Microwave Symposium Digest, Anaheim, CA, USA, 13–19 June 1999; pp. 1511–1514. [Google Scholar]
- Sakata, M.; Komura, Y.; Seki, T.; Kobayashi, K.; Sano, K.; Horiike, S. Micromachined relay which utilizes single crystal silicon electrostatic actuator. In Proceedings of the Technical Digest, IEEE International MEMS 99 Conference, Twelfth IEEE International Conference on Micro Electro Mechanical Systems, Orlando, FL, USA, 21 January 1999; pp. 21–24. [Google Scholar]
- Hiltmann, K.M.; Schmidt, B.; Sandmaier, H.; Lang, W. Development of micromachined switches with increased reliability. In Proceedings of the International Solid State Sensors and Actuators Conference, Chicago, IL, USA, 19 June 1997; pp. 1157–1160. [Google Scholar]
- Drake, J.; Jerman, H.; Lutze, B.; Stuber, M. An electrostatically actuated micro-relay. In Proceedings of the International Solid-State Sensors and Actuators Conference, Stockholm, Sweden, 25–29 June 1995; pp. 380–383. [Google Scholar]
- Admschik, M.; Ertl, S.; Schmid, P.; Gluche, P.; Floter, A.; Kohn, E. Electrostatic diamond micro switch. In Proceedings of the 10th International Conference on Solid-State Sensors and Actuators, Sendai, Japan, 7–10 June 1999; pp. 1284–1287. [Google Scholar]
- Gretillat, M.A.; Thiebaud, P.; Linder, C.; Rooij, N.F. Integrated circuit compatible polysilicon microrelays. J. Micromech. Microeng. 1995, 5, 156–160. [Google Scholar] [CrossRef]
- Simon, J.; Saffer, S.; Kim, C.-J. A micromechanical relay with a thermally-driven mercury micro-drop. In Proceedings of the Ninth International Workshop on Micro Electromechanical Systems, San Diego, CA, USA, 11–15 February 1996; pp. 515–520. [Google Scholar]
- Saffer, S.; Simon, J.; Kim, C.-J. Mercury-contact switching with gap-closing microcantilever. Proc. SPIE 1996, 2882, 204–208. [Google Scholar]
- Sun, X.-Q.; Farmer, K.R.; Carr, W.N. A bistable microrelay based on two-segment multimorph cantilever actuators. In Proceedings of the Eleventh Annual International Workshop on Micro Electro Mechanical Systems. An Investigation of Micro Structures, Sensors, Actuators, Machines and Systems, Heidelberg, Germany, 25–29 January 1998; pp. 154–159. [Google Scholar]
- Kruglick, E.J.J.; Pister, K.S.J. Bistable MEMS relays and contact characterization. In Proceedings of the Solid State Sensor and Actuator Workshop, Hilton Head Island, SC, USA, 8–11 June 1998; pp. 333–337. [Google Scholar]
- Robin, L. Status of MEMS Industry; Tech. Rep.; Yole Developpement: Phoenix, AZ, USA, 2013; pp. 7–8. [Google Scholar]
- Senturia, S.D. Microsystem Design, 1st ed.; Springer: New York, NY, USA, 2001. [Google Scholar]
- Mercier, D.; Caekenberghe, K.; Rebeiz, G.M. Miniature RF MEMS Switched Capacitors. In Proceedings of the IEEE MTT-S International Microwave Symposium Digest, Long Beach, CA, USA, 17 June 2005; pp. 745–748. [Google Scholar]
- Mercier, D.; Charvet, P.L.; Berruyer, P.; Zanchi, C.L.; Lapierre, L.O.; Vendier, O.; Cazaux, J.L.; Blondy, P. A DC to 100 GHz high performance ohmic shunt switch. In Proceedings of the 2004 IEEE MTT-S International Microwave Symposium Digest, Fort Worth, TX, USA, 6–11 June 2004; pp. 1931–1934. [Google Scholar]
- Lacroix, B.; Pothier, A.; Crunteanu, A.; Cibert, C.; Dumas-Bouchiat, F.; Champeaux, C.; Catherinot, A.; Blondy, P. Sub-microsecond RF MEMS switched capacitors. IEEE Trans. Microw. Theory Tech. 2007, 55, 1314–1321. [Google Scholar] [CrossRef]
- Majumder, S.; Lampen, J.; Morrison, R.; Maciel, J. A Packaged, High-Lifetime Ohmic MEMS RF Switch. IEEE MTT-S Int. Microw. Symp. Dig. 2003, 3, 1935–1938. [Google Scholar]
- Yan, X.; McGruer, N.E.; Adams, G.G.; Majumder, S. Thermal Characteristics of Microswitch Contacts. In Proceedings of the National Association of Relay Manufacturer’s (NARM) 49th Annual International Relay Conference, Oak Brook, IL, USA, 23–25 April 2001. [Google Scholar]
- Randy, J.; Richards; Hector, J.; De Santos, H.J. MEMS for RF/Microwave Wireless Applications: The Next Wave. Microw. J. 2001, 44, 20. [Google Scholar]
- Goldsmith, C.; Lin, T.-H.; Powers, B.; Wu, W.-R.; Norvell, B. Micromechanical membrane switches for microwave applications. In Proceedings of the 1995 IEEE MTT-S International Microwave Symposium, Orlando, FL, USA, 16–20 May 1995; pp. 91–94. [Google Scholar]
- Jaafar, H.; Sidek, O.; Miskam, A.; Korakkottil, S. Design and Simulation of Microelectromechanical System Capacitive Shunt Switches. Am. J. Eng. Appl. Sci. 2009, 2, 655–660. [Google Scholar]
- Ya, M.L.; Soin, N.; Nordin, A.N. Theoretical and simulated investigation of dielectric charging effect on a capacitive RF-MEMS switch. In Proceedings of the 2016 IEEE International Conference on Semiconductor Electronics (ICSE), Kuala Lumpur, Malaysia, 17–19 August 2016; pp. 17–20. [Google Scholar]
- San, H.S.; Deng, Z.Q.; Yu, Y.X.; Li, G.; Chen, X.Y. Study on dielectric charging in low-stress silicon nitride with the MIS structure for reliable MEMS applications. J. Micromech. Microeng. 2011, 21, 125019. [Google Scholar] [CrossRef]
- Zaghloul, U.; Coccetti, F.; Papaioannou, G.J.; Pons, P.; Plana, R. A novel low cost failure analysis technique for dielectric charging phenomenon in electrostatically actuated MEMS devices. In Proceedings of the 48th Annual IEEE International Reliability Physics Symposium (IRPS), Anaheim, CA, USA, 2–6 May 2010; pp. 237–245. [Google Scholar]
- Zaghloul, U.; Papaioannouc, G.; Coccettia, F.; Ponsa, P.; Planaa, R. Dielectric charging in silicon nitride films for MEMS capacitive switches: Effect of film thickness and deposition conditions. Microelectron. Reliab. 2009, 49, 1309–1314. [Google Scholar] [CrossRef]
- Li, M.; Zhao, J.; You, Z.; Zhao, G. Design and fabrication of a low insertion loss capacitive RF MEMS switch with novel micro-structures for actuation. Solid State Electron. 2016, 127, 32–37. [Google Scholar] [CrossRef]
- Chu, C.; Liao, X.; Yan, H. Ka-band RF MEMS capacitive switch with low loss, high isolation, long-term reliability and high-power handling based on GaAs MMIC technology. IET Microw. Antenna Propag. 2017, 11, 942–948. [Google Scholar] [CrossRef]
- Kwon, H.; Choi, D.J.; Park, J.H.; Lee, H.C. Contact materials and reliability for high-power RF-MEMS switches. In Proceedings of the International Conference on MICRO Electro Mechanical Systems, Hyogo, Japan, 21–25 January 2007; pp. 231–234. [Google Scholar]
- Coutu, R.A.; Kladitis, P.E.; Leedy, K.D.; Crane, R.L. Selecting metal alloy electric contact materials for MEMS switches. J. Micromech. Microeng. 2004, 14, 1157. [Google Scholar] [CrossRef]
- Coutu, R.A.; Reid, J.R.; Cortez, R.; Strawser, R.E.; Kladitis, P.E. Microswitches with sputtered Au, AuPd, Au-on-AuPt, and AuPtCu alloy electric contacts. IEEE Trans. Compon. Packag. Technol. 2006, 29, 341–349. [Google Scholar] [CrossRef]
- Broue, A.; Dhennin, J.; Courtade, F.; Dieppedale, C.; Pons, P.; Lafontan, X.; Plana, R. Characterization of Au/Au, Au/Ru and Ru/Ru ohmic contacts in MEMS switches improved by a novel methodology. J. Micro/Nanolithogr. MEMS MOEMS 2010, 9, 041102-1–041102-8. [Google Scholar]
- Czaplewski, D.A.; Nordquist, C.D.; Dyck, C.W.; Patrizi, G.A.; Kraus, G.M.; Cowan, W.D. Lifetime limitations of ohmic contacting RF MEMS switches with Au, Pt and Ir contact materials due to accumulation of ‘friction polymer’ on the contacts. J. Micromech. Microeng. 2012, 22, 105005. [Google Scholar] [CrossRef]
- Liu, B.; Lv, Z.; He, X.; Liu, M.; Hao, Y.; Li, Z. Improving performance of the metal-to-metal contact RF MEMS switch with a Pt-Au microspring contact design. J. Micromech. Microeng. 2011, 21, 065038. [Google Scholar] [CrossRef]
- Patel, C.D.; Rebeiz, G.M. RF MEMS metal-contact switches with mn-contact and restoring forces and low process sensitivity. IEEE Trans. Microw. Theory. Tech. 2011, 59, 1230–1237. [Google Scholar] [CrossRef]
- Patel, C.D.; Rebeiz, G.M. A high-reliability high-linearity high-power RF MEMS metal-contact switch for DC-40-GHz applications. IEEE Trans. Microw. Theory 2012, 60, 3096–3112. [Google Scholar] [CrossRef]
- Tang, M.; Agarwal, A.; Li, J.; Zhang, Q.X.; Win, P.; Huang, J.M.; Liu, A.Q. An approach of lateral RF MEMS switch for high performance. In Proceedings of the Symposium on Design, Test, Integration and Packaging of MEMS/MOEMS, Cannes, France, 7 May 2003. [Google Scholar]
- Puyal, V.; Dragomirescu, D.; Villeneuve, C.; Ruan, J.; Pons, P.; Plana, R. Frequency scalable model for MEMS capacitive shunt switches at millimeter-wave frequencies. IEEE Trans. Microw. Theory Tech. 2009, 57, 2824–2833. [Google Scholar] [CrossRef]
- Ekkels, P.; Rottenberg, X.; Puers, R.; Tilmans, H.A.C. Evaluation of platinum as a structural thin film material for RF-MEMS devices. J. Micromech. Microeng. 2009, 19, 065010–065018. [Google Scholar] [CrossRef]
- Palego, C.; Deng, J.; Peng, Z.; Halder, S.; Hwang, J.C.M.; Forehand, D.I.; Scarbrough, D.; Goldsmith, C.L.; Johnston, I.; Sampath, S.K.; et al. Robustness of RF MEMS capacitive switches with molybdenum membranes. IEEE Trans. Microw. Theory Tech. 2009, 57, 3262–3269. [Google Scholar] [CrossRef]
- Alam, A.H.M.Z.; Islam, M.R.; Khan, S.; Mohd Sahar, N.B.; Zamani, N.B. Effects of MEMS material on designing a multiband reconfigurable antenna. Iran. J. Electr. Comput. Eng. 2009, 8, 112–118. [Google Scholar]
- Parate, O.; Gupta, N. Material selection for electrostatic microactuators using Ashby approach. Mater. Des. 2011, 32, 1577–1581. [Google Scholar] [CrossRef]
- Kuwabara, K.; Norio, S.; Hiroki, M.; Junichi, K.; Toshikazu, K.; Katsuyuki, M.; Hiromu, I. RF-MEMS Switch Structure for Low-Voltage Actuation and High-Density Integration. In Proceedings of the Extended Abstracts of the 2007 International Conference on Solid State Devices and Materials, Ibaraki, Japan, 18–21 September 2007; pp. 90–91. [Google Scholar]
- Lei, L.M.; Shun-Meen, K.; Tien-Yu, T.L.; Lianjun, L. A Mechanical Approach to Overcome RF MEMS Switch Stiction Problem. In Proceedings of the 53rd Electronic Components and Technology Conference, New Orleans, LA, USA, 27–30 May 2003; pp. 377–384. [Google Scholar]
- Haixia, Z.; Yilong, H.; Zhiyong, X.; Dongmei, L.; Finch, N.; Marchetti, J.; Keating, D.; Narasimha, V. Design of A Novel Bulk Micro-machined RF MEMS Switch. Int. J. Nonlinear Sci. Numer. Simul. 2002, 3, 369–374. [Google Scholar]
- Jun, S.C.; Huang, X.M.H.; Manolidis, M.; Zorman, C.A.; Mehregany, M.; Hone, J. Electrothermal tuning of Al-SiC nanomechanical resonators. Nanotechnology 2006, 17, 1506–1511. [Google Scholar] [CrossRef]
- Al-Dahleh, R.; Mansour, R.R. High-capacitance-ratio warped-beam capacitive MEMS switch designs. J. Microelectromech. Syst. 2010, 19, 538–547. [Google Scholar] [CrossRef]
- Chang, C.; Chang, P. Innovative micromachined microwave switch with very low insertion loss. Sens. Actuators A Phys. 2010, 79, 71–75. [Google Scholar] [CrossRef]
- Bozler, C.; Drangmeister, R.; Duffy, S.; Gouker, M.; Knecht, J.; Kushner, L.; Parr, R.; Rabe, S.; Travis, L. MEMS microswitch arrays for recofigurable distributed microwave components. In Proceedings of the IEEE Antennas and Propagation Society International Symposium, Salt Lake City, UT, USA, 16–21 July 2000; pp. 587–591. [Google Scholar]
- Entesari, K.; Rebeiz, G.M. A differential 4-bit 6.5-10-GHz RFMEMS tunable filter. IEEE Trans. Microw. Theory Tech. 2005, 53, 1103–1110. [Google Scholar] [CrossRef]
- Demirel, K.; Yazgan, E.; Demir, S.; Akin, T. A new temperature-tolerant RF MEMS switch structure design and fabrication for Ka-Band applications. J. Microelectromech. Syst. 2016, 25, 60–68. [Google Scholar] [CrossRef]
- Fernandez-Bolanos, M.; Tsamados, D.; Dainesi, P.; Ionescu, A.M. Reliability of RF MEMS capacitive switches and distributed MEMS phase shifters using AlN dielectric. In Proceedings of the IEEE 22nd International Conference on Micro Electro Mechanical Systems, Sorrento, Italy, 25–29 January 2009; pp. 638–641. [Google Scholar]
- Roark, R.J.; Young, W.C. Formulas for Stress and Strain, 6th ed.; McGraw-Hill: New York, NY, USA, 1989. [Google Scholar]
- Yun, W. A Surface Micromachined Accelerometer with Integrated CMOS Detection Circuitry. Ph.D. Thesis, University of California at Berkeley, Berkeley, CA, USA, 1992. [Google Scholar]
- Fedder, G.K. Simulation of Microelectromechanical Systems. Ph.D. Thesis, University of California at Berkeley, Berkeley, CA, USA, 1994. [Google Scholar]
- Peroulis, D.; Pacheco, S.P.; Sarabandi, K.; Katehi, L.P.B. Electromechanical considerations in developing low-voltage RF MEMS switches. IEEE Trans. Microw. Theory Tech. 2003, 51, 259–270. [Google Scholar] [CrossRef]
- Shekhar, S.; Vinoy, K.J.; Ananthasuresh, G.K. Switching and Release Time Analysis of Electrostatically Actuated Capacitive RF MEMS Switches. Sens. Transducers J. 2011, 130, 77–90. [Google Scholar]
- Palmer, H.B. Capacitance of a parallel-plate capacitor by the Schwartz-Christoffel transformation. Trans. AIEE 1927, 56, 363. [Google Scholar]
- Koushik, G.; Mithlesh, K.; Saurabh, A.; Srimanta, B. A modified capacitance model of RF MEMS shunt switch incorporating fringing field effects of perforated beam. Solid-State Electron. 2015, 114, 35–42. [Google Scholar]
- Stojanovic, G.; Zivanovt, L.; Damjanovic, M. Compact Form of Expressions for Inductance Calculation of Meander Inductors. Serb. J. Electr. Eng. 2004, 1, 57–68. [Google Scholar] [CrossRef]


















| Structural Element | Material |
|---|---|
| Coplanar waveguide | Al |
| membrane | TiN/Al/TiN |
| Fixed down electrode | Al |
| Fixed upper electrode | TiN/Al/TiN |
| Second electrostatic drive | TiN/Al/TiN |
| Anchor area | Al |
| Dielectric layer | Si3N4 |
| Elastic suspension elements | TiN/Al/TiN |
| Substrate | SiO2-well in Si-substrate |
| SOI technology |
| Structural Element | Dimension, µm |
|---|---|
| Signal line | 600 × 150 × 1 |
| Ground line | 600 × 100 × 1 |
| membrane | 300 × 300 × 2 |
| Hole in the membrane | 5 × 5 × 2 |
| Fixed down electrode | 400 × 150 × 1 |
| Fixed upper electrode | 400 × 300 × 2 |
| Elastic suspension elements | 50 × 2 × 2 |
| Dielectric film | 300 × 150 × 0.15 |
| Air gap | 0.8 |
| Anchor area | 50 × 10 × 0.8 |
| Substrate | 600 × 600 × 100 |
| E, GPa | , 10−6 (°C−1) | K, W/m·K | , Ω·m | Density, kg·m3 | |
|---|---|---|---|---|---|
| 57.5 | 0.3175 | 16.7 | 196.55 | 6.32 × 10−8 | 4 × 103 |
| N | k, N/m | Vpull-down, V | Vhold-down, V | Vreturn, V | Vpull-down, µs | Vpull-up, µs |
|---|---|---|---|---|---|---|
| 1 | 65.65 | 5 | 3.8 | 0.89 | 9.3 | 2.1 |
| Parameter | Value |
|---|---|
| L | 0.0375 nH |
| R | 0.0341 Ω·m |
| 1.1 pF | |
| 22.12 pF | |
| 41.4 pF | |
| 0.011 pF |
© 2018 by the authors. Licensee MDPI, Basel, Switzerland. This article is an open access article distributed under the terms and conditions of the Creative Commons Attribution (CC BY) license (http://creativecommons.org/licenses/by/4.0/).
Share and Cite
Lysenko, I.E.; Tkachenko, A.V.; Sherova, E.V.; Nikitin, A.V. Analytical Approach in the Development of RF MEMS Switches. Electronics 2018, 7, 415. https://doi.org/10.3390/electronics7120415
Lysenko IE, Tkachenko AV, Sherova EV, Nikitin AV. Analytical Approach in the Development of RF MEMS Switches. Electronics. 2018; 7(12):415. https://doi.org/10.3390/electronics7120415
Chicago/Turabian StyleLysenko, Igor E., Alexey V. Tkachenko, Elena V. Sherova, and Alexander V. Nikitin. 2018. "Analytical Approach in the Development of RF MEMS Switches" Electronics 7, no. 12: 415. https://doi.org/10.3390/electronics7120415
APA StyleLysenko, I. E., Tkachenko, A. V., Sherova, E. V., & Nikitin, A. V. (2018). Analytical Approach in the Development of RF MEMS Switches. Electronics, 7(12), 415. https://doi.org/10.3390/electronics7120415

