A Piecewise Control Strategy for a Bidirectional Series Resonant Converter
Abstract
:1. Introduction
2. Steady-State Analysis for DBSRC with DPS Control
3. The Proposed Piecewise Control Strategy
3.1. Design Approach
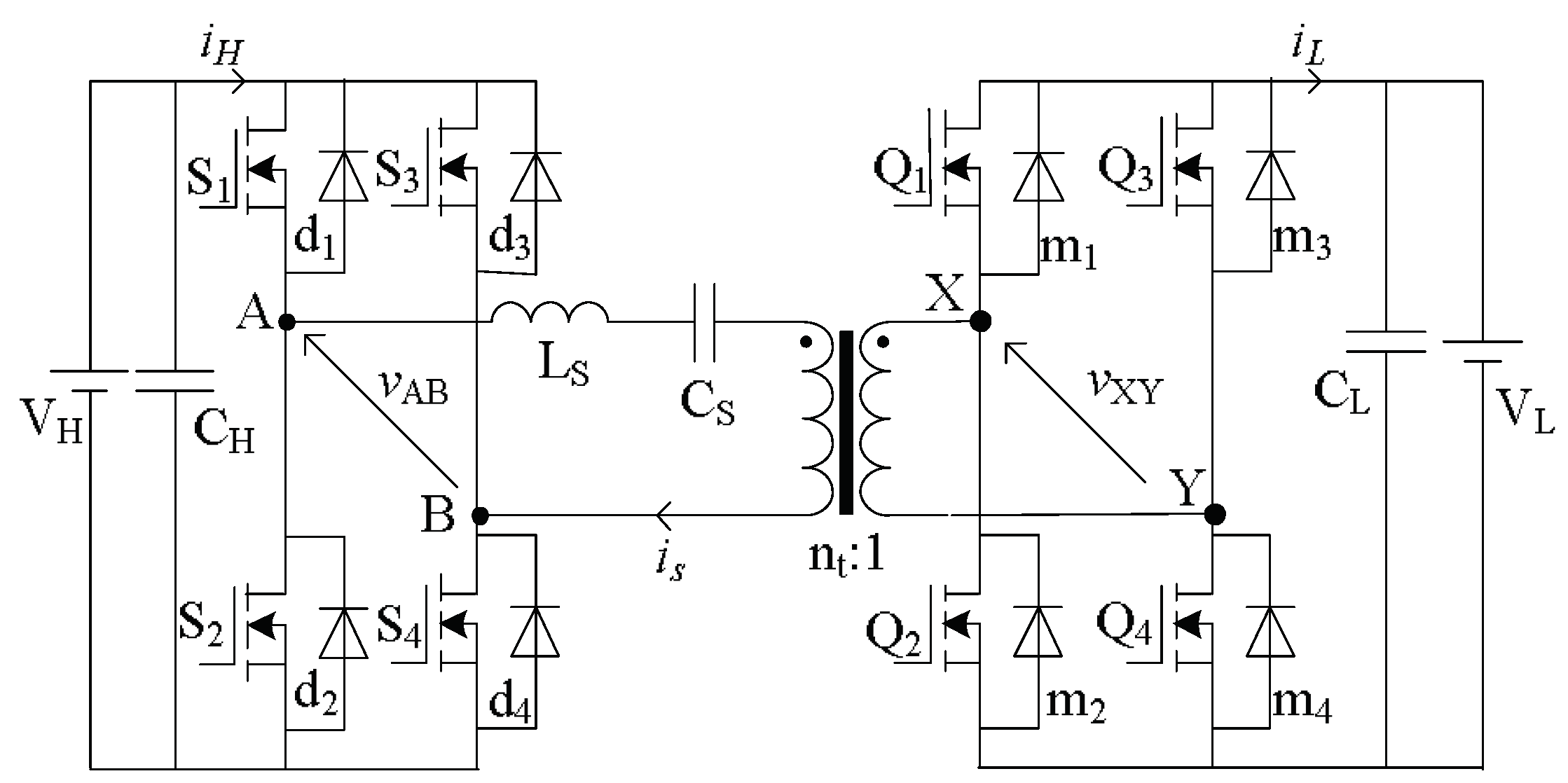
- The high circulation current would induce high rms current and hence result in high conduction loss, especially on low-voltage high-current side at heavy load. Therefore, the LV-side voltage and current are manipulated to be in phase (i.e., zero circulation energy) at full load regardless of the converter gain and the polarity of power. At this moment, the power factor on the LV side is unity, and the power factor on the HV side has the minimum value.
- Phase I, heavy load: At a reduced load level, the pulse-width of the HV-side HF AC voltage () is reduced until the length of effective HV-side AC voltage vector has the same length as that of the LV-side HF AC voltage vector . In Phase I, the power factor on the LV side decreases and the power factor on the HV side increases.
- Phase II, light load: To achieve even a low load level, the angle between two isometric voltage vectors ( and ) is reduced, which is actually analogous to the unity gain operation of DAB or DBSRC with SPS control. In Phase II, the power factor on both sides increases.
3.2. Full Load Operation
3.2.1. Full Load Operation at
3.2.2. Full Load Operation at
3.3. Phase I
3.4. Phase II
3.5. A Design Example
4. Verification with Simulation and Experimental Results
5. Conclusions
Author Contributions
Funding
Conflicts of Interest
References
- Blaabjerg, F.; Liserre, M.; Ma, K. Power electronics converters for wind turbine systems. IEEE Trans. Ind. Appl. 2012, 4, 708–719. [Google Scholar] [CrossRef]
- Bose, B. Global energy scenario and impact of power electronics in 21st century. IEEE Trans. Ind. Electron. 2013, 60, 2638–2651. [Google Scholar] [CrossRef]
- Park, J.; Choi, S. Design and control of a bidirectional resonant DC-DC converter for automotive engine/battery hybrid power generators. IEEE Trans. Power Electron. 2014, 29, 3748–3757. [Google Scholar] [CrossRef]
- Rathore, A.K.; Devendra, R.P.; Srinivasan, D. Non-isolated Bidirectional Soft-Switching Current-Fed LCL Resonant DC/DC Converter to Interface Energy Storage in DC Microgrid. IEEE Trans. Ind. Appl. 2016, 52, 1711–1722. [Google Scholar] [CrossRef]
- Chiu, H.J.; Lin, L.W. A bidirectional DC-DC converter for fuel cell electric vehicle driving system. IEEE Trans. Power Electron. 2006, 21, 950–958. [Google Scholar] [CrossRef]
- Rathore, A.K.; Prasanna, U.R. Analysis, design, and experimental results of novel snubberless bidirectional naturally clamped ZCS/ZVS current-fed half-bridge DC/DC converter for fuel cell vehicles. IEEE Trans. Ind. Electron. 2013, 60, 4482–4491. [Google Scholar] [CrossRef]
- Bal, S.; Rathore, A.K.; Srinivasan, D. Naturally Clamped Snubberless Soft-Switching Bidirectional Current-Fed Three-Phase Push-Pull DC/DC Converter for DC Microgrid Application. IEEE Trans. Ind. Appl. 2016, 52, 1577–1587. [Google Scholar] [CrossRef]
- Pan, X.; Rathore, A.K.; Prasanna, U.R. Novel soft-switching snubberless naturally clamped current-fed full-bridge front-end-converter-based bidirectional inverter for renewables, microgrid, and UPS applications. IEEE Trans. Ind. Appl. 2014, 50, 4132–4141. [Google Scholar]
- Jain, M.; Daniele, M.; Jain, P.K. A bidirectional DC-DC converter topology for low power application. IEEE Trans. Power Electron. 2000, 15, 595–606. [Google Scholar] [CrossRef]
- Li, X.; Bhat, A.K.S. Analysis and Design of High-Frequency Isolated Dual-Bridge Series Resonant DC/DC Converter. IEEE Trans. Power Electron. 2010, 21, 850–862. [Google Scholar]
- Chen, H.; Bhat, A.K.S. Analysis and design of a dual-bridge series resonant DC-to-DC converter for capacitor semi-active battery-ultracapacitor hybrid storage system. In Proceedings of the IEEE 23rd International Symposium on Industrial Electronics (ISIE), Istanbul, Turkey, 1–4 June 2014; pp. 1788–1793. [Google Scholar]
- Xiao, H.; Xie, S. A ZVS Bidirectional DC-DC Converter with Phase-Shift Plus PWM Control Scheme. IEEE Trans. Power Electron. 2008, 23, 813–823. [Google Scholar] [CrossRef]
- Li, X.; Li, Y.-F. An Optimized Phase-Shift Modulation for Fast Transient Response in a Dual-Active-Bridge Converter. IEEE Trans. Power Electron. 2014, 29, 2661–2665. [Google Scholar] [CrossRef]
- Sun, C.; Li, X.; Zhou, S.Z. Transient current control for a step load change in a dual-active-bridge converter. Electron. Lett. 2018, 54, 1290–1292. [Google Scholar] [CrossRef]
- De Doncker, R.W.; Divan, D.M.; Kheraluwala, M.H. A three-phase soft-switched high power density DC/DC converter for high power applications. IEEE Trans. Ind. Appl. 1991, 27, 63–73. [Google Scholar] [CrossRef]
- Kheraluwala, M.H.; Gascoigne, R.; Divan, D.M.; Baumann, E. Performance characterization of a high power dual active bridge DC-to-DC converter. IEEE Trans. Ind. Appl. 1992, 28, 1294–1301. [Google Scholar] [CrossRef]
- Sun, C.; Li, X. Fast transient modulation for a step load change in a dual-active-bridge converter with extended-phase-shift control. Energies 2018, 11, 1569. [Google Scholar] [CrossRef]
- Inoue, S.; Akagi, H. A bidirectional isolated DC-DC converter as a core circuit of the next-generation medium-voltage power conversion system. IEEE Trans. Power Electron. 2007, 22, 535–542. [Google Scholar] [CrossRef]
- Bai, H.; Mi, C. Eliminate reactive power and increase system efficiency of isolated bidirectional dual-active-bridge DC-DC converters using novel dual-phase-shift Control. IEEE Trans. Power Electron. 2008, 23, 2905–2914. [Google Scholar] [CrossRef]
- Zhao, B.; Song, Q.; Liu, W.; Sun, Y. Overview of Dual-Active-Bridge Isolated Bidirectional DC/DC Converter for High-Frequency-Link Power-Conversion System. IEEE Trans. Power Electron. 2014, 29, 4091–4106. [Google Scholar] [CrossRef]
- Inoue, S.; Akagi, H. A bidirectional DC-DC converter for an energy storage system with galvanic isolation. IEEE Trans. Power Electron. 2007, 22, 2299–2306. [Google Scholar] [CrossRef]
- Oggier, G.G.; Garcia, G.O.; Oliva, A.R. Switching Control Strategy to Minimize Dual Active Bridge Converter Losses. IEEE Trans. Power Electron. 2009, 24, 1826–1838. [Google Scholar] [CrossRef]
- Krismer, F.; Kolar, J.W. Closed Form Solution for Minimum Conduction Loss Modulation of DAB Converters. IEEE Trans. Power Electron. 2012, 27, 174–188. [Google Scholar] [CrossRef]
- Corradini, L.; Seltzer, D.; Bloomquist, D.; Zane, R.; Maksimovic, D.; Jacobson, B. Minimum current operation of bidirectional dual-bridge series resonant DC/DC converters. IEEE Trans. Power Electron. 2012, 27, 3266–3276. [Google Scholar] [CrossRef]
- Zhou, H.; Khambadkone, A.M. Hybrid Modulation for Dual-Active-Bridge Bidirectional Converter with Extended Power Range for Ultracapacitor Application. IEEE Trans. Ind. Appl. 2009, 45, 1434–1442. [Google Scholar] [CrossRef]
- Moonem, M.A.; Pechacek, C.L.; Hernandez, R.; Krishnaswami, H. Analysis of a multilevel dual active bridge (ml-dab) DC-DC converter using symmetric modulation. Electronics 2015, 4, 239–260. [Google Scholar] [CrossRef]
- Lu, M.; Li, X. Performance Evaluation of a Semi-Dual-Active-Bridge with PPWM Plus SPS Control. Electronics 2018, 7, 184. [Google Scholar] [CrossRef]
- Li, X.; Hu, S.; Sun, C.; Zhang, Y.F. Asymmetric-double-sided modulation for fast load transition in a semi-dual-active-bridge converter. IET Power Electron. 2017, 10, 1698–1704. [Google Scholar] [CrossRef]
- Qu, P.; Li, Z.; Wang, P.; Li, Y. Soft-switching study of high-frequency isolated dual-active-bridge resonant DC-DC converter considering harmonic components. In Proceedings of the IEEE Transportation Electrification Conference and Expo Asia-Pacific, Beijing, China, 31 August–3 September 2014; pp. 1–5. [Google Scholar]
- Li, X. A LLC-Type Dual-Bridge Resonant Converter: Analysis, Design, Simulation, and Experimental Results. IEEE Trans. Power Electron. 2014, 29, 4313–4321. [Google Scholar] [CrossRef]
- Malan, W.L.; Vilathgamuwa, D.M.; Walker, G.R. Modeling and control of a resonant dual active bridge with a tuned CLLC network. IEEE Trans. Power Electron. 2016, 31, 7297–7310. [Google Scholar] [CrossRef]
- Zhang, Y.; Li, X.; Sun, C.; He, Z. Improved Step Load Response of a Dual-Active-Bridge DC-DC Converter. Electronics 2018, 7, 185. [Google Scholar] [CrossRef]
- Hu, S.; Li, X.; Bhat, A.K.S. Operation of a bidirectional series resonant converter with minimized tank current and wide zvs range. IEEE Trans. Power Electron. 2019, 34, 904–915. [Google Scholar] [CrossRef]

















| Power | |||
|---|---|---|---|
| 200 W | 0 | 16.3 | full load @ |
| 192 W | 32.6 | 0 | boundary @ V |
| −200 W | 0 | −16.3 | full load @ V |
| −192 W | 32.6 | −32.6 | boundary @ V |
| 200 W | 84.4 | −3.2 | full load @ V |
| 155 W | 109.6 | −15.8 | boundary @ V |
| −200 W | 84.4 | −81.2 | full load @ V |
| −155 W | 109.6 | −93.8 | boundary @ V |
© 2018 by the authors. Licensee MDPI, Basel, Switzerland. This article is an open access article distributed under the terms and conditions of the Creative Commons Attribution (CC BY) license (http://creativecommons.org/licenses/by/4.0/).
Share and Cite
Zhou, S.-Z.; Li, X.; Chen, G.; Hu, S. A Piecewise Control Strategy for a Bidirectional Series Resonant Converter. Electronics 2018, 7, 374. https://doi.org/10.3390/electronics7120374
Zhou S-Z, Li X, Chen G, Hu S. A Piecewise Control Strategy for a Bidirectional Series Resonant Converter. Electronics. 2018; 7(12):374. https://doi.org/10.3390/electronics7120374
Chicago/Turabian StyleZhou, Sheng-Zhi, Xiaodong Li, Guo Chen, and Song Hu. 2018. "A Piecewise Control Strategy for a Bidirectional Series Resonant Converter" Electronics 7, no. 12: 374. https://doi.org/10.3390/electronics7120374
APA StyleZhou, S.-Z., Li, X., Chen, G., & Hu, S. (2018). A Piecewise Control Strategy for a Bidirectional Series Resonant Converter. Electronics, 7(12), 374. https://doi.org/10.3390/electronics7120374

