Zero Standby Solutions with Optical Energy Harvesting from a Laser Pointer
Abstract
1. Introduction and Background
1.1. Zero Standby Solutions
1.2. Optical Wake-Up Signal
1.3. Visible Laser Harvesting for Zero Standby
- The range is fairly limited due to the wide LED angle.
- Transmission at long range may require precise aiming, which is difficult with invisible IR transmission.
- Wide-beam transmission may unintentionally wake adjacent devices that expect a similar IR wake-up signal.
- Designs that require high-power transmission involve eye-safety concerns.
- A laser pointer may be more difficult to aim for people with shaky hands. This shortcoming can be mitigated by increasing the area of the photodiode array as discussed in Appendix A, using a focusing lens at the receiver, or slightly increasing the laser’s beam width.
- The laser beam is only wide enough to hit a single photodiode, which may not provide enough energy to harvest. This issue is addressed with the circuits discussed in Section 3.1 and Section 3.2.
- Lasers incur even more stringent eye hazards than IR LEDs. As such, this work strictly limits its scope to class 3a visible laser pointers (<5 mW).
- The design achieves zero standby consumption and harvests an external energy input to generate a wake-up signal.
- The design is constructed with commercial off-the-shelf (COTS) parts and does not require a custom integrated circuit.
- The wake-up signal can be delivered with a common 5 mW class 3a laser pointer.
- The design is applicable in power supplies at standard voltages such as 120 V AC or 48 V DC. This requires the design to be able to drive the gate of a high-voltage sleep transistor.
- The wake-up signal can be generated within milliseconds of photodiode excitation.
2. Photodiode Model and Characterization
2.1. DC Characterization of a Photodiode
2.2. AC Characterization of a Photodiode
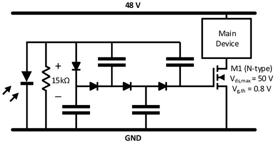
3. Laser-Based Wake-Up Circuit Solutions
3.1. Solution with a Cascoded Header Switch
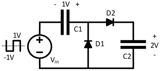
3.2. Solution with a Dickson Charge Pump
4. Results and Discussion
4.1. Prototypes and Results
4.2. Discussion of Laser-Based Standby Methods
5. Conclusions
Author Contributions
Funding
Acknowledgments
Conflicts of Interest
Appendix A. Array of Photodiodes

References
- Ore, D. More Data, Less Energy Making Network Standby More Efficient in Billions of Connected Devices; International Energy Agency: Paris, France, 2014. [Google Scholar]
- Comstock, O.; Jarzomski, K. Consumption and saturation trends of residential miscellaneous end-use loads. In Proceedings of the 2012 ACEEE Summer Study Energy Efficiency Buildings, Pacific Grove, CA, USA, 14 August 2012. [Google Scholar]
- Ellis, M.; Siderius, H.P.; Lane, K. Closing the Gap towards Net Zero Energy Appliances. In Proceedings of the ECEEE 2015 Summer Study, Toulon, France, 1–6 June 2015. [Google Scholar]
- Meier, A.; Siderius, H.P. Should The Next Standby Power Target Be 0-Watt? 2017. Available online: https://escholarship.org/uc/item/566951pn (accessed on 24 September 2018).
- Fukuoka, K.; Maeda, N.; Nii, K.; Fujigaya, M.; Sakamoto, N.; Koike, T.; Irita, T.; Wakahara, K.; Matsuyama, T.; Hasegawa, K.; et al. Power-Management Features of R-Mobile U2, an Integrated Application Processor and Baseband Processor. IEEE Micro 2013, 33, 26–36. [Google Scholar] [CrossRef]
- Chao, B.; Harrison, L. Re-Designing Normally-on Load Switches with Zero-Power MOSFETs Reduces Power Consumption. Advanced Linear Devices White Paper. 2008. Available online: https://www.aldinc.com/pdf/ZeroPowerNormallyONSwitch.pdf (accessed on 24 September 2018).
- Yamawaki, A.; Serikawa, S. An extending method of operable distance for infrared remote controlled power switch with zero stand-by power. In Proceedings of the 2015 International Conference on Informatics, Electronics & Vision (ICIEV), Fukuoka, Japan, 15–18 June 2015; pp. 1–5. [Google Scholar]
- Yamawaki, A.; Serikawa, S. Power supply circuit with zero standby power consumption on infrared remote controlled product by using energy harvesting. In Proceedings of the 2015 International MultiConference of Engineers and Computer Scientists, Hong Kong, China, 18–20 March 2015. [Google Scholar]
- Kang, S.; Park, K.; Shin, S.; Chang, K.; Kim, H. Zero standby power remote control system using light power transmission. IEEE Trans. Consum. Electron. 2011, 57, 1622–1627. [Google Scholar] [CrossRef]
- Rosa, R.L.; Aiello, N.; Zoppi, G. An Innovative System Capable to Turn on Any Turned Off electrical appliance by means of an efficient optical energy transfer. In Proceedings of the International Exhibition and Conference for Power Electronics, Intelligent Motion, Renewable Energy and Energy Management (PCIM Europe 2014), Nuremberg, Germany, 20–22 May 2014; pp. 1–8. [Google Scholar]
- Utsunomiya, F.; Tanaka, A.; Douseki, T. A self-powered photosensor switch detects only rising edge of infrared-light pulse for wireless zero-standby-power wake-up receiver. In Proceedings of the 2013 IEEE SENSORS, Baltimore, MD, USA, 3–6 November 2013; pp. 1–4. [Google Scholar] [CrossRef]
- Haydaroglu, I.; Mutlu, S. Optical power delivery and data transmission in a wireless and batteryless microsystem using a single light emitting diode. J. Microelectromech. Syst. 2015, 24, 155–165. [Google Scholar] [CrossRef]
- Ferro, E.; Illade-Quinteiro, J.; Brea, V.; López, P.; Cabello, D.; Doménech-Asensi, G. The Dickson charge pump as voltage booster for light energy harvesting on CMOS vision chips. In Proceedings of the 2014 14th International Workshop on Cellular Nanoscale Networks and their Applications (CNNA), Notre Dame, IN, USA, 29–31 July 2014; pp. 1–2. [Google Scholar]
- Qian, Z.; Kang, S.; Rajaram, V.; Cassella, C.; McGruer, N.E.; Rinaldi, M. Zero-power light-actuated micromechanical relay. In Proceedings of the 2017 IEEE 30th International Conference on Micro Electro Mechanical Systems (MEMS), Las Vegas, NV, USA, 22–26 January 2017; pp. 940–941. [Google Scholar]
- Mathews, J.; Barnes, M.; Young, A.; Arvind, D. Low power wake-up in wireless sensor networks using free space optical communications. In Proceedings of the 2010 Fourth International Conference on Sensor Technologies and Applications (SENSORCOMM), Venice, Italy, 18–25 July 2010; pp. 256–261. [Google Scholar]
- Kim, G.; Lee, Y.; Bang, S.; Lee, I.; Kim, Y.; Sylvester, D.; Blaauw, D. A 695 pW standby power optical wake-up receiver for wireless sensor nodes. In Proceedings of the Custom Integrated Circuits Conference (CICC), San Jose, CA, USA, 9–12 September 2012; pp. 1–4. [Google Scholar]
- Lim, W.; Jang, T.; Lee, I.; Kim, H.S.; Sylvester, D.; Blaauw, D. A 380pW dual mode optical wake-up receiver with ambient noise cancellation. In Proceedings of the 2016 IEEE Symposium on VLSI Circuits (VLSI-Circuits), Honolulu, HI, USA, 15–17 June 2016; pp. 1–2. [Google Scholar]
- OSI OptoElectronics. Photodiode Characteristics and Applications. Available online: http://www.osioptoelectronics.com/application-notes/AN-Photodiode-Parameters-and-Characteristics.pdf (accessed on 24 September 2018).
- Cubas, J.; Pindado, S.; de Manuel, C. Explicit expressions for solar panel equivalent circuit parameters based on analytical formulation and the Lambert W-function. Energies 2014, 7, 4098–4115. [Google Scholar] [CrossRef]
- Park, H.; Kim, H. PV cell modeling on single-diode equivalent circuit. In Proceedings of the IECON 2013-39th Annual Conference of the IEEE Industrial Electronics Society, Vienna, Austria, 10–13 November 2013; pp. 1845–1849. [Google Scholar]
- Schwarzburg, K.; Willig, F. Diffusion impedance and space charge capacitance in the nanoporous dye-sensitized electrochemical solar cell. J. Phys. Chem. B 2003, 107, 3552–3555. [Google Scholar] [CrossRef]
- Hu, C. Modern Semiconductor Devices for Integrated Circuits; Prentice Hall: Upper Saddle River, NJ, USA, 2010; Volume 1. [Google Scholar]
- Schlosser, V.; Ghitas, A. Measurement of silicon solar cells AC parameters. In Proceedings of the Arab Regional Solar Energy Conference, Zallaq, Bahrain, 5–7 November 2006. [Google Scholar]
- Yamamoto, Y. Fundamentals of Noise Processes; Cambridge University Press: Cambridge, UK, 2017. [Google Scholar]
- Özden, S.; Bayhan, H.; Dönmez, A.; Bayhan, M. Measurement and comparison of silicon PIN-photodiodes with AC impedance at different voltages. Semiconductors 2008, 42, 834–837. [Google Scholar] [CrossRef]
- Kumar, R.; Suresh, M.; Nagaraju, J. Silicon (BSFR) solar cell AC parameters at different temperatures. Sol. Energy Mater. Solar Cells 2005, 85, 397–406. [Google Scholar] [CrossRef]
- Kumar, R.A.; Suresh, M.; Nagaraju, J. Time domain technique to measure solar cell capacitance. Rev. Sci. Instrum. 2003, 74, 3516–3519. [Google Scholar] [CrossRef]
- Brea, V.M.; Suarez, M.; Illade-Quinteiro, J.; López, P.; Cabello, D.; Doménech-Asensi, G. Voltage boosters for on-chip solar cells on focal-plane processors. In Proceedings of the 2013 IEEE 20th International Conference on Electronics, Circuits, and Systems (ICECS), Abu Dhabi, UAE, 8–11 December 2013; pp. 393–396. [Google Scholar]
- Çilingiroğlu, U.; Tar, B.; Özmen, Ç. On-chip photovoltaic energy conversion in bulk-CMOS for indoor applications. IEEE Trans. Circuits Syst. I Regul. Pap. 2014, 61, 2491–2504. [Google Scholar] [CrossRef]
- Dickson, J.F. On-chip high-voltage generation in MNOS integrated circuits using an improved voltage multiplier technique. IEEE J. Solid-State Circuits 1976, 11, 374–378. [Google Scholar] [CrossRef]
- Ki, W.H.; Lu, Y.; Su, F.; Tsui, C.Y. Analysis and design strategy of on-chip charge pumps for micro-power energy harvesting applications. In Proceedings of the IFIP/IEEE International Conference on Very Large Scale Integration-System on a Chip, Hong Kong, China, 3–5 October 2011; Springer: Berlin/Heidelberg, Germany, 2011; pp. 158–186. [Google Scholar]
- Tanzawa, T. On-Chip High-Voltage Generator Design; Springer: Berlin/Heidelberg, Germany, 2013. [Google Scholar]
- Yan, H.; Montero, J.M.; Akhnoukh, A.; De Vreede, L.C.; Burghartz, J. An integration scheme for RF power harvesting. In Proceedings of the STW Annual Workshop on Semiconductor Advances for Future Electronics and Sensors, Veldhoven, The Netherlands, 17–18 November 2005; pp. 64–66. [Google Scholar]
- Marshall, B.R.; Morys, M.M.; Durgin, G.D. Parametric analysis and design guidelines of RF-to-DC Dickson charge pumps for RFID energy harvesting. In Proceedings of the 2015 IEEE International Conference on RFID (RFID), San Diego, CA, USA, 15–17 April 2015; pp. 32–39. [Google Scholar]
- Muramatsu, M.; Koizumi, H. An experimental result using RF energy harvesting circuit with Dickson charge pump. In Proceedings of the 2010 IEEE International Conference on Sustainable Energy Technologies (ICSET), Kandy, Sri Lanka, 6–9 December 2010; pp. 1–4. [Google Scholar]
- Schemmel, D. A Wireless Energy Harvesting System with Beamforming Capabilities. Ph.D. Thesis, Colorado School of Mines, Golden, CO, USA, 2017. [Google Scholar]
- De Vita, G.; Iannaccone, G. Design criteria for the RF section of UHF and microwave passive RFID transponders. IEEE Trans. Microw. Theory Tech. 2005, 53, 2978–2990. [Google Scholar] [CrossRef]
- Seeman, M.D.; Sanders, S.R. Analysis and optimization of switched-capacitor DC–DC converters. IEEE Trans. Power Electron. 2008, 23, 841–851. [Google Scholar] [CrossRef]
- Gao, L.; Dougal, R.A.; Liu, S.; Iotova, A.P. Parallel-Connected Solar PV System to Address Partial and Rapidly Fluctuating Shadow Conditions. IEEE Trans. Ind. Electron. 2009, 56, 1548–1556. [Google Scholar] [CrossRef]
- Chatterjee, A.; Keyhani, A.; Kapoor, D. Identification of photovoltaic source models. IEEE Trans. Energy Convers. 2011, 26, 883–889. [Google Scholar] [CrossRef]
- Mäki, A.; Valkealahti, S. Power losses in long string and parallel-connected short strings of series-connected silicon-based photovoltaic modules due to partial shading conditions. IEEE Trans. Energy Convers. 2012, 27, 173–183. [Google Scholar] [CrossRef]









| DC | High Frequency | |
|---|---|---|
| Photovoltaic Mode (Forward Biased) | Solar Panels | This Work |
| Photoconductive Mode (Reverse Biased) | Optical Sensing and Communication |
| Name | Symbol | Value |
|---|---|---|
| Series Resistance | 680 Ω | |
| Shunt (Parallel) Resistance | 5 G | |
| Maximum Junction Capacitance | 72 pF | |
| Maximum Diffusion Capacitance | 7.3 nF |
| Component | Type | Vds,max | Vg,th | Figure 6 |
|---|---|---|---|---|
| Si3460DV | N | 20 V | 0.45 V | M1 |
| RYC002N05 | N | 50 V | 0.8 V | M2 |
| SSM3J351R | P | 60 V | 2.0 V | M3 |
© 2018 by the authors. Licensee MDPI, Basel, Switzerland. This article is an open access article distributed under the terms and conditions of the Creative Commons Attribution (CC BY) license (http://creativecommons.org/licenses/by/4.0/).
Share and Cite
Gerber, D.L.; Meier, A.; Hosbach, R.; Liou, R. Zero Standby Solutions with Optical Energy Harvesting from a Laser Pointer. Electronics 2018, 7, 292. https://doi.org/10.3390/electronics7110292
Gerber DL, Meier A, Hosbach R, Liou R. Zero Standby Solutions with Optical Energy Harvesting from a Laser Pointer. Electronics. 2018; 7(11):292. https://doi.org/10.3390/electronics7110292
Chicago/Turabian StyleGerber, Daniel L., Alan Meier, Robert Hosbach, and Richard Liou. 2018. "Zero Standby Solutions with Optical Energy Harvesting from a Laser Pointer" Electronics 7, no. 11: 292. https://doi.org/10.3390/electronics7110292
APA StyleGerber, D. L., Meier, A., Hosbach, R., & Liou, R. (2018). Zero Standby Solutions with Optical Energy Harvesting from a Laser Pointer. Electronics, 7(11), 292. https://doi.org/10.3390/electronics7110292

