A Review of Advanced CMOS RF Power Amplifier Architecture Trends for Low Power 5G Wireless Networks
Abstract
:1. Introduction
1.1. The 5G Wireless Realm
1.2. Trends of Modern RF PA Research
1.3. The Modern Wireless Network
2. Advanced RF PA Architectures
2.1. Envelope Tracking RF PA (ET/EER PA)
- Various envelope detection methods. Envelope detection can be implemented in the analog domain alongside ET/EER or using a digital signal processor (DSP) alongside a polar PA architecture;
- High PAE improvement possibilities. Utilizing ET/EER architecture can lead to an overall PAE improvement by up to 20% compared to that of the traditional PA;
- A choice of different architecture variations. Linear, switching and their combinations as well as adaptive biasing techniques are at the disposal of the designer;
- Linearization possible but difficult as the nonlinearities of other system components such as the regulator have to be accounted for.
- High synchronization precision between the PA and the regulator requirements. The regulator and the RF path have to be phase matched as the supply voltage must follow the envelope for maximum efficiency;
- Additional noise in the supply rail due to a switching regulator;
- Narrow bandwidth. Bandwidth primarily restricted by the regulator therefore is not suitable for multi-standard solutions and is not reported to be higher than 40 MHz;
- Complex implementation. The architecture requires high power regulators with precise controls;
- No possibility of full integration in a single application-specific integrated circuit (ASIC). The main reason is the large high current inductor present at the output of the switching regulator.
2.2. Outphasing RF PA (LINC PA)
- Architecture simplicity. An outphasing PA only consists of a signal component separator, two parallel amplifiers and a power combiner;
- Efficiency can be increased without hardware changes by means of improving DSP algorithms;
- Predistortion techniques are applicable in order to enhance overall system linearity;
- Possible integration in a single ASIC. The main bottleneck is the power combiner.
- Narrow bandwidth. The main bottleneck is the power combiner;
- High synchronization precision between parallel RF paths required for maximum efficiency;
- Practical efficiency, compared to the theoretical, is highly reduced due to losses in passive components;
- Specific power combiners required. Common power combiners (Wilkinson, hybrid) do not provide sufficient performance, therefore specific phase-compensated ones are required.
2.3. Doherty RF PA (DPA)
- High efficiency—load-pull concept implemented in the DPA utilizes λ/4 microstrips and lets the designer achieve higher overall PAE with less complex additional circuit solutions (opposed to ET architecture) at any single frequency band. Moreover, the DPA is near to its peak efficiency in the whole back-off power range;
- Linearization techniques, such as feed-forward and predistortion can be implemented without any constraints;
- Simplicity—no complex circuitry reacting to the input signal required (opposed to ET/EER architecture);
- A combination of multiple PAs in different biasing classes possible. The traditional DPA consists of the Main linear PA and the Aux nonlinear one. DPA architecture is not restricted to only the latter combination, as multiple-way DPAs are also possible where every PA works in a different biasing class;
- Increased losses in RF path due to the presence of power splitter and combiner;
- High synchronization precision between RF paths required. Main and auxiliary RF path lengths (delays) must be equal for maximum efficiency;
- Large overall area. Architecture utilizes a power splitter at the input and a power combiner at the output, both of which have a form factor dependence on the operating frequency;
- Narrow operating bandwidth due to the nature of the output λ/4 microstrip impedance inverter. Methods of increasing the bandwidth are reported, sacrificing the overall area and stressing the overall manufacturability and current handling capability of the solutions;
- Low potential of full ASIC integration. Impossible to implement wideband integrated solutions for up to 2 GHz due to large impedance inverter quarter wavelength values.
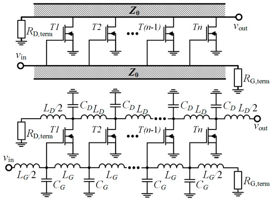
2.4. Traveling Wave RF PA (TWA)
- Very high bandwidth. TWA architecture provides an unprecedented bandwidth comparing all other advanced PA architectures;
- Can be implemented in both discrete form and integrated into an ASIC. The unmatched bandwidth of the TWA is achieved using both discrete components, a combination of discrete components and PCB microstrips as well as integrated into an ASIC;
- The achievable bandwidth in CMOS is comparable to that of the designed in III-V group semiconductors. Reported CMOS, SiGe and GaAs/GaN BiCMOS TWAs can achieve a similar bandwidth, although power-wise III-V group semiconductors are more superior;
- Linearization and predistortion possible. DPD algorithms can be used to extend the linearity of the whole TWA as well as linearizer diodes at the gate of each segment can be placed;
- Concept simplicity. TWA concept is based on transmission line theory, which has matured and is thoroughly investigated;
- No additional impedance matching network. Due to the innate transmission line impedance of 50 Ω, there is no need to include impedance matching networks at the input or output;
- A choice of different architecture variations. Single-stage, multi-stage, parallel, matrix in both uniform and non-uniform arrangements are at the disposal of the designer.
- Large area due to multiple inductors. This makes integration into transceiver chips (ASICs containing not only a single PA) very difficult and impractical if not impossible;
- Efficiency of basic PA classes. TWA has an outstanding bandwidth, but the PAE is naturally decreasing with the increase of the frequency. The architecture itself is not aimed at improving PAE but elements from other advanced PA architectures can be incorporated (ex. ET/EER modulator);
- Additional noise due to source and drain termination resistors. The latter noise can be reduced by integrating reported termination noise reduction techniques.
2.5. Millimeter Wave RF PA
3. Advanced RF PA Architecture Comparison
4. Conclusions
Author Contributions
Funding
Acknowledgments
Conflicts of Interest
References
- Hansen, P. Developments in high power longwave radio: A brief history. In Proceedings of the IEEE International Symposium on Antennas and Propagation (APSURSI), Fajardo, Puerto Rico, 26 June–1 July 2016; pp. 1013–1014. [Google Scholar] [CrossRef]
- Wang, C.X.; Haider, F.; Gao, X.; You, X.H.; Yang, Y.; Yuan, D.; Aggoune, H.; Haas, H.; Fletcher, S.; Hepsaydir, E. Cellular Architecture and Key Technologies for 5G Wireless Communication Networks. IEEE Commun. Mag. 2014, 52, 122–130. [Google Scholar] [CrossRef]
- Euro. Mobile Industry Observatory, 2017 GSMA Revenue. Available online: https://www.gsma.com/mobileeconomy/ (accessed on 15 September 2018).
- Hammainen, H.; Sarfaraz, A. 5G Transformation. How Mobile Network Operators are Preparing for Transformation to 5G? In Proceedings of the 2017 Internet of Things Business Models, Users, and Networks, Copenhagen, Denmark, 23–24 November 2017. [Google Scholar] [CrossRef]
- The European Conference of Postal and Telecommunications Administrations CEPT. Spectrum for Wireless Broadband—5G. Available online: https://cept.org/ecc/topics/spectrum-for-wireless-broadband-5g (accessed on 28 September 2018).
- Federal Communications Commission, “Leading the World Toward a 5G Future”. Available online: https://www.fcc.gov/5G (accessed on 28 September 2018).
- RF & Microwave Components, Equipment and Services, “5G Frequency Bands”. Available online: https://www.everythingrf.com/community/5g-frequency-bands (accessed on 28 September 2018).
- GSMA Spectrum, “5G Spectrum Public Policy Position. Nov. 2016”. Available online: https://www.gsma.com/spectrum/wp-content/uploads/2016/06/GSMA-5G-Spectrum-PPP.pdf (accessed on 28 September 2018).
- Cheng, Q.F.; Zhu, S.K.; Wu, H.F. Investigating the global trend of RF power amplifiers with the arrival of 5G. In Proceedings of the 2015 IEEE International Wireless Symposium (IWS), Shenzhen, China, 30 March–1 April 2015; pp. 1–4. [Google Scholar] [CrossRef]
- Johansson, T.; Frinzin, J. A Review of Watt-Level CMOS RF Power Amplifiers. IEEE Trans. Microw. Theory Tech. 2013, 62, 111–124. [Google Scholar] [CrossRef]
- Ghosh, A.; Mangalvedhe, N.; Ratasuk, R.; Mondal, B.; Cudak, M.; Visotsky, E.; Thomas, T.A.; Andrews, J.G.; Xia, P.; Jo, H.S.; et al. Heterogeneous Cellular Networks: From Theory to Practice. IEEE Commun. Mag. 2012, 50, 54–64. [Google Scholar] [CrossRef]
- Tsay, J.; Hall, T.; Nukala, T.; Lopez, J.; Li, Y. Recent Progress on High-Efficiency CMOS and SiGe RF Power Amplifier Design. In Proceedings of the IEEE Topical Conference on Power Amplifiers for Wireless and Radio Applications (PAWR), Austin, TX, USA, 24–27 January 2016; pp. 15–17. [Google Scholar] [CrossRef]
- De Souza, M.M.; Rasheduzzaman, M.; Kumar, S.N. Designing High Power RF Amplifiers: An analytic approach. In Proceedings of the Microwave and Millimeter-Wave Monolithic Circuits Symposium, Playa del Carmen, Mexico, 2–4 April 2014; pp. 1–5. [Google Scholar] [CrossRef]
- Liberat, R.M.; Calori, M. High performance future hybrid transceiver module using GaN power devices for seeker applications. In Proceedings of the RADAR 08 IEEE Radar Conference, Rome, Italy, 26–30 May 2008; pp. 1–4. [Google Scholar] [CrossRef]
- Lim, K.; Lee, H.D.; Ahn, H.; Lee, S.; Jang, S.; Baek, S.; Moon, B.; Lee, Y.; Shin, H.; Kim, S.; et al. A 2x2 MIMO Multi-band RF Transceiver and Power Amplifier for Compact LTE Small Cell Base Station. In Proceedings of the IEEE International Symposium on Radio-Frequency Integration Technology (RFIT), Seoul, Korea, 30 August–1 September 2017; pp. 37–39. [Google Scholar] [CrossRef]
- Dyadyuk, V.; Shen, M.; Stokes, L. An E-band Transceiver with 50 Hz IF bandwidth. In Proceedings of the 1st Australian Microwave Symposium (AMS), Melbourne, Australia, 26–27 June 2014; pp. 43–44. [Google Scholar] [CrossRef]
- Zampardi, P.J. Will CMOS Amplifiers Ever Kick-GaAs? In Proceedings of the IEEE Custom Integrated Circuits Conference, San Jose, CA, USA, 19–22 September 2010; pp. 1–4. [Google Scholar] [CrossRef]
- Kwak, M.; Jeong, J.; Hassan, M.; Yan, J.J.; Kimball, D.F.; Asbeck, P.M.; Larson, L.E. High efficiency wideband envelope tracking power amplifier with direct current sensing for LTE applications. In Proceedings of the IEEE Topical Conference on Power Amplifiers for Wireless and Radio Applications (PAWR), Santa Clara, CA, USA, 15–18 January 2012; pp. 41–44. [Google Scholar] [CrossRef]
- Hassan, E.; Larson, L.E.; Leung, V.W.; Asbeck, P.M. A Combined Series-Parallel Hybrid Envelope Amplifier for Envelope Tracking Mobile Terminal RF Power Amplifier Applications. IEEE J. Solid-State Circuits 2012, 47, 1185–1198. [Google Scholar] [CrossRef]
- Choi, J.; Kang, D.; Kim, D. A multi-mode envelope tracking power amplifier for software defined radio transmitters. In Proceedings of the IEEE International Microwave Workshop Series on RF Front-ends for Software Defined and Cognitive Radio Solutions (IMWS), Aveiro, Portugal, 22–23 February 2010; pp. 1–4. [Google Scholar] [CrossRef]
- Jang, S.; Ahn, K.P.; Choi, Y.H.; Ryu, N.S.; Park, B.; Hyun, S.B.; Jung, J. PWM Based CMOS Supply Modulator for LTE Envelope Tracking Transmitter. In Proceedings of the International Conference on ICT Convergence (ICTC), Seoul, Korea, 28–30 September 2011; pp. 622–623. [Google Scholar] [CrossRef]
- Vasic, M.; Garcia, O.; Oliver, J.A.; Alou, P.; Cobos, J.A. Survey of Architectures and Optimizations for Wide Bandwidth Envelope Amplifier. In Proceedings of the 15th International Power Electronics and Motion Control Conference (EPE/PEMC), Novi Sad, Serbia, 4–6 September 2012. [Google Scholar] [CrossRef]
- Lie, D.Y.C.; Li, Y.; Wu, R.; Hu, W.; Lopez, J.; Schecht, C.; Liu, Y.W. Design of highly-efficient monolithic silicon power amplifiers using envelope-tracking for broadband wireless applications. In Proceedings of the Asia-Pacific Microwave Conference (APMC), Sendai, Japan, 4–7 November 2014; pp. 1085–1088. [Google Scholar] [CrossRef]
- Li, Y.; Ortiz, J.; Spears, E. A highly integrated multiband LTE SiGe power amplifier for envelope tracking. In Proceedings of the IEEE Radio Frequency Integrated Circuits Symposium (RFIC), Phoenix, AZ, USA, 17–19 May 2015; pp. 131–134. [Google Scholar] [CrossRef]
- Li, Y.; Lopez, J.; Wu, P.H.; Hu, W.; Wu, R.; Lie, D.Y. A SiGe Envelope-Tracking Power Amplifier with an Integrated CMOS Envelope Modulator for Mobile WiMAX/3GPP LTE Transmitters. IEEE Trans. Microw. Theory Tech. 2011, 59, 2525–2536. [Google Scholar] [CrossRef]
- Woo, J.L.; Park, S.; Kim, U.; Kwon, Y. Dynamic Stack-Controlled CMOS RF Power Amplifier for Wideband Envelope Tracking. IEEE Trans. Microw. Theory Tech. 2014, 62, 3452–3464. [Google Scholar] [CrossRef]
- Woo, J.L.; Park, S.; Kwon, Y. A wideband envelope-tracking CMOS linear transmitter without digital predistortion. In Proceedings of the IEEE Radio Frequency Integrated Circuits Symposium (RFIC), Phoenix, AZ, USA, 17–19 May 2015; pp. 367–370. [Google Scholar] [CrossRef]
- Park, B.; Kim, D.; Kim, S.; Cho, Y.; Kim, J.; Kang, D.; Jin, S.; Moon, K.; Kim, B. High-Performance CMOS Power Amplifier with Improved Envelope Tracking Supply Modulator. IEEE Trans. Microw. Theory Tech. 2016, 64, 798–809. [Google Scholar] [CrossRef]
- Hassan, M.; Asbeck, P.M.; Larson, L.E. A CMOS Dual-Switching Power-Supply Modulator with 8% Efficiency Improvement for 20 MHz LTE Envelope Tracking RF Power Amplifiers. In Proceedings of the IEEE International Solid-State Circuits Conference Digest of Technical Papers (ISSCC), San Francisco, CA, USA, 17–21 February 2013; pp. 366–367. [Google Scholar] [CrossRef]
- Francois, B.; Reynaert, P. A fully integrated watt-level linear 900-MHz CMOS RF power amplifier for LTE-applications. IEEE Trans. Microw. Theory Tech. 2012, 60, 1878–1885. [Google Scholar] [CrossRef]
- Grebennikov, A. RF and Microwave Power Amplifier Design; McGraw-Hill: New-York, NY, USA, 2007; pp. 109–411. ISBN 0470512083. [Google Scholar]
- Birafane, A.; El-Asmar, M.; Kouki, A.B.; Helaoui, M.; Ghannouchi, F.M. Analyzing LINC Systems. IEEE Microw. Mag. 2010, 11, 59–71. [Google Scholar] [CrossRef]
- Liu, R.; Schreurs, D.; de Raedt, W.; Mertens, R. A Compact Tuneable Output Network for High Efficient Chireix Outphasing Power Amplifier Design. In Proceedings of the Workshop on Integrated Nonlinear Microwave and Millimeter-Wave Circuits (INMMIC), Goteborg, Sweden, 26–27 April 2010; pp. 67–70. [Google Scholar] [CrossRef]
- Lee, H.; Jang, S.; Hong, S. A Hybrid Polar-LINC CMOS Power Amplifier with Transmission Line Transformer Combiner. IEEE Trans. Microw. Theory Tech. 2013, 61, 1261–1271. [Google Scholar] [CrossRef]
- Ghahremani, A.; Annema, A.J.; Nauta, B. A 20dBm outphasing class E PA with high efficiency at power back-off in 65 nm CMOS technology. In Proceedings of the IEEE Radio Frequency Integrated Circuits Symposium (RFIC), Honolulu, HI, USA, 4–6 June 2017; pp. 340–343. [Google Scholar] [CrossRef]
- Banerjee, A.; Ding, L.; Hezar, R. High efficiency multi-mode outphasing RF power amplifier in 45 nm CMOS. In Proceedings of the 41st European Solid-State Circuits Conference (ESSCIRC), Graz, Austria, 14–18 September 2015; pp. 168–171. [Google Scholar] [CrossRef]
- Hu, Z.; de Vreede, L.C.; Alavi, M.S.; Calvillo-Cortes, D.A.; Staszewski, R.B.; He, S. A 5.9 GHz RFDAC-based outphasing power amplifier in 40-nm CMOS with 49.2% efficiency and 22.2 dBm power. In Proceedings of the IEEE Radio Frequency Integrated Circuits Symposium (RFIC), San Francisco, CA, USA, 22–24 May 2016; pp. 206–209. [Google Scholar] [CrossRef]
- Xu, H.; Palaskas, Y.; Ravi, A.; Sajadieh, M.; El-Tanani, M.A.; Soumyanath, K. A Flip-Chip-Packaged 25.3 dBm Class-D Outphasing Power Amplifier in 32 nm CMOS for WLAN Application. IEEE J. Solid-State Circuits 2011, 46, 1596–1605. [Google Scholar] [CrossRef]
- Giannini, F.; Colantonio, P.; Giofré, R. The Doherty Amplifier: Past, Present & Future. In Proceedings of the Integrated Nonlinear Microwave and Millimetre-wave Circuits Workshop (INMMiC), Taormina, Italy, 1–2 October 2015; pp. 1–6. [Google Scholar] [CrossRef]
- Kuo, C.C.; Lin, P.A.; Kuo, J.L.; Lu, H.C.; Hsin, Y.M.; Wang, H. A 3.5-GHz SiGe 0.35 μm HBT Flip-Chip Assembled on Ceramics Integrated Passive Device Doherty Power Amplifier for SiP Integration. In Proceedings of the Asia-Pacific Microwave Conference Proceedings (APMC), Melbourne, VIC, Australia, 5–8 December 2011; pp. 114–117, ISBN 978-0-85825-974-4. [Google Scholar]
- Tzschoppe, C.; Wolf, R.; Fritsche, D.; Richter, A.; Ellinger, F. A fully integrated Doherty-amplifier for 5.6 GHz WLAN applications. In Proceedings of the 21st IEEE International Conference on Electronics, Circuits and Systems (ICECS), Marseille, France, 7–10 December 2014; pp. 72–75. [Google Scholar] [CrossRef]
- Cui, X.; Roblin, P.; Lee, J.; Kim, Y.G.; Liou, W.R. A 3.5 GHz CMOS Doherty power amplifier with integrated diode linearizer targeted for WiMax applications. In Proceedings of the 50th Midwest Symposium on Circuits and Systems (MWSCAS), Montreal, QC, Canada, 5–8 August 2007; pp. 465–468. [Google Scholar] [CrossRef]
- Ryu, N.; Jung, J.H.; Jeong, Y. High-efficiency CMOS power amplifier using uneven bias for wireless LAN application. IEEE Microw. Wirel. Compon. Lett. 2012, 885–891. [Google Scholar] [CrossRef]
- Ryu, N.; Jang, S.; Lee, K.C.; Jeong, Y. CMOS Doherty Amplifier with Variable Balun Transformer and Adaptive Bias Control for Wireless LAN Application. IEEE J. Solid-State Circuits 2014, 1356–1365. [Google Scholar] [CrossRef]
- Kang, J.; Yu, D.; Min, K.; Kim, B. A Ultra-High PAE Doherty Amplifier Based on 0.13-μm CMOS Process. IEEE Microw. Wirel. Compon. Lett. 2006, 16, 505–507. [Google Scholar] [CrossRef]
- Liao, H.H.; Jiang, H.; Shanjani, P.; Behzad, A. A fully integrated 2x2 power amplifier for dual band MIMO 802.11nWLAN applications using SiGe HBT technology. IEEE RFIC Symp. Dig. 2008, 515–518. [Google Scholar] [CrossRef]
- Gaber, W.M.; Wambacq, P.; Craninckx, J.; Ingels, M. A CMOS IQ Digital Doherty Transmitter Using Modulated Tuning Capacitors. In Proceedings of the ESSCIRC (ESSCIRC), Bordeaux, France, 17–21 September 2012; pp. 341–344. [Google Scholar] [CrossRef]
- Carneiro, M.L.; Deltimple, N.; Belot, D.; de Carvalho, P.H.P.; Kerhervé, E. A 2.535GHz fully integrated Doherty power amplifier in CMOS 65 nm with constant PAE in backoff. In Proceedings of the IEEE Fourth Latin American Symposium on Circuits and Systems (LASCAS), Paris, France, 16–19 June 2013; pp. 1–4. [Google Scholar] [CrossRef]
- Deltimple, N.; Carneiro, M.L.; Kerhervé, E.; Carvalho, P.H.P.; Belot, D. Integrated Doherty RF CMOS Power Amplifier design for Average Efficiency Enhancement. In Proceedings of the IEEE International Wireless Symposium (IWS), Shenzhen, China, 30 March–1 April 2015; pp. 1–4. [Google Scholar] [CrossRef]
- Reynaert, P.; Cao, Y.; Vigilante, M.; Indirayanti, P. Doherty techniques for 5G RF and mm-wave power amplifiers. In Proceedings of the International Symposium on VLSI Technology, Systems and Application (VLSI-TSA), Hsinchu, Taiwan, 25–27 April 2016; pp. 1–2. [Google Scholar] [CrossRef]
- Giofre, R.; Piazzon, L.; Colantonio, P.; Giannini, F. A distributed matching/combining network suitable for Doherty power amplifiers covering more than an octave frequency band. In Proceedings of the IEEE MTT-S International Microwave Symposium (IMS2014), Tampa, FL, USA, 1–6 June 2014; pp. 1–3. [Google Scholar] [CrossRef]
- Watanab, S.; Takayama, Y.; Ishikawa, R.; Honjo, K. A Broadband Doherty Power Amplifier without a Quarter-Wave Impedance Inverting Network. In Proceedings of the Asia Pacific Microwave Conference Proceedings, Kaohsiung, Taiwan, 4–7 December 2012; pp. 361–363. [Google Scholar] [CrossRef]
- Green, M.M.; Pisani, M.B.; Dehollain, C. Design methodology for CMOS distributed amplifiers. In Proceedings of the IEEE International Symposium on Circuits and Systems (ISCAS), Seattle, WA, USA, 18–21 May 2008; pp. 728–731. [Google Scholar] [CrossRef]
- Mesgari, B.; Saeedi, S.; Jannesari, A. A Wideband Low Noise Distributed Amplifier with Active Termination. In Proceedings of the 7th International Symposium on Telecommunications (IST), Tehran, Iran, 9–11 September 2014; pp. 170–174. [Google Scholar] [CrossRef]
- Huang, T.Y.; Lin, Y.H.; Cheng, J.H.; Kao, J.C.; Huang, T.W.; Wang, H. A high-gain low-noise distributed amplifier with low DC power in 0.18-µm CMOS for vital sign detection radar. In Proceedings of the IEEE MTT-S International Microwave Symposium (IMS), Phoenix, AZ, USA, 17–22 May 2015; pp. 1–3. [Google Scholar] [CrossRef]
- Aguirre, J.; Plett, C.; Schvan, P. A 2.4Vp-p output, 0.045–32.5 GHz CMOS Distributed Amplifier. In Proceedings of the IEEE Radio Frequency Integrated Circuits (RFIC) Symposium, Honolulu, HI, USA, 3–5 June 2007; pp. 427–430. [Google Scholar] [CrossRef]
- Piccinni, G.; Avitabile, G.; Coviello, G.; Talarico, C. Distributed amplifier design for UWB positioning systems using the gm over id methodology. In Proceedings of the 13th International Conference on Synthesis, Modeling, Analysis and Simulation Methods and Applications to Circuit Design (SMACD), Lisbon, Portugal, 27–30 June 2016; pp. 1–4. [Google Scholar] [CrossRef]
- Ellinger, F.; Sakalas, P.; von Buren, G.; Rodoni, L.C. Design and investigation of a travelling wave amplifier in SOI CMOS with bulk contacts for operation up to 40 GHz. In Proceedings of the 17th International Conference on Microwaves, Radar and Wireless Communications, Wroclaw, Poland, 19–21 May 2008; pp. 1–4, ISBN 978-83-906662-8-0. [Google Scholar]
- Hsia, C.Y.; Su, T.Y.; Hsu, S.S.H. CMOS Distributed Amplifiers Using Gate–Drain Transformer Feedback Technique. IEEE Trans. Microw. Theory Tech. 2013, 61, 2901–2910. [Google Scholar] [CrossRef]
- Tarar, M.; Wei, M.D.; Reckmann, M.; Negra, R. Enhanced gain bandwidth and loss compensated cascaded single-stage CMOS distributed amplifier. In Proceedings of the German Microwave Conference (GeMiC), Nuremberg, Germany, 16–18 March 2015; pp. 335–338. [Google Scholar] [CrossRef]
- Gertman, I.; Socher, E. CMOS distributed amplifiers using high-pass and low-pass artificial transmission lines. In Proceedings of the IEEE International Conference on Microwaves, Communications, Antennas and Electronics Systems (COMCAS), Tel Aviv, Israel, 21–23 October 2013; pp. 1–5. [Google Scholar] [CrossRef]
- Chen, P.H.; Yeh, K.S.; Kao, J.C.; Wang, H. A high performance DC-80GHz distributed amplifier in 40-nm CMOS digital process. In Proceedings of the IEEE MTT-S International Microwave Symposium (IMS), Tampa, FL, USA, 1–6 June 2014; pp. 1–3. [Google Scholar] [CrossRef]
- Ali, S.N.; Agarwal, P.; Gopal, S.; Mirabbasi, S.; Heo, D. A 25–35 GHz Neutralized Continuous Class-F CMOS Power Amplifier for 5G Mobile Communications Achieving 26% Modulation PAE at 1.5 Gb/s and 46.4% Peak PAE. IEEE Trans. Circuits Syst. I Regul. Pap. 2018, 1–14. [Google Scholar] [CrossRef]
- Indirayanti, P.; Reynaert, P. A 32 GHz 20 dBm-PSAT Transformer-based Doherty Power Amplifier for multi-Gb/s 5G Applications in 28 nm Bulk CMOS. In Proceedings of the 2017 IEEE Radio Frequency Integrated Circuits Symposium (RFIC), Honolulu, HI, USA, 4–6 June 2017; pp. 45–48. [Google Scholar] [CrossRef]
- Li, T.W.; Wang, H. A Continuous-Mode 23.5–41 GHz Hybrid Class-F/F-1 Power Amplifier with 46% Peak PAE for 5G Massive MIMO Applications. In Proceedings of the 2018 IEEE Radio Frequency Integrated Circuits Symposium (RFIC), Philadelphia, PA, USA, 10–12 June 2018; pp. 220–230. [Google Scholar] [CrossRef]
- Hamed, A.; Aref, A.; Saeed, M.; Negra, R. Doherty Power Amplifier in 28 nm CMOS for 5G Applications. In Proceedings of the 2018 11th German Microwave Conference (GeMiC), Freiburg, Germany, 12–14 March 2018; pp. 191–194. [Google Scholar] [CrossRef]
- Rostomyan, N.; Ozen, M.; Asbeck, P. 28 GHz Doherty Power Amplifier in CMOS SOI With 28% Back-Off PAE. IEEE Microw. Wirel. Compon. Lett. 2018, 28, 446–448. [Google Scholar] [CrossRef]
- Pham, A.V.; Nguyen, D.P.; Darwish, M. High Efficiency Power Amplifiers for 5G Wireless Communications. In Proceedings of the 2017 10th Global Symposium on Millimeter-Waves, Hong Kong, China, 24–26 May 2017; pp. 83–84. [Google Scholar] [CrossRef]






| Regulator Type | Parameter/Comments |
|---|---|
| Classic linear regulator |
|
| Switching regulator |
|
| Parallel combined linear and switching regulator |
|
| Series combined linear and switching regulator |
|
| Adaptive PA bias |
|
| Adaptive (multimode) PA supply |
|
| Ref. | Process | VDD, V | Frequency, GHz | Plinear, dBm | Overall PAE, % | EVM, % | Signal BW, MHz |
|---|---|---|---|---|---|---|---|
| [23] | 350 nm SiGe BiCMOS | 4.2 | 2.4 | 24.3 | 43 | 5 | 5 |
| [24] | 350 nm SiGe BiCMOS | 3.7 | 0.7 | 26.5 | 42 | 3.5 | 10 |
| [25] | 320 nm SiGe BiCMOS | 4.2 | 2.4 | 24.3 | 42 | 5 | 5 |
| [26] | 320 nm SOI CMOS | 3.4 | 0.837 | 25.9 | 42.3 | - | 10 |
| [27] | 280 nm SOI CMOS | 3.4 | 0.837 | 25.5 | 42.2 | 2.32 | 40 |
| [28] | 180 nm CMOS | 4.7 | 1.7 | 28.5 | 36.6 | 3 | 10 |
| [29] | 180 nm CMOS | 3.3 | 2.535 | 28.3 | 48 | 2.1 | 20 |
| [18] | 150 nm CMOS | 5 | 2.5 | 27.6 | 46 | - | 5 |
| [20] | 130 nm CMOS (ET) SiGe HBT (PA) | 3.3 | 1.88 | 27.8 | 45 | 2.98 | 5 |
| [30] | 90 nm CMOS | 2 | 0.93 | 26 | 17 | 5.6 | 3.84 |
| Ref. | Process | VDD, V | Frequency, GHz | P1dB, dBm | Overall PAE, % | PA Class |
|---|---|---|---|---|---|---|
| [33] | 180 nm CMOS | 1.8 | 5.2 | 17.4 | 62 (peak) | AB |
| [34] | 130 nm CMOS | 3.5 | 1.95 | 28.5 | 29.6 | E |
| [35] | 65 nm CMOS | 1.25 | 1.4 | 20 | 58 | E |
| [36] | 45 nm CMOS | 2.4 | 2.4 | 31.6 | 43.7 | E |
| [37] | 40 nm CMOS | 1.2 | 5.9 | 22.2 | 16.1 | E |
| [38] | 32 nm CMOS | 2 | 2.4 | 25.3 | 35 | D |
| Ref. | Process | VDD, V | Frequency, GHz | Plinear, dBm | Overall PAE, % | Back-off Power Range, dB |
|---|---|---|---|---|---|---|
| [40] | 350 nm SiGe BiCMOS | 5 | 3.5 | 30 | 25 | 10 |
| [41] | 250 nm SiGe BiCMOS | 2.5 | 5.6 | 22 | 25 | 6 |
| [42] | 180 nm CMOS | 3.7 | 3.5 | 24.4 | 36.1 | 6 |
| [43] | 180 nm CMOS | 3.3 | 2.4 | 29.5 | 22 | 5 |
| [44] | 130 nm CMOS | 3.3 | 2.4 | 31.9 | 30.1 | 5 |
| [45] | 130 nm CMOS | 3 | 2.4 | 22 | 45 | 7 |
| [46] | 90 nm CMOS | 3.3 | 2.4 | 30 | 24 | 5 |
| [47] | 90 nm CMOS | 2.4 | 2.4 | 24.8 | 26 | 5 |
| [48] | 65 nm CMOS | 5.5 | 2.535 | 23.4 | 25 | 8.5 |
| [49] | 65 nm CMOS | 2.5 | 2.4 | 23.4 | 24.7 | 7 |
| [50] | 40 nm CMOS | 1.5 | - | 23.4 | 23.3 | 6 |
| Ref. | Process | VDD, V | Frequency Range, GHz | Gain, dB | NF, dB | Topology |
|---|---|---|---|---|---|---|
| [55] | 180 nm CMOS | 2.8 | 1.5–35.5 | 25 | 6.5–8 | CSSDA |
| [54] | 180 nm CMOS | 1.8 | 0.1–12 | 16 | 0.9–3.8 | Conventional |
| [56] | 130 nm CMOS | 2.4 | 0.05–32.5 | 8.8 | – | Conventional |
| [57] | 130 nm CMOS | 1.2 | 3–10 | 14 | 1.8–3.3 | Conventional |
| [58] | 90 nm CMOS SOI | 2 | 0.1–25; 0.1–40 | 10; 8 | 4.5–9 | Conventional |
| [59] | 90 nm CMOS | 2.2, 1.5, 0.66 | DC–40 | 14 | 6–8 | Gate–drain transformer coupling |
| [60] | 65 nm CMOS | – | DC–70 | 25 | 5–7.5 | LC-CSSDA |
| [61] | 65 nm CMOS | 2.4 | 4.7–11.7 | 12 | – | Conventional |
| [62] | 40 nm digital CMOS | 1.7 | DC–80 | 15 | – | CSSDA |
| Classic Linear CMOS PA | CMOS DPA | CMOS ET/EER PA | CMOS Outphasing PA | CMOS TWA/DA |
|---|---|---|---|---|
| Process(es) and supply voltage reported to exhibit highest PAE | ||||
| – | 130 nm–180 nm, VDD = 3.3 V | 150 nm–320 nm, VDD = 3.3 V | Dependent on the DSP algorithms and wireless standard. | – |
| PAEaverage, Pin = [Pback-off … P1dB] | ||||
| 5–30% | 20–45% | 17–48% | 20–60% | Same as classic linear |
| VDD range | ||||
| 2 V–5.5 V | 2.5 V–5.5 V | 2 V–5 V | 1.8 V–3.6 V | 0.66 V–2.8 V |
| Operating bandwidth | ||||
| ≤500 MHz. Can be widened introducing negative feedback. | ≤500 MHz. Can be increased up to 1 GHz introducing an alternative output impedance inverter. | ≤40 MHz. The supply regulator forms a bottleneck. | ≤40 MHz. The power combiner forms a bottleneck. | ≥5 GHz |
| Architecture features | ||||
| Is the basis for all advanced architectures. | Average PAE doesn‘t deviate from highest value at input signal power back-off of 5 dB–8 dB; Different architecture variations available. | Different architecture variations available; PAE improvements of up to 20% possible; Linearization and predistortion possible but difficult. | Very high PAE due to utilizing nonlinear PAs to form a linear signal; Predistortion possible; Efficiency can be increased without hardware changes. | Different architecture variations available; Linearization and predistortion possible; No additional impedance matching networks; Bandwidth comparable to that of III-V semiconductors. |
| Circuit blocks utilized by architecture | ||||
| Active device, feedback and linearization components (optional), impedance matching networks. | Main and Auxiliary PAs, impedance matching networks, power splitter, impedance inverter. | PA, impedance matching network, supply modulator. | Two nonlinear or linear PAs in parallel, impedance matching network, power combiner, SCS. | Multiple identical/different PA sections and termination resistors. |
| Potential of integrating in a single ASIC and/or implementing in portable wireless devices | ||||
| All components can be integrated in a single dedicated ASIC as well as in a multifunctional transceiver. | All components can be integrated in a single dedicated ASIC. Integration in multifunctional transceiver very difficult and impractical if not impossible. The integration bottleneck is the power combiner. | All components can be integrated in a single dedicated ASIC except the DC-DC regulator (if included) power inductor. Integration in a multifunctional transceiver very difficult and impractical if not impossible. | All components can be integrated in a single dedicated ASIC. Integration in multifunctional transceiver very difficult and impractical if not impossible. The integration bottleneck is the power combiner. | All components can be integrated in a single dedicated ASIC. Integration in multifunctional transceiver very difficult and impractical if not impossible. |
| Main restrictions | ||||
| Potential for linearity, PAE and bandwidth improvements. | Large area due to input power splitter and output impedance inverter; Bandwidth limited by output impedance inverter. | Overall system complexity; Additional noise if switching regulator used; Supply modulator defines narrow bandwidth. | Specific phase compensated power combiner required, which also restricts the bandwidth. | Large chip area due to multiple inductors; Additional noise from termination resistors; No significant PAE improvements. |
© 2018 by the authors. Licensee MDPI, Basel, Switzerland. This article is an open access article distributed under the terms and conditions of the Creative Commons Attribution (CC BY) license (http://creativecommons.org/licenses/by/4.0/).
Share and Cite
Vasjanov, A.; Barzdenas, V. A Review of Advanced CMOS RF Power Amplifier Architecture Trends for Low Power 5G Wireless Networks. Electronics 2018, 7, 271. https://doi.org/10.3390/electronics7110271
Vasjanov A, Barzdenas V. A Review of Advanced CMOS RF Power Amplifier Architecture Trends for Low Power 5G Wireless Networks. Electronics. 2018; 7(11):271. https://doi.org/10.3390/electronics7110271
Chicago/Turabian StyleVasjanov, Aleksandr, and Vaidotas Barzdenas. 2018. "A Review of Advanced CMOS RF Power Amplifier Architecture Trends for Low Power 5G Wireless Networks" Electronics 7, no. 11: 271. https://doi.org/10.3390/electronics7110271
APA StyleVasjanov, A., & Barzdenas, V. (2018). A Review of Advanced CMOS RF Power Amplifier Architecture Trends for Low Power 5G Wireless Networks. Electronics, 7(11), 271. https://doi.org/10.3390/electronics7110271

