Recent Progress of Millimeter-Wave Silicon-Based Integrated Mixers for Broadband Wireless Communication: A Comprehensive Survey
Abstract
1. Introduction
2. Operating Principle of Mixer for Frequency Conversion
2.1. Classification of Mixers
2.1.1. Classification of Mixers
2.1.2. Single-Balanced Mixer
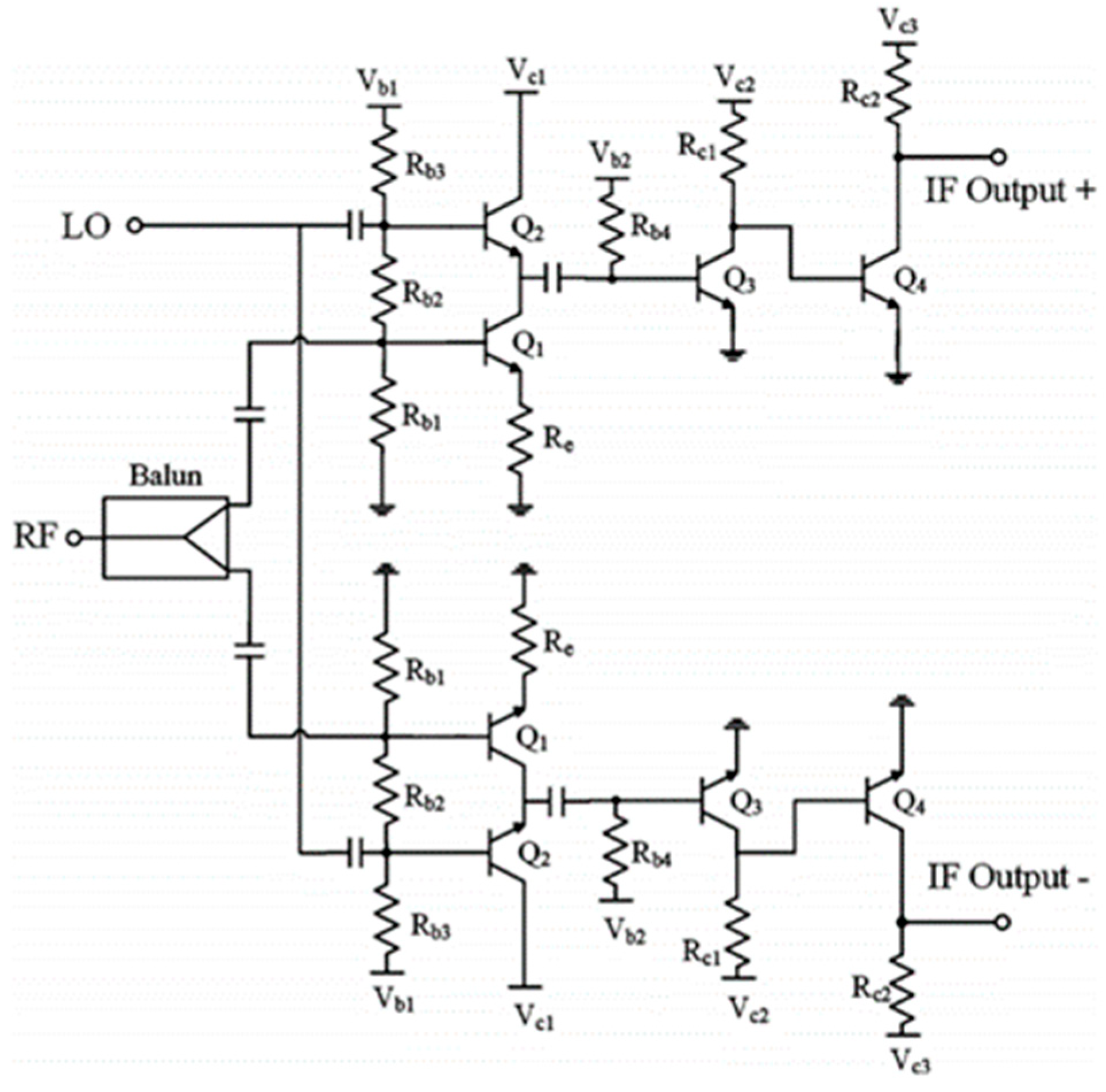
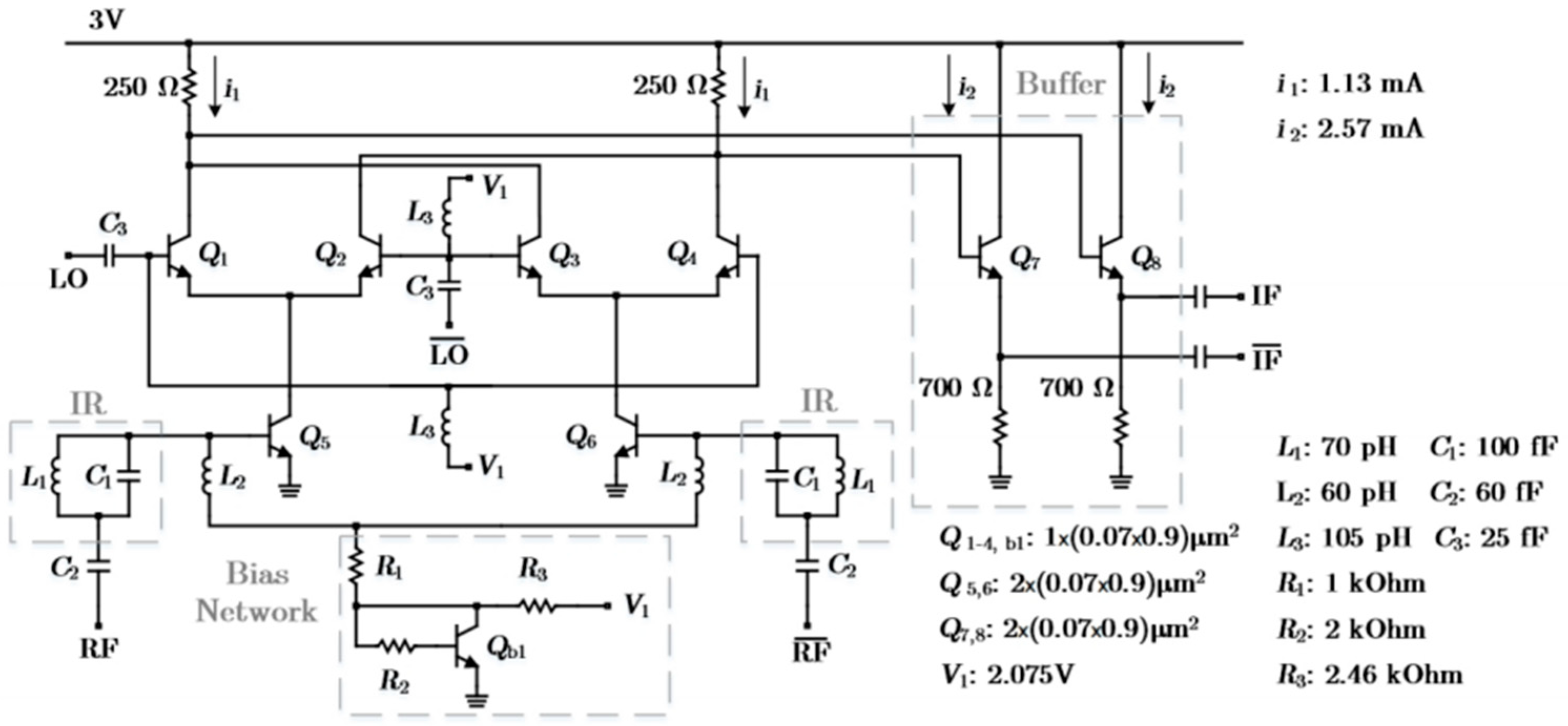
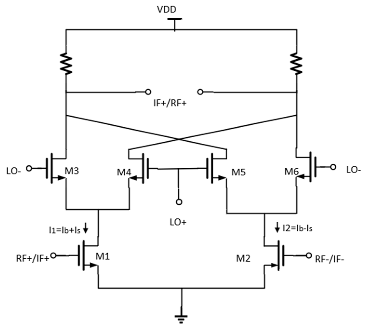
2.1.3. Double-Balanced Mixer
2.1.4. Distributed Mixer
2.1.5. Subharmonic Mixers
2.2. Performance Metrics of the Mixer
2.2.1. Conversion Gain
2.2.2. Noise Figure
2.2.3. Linearity
2.2.4. Isolation
2.3. Performance Metrics
2.3.1. Conversion Gain (CG)
2.3.2. Noise Figure (NF)
2.3.3. Linearity
2.3.4. Isolation
2.3.5. Trade-Offs and Design Challenges
3. Recent Progress of RF and Millimeter-Wave Silicon-Based Mixers
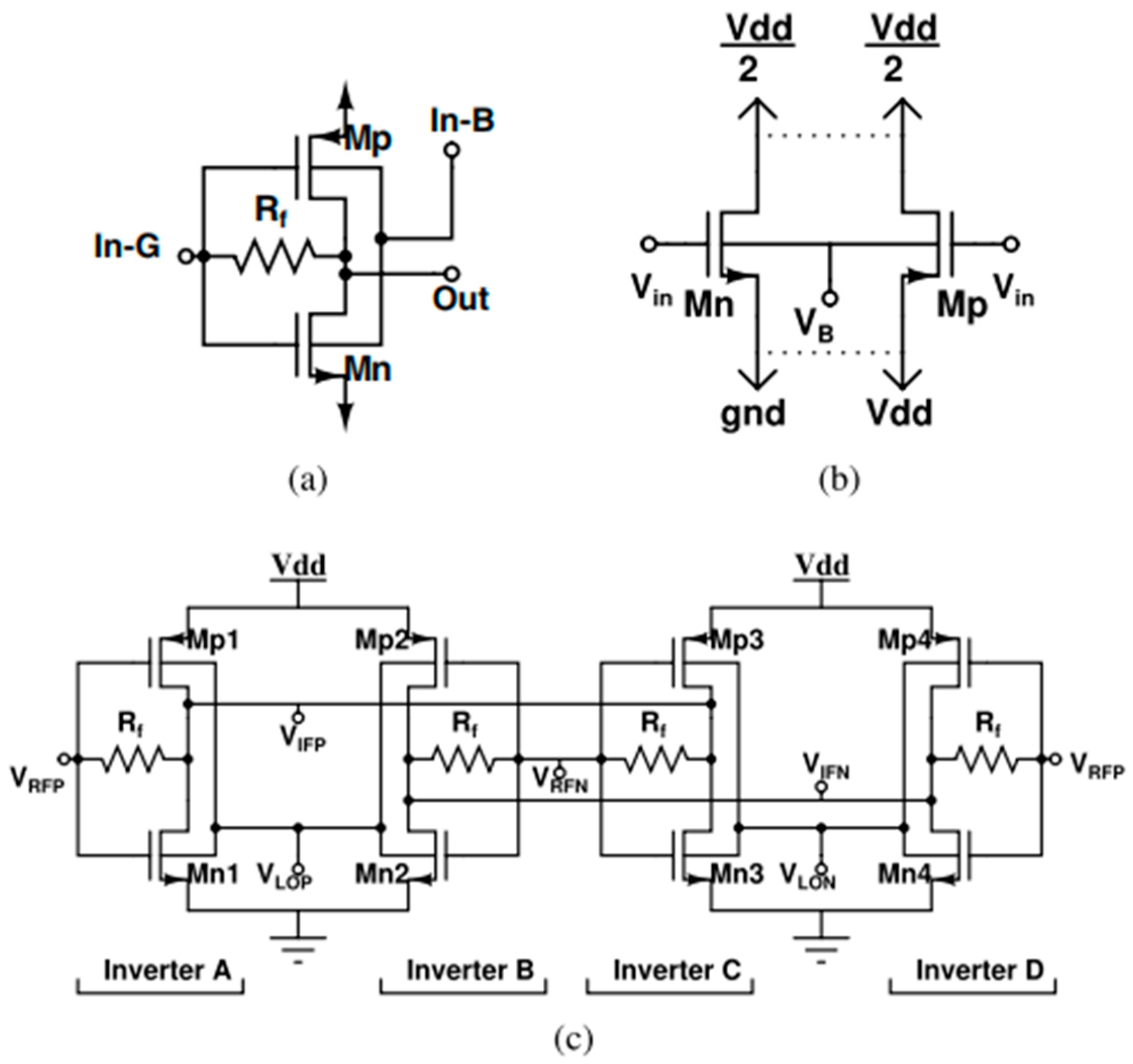
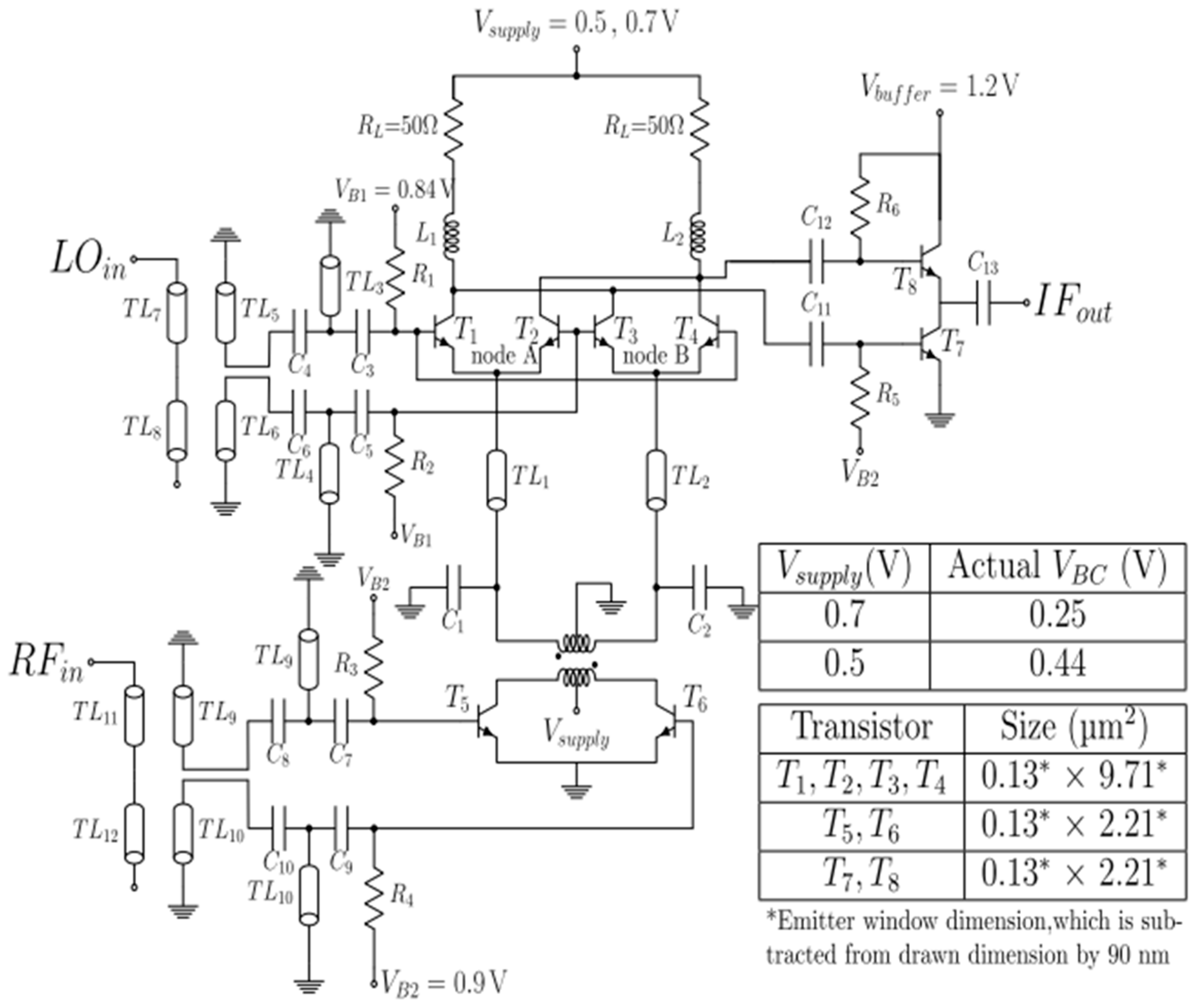
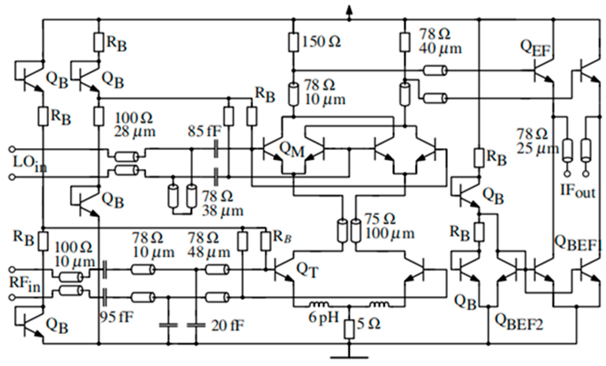
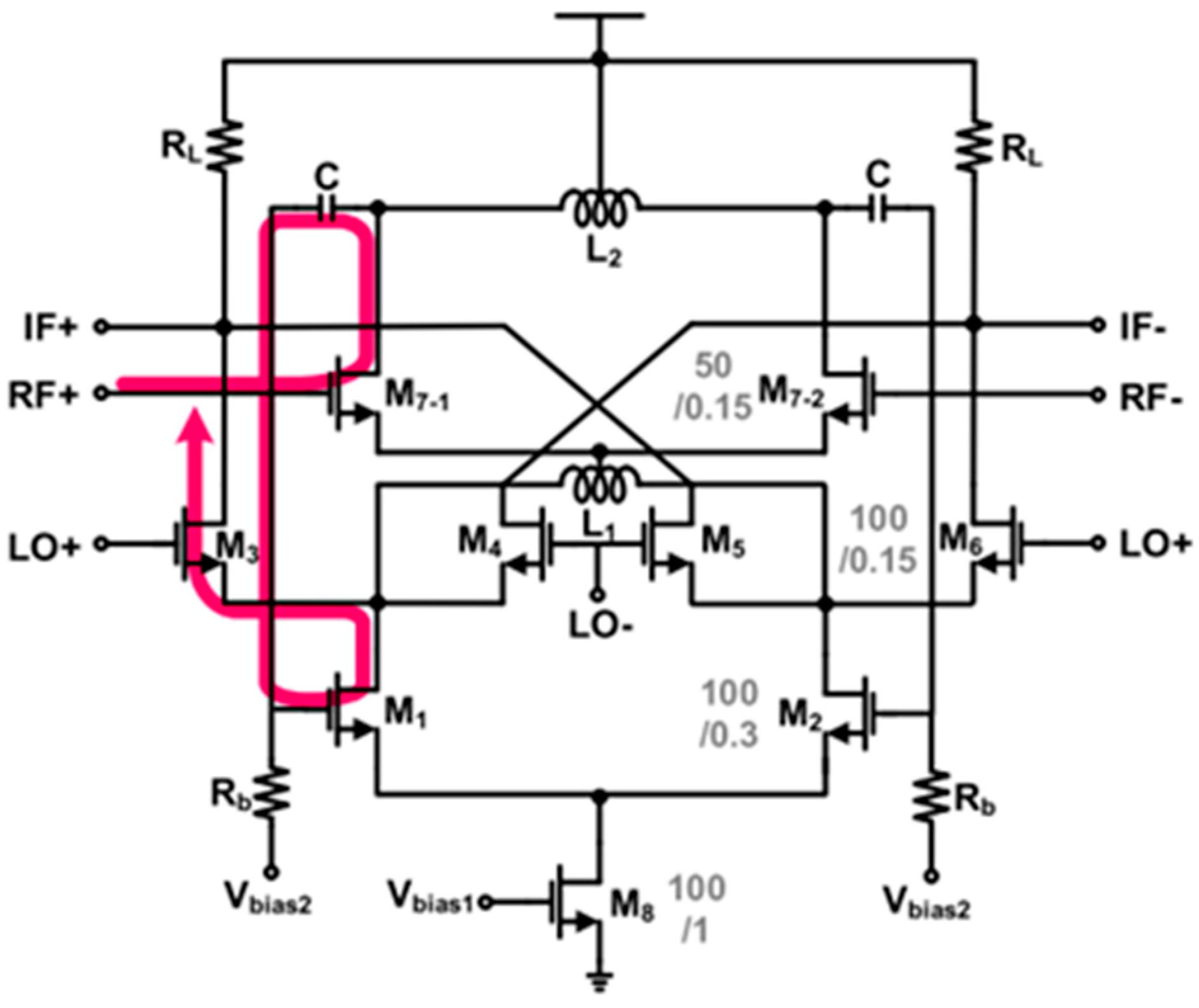
3.1. Linearity Optimization
3.2. Enhanced Gain
3.3. Reduced Noise
3.4. Broadening the Bandwidth
4. Recent Progress and Future Tenders
4.1. Advancements in Process Technology and Heterogeneous Integration
4.2. Architectural Innovations for 6G and Sub-THz Bands
4.3. AI/ML-Assisted Design and Optimization
4.4. Digital Calibration and Reconfigurability
4.5. Focus on System-Level Integration and New Applications
4.6. Summary of Trends and Remaining Challenges
5. Conclusions
Author Contributions
Funding
Institutional Review Board Statement
Informed Consent Statement
Data Availability Statement
Conflicts of Interest
References
- Abidi, A.A. RF CMOS come of age. IEEE Microw. Mag. 2003, 4, 47–60. [Google Scholar] [CrossRef]
- Pešić-Brdanin, T.; Dokić, B.L. Strained silicon layer in CMOS technology. Electronics 2014, 18, 63–69. [Google Scholar] [CrossRef]
- Chan, P.Y.; Rofougaran, A.; Ahmed, K.A.; Abidi, A.A. A highly linear 1-GHz CMOS downconversion mixer. In Proceedings of the ESSCIRC’93: Nineteenth European Solid-State Circuits Conference, Sevilla, Spain, 22–24 September 1993; IEEE: Piscataway, NJ, USA, 2010; pp. 210–213. [Google Scholar]
- Claasen, T.A.C.M. An industry perspective on current and future state of the art in system-on-chip (SoC) technology. Proc. IEEE 2006, 94, 1121–1137. [Google Scholar] [CrossRef]
- Lee, T.H. The Design of CMOS Radio-Frequency Integrated Circuits, 2nd ed.; Cambridge University Press: New York, NY, USA, 2004. [Google Scholar]
- Nurulain, D.; Musa, F.A.S.; Isa, M.M.; Ahmad, N.; Kasjoo, S.R. Review of mixer design for low voltage—Low power applications. AIP Conf. Proc. 2017, 1885, 020286. [Google Scholar]
- Schilcher, T. RF Applications in Digital Signal Processing; CERN: Genève, Switzerland, 2008. [Google Scholar]
- Seo, H.; Zhou, J. A passive-mixer-first acoustic-filtering superheterodyne RF front-end. IEEE J. Solid-State Circuits 2021, 56, 1438–1453. [Google Scholar] [CrossRef]
- Mirzaei, A.; Darabi, H.; Leete, J.C.; Chen, X.; Juan, K.; Yazdi, A. Analysis and optimization of current-driven passive mixers in narrowband direct-conversion receivers. IEEE J. Solid-State Circuits 2009, 44, 2678–2688. [Google Scholar] [CrossRef]
- Zhang, T.; Subramanian, V.; Ali, M.K.; Boeck, G. Integrated k-band CMOS passive mixers utilizing balun and polyphase filters. In Proceedings of the 2011 IEEE International Symposium on Radio-Frequency Integration Technology, Beijing, China, 30 November–2 December 2011; IEEE: Piscataway, NJ, USA, 2012; pp. 89–92. [Google Scholar]
- Lin, H.H.; Lin, Y.H.; Wang, H. A high linearity 24-GHz down-conversion mixer using distributed derivative superposition technique in 0.18-μm CMOS process. IEEE Microw. Wirel. Compon. Lett. 2017, 28, 49–51. [Google Scholar] [CrossRef]
- Gilbert, B. A precise four-quadrant multiplier with subnanosecond response. IEEE J. Solid-State Circuits 1968, 3, 365–373. [Google Scholar] [CrossRef]
- Lee, C.J.; Park, C.S. A D-band gain-boosted current bleeding down-conversion mixer in 65 nm CMOS for chip-to-chip communication. IEEE Microw. Wirel. Compon. Lett. 2016, 26, 143–145. [Google Scholar] [CrossRef]
- San, A.O.; Tang, A.; Aitchison, C.S. A very wide-band microwave MESFET mixer, using the distributed mixing principle. IEEE Trans. Microw. Theory Tech. 1985, 33, 1470–1478. [Google Scholar] [CrossRef]
- Safarian, A.Q.; Yazdi, A.; Payam, P.H. Design and analysis of an ultrawide-band distributed CMOS mixer. IEEE Trans. Very Large Scale Integr. (VLSI) Syst. 2005, 13, 618–629. [Google Scholar] [CrossRef]
- Svitek, R.; Raman, S. DC offsets in direct-conversion receivers: Characterization and implications. IEEE Microw. Mag. 2005, 6, 76–86. [Google Scholar] [CrossRef]
- Murad, S.A.Z.; Pokharel, R.K.; Kanaya, H.; Yoshida, K. A 3.0–5.0 GHz high linearity and low power CMOS up-conversion mixer for UWB applications. In Proceedings of the IEEE International Conference of Electron Devices and Solid-State Circuits (EDSSC), Hong Kong, China, 15–17 December 2010; IEEE: Piscataway, NJ, USA, 2011; pp. 1–4. [Google Scholar]
- Friis, H.T. Noise figures of radio receivers. Proc. IRE 1944, 30, 419–422. [Google Scholar] [CrossRef]
- Razavi, B. Design of Analog CMOS Integrated Circuits; Xi’an Jiaotong University Press: Xi’an, China, 2003. [Google Scholar]
- Vallée, H.; Taris, T.; Mesnard, T.; Montoriol, G. A 0.8–6GHz wideband mixer with noise cancellation for low power applications. In Proceedings of the 27th IEEE International Conference on Electronics, Circuits and Systems (ICECS), Virtual, 23–25 November 2020; IEEE: Piscataway, NJ, USA, 2020; pp. 1–4. [Google Scholar]
- Abidi, A.A. General relations between IP2, IP3, and offsets in differential circuits and the effects of feedback. IEEE Trans. Microw. Theory Tech. 2003, 51, 1610–1612. [Google Scholar] [CrossRef]
- Li, Z.; Wang, Z. Radio Frequency Integrated Circuits and Systems; Science Press: Beijing, China, 2008; pp. 125–210. [Google Scholar]
- Solati, P.; Yavari, M. A wide-band CMOS active mixer with linearity improvement technique. In Proceedings of the Iranian Conference on Electrical Engineering (ICEE), Tehran, Iran, 2–4 May 2017. [Google Scholar]
- Zhang, Y.; Liang, W.; Sakalas, P.; Mukherjee, A.; Jin, X.; Krause, J.; Schröter, M. 12-mW 97-GHz low-power downconversion mixer with 0.7-V supply voltage. IEEE Microw. Wirel. Compon. Lett. 2019, 29, 279–281. [Google Scholar] [CrossRef]
- Huang, T.N.; Yi, X.; Boon, C.C.; He, X.; Feng, G.; Lim, W.M.; Zhu, X. A CMOS W-band 4× quasi-subharmonic mixer. IEEE Microw. Wirel. Compon. Lett. 2015, 25, 385–387. [Google Scholar] [CrossRef]
- Smirnova, K.; Kaynak, M.; Ulusoy, A.Ç. A W-band low-power Gilbert cell mixer with image rejection in 130-nm SiGe BiCMOS technology. In Proceedings of the 52nd European Microwave Conference (EuMC), Milan, Italy, 25–30 September 2022; IEEE: Piscataway, NJ, USA, 2022; pp. 688–691. [Google Scholar]
- Flete, A.; Viallon, C.; Cathelin, P.; Parra, T. A new 77 GHz sampling mixer in 28-nm FD-SOI CMOS technology for automotive radar application. In Proceedings of the IEEE/MTT-S International Microwave Symposium-IMS 2022, Denver, CO, USA, 19–24 June 2022; IEEE: Piscataway, NJ, USA, 2022; pp. 742–745. [Google Scholar]
- Bhatt, D.; Mukherjee, J.; Redouté, J.-M. Low-power linear bulk-injection mixer for wide-band applications. IEEE Microw. Wirel. Compon. Lett. 2016, 26, 828–830. [Google Scholar] [CrossRef]
- Lin, Y.H.; Li, Y.C.; Lin, W.J.; Tsai, J.H.; Huang, T.W. A Ka-band high linearity up-conversion mixer with LO boosting linearization technique. In Proceedings of the 48th European Microwave Conference (EuMC), Madrid, Spain, 23–28 September 2018. [Google Scholar]
- Choi, C.; Son, J.H.; Lee, O.; Nam, I. A +12-dBm OIP3 60-GHz RF downconversion mixer with an output-matching, noise- and distortion-canceling active balun for 5G applications. IEEE Microw. Wirel. Compon. Lett. 2017, 27, 284–286. [Google Scholar] [CrossRef]
- Chen, Z.; Liu, Z.; Jiang, Z.; Liu, P.; Liu, H.; Wu, Y.; Zhao, C.; Kang, K. A 27.5–43.5 GHz high linearity up-conversion CMOS mixer for 5G communication. In Proceedings of the IEEE Electrical Design of Advanced Packaging and Systems Symposium (EDAPS), Hangzhou, China, 14–16 December 2017. [Google Scholar]
- Lin, Y.-S.; Lan, K.-S.; Wang, C.-C.; Chi, C.-C.; Lu, S.-S. 6.3 mW 94 GHz CMOS down-conversion mixer with 11.6 dB gain and 54 dB LO-RF isolation. IEEE Microw. Wirel. Compon. Lett. 2016, 26, 604–606. [Google Scholar] [CrossRef]
- Lin, Y.-S.; Wen, W.-C.; Wang, C.-C. 13.6 mW 79 GHz CMOS up-conversion mixer with 2.1 dB gain and 35.9 dB LO-RF isolation. IEEE Microw. Wirel. Compon. Lett. 2014, 24, 126–128. [Google Scholar] [CrossRef]
- Pang, S.-H.; Kim, Y.; Yun, T.-Y. High-gain, low-power, and low-noise CMOS mixer using current-reused bleeding amplification. IEEE Microw. Wirel. Compon. Lett. 2022, 32, 418–421. [Google Scholar] [CrossRef]
- Kim, J.; Rieh, S. A D-Band CMOS Down-Conversion Mixer with Enhanced Linearity Using Current-Bleeding Technique. IEEE Microw. Wirel. Compon. Lett. 2020, 30, 497–500. [Google Scholar]
- Park, J.; Lee, C.-H.; Kim, B.-S.; Laskar, J. Design and analysis of low flicker-noise CMOS mixers for direct-conversion receivers. IEEE Trans. Microw. Theory Tech. 2006, 54, 4372–4380. [Google Scholar] [CrossRef]
- Vitee, N.; Ramiah, H.; Mak, P.-I.; Yin, J.; Martins, R.P. A 1-V 4-mW differential-folded mixer with common-gate transconductor using multiple feedback achieving 18.4-dB conversion gain, +12.5-dBm IIP3, and 8.5-dB NF. IEEE Trans. Very Large Scale Integr. (VLSI) Syst. 2020, 28, 1164–1174. [Google Scholar] [CrossRef]
- Ahmed, F.; Furqan, M.; Heinemann, B.; Stelzer, A. A SiGe-based broadband 140–170-GHz downconverter for high resolution FMCW radar applications. In Proceedings of the IEEE MTT-S International Conference on Microwaves for Intelligent Mobility (ICMIM), San Diego, CA, USA, 19–20 May 2016; IEEE: Piscataway, NJ, USA, 2016; pp. 1–4. [Google Scholar]
- Yoon, J.; Kim, H.; Park, C.; Yang, J.; Song, H.; Lee, S.; Kim, B. A new RF CMOS Gilbert mixer with improved noise figure and linearity. IEEE Trans. Microw. Theory Tech. 2008, 56, 626–631. [Google Scholar] [CrossRef]
- Kashani, M.H.; Asghari, M.; Yavari, M.; Mirabbasi, S. A +7.6 dBm IIP3 2.4-GHz double-balanced mixer with 10.5 dB NF in 65-nm CMOS. IEEE Trans. Circuits Syst. II Express Briefs 2021, 68, 3214–3218. [Google Scholar] [CrossRef]
- Raheem, M.A.; Hussain, M.M.S. A low voltage NMOS current bleeding down conversion mixer with source degeneration in 0.18 μm CMOS technology. In Proceedings of the Devices for Integrated Circuit (DevIC), Kalyani, India, 19–20 May 2021. [Google Scholar]
- Sahara, K.; Takano, K.; Umeda, Y.; Hara, S.; Kasamatsu, A. 58-GHz up-conversion mixer using capacitive cross-coupling neutralization in 180-nm CMOS technology. In Proceedings of the 13th Global Symposium on Millimeter-Waves & Terahertz (GSMM), Nanjing, China, 23–26 May 2021. [Google Scholar]
- Yan, Y.; Bao, M.; Gunnarsson, S.E.; Vassilev, V.; Zirath, H. A 110–170-GHz multi-mode transconductance mixer in 250-nm InP DHBT technology. IEEE Trans. Microw. Theory Tech. 2015, 63, 2897–2904. [Google Scholar] [CrossRef]
- Thome, F.; Ture, E.; Leuther, A.; Schäfer, F.; Navarrini, A.; Serres, P.; Ambacher, O. A fully-integrated W-band I/Q-down-conversion MMIC for use in radio astronomical multi-pixel receivers. In Proceedings of the IEEE/MTT-S International Microwave Symposium (IMS), Los Angeles, CA, USA, 4–6 August 2020; IEEE: Piscataway, NJ, USA, 2020; pp. 193–196. [Google Scholar]
- Kao, J.-C.; Lin, K.-Y.; Chiong, C.-C.; Peng, C.-Y.; Wang, H. A W-band high LO-to-RF isolation triple cascode mixer with wide IF bandwidth. IEEE Trans. Microw. Theory Tech. 2014, 62, 1506–1514. [Google Scholar] [CrossRef]
- Tsai, J.-H.; Hsieh, Y.-Y.; Liu, W.-H. A 27–44 GHz CMOS dual-ring subharmonic up-conversion mixer with linearization technique. IEEE Microw. Wirel. Compon. Lett. 2022, 32, 347–350. [Google Scholar] [CrossRef]
- Chen, Z.; Liu, H.; Liu, Z.; Jiang, Z.; Yu, Y.; Wu, Y.; Zhao, C.; Kang, K. A 62–85-GHz high linearity upconversion mixer with 18-GHz IF bandwidth. IEEE Microw. Wirel. Compon. Lett. 2019, 29, 219–221. [Google Scholar] [CrossRef]
- Lin, Y.S.; Li, G.H. 13 mW 80 GHz down-conversion mixer with 1.5 dB gain and 49.2 dB LO–RF isolation. Electron. Lett. 2014, 50, 1449–1451. [Google Scholar] [CrossRef]
- Chen, J.; Tang, X.; Zong, Z.; Nguyen, J.; Mangraviti, G.; Wambacq, P. A 140-GHz 22-nm FD-SOI CMOS receiver front-end with 8.5-dB NF and >20-dBm IIP3. IEEE Trans. Microw. Theory Tech. 2023, 71, 2102–2115. [Google Scholar]
- Elkholy, M.; Glisic, S.; Ellinger, F.; Scheytt, J. A D-band SiGe BiCMOS up-conversion mixer with 17-dB gain and 10-dBm OP1dB for 6G backhaul. IEEE J. Solid-State Circuits 2023, 58, 1015–1027. [Google Scholar]
- Sharma, A.; Gala, D.K.; Shukla, N.; Paik, H.J.; Datta, S. Heterogeneously integrated GaN-on-Si power mixer for high-efficiency E-band transmitters. IEEE Trans. Electron Devices 2023, 70, 3120–3127. [Google Scholar]
- Kim, S.; Wang, H. A 220–280 GHz ×4 subharmonic mixer in 65-nm CMOS with wide IF bandwidth for 6G imaging. IEEE Microw. Wirel. Compon. Lett. 2022, 32, 943–946. [Google Scholar]
- Xu, L. A blocker-tolerant 28-nm CMOS receiver using an N-path filter/mixer with harmonic rejection and background calibration. IEEE J. Solid-State Circuits 2022, 57, 2678–2692. [Google Scholar]
- Estakhri, N.M.; Alù, A. Wave-based signal processing via time-varying metasurfaces. Phys. Rev. Appl. 2023, 19, 014046. [Google Scholar]
- Wang, Y. A machine learning-based framework for multi-objective optimization of millimeter-wave mixers. IEEE Trans. Circuits Syst. I 2022, 69, 4982–4995. [Google Scholar]
- Li, R. Inverse design of a K-band high-linearity mixer using deep reinforcement learning. In Proceedings of the IEEE International Symposium on Circuits and Systems (ISCAS), Monterey, CA, USA, 21–25 May 2023; IEEE: Piscataway, NJ, USA, 2023; pp. 1–5. [Google Scholar]
- Zhang, P. PVT-robust design of a W-band mixer using Bayesian optimization and Monte Carlo simulation. IEEE Trans. Comput.-Aided Des. Integr. Circuits Syst. 2023, 42, 1234–1247. [Google Scholar]
- Liu, H. A 39-GHz mixer with background IP2 calibration for 5G direct-conversion receivers. IEEE Solid-State Circuits Lett. 2022, 5, 102–105. [Google Scholar]
- Song, T.; Liu, J.; Zhang, H.; Li, Y. A reconfigurable 24–30 GHz mixer with tunable gain and bandwidth for multi-standard software-defined radios. In Proceedings of the IEEE Radio Frequency Integrated Circuits Symposium (RFIC), San Diego, CA, USA, 11–13 June 2023; IEEE: Piscataway, NJ, USA, 2023; pp. 231–234. [Google Scholar]
- Wang, F. A co-designed 76–81 GHz mixer-antenna module for joint communication and radar sensing. IEEE Trans. Microw. Theory Tech. 2023, 71, 553–567. [Google Scholar]
- Megrant, A.; Barends, R.; Kelly, J.; Sank, D.; Jeffrey, E.; Chen, Y.; Chiaro, B.; Mutus, J.; Neill, C.; O’Malley, P.; et al. A cryogenic 4–8 GHz CMOS mixer with 2 K noise temperature for superconducting qubit readout. IEEE J. Solid-State Circuits 2023, 58, 1899–1910. [Google Scholar]
- Wang, C.; Kenneth, K.O. A 0.3–0.5 THz Schottky diode-based subharmonic mixer in 130-nm CMOS. IEEE Electron Device Lett. 2023, 44, 392–395. [Google Scholar]



























| Passive Mixer | Active Mixer | |
|---|---|---|
| Drain Current | ~2 to 5 mA | ~0 mA |
| LO Power | ~13 to 20 dBm | ~−10 to 5 dBm |
| Conversion Power | ~5 to 10 dB | ~−5 to −3 dB |
| Noise Figure | ~10 to 15 dB | ~3 to 5 dB |
| Bandwidth | narrow | wide |
| Reliability | Low | high |
| Cost | low | high |
| Single-Balanced Mixer | Classic Gilbert Cell | Modified Gilbert Cell | Passive Distributed Mixer | Active Distributed Mixer | Subharmonic Mixer | |
|---|---|---|---|---|---|---|
| Conversion Gain | A | A | B | C | B | D |
| Noise Figure | C | D | B | C | D | A |
| Linearity | D | D | B | A | C | B |
| Isolation | C | A | B | D | C | A |
| LO Power | A | A | B | C | C | D |
| Bandwidth | C | D | B | A | B | C |
| PDC | B | C | B | A | - | B |
| [24] | [25] | [26] | [27] | [28] | [29] | [30] | [31] | |
|---|---|---|---|---|---|---|---|---|
| Process | 130 nm SiGe BiCMOS | 65 nm CMOS | 130 nm SiGe BiCMOS | 28 nm FD-SOI CMOS | 180 nm CMOS | 180 nm CMOS | 65 nm CMOS | 65 nm CMOS |
| Operating frequency (GHz) | 91–100 | 79–110 | 100 | 77 | 1–6 | 23–33 | 57–66 | 27.5–43.5 |
| Key aspects | a transconductance stage (T5, T6) and an output differential buffer amplifier | a balanced topology and triple- well transistors | special Gilbert cell architecture | LO waveform exhibiting minimized temporal duty factor and rapid transitional edge characteristics | bulk- injection method | LO- boosted technology | Active balun | Multiple Gated Transistor technology |
| Output parameter (dBm) | N/A | OP1dB = −1.2 | IP1dB = −12.3 | IP1dB = −7.8 | IIP3 = 0 | OP1dB = 2.7 | OP 3 dB > 12.4 dBm | OP1dB = 0.42 dBm |
| Power Dissipation (mW) | 12 | 17 | 8 | 20 | 0.63 | 0 | 18 | 14 |
| [38] | [39] | [40] | [41] | [42] | [43] | |
|---|---|---|---|---|---|---|
| Process | 65 nm CMOS | 130 nm SiGe BiCMOS | 130 nm CMOS | 65 nm CMOS | 180 nm CMOS | 180 nm CMOS |
| Operating frequency (GHz) | 2.4 | 140–170 | 0.7–2.7 | 2.4 | 2.4 | 58 |
| Key aspects | current-reused bleeding amplification technique | double- balanced Gilbert cell | PMOS switching circuit with inductor | an auxiliary transconductor in the transconductance stage | Inductor source degradation Technology | The LO input ports incorporate the use of cross-coupled capacitors |
| DSB NF (dB) | 7.23 | <15 | 3.3 | 10.5 | 9.3 | −8.5 |
| Power Dissipation (mW) | 3.82 | 115 | 6.72 | 1.2 | N/A | 9 |
| [32] | [33] | [34] | [35] | [36] | [37] | [38] | |
|---|---|---|---|---|---|---|---|
| Process | 90 nm CMOS | 90 nm CMOS | 130 nm SiGe BiCMOS | 65 nm CMOS | 65 nm CMOS | 180 nm CMOS | 130 nm CMOS |
| Operating frequency (GHz) | 80–110 | 77–81 | 116–151 | 113–127 | 2.4 | 5.2 | 0.9 |
| Key aspects | RF Negative Resistance Compensation technology | RF Negative Resistance Compensation technology | switching quad of the double- balanced mixer core | gain- boosted current- bleeding technique | current- reused bleeding amplification technique | Current bleeding circuit | Crosscoupling capacitance |
| CG (dB) | 11.6 | 2.1 | 32 | −11 | 14.64 | 16.2 | 18.4 |
| Power Dissipation (mW) | 6.3 | 13.6 | 65 | 6 | 3.82 | 7 | 4 |
| [44] | [45] | [46] | [47] | [48] | [49] | |
|---|---|---|---|---|---|---|
| Process | 250 nm InP DHBT | 50 nm mHEMT | 150 nm pHEMT | 65 nm CMOS | 180 nm CMOS | 90 nm CMOS |
| Operating frequency (GHz) | 110–170 | 75–110 | 75–112 | 27–44 | 62–85 | 75–85 |
| Key aspects | A 250 nm InP DHBT platform | metamorphic high-electron-mobility transistor (mHEMT) technology | a fusion of a modified bias topology with a resistive mixing core | Parallel inductive networks enable RF port impedance matching | Transformer- based baluns simultaneously provide inductive loading and output matching | Broadband RF-port input impedance matching |
| BW (GHz) | N/A | 10 | 24 | 10 | 18 | 25 |
| Power Dissipation (mW) | 6 | N/A | 24 | 0 | 10.8 | 13 |
Disclaimer/Publisher’s Note: The statements, opinions and data contained in all publications are solely those of the individual author(s) and contributor(s) and not of MDPI and/or the editor(s). MDPI and/or the editor(s) disclaim responsibility for any injury to people or property resulting from any ideas, methods, instructions or products referred to in the content. |
© 2026 by the authors. Licensee MDPI, Basel, Switzerland. This article is an open access article distributed under the terms and conditions of the Creative Commons Attribution (CC BY) license.
Share and Cite
Yang, Y.; Li, X.; Feng, Y.; Liang, Y.; Huang, X.; Chen, J.; Peng, L. Recent Progress of Millimeter-Wave Silicon-Based Integrated Mixers for Broadband Wireless Communication: A Comprehensive Survey. Electronics 2026, 15, 1043. https://doi.org/10.3390/electronics15051043
Yang Y, Li X, Feng Y, Liang Y, Huang X, Chen J, Peng L. Recent Progress of Millimeter-Wave Silicon-Based Integrated Mixers for Broadband Wireless Communication: A Comprehensive Survey. Electronics. 2026; 15(5):1043. https://doi.org/10.3390/electronics15051043
Chicago/Turabian StyleYang, Yisi, Xiuqiong Li, Yukai Feng, Yuan Liang, Xinran Huang, Jiaxin Chen, and Lin Peng. 2026. "Recent Progress of Millimeter-Wave Silicon-Based Integrated Mixers for Broadband Wireless Communication: A Comprehensive Survey" Electronics 15, no. 5: 1043. https://doi.org/10.3390/electronics15051043
APA StyleYang, Y., Li, X., Feng, Y., Liang, Y., Huang, X., Chen, J., & Peng, L. (2026). Recent Progress of Millimeter-Wave Silicon-Based Integrated Mixers for Broadband Wireless Communication: A Comprehensive Survey. Electronics, 15(5), 1043. https://doi.org/10.3390/electronics15051043

