Next Article in Journal
Optimizing Power Control in Generation Units: LSTM-Based Machine Learning for Enhanced Stability in Virtual Synchronous Generators
Previous Article in Journal
Design of Anti-Disturbance Sparse Arrays for Marine Buoys Using an Improved Sparrow Search Algorithm
 
 
Font Type:
Arial Georgia Verdana
Font Size:
Aa Aa Aa
Line Spacing:
Column Width:
Background:
Article

Research on Black-Start Control Methodologies for DC Collection Wind Farms

1
College of Electrical Engineering, Xinjiang University, Urumqi 830047, China
2
Institute of Electrical Engineering, Chinese Academy of Sciences, Beijing 100190, China
*
Author to whom correspondence should be addressed.
Electronics 2026, 15(4), 789; https://doi.org/10.3390/electronics15040789
Submission received: 13 January 2026 / Revised: 9 February 2026 / Accepted: 11 February 2026 / Published: 12 February 2026
(This article belongs to the Section Systems & Control Engineering)

Abstract

Under extreme fault conditions or during maintenance restarts, DC collection wind farms may experience a total blackout due to protective isolation. Addressing the black-start challenges arising from the unidirectional power flow structure and weak damping characteristics inherent to DC step-up collection wind farms, this paper proposes a sequential black-start control scheme predicated on grid-source coordination. A representative topology and an equivalent black-start model of the DC collection system are established to analyze the start-up mechanism and to design an active voltage build-up strategy with virtual impedance for the grid-side Modular Multilevel Converter (MMC). Meanwhile, generator-side permanent-magnet direct-drive wind turbines exploit their self-excitation capability and optimized pitch control to realize islanded self-bootstrapping and stable rotational speed. In addition, we develop a two-stage soft cut-in strategy that combines open-loop voltage scanning for pre-synchronization with closed-loop constant-current ramping of DC/DC converters, together with control logic for sequentially connecting multiple units to the DC grid. Simulation results show that the proposed approach smoothly restores the system from a zero-energy state to the rated operating point without external power sources, confirming the feasibility of full-farm start-up using the grid-side converter station and unit self-bootstrapping.

1. Introduction

As one of the most mature renewable energy technologies with favorable development conditions, wind power has grown markedly in recent years [1]. Despite continued growth in installed wind capacity, the risk of widespread outages triggered by extreme weather, complex fault conditions, and unusual disturbances remains, imposing more stringent requirements on self-starting power sources and rapid recovery techniques [2,3]. Black-start capability enables the gradual restoration of voltage and frequency references and the recovery of power-supply capability after a complete loss-of-power event without external voltage support. It reduces outage duration, limits socioeconomic losses, and enhances overall resilience [4].
Based on the power-aggregation method, DC wind generation systems are generally classified into two topologies: parallel-connected and series-connected architectures [5]. In a parallel-interconnected scheme, high-ratio step-up conversion at the turbine DC output reduces both boosting-related losses and overall energy losses [6]. In addition, a machine-side DC–DC boost stage enables the independent regulation of voltage and power, making this architecture attractive and widely adopted for DC-collected wind farms [7]. While advanced control strategies, such as twin frequency control with accurate load sensing, have been proposed to enhance the efficiency of DC–DC converters [8], the black-start process for high-voltage DC collection wind farms presents unique challenges that require specific methodologies.
A substantial body of research has investigated black-start capability for wind farms worldwide [9]. Leveraging the grid-forming capabilities of VSC-HVDC and MMC, recent studies have explored offshore wind farms as black-start resources to establish PCC voltage, mitigate transformer magnetizing inrush, and restore loads in stages. Seminal work has also systematically compared the transient responses of various grid-forming control schemes during precharge, converter unblocking, and load pickup [10]. In parallel, diode-rectifier-based DC export and DC aggregation topologies, motivated by offshore platform cost reduction, have attracted growing attention [11]. However, voltage-coupling constraints, overvoltage management, and energy-dispatch limitations make the design of start-up and restoration strategies significantly more complex [12].
Studies have examined coordinated restoration mechanisms and staged control strategies for black start in hybrid AC/DC systems and flexible DC transmission [13,14]. Engineering-oriented work has further shown that an onshore MMC can energize the wind-power export system from the DC side, enabling black start [15]. Prior work has laid important groundwork for passive DC voltage build-up, precharge current limiting, and grid-forming control in DC systems [16]. However, in DC step-up aggregation wind farms, the coupled constraints of one-way power flow, diode dead zones, and weak damping in multi-branch parallel networks remain insufficiently addressed [17]. Accordingly, approaches that rely solely on conventional voltage outer-loop regulation or heuristic timing often struggle to simultaneously achieve inrush suppression, oscillation damping, and multi-turbine coordination, limiting both black-start reliability and the practical ability to implement it [18].
A DRU–MMC-based export architecture was proposed for deep-offshore wind generation to provide black-start and grid-forming capability, by integrating auxiliary converter units and associated equipment to support black start and operational transitions of the transmission system [19]. Although conceptually attractive, the approach entails numerous auxiliary components and complex topology reconfiguration, which increases system complexity and capital expenditure. Moreover, the reported techno-economic evaluation is largely based on equipment costs, with limited consideration of O&M burdens and long-term value streams [20]. Another study proposes a grid-forming-control-based black-start strategy for DFIG wind turbines, in which an energy-storage device builds up the DC-link voltage and the stator voltage is gradually ramped, enabling autonomous unit start-up [21]. This strategy circumvents a key limitation of the diode rectifier unit (DRU)—its inability to transfer power in the reverse direction. However, because black start relies on an energy-storage system, it places stringent requirements on storage capacity and dynamic performance; in practice, the cost and reliability of the storage system may still limit deployment [22]. For black start in local-area grids, a wind-farm black-start approach supported by diesel generator sets has been reported [23], together with associated self-start procedures and restoration strategies for thermal units [24]. Taken together, the auxiliary equipment, energy-storage installations, and high-capacity diesel units adopted in these studies [18,19,20,21,22,23] add substantially to the cost of equipping wind farms with black-start capability.
To address this gap, this work develops a black-start control scheme for DC-collected wind farms that are powered primarily by permanent-magnet direct-drive turbines. The scheme begins with a topological analysis and the formulation of a dynamic model that captures MMC charging dynamics, the network’s equivalent impedance, and coupling across multiple parallel branches. Building on this model, we design a multi-stage coordinated restoration framework that includes active voltage energization on the grid side, wind-powered self-bootstrapping on the turbine side, and soft insertion of converters. We further develop time-staggered sequential synchronization logic for bringing multiple turbines online. MATLABR2021b/Simulink simulations show that the proposed scheme can cold start the entire wind farm without auxiliary power sources (e.g., external diesel generators), relying solely on the grid-side converter station and the turbines’ self-bootstrapping capability.

2. Topology and Control Strategy for a DC-Collected Wind Farm

The proposed DC-collected wind-farm topology avoids the voltage synchronization and harmonic issues associated with AC collection, while reducing the number of required grid-side converters and improving cost-effectiveness, as shown in Figure 1. As shown in Figure 1, the low-voltage DC from each DCWT branch is stepped up to medium-voltage DC by a DC/DC boost stage, which is transmitted via parallel DC collection feeders to the grid-side MMC station, and then converted to AC for grid interconnection.
A high step-up (high-gain) topology is employed to raise the turbines’ low-voltage output to medium-voltage DC in the proposed DC-collected wind farm. Compared with AC collection, the proposed scheme streamlines the conversion chain and mitigates power-quality deterioration (e.g., frequency excursions and phase mismatches), thereby reducing system losses and improving transmission efficiency. The parallel multi-branch architecture enables the independent regulation of individual turbine outputs, with real-time optimization guided by grid requirements and the wind farm’s operating state.
Within the architecture of DC collection wind farms, the machine-side converter of the wind turbine generator is typically configured as a three-phase two-level Voltage Source Rectifier (VSR), operating primarily under the Maximum Power Point Tracking (MPPT) paradigm. The control strategy governing the grid-side converter serves as a pivotal mechanism for guaranteeing the system’s operational stability and ensuring highly efficient energy transmission. In the steady-state scenario analyzed herein, the grid-side converter employs a vector control scheme predicated on an inner current loop; the outer loop is dedicated to DC voltage regulation and reactive power control, while voltage tracking at the Point of Common Coupling (PCC) is realized via a Phase Locked Loop (PLL), as illustrated in Figure 2.

3. Mechanistic Analysis and Modeling of the Black-Start Process

3.1. Fault Analysis for the Medium-Voltage DC Collection Feeder Network

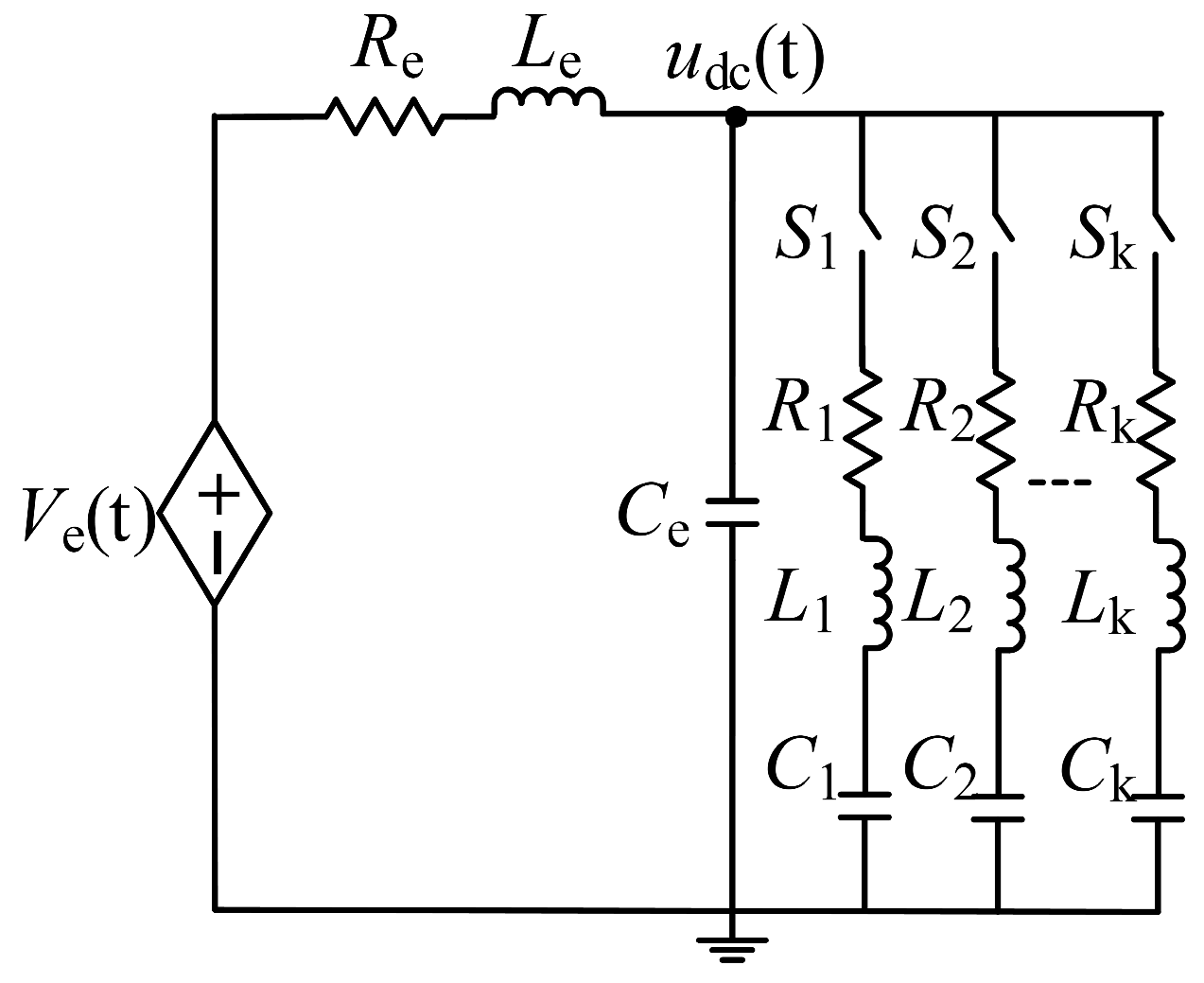
During the initial black-start phase, before stable branch power is established, the diode full-bridge is predominantly reverse-biased or only weakly conducting; therefore, from the DC-bus viewpoint, each turbine branch can be approximated by the cable impedance together with the high-voltage-side capacitance. At the DC terminal, the grid-side MMC can be represented as a controllable voltage source together with its output impedance. Incorporating the DC reactor, arm inductance, and line equivalences, the MMC terminal can be reduced to an equivalent source ve in series with Re and Le, referenced to the DC-bus node udc. For clarity, a detailed list of all symbols is provided in Appendix A.
Figure 3 depicts the DC-side equivalent network for the black-start interval, in which the bus capacitance Ce aggregates the MMC DC-link capacitance and the trunk-cable-to-ground equivalent capacitance; k branches (k = 0,1…n) are admitted through isolator switches Sk, with each branch modeled by series equivalents Rk and Lk and a high-voltage-side capacitor Ck.
In the initial condition where only the grid-side MMC charges and branch conduction is negligible, the load current may be taken as approximately zero, and thus:
L e d i dc dt = v e u dc R e i dc C eq = C e + k Ω on C k C eq d u dc dt = i dc
In this expression, idc represents the MMC-to-bus injection current, Ceq is the lumped equivalent capacitance, and Ωon is the set of branches already admitted after precharge completion and closure of the corresponding isolator switch Sk. By eliminating idc, a second-order differential equation governing the DC-bus voltage is obtained:
L e C eq d 2 u dc dt 2 + R e C eq d u dc dt + u dc = v e
Equation (2) reveals that the DC bus in the black-start interval is intrinsically a second-order dynamic system determined by the MMC’s output impedance and the aggregated capacitance; as additional branches are sequentially energized, the ensuing variation in Ceq causes concomitant shifts in the system’s natural frequency and damping.
It is assumed that the voltage drop across the collection cables is negligible compared to the MVDC voltage level. Consequently, due to the parallel connection, the voltage across each individual DC/DC output capacitor is approximately equal to the DC bus voltage. Therefore, controlling the lumped bus voltage ensures that individual capacitor voltages remain within safety limits. Furthermore, it is worth noting that the branch resistance Rk and inductance Lk are neglected in Equation (1). This simplification is justified based on time-scale separation. During the soft-start voltage build-up, the capacitive impedance dominates the branch dynamics, neglecting Rk removes physical damping, yielding a conservative model for stability design. A controller capable of stabilizing this simplified model ensures robustness in the actual system. However, for the fast transient analysis of branch conduction, these parameters are strictly considered in Section 3.3 Equation (15).
The MMC charging process can be divided into an uncontrolled charging stage and a controlled charging stage. To constrain the peak charging current Ichmax that may arise in the uncontrolled interval, a precharge resistor is required in the charging loop; under this condition, both the submodule capacitor voltages and the DC-bus voltage start from zero, the DC bus can be regarded as nearly shorted, and the corresponding MMC charging equivalent circuit is depicted in Figure 4. In this equivalent circuit, Re represents the equivalent resistance of the AC-side charging loop, Lph denotes the inductance of the grid-side phase reactor, and Larm is the arm inductance of the MMC.
As inferred from Figure 4, the peak charging current Ichmax is given by:
I chmax = 2 U ph 2 R lim + R e 2 + ω 2 L e 2
where Uph denotes the RMS grid phase voltage and Rlim denotes the precharge limiting resistance.
According to Equation (1), during the initial start-up interval, udc remains low and the voltage deviation is pronounced; an excessively rapid variation in the commanded MMC equivalent source ve will therefore provoke a high current slew rate di/dt. From Equation (1), it can be derived that:
d i dc dt = v e u dc R e i dc L e
d i dc dt I · max
To fulfill Equations (4) and (5), the most conservative approximation idc ≈ 0 necessitates that:
v e u dc I · max L e
The foregoing relation imposes a strict bound on the admissible amplitude of the voltage-reference change. A voltage-reference soft-ramp is introduced as follows:
u dc ( t ) = min u dcref , k r t
i dc C eq d u dcref dt = C eq k r
where kr represents the DC-voltage ramp rate; this risk can be further mitigated by incorporating a virtual impedance in the subsequent subsection.
To prevent triggering the MMC overcurrent protection or inducing excessive in-rush currents during the voltage build-up phase, the charging current must be constrained within a safety threshold isafe. In this study, it is set to 10% of the rated current to ensure a sufficient safety margin. Consequently, the selection of the ramp rate kr must satisfy the following constraint:
k r i safe C eq

3.2. Oscillation Mechanism and Damping Criteria in Multi-Branch Parallel Networks

To analyze the frequency-domain characteristics and stability of the system, the Laplace transform is applied to the time-domain differential Equation (2). Since the black-start process begins from a zero-energy state, zero initial conditions are assumed:
( L e C eq s 2 + R e C eq s + 1 ) V dc ( s ) = V e ( s )
Let Vdc(s) and Ve(s) represent the Laplace transforms of udc and ve, respectively. The resulting transfer function is derived as follows:
G e ( s ) = V dc ( s ) V e ( s ) = 1 L e C eq s 2 + R e C eq s + 1
The resulting natural angular frequency and damping ratio are given by:
ω 0 = 1 L e C eq ζ 0 = R e 2 C eq L e
The preceding expression suggests that, in the early start-up stage with only a few branches energized, both the equivalent-source series resistance Re and the aggregated capacitance Ceq are small, so the damping ratio ζ0 is typically insufficient and the DC-bus voltage readily exhibits underdamped oscillatory behavior; although sequential branch energization increases Ceq and thus raises ζ0, it concomitantly reduces the natural angular frequency ω0, bringing the low-frequency mode closer to the outer-loop bandwidth and potentially triggering control interaction.
To preclude appreciable ringing in the transient response, one may impose a minimum damping requirement ζ0 ≥ ζmin; substituting into Equation (9) yields a lower bound on the required equivalent series damping:
R e 2 ζ min L e C eq
Since the physical series resistance Re of the equivalent source is typically insufficient, an additional virtual series resistance Rv can be synthesized in the control loop, resulting in an effective damping of:
R eff = R e + R v
In conjunction with Equation (10), the corresponding design criterion for the virtual resistance can be derived as:
R v 2 ζ min L e C eq R e
A virtual-impedance component is embedded within the voltage outer-loop regulation:
v e = u dc R v i dc
The above term manifests as a positive incremental resistance on the DC side, which helps suppress the low-frequency resonance formed by Le and Ceq, and provides inherent current limiting when branch switching causes current disturbances. Nevertheless, an overly large virtual series resistance Rv slows down DC-bus voltage energization and exacerbates steady-state voltage offset; accordingly, Rv should be tapered down once start-up is completed, transitioning the controller to its normal operating regime.

3.3. Diode Full-Bridge Conduction Transients and Soft-Integration Criteria

When the k-th turbine is brought up gradually and its DC/DC stage is adjusted such that the high-voltage-side equivalent open-circuit voltage converges toward the DC-bus voltage, the diode full-bridge behaves as a distinctly piecewise-nonlinear element. It transfers virtually no power prior to conduction, yet produces a surge (inrush) current immediately upon satisfying the conduction condition as the residual voltage mismatch becomes the driving force.
The branch-side high-voltage equivalent is denoted by vk* and the equivalent diode forward drop is denoted by VDk; the conduction criterion is then expressed as:
v k * u dc + V Dk
Accounting for reverse blocking, when vk*< udc the branch is inherently incapable of backfeeding energy from the DC bus; this intrinsic constraint underpins the necessity for turbine self-start prior to power exchange during the black-start stage.
Upon conduction, the short-term branch-current transient is dominantly determined by the series equivalents Rk and Lk, and may be approximated by:
L k d i k d t + R k i k = Δ v k Δ v k = v k * u dc V Dk
Solving the foregoing expression under t = 0 and the initial condition ik(0) = 0 gives:
i k ( t ) = Δ v k R k 1 e t / τ k τ k = L k R k
The above result indicates that the steady-state asymptotic current is approximately Δvk/Rk. However, when Rk is small the short-term peak is governed primarily by the current slew-rate limit, and Equation (15) can be linearized about the initial condition to obtain:
d i k d t t = 0 Δ v k L k
The corresponding constraint on conduction-induced inrush is:
i k I k , max d i k d t I · k , max
Hence, the following requirement must hold:
Δ v k I k , max R k Δ v k L k I · k , max
On the basis of the foregoing analysis, a soft-connection scheme for the turbine-side DC/DC stage can be formulated as follows: Specifically, vk* is first tuned so that Δvk meets Equation (19); subsequently, the current-control loop is enabled and the current command is increased via a ramp, thereby precluding abrupt (hard) conduction.
If several branches approach the conduction threshold concurrently, the concurrent increase in Ceq and the superimposed current perturbations can readily excite the low-frequency mode indicated by Equation (9), while further magnifying the di/dt peak predicted by Equation (6). To this end, branch energization should be executed sequentially on a per-turbine basis; after pre-charging and softly commutating one branch, the next branch should not be admitted until the transients in vdc and idc have decayed below predefined thresholds.

4. Black-Start Control Strategy Design

4.1. Grid-Side MMC Start-Up Control Strategy

As indicated by the analysis in Section 3, at the onset of black start the MMC submodule capacitors are unenergized; therefore, the capacitors must be precharged first, during which the submodules remain blocked and uncontrollable, and the corresponding operating states of the half-bridge and full-bridge submodules in a hybrid MMC are as Figure 5 illustrates. During the uncontrolled precharge interval, the converter-side AC grid charges the submodule capacitors, and no discharge path is available. Consequently, the MMC may first establish a minimum capacitor-voltage level to power the submodule control electronics, after which it transitions to controlled charging and completes the converter start-up sequence.
As the grid voltage alternates, the AC-side current repeatedly commutates between the upper and lower arms of the three-phase converter, and the resulting arm-current commutation is analogous to that in a three-phase diode rectifier. For half-bridge submodules, when the capacitor current iSM > 0, diode D1 is forward-biased and the capacitor is charged through D1; when iSM < 0, the submodule is effectively bypassed (i.e., a short-circuit path), and the capacitor voltage remains nearly constant. In contrast, in full-bridge submodules the capacitor continues charging regardless of the sign of iSM.
After the uncontrolled precharge is completed, the converter valves are unblocked, initiating the controlled charging phase. Conventional controlled-charging schemes typically rely on bypass limiting resistors, reference-slope shaping, and similar measures. To simplify the overall design, this work leverages the current-limiting effect of the precharge resistor Rlim, enabling the submodules in each MMC arm to be unblocked and charged sequentially.
The proposed controlled-charging strategy forms a precharge loop around Rlim, thereby limiting the start-up charging current and mitigating capacitor inrush. During MMC energization, each arm adopts a staged unblocking scheme with explicit timing coordination to ensure a smooth submodule precharge process. To avoid voltage-sharing ambiguity caused by parallel multi-module charging, a serial (one-at-a-time) charging mechanism is used within each arm. At any instant, only one submodule is inserted into the charging path, while all remaining submodules are kept in bypass. It is worth noting that the proposed serial charging mechanism is only applied in the controlled charging (deblocking) phase after the uncontrolled AC-side precharge has established a minimum capacitor-voltage level for SM gate-power supply; it is not intended to replace the conventional parallel/group precharge used for time reduction.
Submodule insertion is explicitly tied to the arm-current direction: a submodule is inserted only when the current polarity supports capacitor charging. This mechanism prevents inadvertent discharge events caused by current reversal, thereby reducing potential voltage excursions. Once the active submodule capacitor reaches the prescribed steady-state target voltage, it is promptly bypassed, and the next submodule is triggered to begin pre-charging. After all submodules in each arm have completed this sequence and their capacitor voltages have converged to the steady-state level required for start-up, the controller switches to normal modulation with capacitor-voltage balancing control, marking the end of the controlled charging phase.
Once unblocked, the MMC is operated in a DC-voltage-regulation mode; throughout start-up, the dual closed-loop scheme in Figure 2, namely the constant DC-voltage control combined with the constant reactive power control, is employed. To avoid excessive surge current when energizing unloaded cables and downstream capacitances and to ensure a smooth DC-bus voltage buildup, the reference udc* is provided by the ramp generator in Equation (7), while a virtual-impedance term is embedded in the voltage outer loop per Equation (13), thereby completing DC-bus voltage establishment. The start-up procedure of the grid-side MMC is illustrated in the corresponding flowchart.
Klim and Rlim represent the current-limiting switch and the pre-charging resistor in the start-up circuit, respectively. Their function is to limit the inrush current into the capacitors during the uncontrolled rectification stage. i is the index of the submodule. This study employs a sequential charging mechanism in Figure 6, ensuring that submodules are charged in an orderly manner via the loop i = I + 1. N is the total number of submodules per arm. The condition i = N indicates that all submodules in the respective arm have completed pre-charging. uci is the instantaneous capacitor voltage of the i-th submodule. ucref is the preset start-up voltage reference for the submodule capacitor. The system bypasses the current module and engages the next module for charging only when uci > ucref. ipi and ini denote the current direction in the upper and lower arms of the MMC, respectively. The decision block ipi > 0 or ini > 0 in the flowchart ensures that a submodule is inserted only when the current polarity allows for charging. This effectively prevents voltage fluctuations caused by inadvertent capacitor discharge.

4.2. Turbine-Side Self-Excitation and Pitch-Angle Control

For black start in DC step-up aggregated wind farms, PMSG based turbines exhibit the following advantages relative to DFIG counterparts:
  • With a direct-drive configuration, the multi-stage variable-speed gearbox and its associated transmission train are eliminated, which reduces mechanical losses and enhances overall system reliability. Since black start generally demands rapid restoration under harsh operating conditions, intricate mechanical assemblies tend to exacerbate start-up uncertainty and elevate the likelihood of mechanical failure.
  • A permanent-magnet synchronous generator is adopted, whose excitation does not rely on any external power source. During black start, the permanent-magnet direct-drive turbine exploits the generator’s intrinsic magnet field to self-establish terminal voltage, enabling autonomous start-up without dependence on grid-based excitation. By independently tuning the converter output in terms of voltage magnitude, frequency, and phase, the system inherently realizes the key capabilities of grid-forming operation.
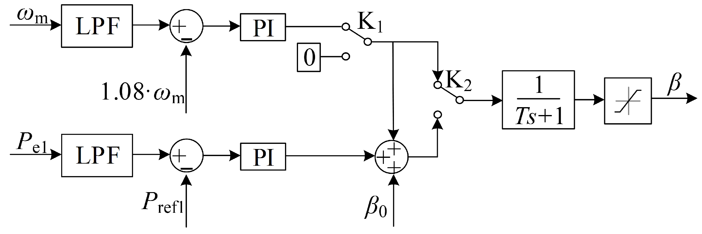
At the beginning of black start, the machine-side controller retains the control configuration in Figure 2; the MSC establishes the low-voltage DC-link voltage to provide a stable input for the DC/DC stage. Conventional pitch control may be insufficient to stabilize rotor speed and coordinate pitch-angle adjustments, so the pitch-control scheme is refined for black-start operation, as shown in Figure 7.
Compared with standard pitch control, Figure 7 incorporates the initial pitch-angle feedback loop β0, ensuring that the turbine starts from a comparatively safe operating point that is also conducive to energy capture. Moreover, two switches, K1 and K2, are incorporated. With K1 closed, the speed controller executes an initial no-load run-up, leveraging the turbine’s stored kinetic energy to initiate converter unblocking. With K2 closed, power is regulated to track load requirements, thereby averting sudden DC-bus overvoltage or undervoltage excursions.
At the onset of black start, switch K1 is closed and the speed controller forces the turbine to track the maximum run-up curve, thereby building the initial low-voltage DC-bus voltage through a positive mechanical-to-electrical energy feedback mechanism. Once K2 is closed, the pitch angle β is adaptively regulated so that the turbine electrical power Pe approaches the prescribed reference. Coordinated switching of K1 and K2 enables effective regulation of turbine power output while transitioning pitch control into a black-start-oriented operating mode, facilitating the progressive establishment of stable voltage and frequency across the DC wind farm and ultimately enabling black-start functionality.

4.3. DC/DC Converter Soft-Start Strategy

In steady-state operation, the DC/DC stage primarily shapes the machine-side impedance to align the turbine with its optimal operating point. Under black-start conditions, the DC/DC converter becomes the pivotal interface between the system’s low- and medium-voltage domains, and its foremost task is to surmount the dead-zone behavior and the back voltage imposed by the high-voltage diode rectifier bridge to realize smooth, one-way energy injection.
At start-up, the DC/DC converter’s high-voltage-side capacitor is already pre-charged by the grid-side MMC to the rated level, which can be equivalently modeled as a controlled current-injection source. At this instant, the secondary-side diode rectifier bridge is reverse-biased and remains blocked. Thus, the system is confronted with both a substantial voltage differential and an inherent diode turn-on threshold. As implied by (14), diode conduction occurs only after the primary-winding RMS voltage—referred to the secondary side—surpasses the DC-bus back-pressure voltage. If the converter is started using steady-state closed-loop gains, then throughout the dead-zone period before the conduction inequality is satisfied, the reference current rises while the measured current remains near zero, leading to substantial PI integrator windup. Once conduction commences, the stored integral term can precipitate a severe current overshoot.
To resolve the foregoing issues, this work implements a two-step soft-start procedure for the DC/DC converter, and the corresponding two-stage soft-integration control logic is illustrated in Figure 8.
  • Open-loop voltage ramp-up. In this stage, the controller runs in open loop with the power outer loop disabled, and linearly increments the duty ratio of the primary-side full-bridge using a very small step; concurrently, a feedforward action is introduced, taking the instantaneous duty ratio as the reference baseline. During this interval, the transformer secondary induced voltage Udc2 progressively approaches udc; however, the diodes remain non-conducting and the primary-side current is merely the small magnetizing current. A primary-current threshold Ih is defined as 2.5% of the rated current; if the measured RMS primary current Ipri remains above Ih for several switching periods, diode conduction is declared. This time-domain verification mechanism, combined with the inherent filtering effect of the RMS calculation, ensures that the detection logic is immune to measurement noise and prevents false triggering caused by transient spikes.
  • Closed-loop constant-current ramping. Upon completion of the preceding stage, the controller is promptly transitioned to closed-loop current regulation. To mitigate connection-induced transients, a current-ramp function is employed to constrain the injected-current slew rate; over the soft-start interval tramp, the corresponding ramp rate ki is given by:
k i = P e u dc 1 t ramp

4.4. Black-Start Methodology for Wind Turbines

If several turbines are admitted concurrently, the compounded power transient can easily activate the MMC’s DC overvoltage protection. The MMC’s ability to regulate the medium-voltage DC-bus voltage is fundamentally limited by the aggregated capacitance Ceq and the voltage-loop bandwidth ωbw. Defining the maximum allowable voltage sag as ΔVmax, the corresponding upper bound on the per-event power step ΔPstep can be expressed as:
Δ P step u dc C eq ω bw Δ V max
Consequently, given the HVDC system’s pronounced sensitivity to power transients, wind turbines must not be connected to the DC bus in parallel simultaneously but should instead be connected sequentially. It is worth noting that Ceq represents the aggregated capacitance. As more WTs connect, Ceq increases, thereby enhancing the system’s ability to dampen power fluctuations.
A permanent-magnet direct-drive turbine can exploit its inherent magnetic field to build up its terminal voltage autonomously; accordingly, the turbine’s mechanical subsystem, the machine-side converter, and the grid-side converter are commissioned sequentially in three stages, as described below. Figure 9 presents both the control schematic and the system-level start-up sequence flowchart.
  • Stage 1: The grid-side AC breaker is closed, and the precharge resistor is inserted. In accordance with the soft-start procedure shown in Figure 6, the grid-side converter performs submodule-capacitor pre-charging and valve deblocking. Once the mean MMC submodule capacitor voltage exceeds 90% of its rated value, the precharge resistor is bypassed. The MMC then transitions to dual-mode regulation, namely constant DC voltage and constant reactive power. Once the DC-bus voltage is elevated to the rated value, the sequence advances to the next stage. At this point, with the DC/DC high-voltage-side diodes reverse-biased, the MMC merely energizes the collection cables and the DC/DC output capacitance, without transferring power to the turbine side.
  • Stage 2: The machine-side AC breaker is closed, and the pitch-control system is switched from MPPT to constant-speed operation. As shown in the improved black-start pitch-control block diagram in Figure 7, K1 is closed, and the speed controller executes an initial no-load acceleration to enable efficient wind-to-mechanical energy conversion. After the generator rotor brake is released, the turbine drives the generator rotor via the drivetrain, thereby establishing the turbine-side AC voltage. The machine-side converter operates under DC-voltage regulation and is responsible for building and sustaining the low-voltage DC-bus voltage. By this point, the DC voltages on both the machine and grid sides have been fully established.
  • Stage 3: The DC/DC converter remains blocked, leaving the unit in a hot-standby state, with both terminals energized while the intermediate link remains open. Once the bus-voltage variation rate is confirmed to meet the prescribed criterion, the constant-current soft-start strategy introduced above is applied, and the DC/DC converter is unblocked accordingly. If, during the soft-start interval, the DC-bus voltage sag exceeds the threshold or an internal overvoltage is detected, the DC/DC gating signals are blocked instantaneously, and pitch-to-feather protection is activated, driving the unit back to a stopped state to avert fault propagation.

5. Discussion

To validate the efficacy of the proposed black-start control strategy for the DC-collected wind farm, and to maximize the fidelity of the dynamic characteristics inherent in real physical systems, a high-fidelity Electromagnetic Transient (EMT) model was developed within the MATLAB/Simulink environment. Rather than employing simplified average value models, this study utilizes a detailed switching model that explicitly accounts for the on-state voltage drops of IGBTs and diodes, dead-time effects, and snubber circuits. Furthermore, the DC cables are represented by π-type equivalent circuits incorporating distributed capacitance effects to accurately replicate voltage traveling waves and charging transients during the initial phase of black start. These modeling intricacies ensure the precision of simulation results in capturing millisecond-scale transient responses. The principal simulation parameters are listed in Table 1.
While the case study uses 60 SMs per arm, the proposed de-ambiguity logic can be readily extended to large-scale HVDC by adopting a group-wise scheme, charging multiple SMs in parallel within a group while sequencing the groups, thereby preserving deterministic voltage sharing and preventing current-reversal-induced discharge, yet significantly reducing the overall precharge time.

5.1. Active DC-Bus Voltage Build-Up at the Grid-Side MMC Station

In the early black-start interval of a fully DC-collected system, the MMC must first establish a stable HVDC bus voltage within an otherwise passive DC network, thereby providing the voltage reference required for subsequent turbine synchronization and connection. Figure 10 presents the simulated waveforms covering the full trajectory from the grid-side MMC start-up from zero to the establishment of the rated DC voltage, as well as the associated grid-side inrush-current response.
At t = 0 s, the grid-side AC breaker is closed and the limiting resistor is inserted; aided by the damping provided by the precharge resistor, the current remains bounded and displays a characteristic underdamped, exponentially decaying oscillation, settling to the steady precharge level within 0.2 s. At this stage, the MMC submodules are still blocked, and the AC grid charges the arm capacitors and the DC submarine cable via an uncontrolled rectification path through the submodules’ antiparallel diodes. At t = 0.5 s, the MMC is unblocked and udc rises to 30 kV—consistent with the peak of the AC line-to-line voltage—demonstrating that the precharge circuit effectively constrains start-up inrush, mitigates thermal overstress risks for power devices, and establishes the initial DC potential, thus averting the violent surge current that could otherwise accompany full-voltage unblocking.
Following MMC unblocking, the precharge resistor is bypassed and the controller transitions to closed-loop DC-voltage regulation; the step change in loop impedance induces a discontinuity in system states, which in turn triggers the secondary transient highlighted by the red dashed marker in Figure 10b. The DC-voltage reference is shaped by a ramp function with a constant slope; the voltage rises from 30 kV to 60 kV in about 3 s, i.e., kr ≈ 10 kV/s, which strikes a balance between start-up efficiency and suppression of distributed-capacitance charging current, corroborating the suitability of the soft-start parameter design developed earlier.
As the DC-bus voltage reaches the 60 kV reference at t = 3.5 s, the transition from ramp-tracking to constant-value regulation triggers a minor transient oscillation in the voltage profile due to the PI controller’s response to the derivative change in the reference signal. Concurrently, the grid-side current transitions into a steady-state regime with minimal ripple, as the capacitive charging current diminishes to zero.
To eliminate steady-state DC voltage deviation, the virtual resistance Rv is implemented as a time-varying parameter. As defined in Equation (16), Rv is activated during the DC bus voltage build-up phase to provide additional damping. Once the bus voltage reaches its nominal value at t = 3.5 s, Rv is linearly ramped down to Rv ≈ 0 over a duration of 0.5 s, as illustrated in Figure 10c. Although this tapering process extends the total settling time slightly beyond 3.5 s, it is a deliberate design choice to ensure a bump less transfer from the soft-start damping mode to the normal operating mode. At t = 3.5 s, the steady-state DC voltage is effectively established, creating a ready state for the subsequent pre-synchronization of wind turbines.
For t > 3.5 s, the MMC reaches steady-state operation, exhibiting minimal voltage overshoot, a near-sinusoidal current of essentially constant amplitude, and a ripple factor that remains within engineering tolerances. Although the DC bus is now energized, the high-voltage-side diodes of the turbine-side DC/DC stage remain reverse-biased and blocked; consequently, no energy is transferred toward the turbine side, and the system resides in a ready state characterized by established voltage yet inhibited power flow.

5.2. Validation of Islanded Self-Excited Voltage Establishment and Speed-Regulation Control of Wind Turbines

Once the grid-side MMC has successfully built the HVDC bus voltage, the wind-turbine black-start sequence proceeds to Stage 2, i.e., islanded self-excitation of an individual unit. Figure 11 presents the response trajectories of the principal state variables during islanded turbine start-up.
For t < 2 s, the machine-side converter is blocked, and the DC-bus voltage is sustained at an extremely low level solely by the auxiliary circuit, as illustrated in Figure 11a. At t = 2 s, the MSC is unblocked and transitions to DC-voltage regulation. The DC-link voltage responds promptly and increases approximately exponentially, settling smoothly at the 1050 V reference within 1.5 s, thus realizing rapid and stable islanded voltage build-up.
During the initial black-start interval, with generator electromagnetic power close to zero, the rotor is essentially in a no-load condition and can readily overspeed when driven by aerodynamic torque. The control performance of the generator speed ωr is shown in Figure 11b. Over 0–2 s, the rotor undergoes free acceleration driven by ambient wind, with speed rising progressively. Concurrent with MSC unblocking at t = 2 s, the pitch-control system switches to closed-loop constant-speed operation, with the speed reference set to the standby level of 0.3 p.u.
At this stage, the turbine resides in a desirable hot-standby condition, providing the prerequisite for impact-free soft insertion of the DC/DC converter and subsequent time-staggered, coordinated multi-unit grid connection.

5.3. Validation of DC/DC Converter Integration

Once the machine-side voltage has been established and turbine speed has stabilized, the system proceeds to the pivotal interconnection stage. With the high-voltage side clamped by the MMC and subject to diode back-pressure, DC/DC start-up must surmount a nonlinear dead-zone characteristic. Figure 12 provides detailed transient waveforms of the DC/DC converter under the voltage pre-synchronization and constant-current soft-start strategy.
For t < 2.5 s, the MMC and MSC are unblocked, and the DC/DC converter primary-side RMS voltage increases linearly under open-loop regulation. Although the primary voltage has exceeded 750 V, the secondary-referred voltage is still insufficient to overcome the HVDC-bus back-pressure; hence, the diode rectifier bridge remains reverse-biased and blocked, and both primary- and secondary-side currents stay at zero.
At t = 2.5 s, the RMS primary voltage VLDC reaches roughly 800 V and meets the conduction criterion; accordingly, the secondary voltage VHDC steps to about 60 kV, instantaneously breaking through the diode dead zone and formally establishing electrical interconnection. Simultaneously, the controller transitions from open-loop voltage scanning to closed-loop constant-current regulation, preventing conduction-triggered current overshoot induced by the abrupt impedance change. The ensuing soft-start window (2.5–5.5 s) features a linear ramp of the DC/DC converter secondary current IHDC at the slope prescribed by Equation (20).
To verify the superiority of the proposed strategy, in Figure 12e,f, a comparative simulation with a conventional PI controller was conducted. The results indicate that without the Stage 1 Open-loop voltage ramp for pre-synchronization, the integral term of the PI controller accumulates rapidly during the diode dead-zone period. This leads to a severe inrush current exceeding the safety threshold at the moment of conduction, causing a startup failure. In contrast, the proposed two-stage strategy effectively bridges the dead-zone, achieving a smooth connection without requiring auxiliary energy storage or diesel generators for buffering.
The simulation results substantiate the effectiveness of the proposed soft-integration control strategy. By systematically coordinating voltage pre-synchronization with constant-current ramping, the system realizes a shock-free, smooth transition of an individual unit and formalizes a controlled mechanism for establishing the energy-export path.

5.4. System-Level Stability Assessment of Sequential Multi-Unit Integration

Following validation of single-unit start-up feasibility, system-level simulations are further performed to examine sequential multi-unit interconnection across the full wind farm. Figure 13 presents the transient responses of the principal system electrical quantities as three 5-MW turbines are admitted to the DC bus sequentially at t = 10 s, 25 s, and 40 s, respectively.
Across the entire start-up sequence, energy-flow formation in the DC collection system displays a distinct step-accumulation characteristic. At the three critical interconnection instants (t = 10 s, 25 s, and 40 s), controlled unblocking of each turbine’s DC/DC converter causes the aggregate injected current and total active power of the collection system to increase in a tightly synchronized, stepwise fashion. Benefiting from the previously introduced constant-current soft-start strategy, the power trajectory increases linearly with an essentially constant slope instead of exhibiting abrupt steps, thereby markedly mitigating system stress induced by power discontinuities. By t = 55 s, the farm-level active power smoothly attains the 15 MW rated value.
Whenever a new unit is admitted and begins its power ramp, the DC-bus voltage undergoes a small transient sag, as the MMC must re-equilibrate the power difference between DC-side injection and AC-side delivery. Nevertheless, the results indicate that even in the most severe case—where the third unit is connected and the loading ratio surges from 66% to 100%—the voltage sag is constrained within 1.5 kV (2.5%), and, under MMC regulation, the DC-bus voltage converges back to the 60 kV nominal level within 2–3 s. These results confirm that the designed 15 s admission window effectively isolates consecutive disturbances, providing the DC system with ample time to reconstitute steady-state balance prior to the next unit’s interconnection.

5.5. Scalability and Restoration Time Analysis

The strategy is validated using a three-unit system, and the proposed sequential soft-connection methodology is inherently scalable to wind farms with tens or hundreds of turbines.
While Figure 13 demonstrates a conservative sequential connection with 15 s intervals, practical large-scale wind farms require faster restoration. The proposed strategy facilitates this through two mechanisms based on the stability criterion derived in Equation (24):
  • Optimized Sequential Start-up: As evidenced by the multi-unit connection transients in Figure 13, the DC-bus voltage recovers and converges to the nominal level within 2–3 s following each interconnection load step. This dynamic recovery speed—distinct from the conservative 3.5 s required for the initial cold start—allows the switching interval to be safely reduced from 15 s to 5 s in practical applications. For a 100-turbine farm, the total restoration time would be approximately 500 s (~8.3 min).
  • Cluster-based Start-up: To further reduce restoration time, turbines connected to the same DC feeder can be energized simultaneously as a single cluster. By adjusting the soft-start current ramp rate ki in Equation (23) to ensure the aggregated power step satisfies Equation (24), stability is maintained. Assuming a 500 MW farm with 10 feeders, 10 turbines per feeder, and a conservative 15 s interval per feeder, the total restoration time is estimated to be 2.5 min.
Both scenarios demonstrate that the proposed strategy can restore a full-scale wind farm well within the standard black-start timeframe (typically < 30 min) while maintaining DC-bus stability.
In addition, regarding coordination complexity and communication, the control logic in Figure 9 adopts a distributed, state-dependent approach. Since the interconnection interval is significantly longer than typical communication latencies, signal delays do not impact the closed-loop stability of the local soft-start process. The complexity grows linearly, making it feasible for large arrays.
Finally, regarding cumulative capacitance Ceq, as more turbines connect, Ceq increases. While this lowers the system’s natural frequency per Equation (12), the proposed virtual impedance control in Equation (16) provides the necessary damping. Furthermore, Equation (24) indicates that a larger Ceq enhances the DC bus’s ability to absorb power steps ΔPstep. Therefore, in a large-scale system, the voltage sag caused by the connection of later units will be less severe than that of the first few units, effectively improving the transient voltage stability as the farm scales up.

5.6. Discussion on Practical Implementation Challenges

While the proposed strategy has been validated through rigorous simulations, practical implementation in real-world engineering projects must address challenges such as sensor accuracy, communication latency, and protection coordination.
In practical MVDC/HVDC systems, measurement noise is inevitable. The proposed active voltage build-up strategy incorporates a virtual resistance Rv Equation (16). Besides damping low-frequency oscillations, Rv physically behaves as a current-feedback term. To prevent noise amplification in the control loop, a low-pass filter is essential for the feedback signals. A tradeoff exists: a lower cutoff frequency improves noise immunity but introduces phase lag that may erode the damping margin. Engineering design should select a cutoff frequency at least one decade above the system’s natural resonant frequency ω0 Equation (12) to ensure stability.
Secondly, a significant advantage of the proposed sequential black-start scheme is its reliance on local measurements rather than high-speed global communication. The grid-side MMC operates in grid-forming mode, while each wind turbine unit autonomously detects the DC bus voltage status to initiate its self-bootstrapping and synchronization sequence as detailed in Figure 8. Consequently, the substantial communication latency (typically tens of milliseconds) inherent in large-scale offshore wind farms does not compromise the stability of the start-up sequence, as the control loops are closed locally.
Finally, concerning protection coordination, the uncontrolled conduction of diode rectifiers in conventional methods can cause massive inrush currents, potentially triggering overcurrent relays. The proposed two-stage soft cut-in strategy effectively limits the current slew rate, ensuring the start-up current remains below the protection thresholds, thereby simplifying the coordination of protection settings during the black-start phase.

5.7. Comparison with Existing Black-Start Strategies

We conducted an in-depth evaluation across three dimensions—system complexity, economic cost, and auxiliary component requirements. This analysis benchmarks the proposed grid-source coordination scheme against Energy Storage System (ESS)-assisted, DRU-MMC, and DFIG-based solutions:
Compared with storage-assisted strategies: Traditional energy storage schemes impose stringent requirements on the capacity and dynamic performance of ESS to accommodate the transient power surge and provide energy support during the black-start process. This results in significant Capital Expenditure (CAPEX) and Operational Expenditure (OPEX). In contrast, the proposed scheme exploits the inherent control capabilities of the wind turbines and the MMC, eliminating the need for additional high-capacity ESS configuration and significantly reducing system costs. The proposed approach avoids the complexities associated with additional converter controls and State of Charge (SOC) management required for ESS integration.
Compared with DRU-MMC based Schemes: due to the unidirectional conduction characteristics of the DRU, it cannot transmit energy in the reverse direction to energize the wind farm. Consequently, these schemes typically necessitate the configuration of auxiliary diesel generators or an additional VSC start-up circuit. By leveraging the fully controlled MMC to actively establish the voltage, our method achieves a black start with zero auxiliary components. The proposed scheme eliminates the need for complex topology reconfiguration during the start-up phase and does not rely on the cut-in/cut-out logic of external auxiliary sources, resulting in a more streamlined control sequence.
Compared with DFIG-based schemes: DFIG rely on grid-side excitation to establish stator voltage and typically necessitate support from an external voltage source. In contrast, this paper leverages the self-excitation capability of PMSG. By utilizing the inherent magnetic field of the rotor, the PMSG achieves autonomous voltage establishment under zero-voltage conditions, providing an inherent physical advantage in black-start scenarios.
In summary, the core advantage of this work lies in the concept of software replacing hardware; by employing precise sequential coordination and the designed “two-stage soft cut-in strategy, we eliminate the need for expensive physical hardware (e.g., ESS or diesel generators). This approach achieves a lightweight and cost-effective system configuration while ensuring a high start-up success rate. Table 2 visually illustrates the distinctions among the various schemes.

6. Conclusions

This article tackles the restoration problem of DC step-up aggregated wind farms under complete loss-of-power conditions and is grounded in a detailed examination of topological characteristics and one-way energy-flow constraints, formulates a time-coordinated black-start control scheme.
The study first develops a dynamic system model that captures MMC charging behavior, DC-network equivalent impedance, and multi-branch coupling, thereby elucidating both the origin and the mitigation conditions of underdamped DC-bus oscillations during the initial black-start interval. On this basis, a control strategy integrating grid-side MMC active energization, turbine-side wind-powered self-bootstrapping, and a two-stage DC/DC soft-integration scheme is proposed, which effectively mitigates both the dead-zone behavior of the high-voltage diode rectifier bridge and the conduction-triggered current inrush, thereby resolving the long-standing limitation of grid-following control in the absence of voltage support.
The simulations demonstrate that, with the inclusion of virtual impedance and time-staggered multi-unit integration logic, the proposed scheme suppresses voltage fluctuations and power discontinuities within the collection network, ensuring a smooth trajectory from a zero-energy state to the rated operating point. The proposed methodology not only substantiates the feasibility of full-farm cold start based exclusively on the grid-side converter station and turbine self-bootstrapping capability, but also offers a theoretical foundation and practical guidance for passive restoration and protection-setting coordination in large-scale DC-collected systems.
While the efficacy of the proposed strategy has been validated through high-precision EMT simulations, the authors acknowledge that numerical simulations cannot fully encompass all complexities inherent in real-world engineering, such as measurement noise, communication latency, and electromagnetic interference. In future work, controller hardware-in-the-loop testing based on real-time simulators or low-power prototype experiments will be conducted. These efforts aim to further evaluate the strategy’s performance within a physical environment and provide a more robust empirical foundation for practical engineering applications.

Author Contributions

Conceptualization, J.L., H.W. (Huan Wang) and Y.W.; methodology, K.H.; software, K.H.; validation, K.H.; formal analysis, K.H.; investigation, K.H.; writing—original draft preparation, K.H.; writing—review and editing, H.W. (Haiyun Wang) and J.L.; supervision, H.W. (Haiyun Wang) and Y.W.; project administration, J.L., H.W. (Huan Wang) and Y.W.; funding acquisition, H.W. (Haiyun Wang) and Y.W. All authors have read and agreed to the published version of the manuscript.

Funding

This research was funded by the Tianshan Talents’ Science and Technology Plan Project of Department of Science and Technology of Xinjiang Uygur Autonomous Region, grant number 2024TSYCLJ0005. This research was also funded by the National Key Research and Development Program of China, grant number 2021YFB1507000.

Data Availability Statement

Data are contained within the article.

Conflicts of Interest

The authors declare no conflicts of interest.

Appendix A

To further enhance the clarity and readability of the diagrams, we have added a “Summary Table of Symbols “ in Appendix A. This table consolidates all symbols used across the figures along with their definitions. We believe this addition will facilitate a quicker reference and a better understanding of the content for the readers.
Table A1. Nomenclature and Key Parameters.
Table A1. Nomenclature and Key Parameters.
SymbolDescription
udcDC bus voltage
veMMC equivalent voltage source
ReSeries resistance of equivalent source
LeSeries inductance of equivalent source
CeEquivalent capacitance of equivalent source
SkIsolator switch
RkEquivalent Resistance of branch
LkEquivalent Inductance of branch
CkEquivalent capacitance of branch
idcMMC-to-bus injection current
CeqLumped equivalent capacitance
ΩonBranches already admitted
IchmaxPeak charging current
LphInductance of the grid-side phase reactor
LarmArm inductance of the MMC
UphRMS grid phase voltage
RlimPrecharge limiting resistance
KlimCurrent-limiting switch
krDC-voltage ramp rate
isafeSafety threshold current
ζ0Damping ratio
ω0Natural angular frequency
ζminMinimum damping
RvVirtual resistance
vk*Branch-side high-voltage equivalent
VDkEquivalent diode forward drop
iSMSM capacitor current
iIndex of the SM
NTotal number of submodules per arm
ucrefPreset start-up voltage reference for SM capacitor
ucii-th capacitor voltage
ipiCurrent direction in the upper arms
iniCurrent direction in the lower arms
β0Initial pitch-angle
K1&K2Switches
PeTurbine electrical power
IhPrimary current threshold in DC/DC
IpriRMS primary current in DC/DC
kiCorresponding ramp rate
ωbwVoltage-loop bandwidth
ΔPstepPer-event power step
ΔVmaxMaximum allowable voltage sag

References

  1. Summerfield-Ryan, O.; Park, S. The Power of Wind: The Global Wind Energy Industry’s Successes and Failures. Ecol. Econ. 2023, 210, 107841. [Google Scholar] [CrossRef]
  2. Xu, L.; Feng, K.; Lin, N.; Perera, A.T.D.; Poor, H.V.; Xie, L.; Ji, C.; Sun, X.A.; Guo, Q.; O’Malley, M. Resilience of Renewable Power Systems under Climate Risks. Nat. Rev. Electr. Eng. 2024, 1, 53–66. [Google Scholar] [CrossRef]
  3. Heidari-Akhijahani, A.; Butler-Purry, K.L. A Review on Black-Start Service Restoration of Active Distribution Systems and Microgrids. Energies 2024, 17, 100. [Google Scholar] [CrossRef]
  4. Sanchez Garciarivas, R.; Rasilla Gonzalez, D.; Navarro, J.A.; Soriano, L.A.; Rubio, J.d.J.; Gomez, M.V.; Garcia, V.; Pacheco, J. VSC-HVDC and Its Applications for Black Start Restoration Processes. Appl. Sci. 2021, 11, 5648. [Google Scholar] [CrossRef]
  5. Wang, Y.; Song, D.; Wang, L.; Huang, C.; Huang, Q.; Yang, J.; Solomin, E. Review of Design Schemes and AI Optimization Algorithms for High-Efficiency Offshore Wind Farm Collection Systems. Energies 2025, 18, 594. [Google Scholar] [CrossRef]
  6. Han, H.; Li, Z.; Wang, H.; Feng, Q.; Guo, R.; Yang, Z.; Liu, X. Design of a Parallel All-DC Wind Power System with Turbine-Side Boost Based on a New DC Conversion. IEEE Access 2024, 12, 3054–3069. [Google Scholar] [CrossRef]
  7. Timmers, V.; Egea-Àlvarez, A.; Gkountaras, A.; Li, R.; Xu, L. All-DC Offshore Wind Farms: When Are They More Cost-Effective than AC Designs? IET Renew. Power Gener. 2022, 17, 2458–2470. [Google Scholar] [CrossRef]
  8. Kok, C.L.; Siek, L. Designing a Twin Frequency Control DC-DC Buck Converter Using Accurate Load Current Sensing Technique. Electronics 2024, 13, 45. [Google Scholar] [CrossRef]
  9. Panteli, M.; Mancarella, P. Influence of Extreme Weather and Climate Change on the Resilience of Power Systems: Impacts and Possible Mitigation Strategies. Electr. Power Syst. Res. 2015, 127, 259–270. [Google Scholar] [CrossRef]
  10. Zhang, T.; Hou, Y.; Ding, Y.; Wan, Y.; Cao, X.; Cai, D.; Meng, J. An Enhanced Grid-Forming Control Strategy for Suppressing Magnetizing Inrush Current During Black Start of Wind-Storage Systems. Electronics 2025, 14, 4431. [Google Scholar] [CrossRef]
  11. Xie, L.; Cheng, F.; Wu, J. Control Strategy for Offshore Wind Farms with DC Collection System Based on Series-Connected Diode Rectifier. Sustainability 2022, 14, 7860. [Google Scholar] [CrossRef]
  12. Eseye, A.T.; Knueven, B.; Zhang, X.; Reynolds, M.; Jones, W. Resilient Operation of Power Distribution Systems Using MPC-Based Critical Service Restoration. In Proceedings of the 2021 IEEE Green Technologies Conference (GreenTech), Virtual Conference, 7–9 April 2021; pp. 292–297. [Google Scholar]
  13. Yu, H.; Xiao, F.; Zhang, H.; Liao, W.; Li, Y. A Two-Stage Coordinated Restoration Scheme of Hybrid AC/DC Distribution Grid Considering Cold Load Pickup and Resilience Enhancement. Sustain. Cities Soc. 2024, 117, 105959. [Google Scholar] [CrossRef]
  14. Feng, W.; Shi, Q.; Cui, H.; Li, F. Optimal Power Allocation Strategy for Black Start in VSC-MTDC Systems Considering Dynamic Impacts. Electr. Power Syst. Res. 2021, 193, 107023. [Google Scholar] [CrossRef]
  15. Jain, A.; Saborío-Romano, O.; Sakamuri, J.N.; Cutululis, N.A. Blackstart from HVDC-Connected Offshore Wind: Hard versus Soft Energization. IET Renew. Power Gener. 2021, 15, 127–138. [Google Scholar] [CrossRef]
  16. Jain, A.; Sakamuri, J.N.; Cutululis, N.A. Grid-Forming Control Strategies for Black Start by Offshore Wind Power Plants. Wind Energy Sci. 2020, 5, 1297–1313. [Google Scholar] [CrossRef]
  17. Yu, L.; Xu, L.; Zhu, J.; Li, R. Impedance Modelling and Stability Analysis of Diode-Rectifier Based HVDC Connected Offshore Wind Farms. IEEE Trans. Power Deliv. 2022, 37, 591–602. [Google Scholar] [CrossRef]
  18. Alassi, A.; Feng, Z.; Ahmed, K.; Syed, M.; Egea-Alvarez, A.; Foote, C. Grid-Forming VSM Control for Black-Start Applications with Experimental PHiL Validation. Int. J. Electr. Power Energy Syst. 2023, 151, 109119. [Google Scholar] [CrossRef]
  19. Li, F.; Chen, D.; Chen, H.; Luo, S.; Yu, H.; Hou, T.; Wang, G.; Huang, Y. Black-Start Strategy for Offshore Wind Power Delivery System Based on Series-Connected DRU-MMC Hybrid Converter. Electronics 2025, 14, 2543. [Google Scholar] [CrossRef]
  20. Yu, L.; Fu, Z.; Li, R.; Zhu, J. DRU-HVDC for Offshore Wind Power Transmission: A Review. IET Renew. Power Gener. 2024, 18, 2080–2101. [Google Scholar] [CrossRef]
  21. Rodriguez-Amenedo, J.L.; Arnaltes Gomez, S.; Castro Martinez, J.; Alonso-Martinez, J. Black-Start Capability of DFIG Wind Turbines Through a Grid-Forming Control Based on the Rotor Flux Orientation. IEEE Access 2021, 9, 142910–142924. [Google Scholar] [CrossRef]
  22. Zhao, Y.; Zhang, T.; Sun, L.; Zhao, X.; Tong, L.; Wang, L.; Ding, J.; Ding, Y. Energy Storage for Black Start Services: A Review. Int. J. Miner. Metall. Mater. 2022, 29, 691–704. [Google Scholar] [CrossRef]
  23. Yan, W.; Hong, Q.; Liu, D.; Dyśko, A. Feasibility Studies on Black Start Capability of Distributed Energy Resources. In Proceedings of the 10th International Conference on Renewable Power Generation (RPG 2021), Online, 14–15 October 2021; The Institution of Engineering and Technology (IET): Stevenage, UK, 2021; pp. 869–875. [Google Scholar]
  24. Zhou, M.; Wang, W.; Li, X.; Li, P.; Chen, Y. A Coordinated Control Strategy for Black Start of Wind Diesel Storage Microgrid Considering SOC Balance of Energy Storage. Processes 2025, 13, 3770. [Google Scholar] [CrossRef]
Figure 1. Topological structure of a DC collection-based wind farm.
Figure 1. Topological structure of a DC collection-based wind farm.
Electronics 15 00789 g001
Figure 2. Control architecture of the power converter assembly.
Figure 2. Control architecture of the power converter assembly.
Electronics 15 00789 g002
Figure 3. Equivalent circuit representation of the DC side during the black-start phase.
Figure 3. Equivalent circuit representation of the DC side during the black-start phase.
Electronics 15 00789 g003
Figure 4. Equivalent circuit loop of MMC during the charging sequence.
Figure 4. Equivalent circuit loop of MMC during the charging sequence.
Electronics 15 00789 g004
Figure 5. Operational modes of the sub-modules during the uncontrolled charging phase: (a) Operational modes of the Half-Bridge Sub-Module (HBSM); (b) Operational modes of the Full-Bridge Sub-Module (FBSM).
Figure 5. Operational modes of the sub-modules during the uncontrolled charging phase: (a) Operational modes of the Half-Bridge Sub-Module (HBSM); (b) Operational modes of the Full-Bridge Sub-Module (FBSM).
Electronics 15 00789 g005
Figure 6. Flowchart delineating the start-up procedure for the grid-side MMC.
Figure 6. Flowchart delineating the start-up procedure for the grid-side MMC.
Electronics 15 00789 g006
Figure 7. Control block diagram illustrating the black-start strategy utilizing the optimized pitch angle controller.
Figure 7. Control block diagram illustrating the black-start strategy utilizing the optimized pitch angle controller.
Electronics 15 00789 g007
Figure 8. Logic block diagram depicting the two-stage soft cut-in control strategy for the DC/DC converter.
Figure 8. Logic block diagram depicting the two-stage soft cut-in control strategy for the DC/DC converter.
Electronics 15 00789 g008
Figure 9. Control principles, and the system-level start-up procedure: (a) control architecture for black start on the low-voltage side; (b) schematics comprising the sequential black-start flowchart for multiple units.
Figure 9. Control principles, and the system-level start-up procedure: (a) control architecture for black start on the low-voltage side; (b) schematics comprising the sequential black-start flowchart for multiple units.
Electronics 15 00789 g009
Figure 10. Start-up sequence of the MMC and establishment of MVDC bus voltage: (a) DC-side voltage profile of the MMC; (b) inrush current on the grid side during start-up; (c) virtual resistance switching sequence.
Figure 10. Start-up sequence of the MMC and establishment of MVDC bus voltage: (a) DC-side voltage profile of the MMC; (b) inrush current on the grid side during start-up; (c) virtual resistance switching sequence.
Electronics 15 00789 g010
Figure 11. Characteristics of self-excited voltage buildup and speed stabilization control for the wind turbine in islanded mode: (a) Process of establishing the low-voltage DC link on the machine side; (b) Regulation of generator rotational speed during standby mode.
Figure 11. Characteristics of self-excited voltage buildup and speed stabilization control for the wind turbine in islanded mode: (a) Process of establishing the low-voltage DC link on the machine side; (b) Regulation of generator rotational speed during standby mode.
Electronics 15 00789 g011
Figure 12. Transient characteristics of the DC/DC converter during the soft cut-in process: (a) primary side voltage; (b) primary side current; (c) secondary side voltage RMS value; (d) DC/DC converter secondary side current; (e) comparative simulation: voltage transient response; (f) comparative simulation: current transient response.
Figure 12. Transient characteristics of the DC/DC converter during the soft cut-in process: (a) primary side voltage; (b) primary side current; (c) secondary side voltage RMS value; (d) DC/DC converter secondary side current; (e) comparative simulation: voltage transient response; (f) comparative simulation: current transient response.
Electronics 15 00789 g012
Figure 13. Transient response of key electrical parameters in the DC collection system during the sequential grid connection of multiple wind turbine units: (a) voltage response during the interconnection of multiple units; (b) current response during the interconnection of multiple units; (c) active power during multi-machine connection; (d) frequency during multi-machine connection.
Figure 13. Transient response of key electrical parameters in the DC collection system during the sequential grid connection of multiple wind turbine units: (a) voltage response during the interconnection of multiple units; (b) current response during the interconnection of multiple units; (c) active power during multi-machine connection; (d) frequency during multi-machine connection.
Electronics 15 00789 g013
Table 1. Key system simulation parameters.
Table 1. Key system simulation parameters.
Simulation ParameterValue
Wind-farm rated capacity (MVA)15
System frequency (Hz)50
MSC terminal voltage (V)1050
DC/DC converter output voltage (kV)±30
Arm submodule count60
Share of FBSMs (%)50
Grid-side line-to-line RMS voltage (kV)35
Table 2. Comparison of different black-start strategies.
Table 2. Comparison of different black-start strategies.
StrategyRequired Auxiliary ComponentsSystem ComplexityEconomic CostKey Limitation
Storage-AssistedBattery Energy Storage SystemHigh (Requires BESS coordination)High (Battery capacity and maintenance)Dependent on capacity and lifetime
DRU-MMC BasedDiesel Generators or Aux. VSCHigh (Topology reconfiguration needed)Medium (Auxiliary equipment costs)Unidirectional power flow constraints
DFIG BasedExternal Excitation SourceMediumMediumRequires grid voltage for excitation
Proposed MethodNone (Self-Bootstrapping)Low (Control-logic based)Low (No extra hardware)Requires precise grid-source coordination
Disclaimer/Publisher’s Note: The statements, opinions and data contained in all publications are solely those of the individual author(s) and contributor(s) and not of MDPI and/or the editor(s). MDPI and/or the editor(s) disclaim responsibility for any injury to people or property resulting from any ideas, methods, instructions or products referred to in the content.

Share and Cite

MDPI and ACS Style

Hong, K.; Wang, H.; Lu, J.; Wang, H.; Wang, Y. Research on Black-Start Control Methodologies for DC Collection Wind Farms. Electronics 2026, 15, 789. https://doi.org/10.3390/electronics15040789

AMA Style

Hong K, Wang H, Lu J, Wang H, Wang Y. Research on Black-Start Control Methodologies for DC Collection Wind Farms. Electronics. 2026; 15(4):789. https://doi.org/10.3390/electronics15040789

Chicago/Turabian Style

Hong, Kunyu, Haiyun Wang, Junlong Lu, Huan Wang, and Yibo Wang. 2026. "Research on Black-Start Control Methodologies for DC Collection Wind Farms" Electronics 15, no. 4: 789. https://doi.org/10.3390/electronics15040789

APA Style

Hong, K., Wang, H., Lu, J., Wang, H., & Wang, Y. (2026). Research on Black-Start Control Methodologies for DC Collection Wind Farms. Electronics, 15(4), 789. https://doi.org/10.3390/electronics15040789

Note that from the first issue of 2016, this journal uses article numbers instead of page numbers. See further details here.

Article Metrics

Back to TopTop