Zero-Voltage-Switching Buck Converter Using Digital Hybrid Control with Variable Slope Compensation
Abstract
1. Introduction
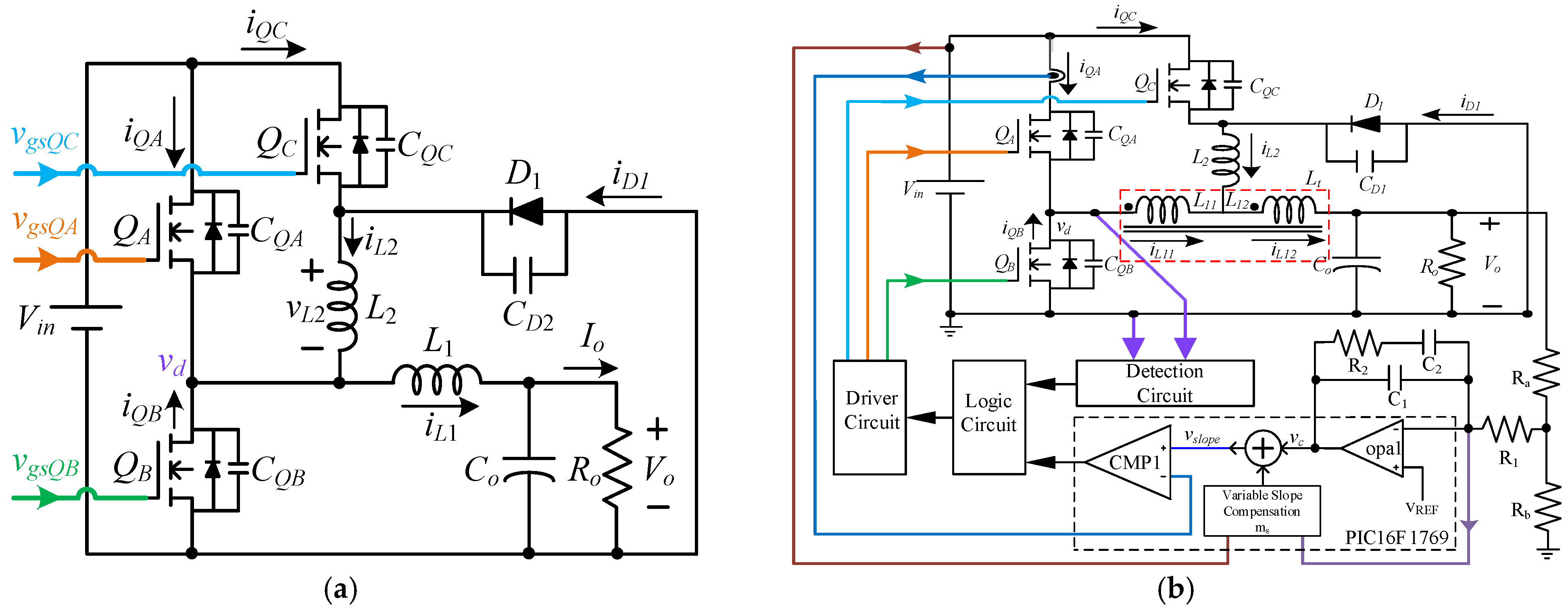
2. Circuit Analysis
Time-Domain Analysis
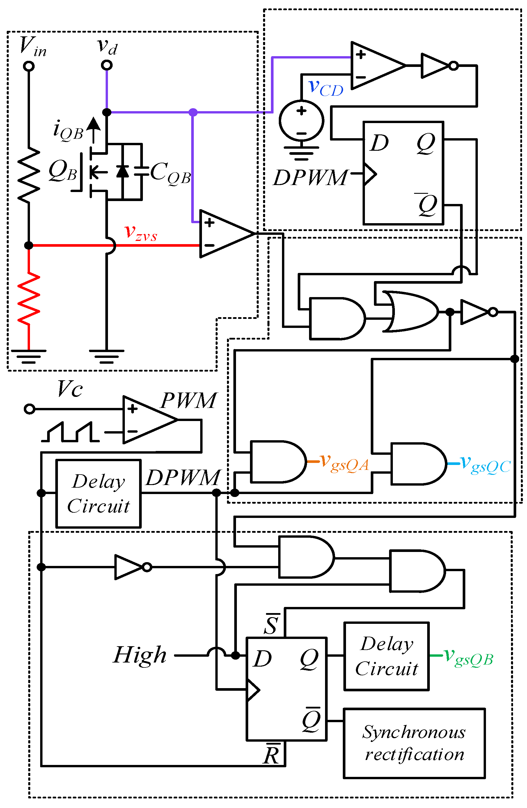
3. Voltage Detection Control Circuit Design
4. Auxiliary Inductor Design
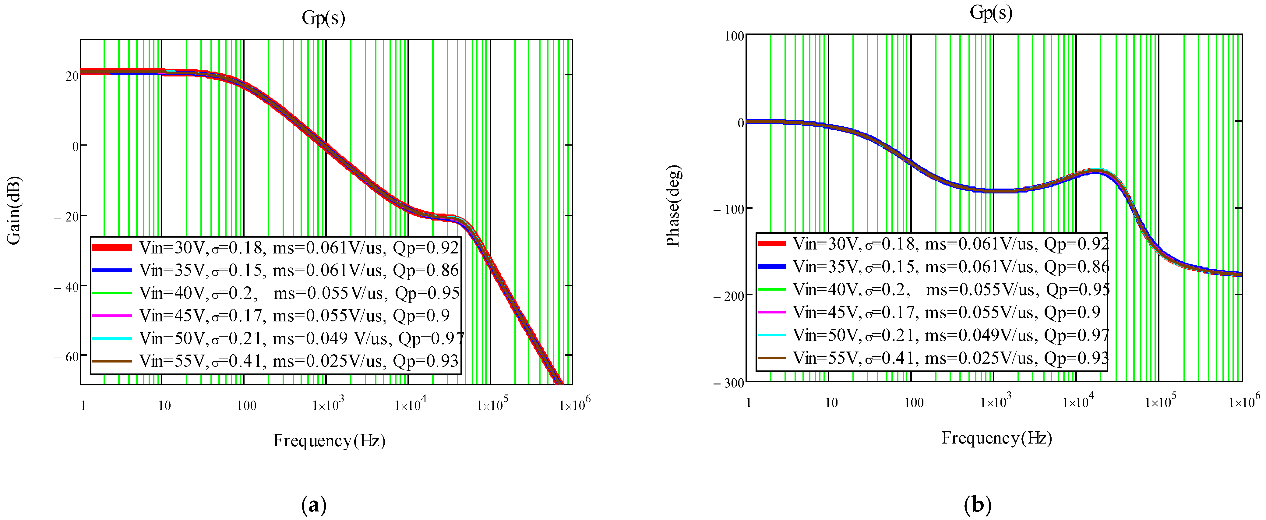
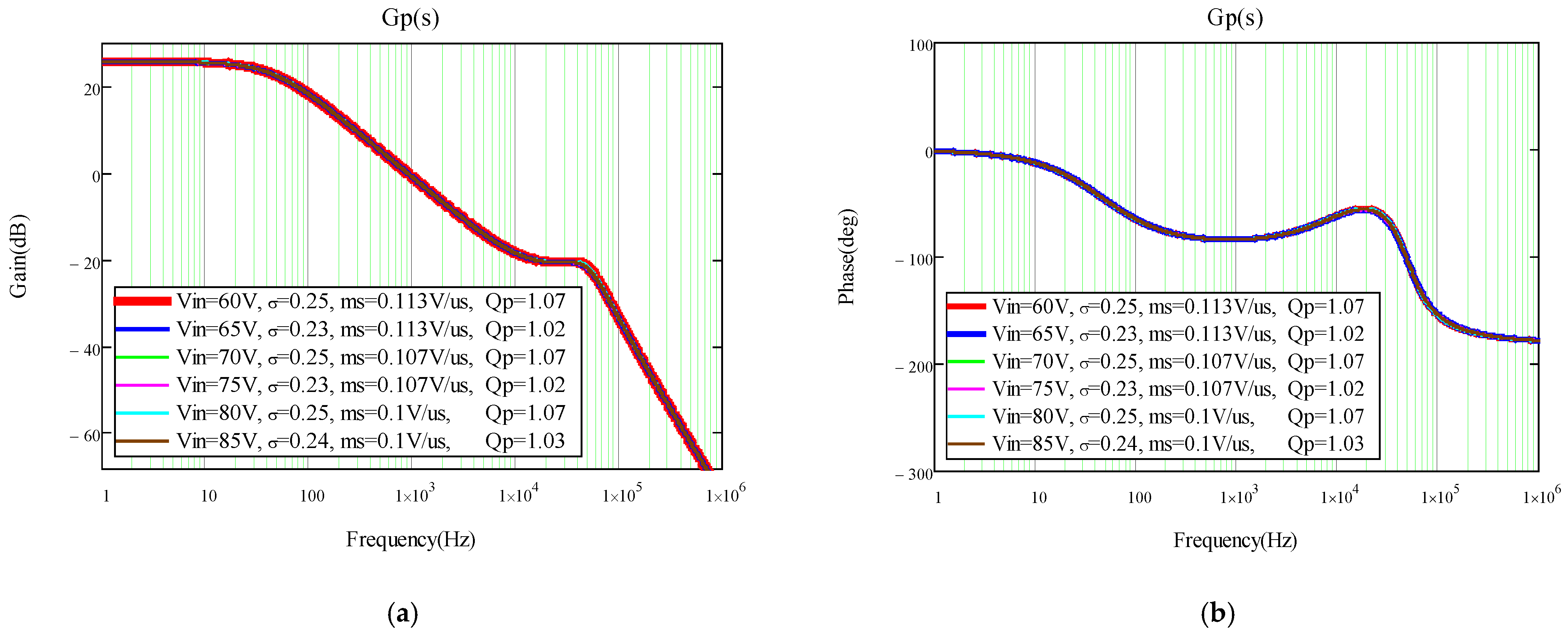
5. Slope Compensation
| Value | Value |
|---|---|
| 30–160 | |
6. Experimental Results
6.1. Steady-State and ZVS Verification Without Coupled Inductor
6.2. Steady-State and ZVS Verification with Coupled Inductor

6.3. Efficiency Performance Under Different Load Conditions
7. Conclusions
Author Contributions
Funding
Data Availability Statement
Acknowledgments
Conflicts of Interest
References
- Kazimierczuk, M.K.; Edstrom, A.J. Open-loop peak voltage feedforward control of PWM buck converter. IEEE Trans. Circuits Syst. I Fundam. Theory Appl. 2000, 47, 740–746. [Google Scholar] [CrossRef]
- Rahimo, M.T.; Shammas, N.Y.A. Freewheeling diode reverse-recovery failure modes in IGBT applications. IEEE Trans. Ind. Appl. 2001, 37, 661–670. [Google Scholar] [CrossRef]
- Kundu, U.; Sensarma, P. Accurate estimation of diode reverse-recovery characteristics from datasheet specifications. IEEE Trans. Power Electron. 2018, 33, 8220–8225. [Google Scholar] [CrossRef]
- Abu-, J.; Batarseh, I. Unified steady-state analysis of soft-switching DC-DC converters. IEEE Trans. Power Electron. 2002, 17, 684–691. [Google Scholar]
- Grote, T.; Schafmeister, F.; Figge, H.; Frohleke, N.; Ide, P.; Bocker, J. Adaptive digital slope compensation for peak current mode control. In Proceedings of the 2009 IEEE Energy Conversion Congress and Exposition, San Jose, CA, USA, 20–24 September 2009. [Google Scholar]
- Liu, K.; Oruganti, R.; Lee, F.C.Y. Quasi-resonant converters-topologies and characteristics. IEEE Trans. Power Electron. 1987, PE-2, 62–71. [Google Scholar] [CrossRef]
- Chuang, Y.; Ke, Y. A novel high-efficiency battery charger with a buck zero-voltage-switching resonant converter. IEEE Trans. Energy Convers. 2007, 22, 848–854. [Google Scholar] [CrossRef]
- Tabisz, W.A.; Gradzki, P.M.; Lee, F.C.Y. Zero-voltage-switched quasi-resonant buck and flyback converters-experimental results at 10 MHz. IEEE Trans. Power Electron. 1989, 4, 194–204. [Google Scholar] [CrossRef]
- Hua, G.; Leu, C.S.; Jiang, Y.; Lee, F.C.Y. Novel zero-voltage-transition PWM converters. IEEE Trans. Power Electron. 1994, 9, 213–219. [Google Scholar]
- Chu, C.L.; Tsai, M.T.; Kang, P.C. A DC/DC Buck Converter with Voltage Detection Control Technique for Reducing Diode Reverse Recovery Current. In Proceedings of the IEEE International Future Energy Electronics Conference (IFEEC) 2021, Taipei, Taiwan, 16–19 November 2021. [Google Scholar]
- Hua, G.; Yang, E.X.; Jiang, Y.; Lee, F.C. Novel zero-current-transition PWM converters. IEEE Trans. Power Electron. 1994, 9, 601–606. [Google Scholar]
- Chen, G.; Deng, Y.; He, X.; Wang, Y.; Zhang, J. Zero-voltage-switching buck converter with low-voltage stress using coupled inductor. IET Power Electron. 2016, 9, 719–727. [Google Scholar] [CrossRef]
- Asghari, A. Ultra-high step-down ZVS synchronous buck converter with low switch voltage stress. IET Power Electron. 2020, 13, 2039–2048. [Google Scholar] [CrossRef]
- Cheng, X.-F.; Liu, C.; Wang, D.; Zhang, Y. A ZVS Three-Level Synchronous Buck Converter With Simple LC Circuit. IEEE Trans. Circuits Syst. II Express Briefs 2023, 70, 2959–2963. [Google Scholar] [CrossRef]
- Li, L.; Zhang, B. Design of buck topology PID compensation network based on matlab. In Proceedings of the 2022 4th International Conference on Intelligent Control, Measurement and Signal Processing (ICMSP), Hangzhou, China, 8–10 July 2022; pp. 944–947. [Google Scholar]
- Ridley, R.B. A New Small-Signal Model for Current-Mode Control. Ph.D. Dissertation, Virginia Polytechnic Institute and State University, Blacksburg, VA, USA, November 1990. [Google Scholar]
- Liu, P.-H.; Yan, Y.; Lee, F.C.; Mattavelli, P. Universal compensation ramp auto-tuning technique for current mode controls of switching converters. IEEE Trans. Power Electron. 2018, 33, 970–974. [Google Scholar] [CrossRef]
- Chen, W.-W.; Chen, J.-F.; Liang, T.-J.; Wei, L.-C.; Ting, W.-Y. Designing a dynamic ramp with an invariant inductor in current-mode control for an on-chip buck converter. IEEE Trans. Power Electron. 2014, 29, 750–758. [Google Scholar] [CrossRef]
- Yang, Y.; Sun, L.; Wu, X. A single-inductor dual-output buck converter with self-adapted PCCM method. In Proceedings of the 2009 IEEE International Conference of Electron Devices and Solid-State Circuits (EDSSC), Xi’an, China, 25–27 November 2009; pp. 87–90. [Google Scholar]
- Ridley, R.B. A new continuous-time model for current-mode control with constant frequency, constant on-time, and constant off-time, in CCM and DCM. In Proceedings of the 21st Annual IEEE Conference on Power Electronics Specialists, San Antonio, TX, USA, 11–14 June 1990; pp. 382–389. [Google Scholar]
- Sable, D.M.; Ridley, R.B. Comparison of performance of single-loop and current-injection control for PWM converters that operate in both continuous and discontinuous modes of operation. IEEE Trans. Power Electron. 1992, 7, 136–142. [Google Scholar] [CrossRef]
- Alavi, P.; Babaei, E.; Mohseni, P.; Marzang, V. Study and analysis of a DC–DC soft-switched buck converter. IET Power Electron. 2020, 13, 1456–1465. [Google Scholar] [CrossRef]
- Xiao, Z.; Ren, J.; Xu, Y.; Wang, Y.; Zhao, G.; Lu, C.; Hu, W. An automatic slope compensation adjustment technique for peak-current mode DC-DC converters. AEU—Int. J. Electron. Commun. 2019, 110, 152860. [Google Scholar] [CrossRef]
- Fang, C.-C.; Redl, R. Subharmonic Instability Limits for the Peak-Current-Controlled Buck Converter with Closed Voltage Feedback Loop. IEEE Trans. Power Electron. 2015, 30, 1085–1092. [Google Scholar] [CrossRef]

























| Parameters | Value |
|---|---|
| (V) | 30–160 |
| 24, 48, 96 | |
| (A) | 5 |
| 100 | |
| 127.6 | |
| 5.26, 85.3, 18.5 | |
| 3 | |
| 440 |
| Parameters | Value |
|---|---|
| STW65N65DM2AG | |
| IDW50E60 | |
| F) | 210 |
| F) | 3 |
| Ref | Control Strategy | ZVS/Soft- Switching Method | Reverse- Recovery Suppression | Slope Compensation | Digital Adaptivity | Auxiliary Circuit | Efficiency (Reported) | Remarks |
|---|---|---|---|---|---|---|---|---|
| [9] | Analog PWM + ZVT | Fixed auxiliary resonant branch | Partial | Fixed (Analog) | No | Yes | ~90–92% | Fixed timing, limited adaptability |
| [10] | Analog ZVS buck with voltage detection | Auxiliary switch- assisted ZVS | Good | Fixed | No | Yes | ~91% | Increased circuit complexity |
| [11] | Analog PWM + ZCT | Zero- current transition | Moderate | Not required | No | Yes | ~93–95% | ZVS sensitive to operating conditions |
| [17] | Analog PCMC | Hard switching | Poor | Fixed slope | No | No | ~90–92% | Simple structure, reverse recovery remains |
| [18] | Digital PCMC | Hard switching | Poor | Fixed digital slope | Limited | No | ~91–93% | No ZVS, subharmonic oscillation risk |
| This work | Digital hybrid PCMC | Coupled inductor- assisted ZVS | Excellent | Adaptive (variable) | Yes | Yes | Up to 97.6% | Wide-range stability, low-cost MCU |
| Loss Component | Conventional Synchronous Buck | Proposed Converter |
|---|---|---|
| Main-switch turn-on loss | High (hard switching,) | Significantly reduced (ZVS turn-on enabled by auxiliary branch) |
| Synchronous rectifier reverse-recovery loss | Significant under CCM operation | Suppressed by auxiliary-assisted current shaping |
| Output-capacitance discharge loss | Present | Reduced due to ZVS operation |
| Conduction loss (main and SR switches) | Comparable | Comparable |
| Auxiliary branch conduction and switching loss | Not applicable | Present but limited to short transition interval |
| Total switching- related loss | Dominant at medium– heavy load | Reduced compared with conventional buck |
Disclaimer/Publisher’s Note: The statements, opinions and data contained in all publications are solely those of the individual author(s) and contributor(s) and not of MDPI and/or the editor(s). MDPI and/or the editor(s) disclaim responsibility for any injury to people or property resulting from any ideas, methods, instructions or products referred to in the content. |
© 2026 by the authors. Licensee MDPI, Basel, Switzerland. This article is an open access article distributed under the terms and conditions of the Creative Commons Attribution (CC BY) license.
Share and Cite
Chu, C.-L.; Tsai, M.-T.; Fang, W.-C.; Chen, Y.-J. Zero-Voltage-Switching Buck Converter Using Digital Hybrid Control with Variable Slope Compensation. Electronics 2026, 15, 654. https://doi.org/10.3390/electronics15030654
Chu C-L, Tsai M-T, Fang W-C, Chen Y-J. Zero-Voltage-Switching Buck Converter Using Digital Hybrid Control with Variable Slope Compensation. Electronics. 2026; 15(3):654. https://doi.org/10.3390/electronics15030654
Chicago/Turabian StyleChu, Ching-Lung, Ming-Tsung Tsai, Wen-Chuan Fang, and Yu-Jui Chen. 2026. "Zero-Voltage-Switching Buck Converter Using Digital Hybrid Control with Variable Slope Compensation" Electronics 15, no. 3: 654. https://doi.org/10.3390/electronics15030654
APA StyleChu, C.-L., Tsai, M.-T., Fang, W.-C., & Chen, Y.-J. (2026). Zero-Voltage-Switching Buck Converter Using Digital Hybrid Control with Variable Slope Compensation. Electronics, 15(3), 654. https://doi.org/10.3390/electronics15030654

