Adaptive Double-Diode Modeling for Comparative Analysis of Healthy and Microcracked PV Modules
Abstract
1. Introduction
- The development of an iterative algorithm to extract DDM parameters for PV modules;
- Comparing optimal parameter values for healthy and faulty PV modules;
- An analysis of how microcracks affect the dependence of model parameters on temperature and irradiance.
Literature Review
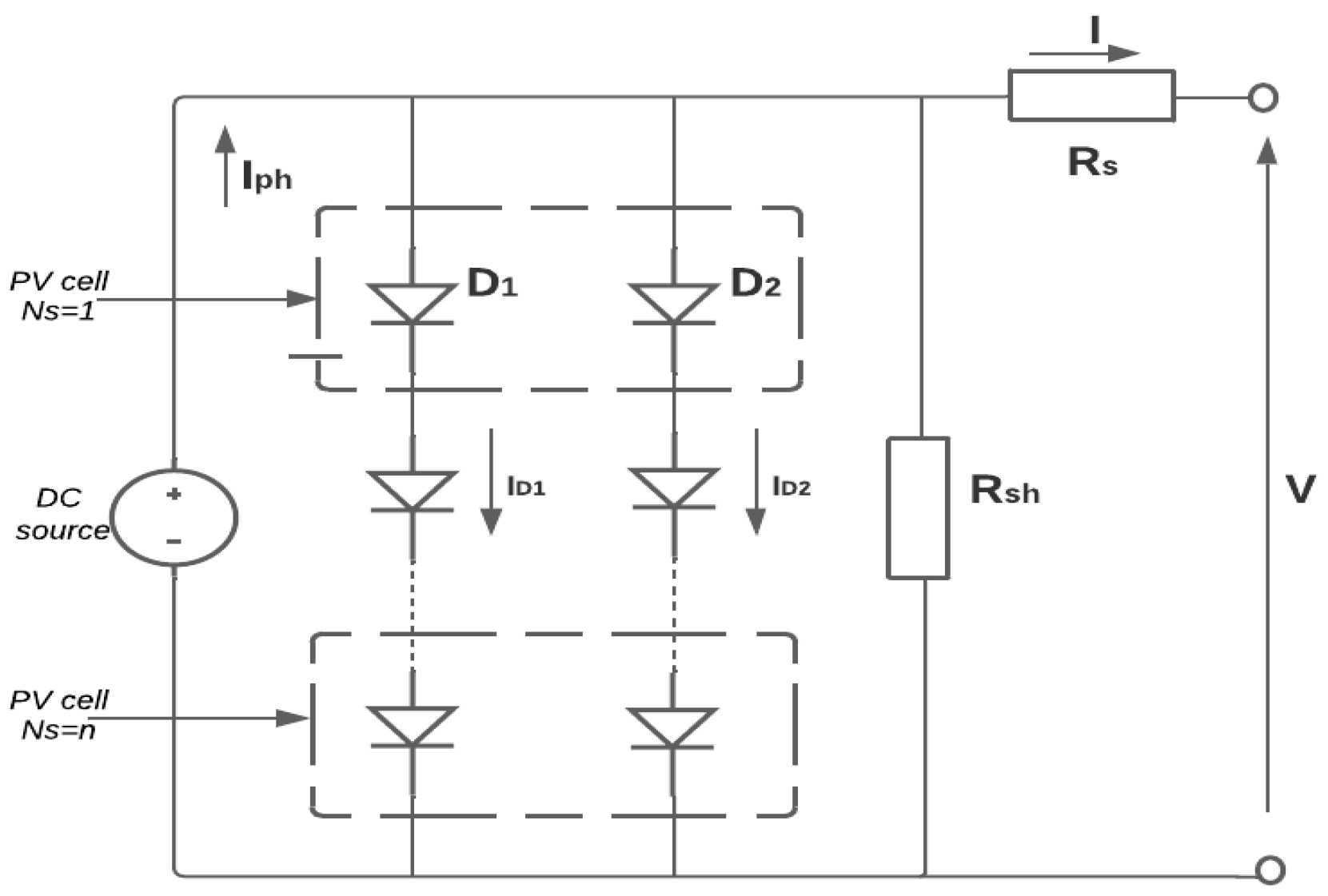
2. Materials and Methods
3. Simplifications of Double-Diode Model
- Short circuit point ()
- Maximum power point ()
- Open circuit voltage ()
4. Iterative Algorithm for the Extraction of DDM Parameters
| Algorithm 1. Extraction of DDM Parameters from I-V Curve Data |
| 1: Start |
| 2: Import I-V curve measurement data |
| 3: Initialize irradiance and temperature |
| 4: Extract Isc, Imp, Vmp, and Voc from measurement data |
| 5: Create matrix A[m][2] with possible values of A1, A2 within predefined limits |
| 6: Rs ← 0.1 |
| 7: while True do |
| 8: Compute Irs1,Rsh,Iph,Rs,nom |
| 9: if |Rs − Rs,nom| < 10−4 then |
| 10: Break |
| 11: else |
| 12: Rs ← Rs + 0.01 |
| 13: end if 14: end while |
| 15: Create output matrix m × 7 for parameter combinations |
| 16: for each combination in output matrix do |
| 17: Compute Mean Squared Error (MSE) |
| 18: end for |
| 19: Select combination with lowest MSE as the best solution |
| 20: Output final values of Irs1, Irs2, Rsh, Rs, Iph, A1, A2 |
| 21: End |
5. Experimental Setup and Simulation Results
Validation of the Proposed Extraction Procedure
6. Conclusions
Author Contributions
Funding
Data Availability Statement
Conflicts of Interest
References
- Hejri, M.; Mokhtari, H.; Azizian, M.R.; Ghandhari, M.; Söder, L. On the Parameter Extraction of a Five-Parameter Double-Diode Model of Photovoltaic Cells and Modules. IEEE J. Photovolt. 2014, 4, 915–923. [Google Scholar] [CrossRef]
- Masmoudi, F.; Ben Salem, F.; Derbel, N. Single and double diode models for conventional mono-crystalline solar cell with extraction of internal parameters. In Proceedings of the 13th International Multi-Conference on Systems, Signals & Devices (SSD), Leipzig, Germany, 21–24 March 2016; pp. 720–728. [Google Scholar]
- Sallem, S.; Marrekchi, A.; Kammoun, S. Multi-PV technologies method for parameters estimation of two-diode model. Eur. Phys. J. Plus 2016, 131, 418. [Google Scholar] [CrossRef]
- Yaqoob, S.J.; Saleh, A.L.; Motahhir, S. Comparative study with practical validation of photovoltaic monocrystalline module for single and double diode models. Sci. Rep. 2021, 11, 19153. [Google Scholar]
- Prakash, S.B.; Singh, G.; Singh, S. Modelling and Performance Analysis of Simplified Two-Diode Model of Photovoltaic Cells. Front. Phys. 2021, 9, 236. [Google Scholar] [CrossRef]
- Ishaque, K.; Salam, Z.; Taheri, H. Simple, fast and accurate two-diode model for photovoltaic modules. Sol. Energy Mater. Sol. Cells 2011, 95, 586–594. [Google Scholar] [CrossRef]
- Mahmoud, M.E.E.; Diab, A.A.Z.; Kotin, D.A. Simulation and Experimental Validation of Two-Diode Model of Photovoltaic (PV) Modules. In Proceedings of the XIV International Scientific-Technical Conference on Actual Problems of Electronics Instrument Engineering (APEIE), Novosibirsk, Russia, 2–6 October 2018; pp. 244–251. [Google Scholar]
- Chin, V.J.; Salam, Z.; Ishaque, K. An accurate two diode model computation for CIS thin film PV module using the hybrid approach. In Proceedings of the 4th International Conference on Electric Power and Energy Conversion Systems (EPECS), Sharjah, United Arab Emirates, 24–26 November 2015; pp. 1–6. [Google Scholar]
- Chin, V.J.; Salam, Z.; Ishaque, K. An accurate modelling of the two-diode model of PV module using a hybrid solution based on differential evolution. Energy Convers. Manag. 2016, 124, 42–50. [Google Scholar] [CrossRef]
- Yuan, S.; Ji, Y.; Chen, Y.; Liu, X.; Zhang, W. An Improved Differential Evolution for Parameter Identification of Photovoltaic Models. Sustainability 2023, 15, 13916. [Google Scholar] [CrossRef]
- Babu, B.C.; Gurjar, S. A Novel Simplified Two-Diode Model of Photovoltaic (PV) Module. IEEE J. Photovolt. 2014, 4, 1156–1161. [Google Scholar] [CrossRef]
- Yahya-Khotbehsara, A.; Shahhoseini, A. A fast modeling of the double-diode model for PV modules using combined analytical and numerical approach. Sol. Energy 2018, 162, 403–409. [Google Scholar] [CrossRef]
- Zhang, G.; Wang, H.; Lu, T.; Wang, C.; Huang, Y. Hybrid approach for parameter identification of the two-diode model of photovoltaic modules. COMPEL-Int. J. Comput. Math. Electr. Electron. Eng. 2023, 42, 1531–1553. [Google Scholar] [CrossRef]
- Prabu, R.T.; Parasuraman, S.; Sahoo, S.; Amirthalakshmi, T.M.; Ramesh, S.; Shifani, S.A.; Jayadhas, S.A.; Reddy, M.I.; Al Obaid, S.; Alfarraj, S.; et al. The Numerical Algorithms and Optimization Approach Used in Extracting the Parameters of the Single-Diode and Double-Diode Photovoltaic (PV) Models. Int. J. Photoenergy 2022, 2022, 5473266. [Google Scholar] [CrossRef]
- Saadaoui, D.; Elyaqouti, M.; Assalaou, K.; Hmamou, D.B.; Lidaighbi, S.; Arjdal, E.H.; Choulli, I.; Elhammoudy, A. Parameters Extraction of Single Diode and Double Diode Models Using Analytical and Numerical Approach: A Comparative Study. Int. J. Model. Simul. 2023, 45, 569–598. [Google Scholar] [CrossRef]
- Parida, S.M.; Pattanaik, V.; Panda, S.; Rout, P.K.; Sahu, B.K.; Bajaj, M.; Blazek, V.; Prokop, L. Optimal parameter identification of photovoltaic systems based on enhanced differential evolution optimization technique. Sci. Rep. 2025, 15, 2124. [Google Scholar] [CrossRef] [PubMed]
- Crozier, J.L.; Dyk, E.V.; Vorster, F. Identification and Characterization of Performance Limiting Defects and Cell Mismatch in Photovoltaic Modules. J. Energy South. Afr. 2015, 26, 19–26. [Google Scholar] [CrossRef]
- Niyaz, H.M.; Meena, R.; Gupta, R. Impact of Cracks on Crystalline Silicon Photovolatic Modules Temperature Distribution. Sol. Energy 2021, 225, 148–161. [Google Scholar] [CrossRef]
- van Mölken, J.I.; Yusufoğlu, U.A.; Safiei, A.; Windgassen, H.; Khandelwal, R.; Pletzer, T.M.; Kurz, H. Impact of Micro-Cracks on Degradation of Solar Cell Performance Based on Two-Diode Model Parameters. Energy Procedia 2012, 27, 167–172. [Google Scholar] [CrossRef]
- Marić, P.; Marasović, I.; Bevanda, I.; Betti, T. Extraction of PV module electrical parameters based on the single diode and double diode model of a PV cell. In Proceedings of the 7th International Conference on Smart and Sustainable Technologies (SpliTech), Split/Bol, Croatia, 5–8 July 2022; pp. 1–5. [Google Scholar] [CrossRef]
- Chan, D.S.H.; Phang, J.C.H. Analytical methods for the extraction of solar-cell single- and double-diode model parameters from I-V characteristics. IEEE Trans. Electron. Devices 1987, 34, 286–293. [Google Scholar] [CrossRef]
- Chan, D.S.H.; Phang, J.C.H.; Phillips, J.R. Accurate Analytical Method for the Extraction of Solar Cell Model Parameters. Electron. Lett. 1984, 20, 406–408. [Google Scholar]
- Gupta, S.; Tiwari, H.; Fozdar, M.; Chandna, V. Development of a Two Diode Model for Photovoltaic Modules Suitable for Use in Simulation Studies. In Proceedings of the 2012 Asia-Pacific Power and Energy Engineering Conference, Shanghai, China, 27–29 March 2012; pp. 1–4. [Google Scholar]
- Solvis, d.o.o. SV120 E HC9B Monocrystalline Module Datasheet. Available online: https://solvis.hr/proizvodi/monokristalni-moduli/sv120-e-hc9b/ (accessed on 25 February 2025).
- Green, M.A. Accuracy of analytical expressions for solar cell fill factors. Sol. Cells 1982, 7, 337–340. [Google Scholar] [CrossRef]








| Model Name | SV 120 E HC9B |
|---|---|
| Peak power | 360 W |
| 11.22 A | |
| 40.50 V | |
| 10.52 A | |
| 34.23 V | |
| Number of PV cells | 120 (60 in series) |
| Parameter | Healthy PV Module Range | Faulty PV Module Range |
|---|---|---|
| 0.1–3.5 | 0.5–7 | |
| 0.1–9 | 0.02–0.19 | |
| 0.1–0.21 | 0.25–0.37 | |
| 100–425 | 50–160 | |
| 0.0032–0.0634 | 0.0206–0.094 |
Disclaimer/Publisher’s Note: The statements, opinions and data contained in all publications are solely those of the individual author(s) and contributor(s) and not of MDPI and/or the editor(s). MDPI and/or the editor(s) disclaim responsibility for any injury to people or property resulting from any ideas, methods, instructions or products referred to in the content. |
© 2025 by the authors. Licensee MDPI, Basel, Switzerland. This article is an open access article distributed under the terms and conditions of the Creative Commons Attribution (CC BY) license (https://creativecommons.org/licenses/by/4.0/).
Share and Cite
Marić, P.; Marasović, I.; Kuzmanić Skelin, A.; Bevanda, I. Adaptive Double-Diode Modeling for Comparative Analysis of Healthy and Microcracked PV Modules. Electronics 2025, 14, 1559. https://doi.org/10.3390/electronics14081559
Marić P, Marasović I, Kuzmanić Skelin A, Bevanda I. Adaptive Double-Diode Modeling for Comparative Analysis of Healthy and Microcracked PV Modules. Electronics. 2025; 14(8):1559. https://doi.org/10.3390/electronics14081559
Chicago/Turabian StyleMarić, Petar, Ivan Marasović, Ana Kuzmanić Skelin, and Ivan Bevanda. 2025. "Adaptive Double-Diode Modeling for Comparative Analysis of Healthy and Microcracked PV Modules" Electronics 14, no. 8: 1559. https://doi.org/10.3390/electronics14081559
APA StyleMarić, P., Marasović, I., Kuzmanić Skelin, A., & Bevanda, I. (2025). Adaptive Double-Diode Modeling for Comparative Analysis of Healthy and Microcracked PV Modules. Electronics, 14(8), 1559. https://doi.org/10.3390/electronics14081559

