Next Article in Journal
Multi-Environment Vehicle Trajectory Automatic Driving Scene Generation Method Based on Simulation and Real Vehicle Testing
Previous Article in Journal
Enhancing Personalized Explainable Recommendations with Transformer Architecture and Feature Handling
 
 
Font Type:
Arial Georgia Verdana
Font Size:
Aa Aa Aa
Line Spacing:
Column Width:
Background:
Article

Insulated Gate Bipolar Transistor Junction Temperature Estimation Technology for Traction Inverters Using a Thermal Model

1
Department of Electronic Engineering, Myongji University, Yongin 17058, Republic of Korea
2
School of Electrical Engineering, Kookmin University, Seoul 02707, Republic of Korea
*
Author to whom correspondence should be addressed.
Electronics 2025, 14(5), 999; https://doi.org/10.3390/electronics14050999
Submission received: 10 December 2024 / Revised: 31 January 2025 / Accepted: 2 February 2025 / Published: 1 March 2025

Abstract

This study proposes a method for estimating the junction temperature of power semiconductors, particularly IGBTs (Insulated Gate Bipolar Transistors) and diodes. Traditional temperature measurement methods using NTC (Negative Temperature Coefficient) sensors have limitations in reflecting dynamic conditions in real time, as temperature changes take time to reach the sensors. To address this, this study proposes a junction temperature estimation method using RC curve fitting and a thermal impedance model. This model represents the thermal behavior of IGBTs and diodes using a Foster thermal network that considers the resistance and capacitance of the heat transfer path. In particular, transient temperature estimation considering thermal coupling enables the prediction of temperature changes in IGBTs and diodes. To verify the proposed temperature estimation method, experiments were conducted to build the model based on data measured with an infrared thermal camera and NTC sensors. The model’s estimated results were compared with actual values across 25 operating regions, achieving a maximum MAE (Mean Absolute Error) of 2.26 °C. A comparative analysis of first-, second-, third-, and fourth-order Foster networks revealed that, while higher orders improve accuracy, gains beyond the second order are minimal relative to computational demands. This study contributes to enhancing not only the reliability of power semiconductor modules but also minimizing the temperature margin for inverters by estimating the junction temperature with better dynamic performance than that achieved by NTC sensors.

1. Introduction

Power semiconductors are essential for power conversion devices that require high-speed switching and high-power density. Specifically, in the e-mobility system, three-phase inverters with power semiconductor modules are indispensable. As higher power density is required in the inverters for smaller and lighter systems, offering significant advantages such as reduced vehicle weight, improved efficiency, and enhanced performance, the thermal management in power semiconductors becomes a critical challenge. Therefore, it is essential to monitor the thermal states of power semiconductors in real time and accurately track their junction temperatures.
The conventional method for estimating power semiconductor junction temperatures is to primarily use NTC (Negative Temperature Coefficient) sensors [1,2,3,4,5]. NTC sensors measure temperature based on the principle that their resistance changes in response to temperature variations. This approach is relatively simple and cost-effective in terms of installation and maintenance, and it is widely employed across various industries. While this characteristic enables precise temperature measurements, it requires a signal processing circuit to detect the variation in the resistance due to the temperature changes. The accuracy of temperature measurements using NTC sensors is highly dependent on the installation location and physical environmental conditions. For instance, the physical distance between the NTC sensor and the target object leads to differences and time delays between the actual temperature and the measured value. Typically, if a power module is adopted for the inverter system instead of a discrete-type power semiconductor, NTC sensors are attached to the base plate inside the power module, which results in long time delays during heat transfer. This time delay is critical if the electric vehicle is stalled and the motor current is concentrated on one phase leg which is farthest from the NTC sensor. Additionally, environmental conditions, such as the state of the cooling system or airflow, significantly impact the reliability and real-time response of temperature data. Consequently, NTC sensors alone have limitations in accurately reflecting junction temperatures under rapidly changing dynamic conditions or sudden variations in surrounding cooling conditions.
To overcome these limitations of NTC sensors, thermal modeling methods include numerical approaches, analytical approaches, and thermal resistance-capacitance (RC) networks. The numerical approach calculates thermal distribution by solving the thermal transfer equations or employing finite element analysis (FEA) [6,7]. While this method provides high accuracy and precise thermal analysis, it is time-intensive, making it unsuitable for implementation in a real-time microcontroller unit. The analytical approach computes thermal responses by solving thermal transfer equations analytically, often using one-dimensional Fourier heat transfer equations. This method is fast and simple, as it derives results based on equations. However, it is applicable only to simplified power module structures and excessive approximations reduce accuracy.
The thermal RC network model uses the electrical impedance of resistance (R) and capacitance (C) to model heat transfer [5,8,9,10,11,12,13,14]. This approach is relatively simple to implement in real-time applications. It is particularly suited for simulating the dynamic response of a system. Additionally, it offers the advantage of predicting temperatures ahead of real-time measurements by conventional NTC sensors. This method accommodates various external conditions and the thermal coupling between target objects generating heat. However, the limitations of thermal modeling that considers only self-heating have been studied, emphasizing the necessity of incorporating thermal coupling; it has been demonstrated experimentally that models including thermal coupling significantly improve temperature prediction accuracy, which enables more effective evaluation of the maximum allowable power for power semiconductor devices [5,15,16,17,18,19].
This study proposes an IGBT (Insulated Gate Bipolar Transistor) junction temperature estimation technique utilizing a thermal impedance model while considering thermal coupling. The results of this study are expected to not only enhance the reliability of power semiconductor modules, but also to improve the power density with low temperature margins by minimizing the delay and errors of temperature estimation. To verify the feasibility and the estimation performance of the proposed method, experiments on a 1200 V–50 A Infineon IGBT three-phase module were conducted.
While Stippich et al. (2016) focused primarily on experimentally measuring the impact of cross-coupling effects under static conditions using various test scenarios (e.g., single-device, half-bridge, and full-bridge tests), our study emphasizes a dynamic modeling approach that estimates junction temperature across varying current and duty cycle conditions. By utilizing a Foster thermal network, our method provides continuous temperature estimation, making it particularly suitable for real-time system monitoring and thermal control [20].

2. Inverter Loss Model

The inverter loss model proposed in this study calculates the conduction losses and switching losses of IGBTs and diodes separately and then sums them to determine the total loss. This model computes losses for each switching cycle, allowing precise estimation of the losses generated in each junction. Conduction losses are calculated for HT (High-Side IGBT), LT (Low-Side IGBT), HD (High-Side Diode), and LD (Low-Side Diode). The conduction losses differ depending on the current direction, with HT and LD experiencing conduction losses when the current is positive, and LT and HD when the current is negative. When the current is positive, the conduction loss of HT is calculated by multiplying the current i , the voltage drop across the IGBT ( v T ), and the duty cycle ( d ). This is expressed using the following equation:
P HT = i · v T · d
The conduction loss of LD is calculated by multiplying the current i , the voltage drop across the diode ( v D ), and 1 d . This is expressed using the following equation:
P LD = i · v D · 1 d
When the current is negative, the conduction loss of LT is calculated by multiplying the current i , the voltage drop across the IGBT ( v T ), and 1 d . This is expressed using the following equation:
P LT = i · v T · 1 d
The conduction loss of HD is calculated by multiplying the current i , the voltage drop across the diode ( v D ), and the duty cycle ( d ). This is expressed using the following equation:
P HD = i · v D · d
The switching loss of HT or LT is calculated by multiplying the sum of the switching energies E on and E off during the turn-on and turn-off states by the switching frequency f sw . This is expressed using the following equation:
P sw , T = E on + E off · f sw
The switching loss of HD or LD is calculated by multiplying the reverse recovery switching energy E rec by the switching frequency f sw . This is be expressed using the following equation:
P sw , D = E rec · f sw
It is assumed that the current direction does not change during one switching period, and the activated components vary depending on the direction of the current. When the current is positive, the losses of HT and LD are activated, whereas when the current is negative, the losses of LT and HD are activated. When the current is positive, the conduction loss of HT P HT , the conduction loss of LD P LD , the switching loss of HT P sw , T , and the switching loss of HD P sw , D are activated. When the current is negative, the conduction loss of LT P LT , the conduction loss of HD P HD , the switching loss of LT P sw , T , and the switching loss of HD P sw , D are activated. This approach allows for loss calculation during each switching cycle, making it suitable for real-time loss estimation. The values required for calculating each loss component are obtained from lookup tables (LUT) derived from datasheets given by the manufacturer or the thermal library of the simulation tool (PLECS). The specific values of Eon, Eoff, Erec, vT, and vD are obtained by applying a linear interpolation to the LUT with respect to the magnitude of the phase current.

3. Thermal Impedance Model for Proposed Junction Temperature Estimation

3.1. Thermal Transfer and Coupling Analysis in an Inverter Module

Figure 1 illustrates the structure of a power semiconductor module where heat is generated at the junction and transferred downward through copper, ceramic, the baseplate, thermal grease, and finally to the heatsink. Figure 2 shows the heat transfer path from each component of the inverter to the NTC sensors and the NTC sensors positioned on the heatsink. The heatsink is attached to the baseplate, and the NTC sensors are located at positions corresponding to the top-left (NTC 1), bottom-left (NTC 2), top-right (NTC 3), and bottom-right (NTC 4) of the IGBT module. The temperatures measured by the NTC sensors are utilized as the reference temperature by averaging them as follows:
T avg = 1 4 T NTC 1 + T NTC 2 + T NTC 3 + T NTC 4
T avg is adopted as the reference temperature, and it is used to calculate the temperature increment Δ t with respect to the reference temperature ( T a v g ). In other words, the temperature increment Δ t of each junction is defined as follows:
Δ t HT = T HT T avg ,       Δ t LT = T LT T avg Δ t HD = T HD T avg ,       Δ t LD = T LD T avg
Figure 3 visually illustrates the thermal coupling between the IGBTs and diodes in one leg of the inverter, describing the process of heat transfer caused by self-heating and cross-heating. The left side depicts the physical layout of the components, while the right side simplifies it into a schematic representation. This structure, consisting of HT, LT, HD, and LD, involves each component in heat generation and transfer. Self-heating refers to the phenomenon where heat generated within a component affects the component itself. For example, heat generated in HT remains within HT, raising its junction temperature. In contrast, cross-heating describes the transfer of heat generated in adjacent components, such as heat generated in LT, HD, or LD, being transferred to HT, resulting in thermal coupling. This heat transfer process is mathematically modeled and expressed as the following thermal impedance matrix:
Δ t 1 Δ t 2 Δ t 3 Δ t 4 = z 11 z 12 z 13 z 14 z 21 z 22 z 23 z 24 z 31 z 32 z 33 z 34 z 41 z 42 z 43 z 44 · p 1 p 2 p 3 p 4
Here, Δ t i represents the temperature increment of component i , and p i denotes the power loss generated in component i . The indices 1 to 4 correspond to HT, LT, HD, and LD, respectively. z i j represents the thermal impedance through which heat generated in component j is transferred to component i . This matrix model allows for the quantitative analysis of self-heating z i i and cross-heating z i j ,   i j .

3.2. Thermal Modeling Methodology Using the Foster Thermal Network

Foster networks were chosen in this study because they simplify the modeling process by representing overall thermal behavior using a small number of coefficients, without explicitly separating individual thermal paths. In contrast, Cauer networks require precise thermal resistance and capacitance parameters for each layer (e.g., baseplate, junction and substrate, as shown in Figure 1), which necessitates specialized measurement equipment and detailed calibration for each component. Such detailed parameter acquisition is often impractical or infeasible in experimental environments. Therefore, Foster networks were determined to be more practical for real-world applications, as they enable effective estimation of model coefficients using only basic experimental data. This practical advantage led us to use Foster networks instead of Cauer networks in our work [21,22].
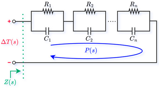
Figure 4 illustrates the structure of the Foster thermal network. This network is composed of a series connection of resistances ( R k ) and capacitances ( C k ) arranged in parallel. The resistance represents the thermal resistance, which impedes heat flow along the heat transfer path. The capacitance represents the ability to store or release heat, indicating thermal storage capacity.
The Foster thermal network explains the relationship between power loss P(s) and temperature increment ΔT(s). The thermal impedance transfer function of this network is defined as follows [21,22]:
Z s = Δ T s P s = k = 1 n R k τ k 1 s + 1 τ k ,   where   τ k = R k C k
Here, τ k represents the thermal time constant of each RC component, defined as the product of R k and C k . To convert the transfer function of the Foster thermal network into the z-domain, the Euler Backward Method is applied. The transfer function in the z-domain is expressed as follows:
Z z = Δ T z P z = k = 1 n R k τ k 1 1 z 1 T s + 1 τ k
Here, T s represents the sampling period. Equation (11) is rewritten by applying the sampling instance [n] about ΔT[n] as follows:
Δ T n = 1 1 + T s τ Δ T n 1 + R T s τ 1 1 + T s τ P n
This equation calculates the current temperature increment ( Δ T n ) based on the previous temperature increment ( Δ T n 1 ) and the current power loss ( p n ). Figure 5 illustrates that the temperature increment Δ T k of each structure, consisting of a series connection of resistance ( R k ) and capacitance ( C k ) in parallel, constitutes the total Δ T . The n-th order z-domain transfer function is expressed as a difference equation as follows:
Δ T 1 n = 1 1 + T s τ 1 Δ T n 1 + R 1 T s τ 1 1 1 + T s τ 1 P n Δ T 2 n = 1 1 + T s τ 2 Δ T n 1 + R 2 T s τ 2 1 1 + T s τ 2 P n Δ T n n = 1 1 + T s τ n Δ T n 1 + R n T s τ n 1 1 + T s τ n P n Δ T n = T 1 n + T 2 n + + T n n
As the number of Δ T k increases, the order of the Foster model increases, allowing for a more precise estimation of the system’s detailed thermal response. However, the high-order model also increases the calculation burden, so it is required to select the optimal order, balancing estimation accuracy and complexity.

3.3. Foster Thermal Network Considering Thermal Coupling

When considering thermal coupling in the Foster thermal network, it is possible to construct a more accurate thermal model by reflecting the interactions between adjacent junctions. As shown in Equation (9), the thermal impedance matrix equation is developed as follows:
Δ T 1 Δ T 2 Δ T 3 Δ T 4 = z 11 · p 1 + z 12 · p 2 + z 13 · p 3 + z 14 · p 4 z 21 · p 1 + z 22 · p 2 + z 23 · p 3 + z 24 · p 4 z 31 · p 1 + z 32 · p 2 + z 33 · p 3 + z 34 · p 4 z 41 · p 1 + z 42 · p 2 + z 43 · p 3 + z 44 · p 4 = Δ t 11 + Δ t 12 + Δ t 13 + Δ t 14 Δ t 21 + Δ t 22 + Δ t 23 + Δ t 24 Δ t 31 + Δ t 32 + Δ t 33 + Δ t 34 Δ t 41 + Δ t 42 + Δ t 43 + Δ t 44
The product of each element of the thermal impedance matrix ( Z i j ) and the power loss ( p j n ) of each component is generalized as the individual temperature increment ( Δ t i j ). By introducing the difference equation from Equation (12), the following expression is derived:
Δ t i j n = a i j Δ t i j n 1 + b i j p j n where ,   a i j = 1 1 + T s τ i j , b i j = R i j T s τ i j 1 1 + T s τ i j
In this case, Δ t i j n represents the temperature increment at the current sample n , while Δ t i j n 1 indicates the temperature increment at the previous sample ( n 1 ). p j n is the power loss at the current sample n, R i j represents the thermal resistance between heating parts i and j , and C i j represents the thermal capacitance between heating parts i and j . The equation explains that the current temperature increment Δ t i j n is affected by both the previous temperature increment and the current power loss. The first term, a i j Δ t i j n 1 , represents the influence of the previous temperature increment on the current temperature increment, which reflects the system’s thermal coupling. The second term, b i j p j n , represents the direct contribution of the current power loss to the current temperature increment. The total temperature increment ( Δ T i n ) for each component is calculated as follows:
Δ T i n = j = 1 4 Δ t i j n
If the order ( O ) is greater than 1 ( O > 1 ), it is expressed as:
Δ t i j k n = a i j k Δ t i j k n 1 + b i j k p j n where   a i j k = 1 1 + T s τ i j k , b i j k = R i j k T s τ i j k 1 1 + T s τ i j k
The total temperature increment ( Δ T i n ) for each component is calculated as follows:
Δ T i n = j = 1 4 k = 1 O Δ t i j k n
The Foster thermal model consists of multiple RC networks, where k represents each component of these RC networks. By using this complex equation, it is possible to accurately model the thermal behavior of a system considering thermal coupling, and to efficiently perform thermal management and control by calculating temperature changes in real time on a microprocessor system.

4. Thermal Modeling: Experimental Setup, Data Preprocessing, RC Parameter Extraction, and Validation

4.1. Inverter Circuit Structure

The inverter used in this study is a three-phase-power, module-based inverter consisting of IGBTs and diodes. For the junction temperature estimation experiments, the inverter modules were connected in series using an open-end configuration, allowing greater flexibility in current and duty settings for each phase.
To accurately measure the junction temperature of the IGBTs and diodes, an infrared thermal camera was adopted. In addition, to improve the accuracy of the thermal camera measurements, the IGBT and diode surfaces were treated with black paint to minimize reflection, as shown in Figure 6 (left). Meanwhile, the layout of the NTC sensors on the heatsink is depicted in Figure 6 (right). The overall setup of the infrared thermal camera is illustrated in Figure 7.
The NTC sensors were placed near the four corners (top-left, bottom-left, top-right, and bottom-right) of the IGBT on the heatsink. The average of these four NTC temperature readings were then used as the base temperature. In conventional power modules, a single NTC sensor is typically placed in a fixed location. However, because the distances between this single sensor and each IGBT junction differ, the sensor’s temperature reading may not accurately represent the overall junction temperature.
To overcome these limitations, this study strategically placed four additional NTC sensors near the four corners of the IGBT on the heatsink. The average of their readings was applied as the base temperature, denoted as T a v g in (8). This approach improves the estimation accuracy by considering the cross-coupling effects between the junctions.

4.2. Specifications and Setup of the Infrared Thermal Camera

As shown in Figure 7, an infrared thermal camera was used in this study to precisely measure the junction temperatures of the inverter module. The thermal camera used was the FORTIC 348A model, which provides a wide temperature range and high resolution. The data collected through the camera were analyzed using dedicated software. To enhance measurement accuracy, black paint was applied to the surfaces captured by the thermal camera, as previously mentioned, to minimize reflections and standardize emissivity. Measurements were conducted in a static state, where the current and duty were fixed for a specified duration, and the temperature variations at each junction point were recorded. The specific sections of the two IGBTs and two diodes within one phase leg were marked to monitor the trends in temperature changes. The temperature data from the thermal camera and NTC sensors were saved, and the data were utilized to extract the thermal impedance network and verify the accuracy of the estimated junction temperature under various current load and duty conditions.

4.3. Data Preprocessing Procedure

This study implemented a systematic preprocessing procedure to analyze temperature data collected from an infrared camera and NTC sensors. For the external NTC sensors, the temperature data were automatically collected from the step point where power loss begins, using a DAQ (Data Acquisition System) integrated into the system. The collected temperature data were averaged across multiple NTC sensor readings for each time sample, and this average was used as the reference temperature. For the infrared camera’s temperature data, the starting point of the data was reset by detecting the moment when the rate of temperature change exceeded a threshold value. This process ensured accurate identification of the step point of the temperature variation. The following equation was used for this purpose:
Δ T i = T i T i 1 , if   Δ T i > threshold ,   then   mark   t i
Here, Δ T i represents the rate of temperature change at time i , while T i and T i 1 denote the temperature values at time i and i 1 , respectively. This equation was used to detect the first time point t i at which the temperature change exceeded the specified threshold. The detected time t i was then set as the new starting point for the data.
Additionally, the thermographic data and the NTC sensor data were sampled at different intervals. Specifically, the thermographic camera recorded the surface temperatures of each component (HT, LT, HD, LD) at an average interval of approximately 20 ms, whereas the NTC sensors measured the heatsink temperature at 100 µs intervals and provided an averaged value each second. To align these two datasets on a common time base, a linear interpolation was performed, resulting in a unified time resolution of 0.1 ms. This interpolation ensured a consistent comparison of temperature data collected from the infrared camera and the NTC sensors.

4.4. Power Loss Profile

As explained in Section 2, an IGBT inverter loss model was used to calculate the power pulses applied to each semiconductor junction. The model individually calculates conduction and switching losses for each component (HT, LT, HD, LD) and then sums them to obtain the total power loss.
The power loss values were determined under fixed current and duty cycle conditions, which were maintained throughout the 100 s experimental period. Although the instantaneous power loss at each junction fluctuates with the PWM pulse, the thermal time constant is sufficiently large compared to the PWM period. As a result, only the average power loss is considered, and under fixed current and duty conditions, this average value remains constant and serves as the effective power input for thermal analysis.

4.5. Computational Complexity Analysis of Foster Network Orders

As introduced in (17) and (18), the partial temperature rises Δ t i j k and the total junction temperature Δ T i can be computed for an O-th-order Foster network, where O denotes the model order. While higher-order models can capture faster transient phenomena, they inevitably demand greater computational resources. To illustrate this increase in complexity, we let “4” represent the number of power semiconductor components (for example, two IGBTs and two diodes). Under this setup, the multiplication count per time step can be expressed as
M u l t i p l i c a t i o n   C o u n t = 2 × 4 × 4 × O .
Here, the multiplication count scales linearly with the model order and quadratically with the number of components.
A d d i t i o n   C o u n t = 2 × 4 × 4 × o r d e r + 3 × 4 ,
where the extra term ( 3 × 4 ) corresponds to row-wise summation operations needed to accumulate the partial temperatures from multiple components. Finally, the total operation count is
T o t a l   O p e r a t i o n   C o u n t = 4 × 4 × o r d e r + 3 × 4 ,
reflecting both updates and summations. Because the model order O appears linearly in each expression, the number of multiplications and additions both grow linearly with O . Furthermore, the factor of four (HT, LT, HD, LD) indicates that the total operation count also depends on the number of components in a quadratic manner.
Table 1 summarizes the operation counts for selected model orders. Although higher orders can offer more accurate representation of rapid thermal transients, an excessively large model order may become impractical for real-time applications. Consequently, a second-order Foster network can provide a balanced compromise between modeling fidelity and computational efficiency.
Moreover, as will be discussed in Section 5.2, we conducted a comparative analysis of the Mean Absolute Error (MAE) across different model orders. Our findings showed that the first-order model suffered from notably higher errors, while the second-order model significantly reduced the MAE. Beyond the second order, additional accuracy gains were marginal, whereas computational demands continued to increase linearly with the model order. These observations reinforce the practicality of adopting a second-order Foster network for the time scales (several seconds to tens of seconds) addressed in this study.

4.6. RC Parameter Extraction Process

In this study, the electrical circuit shown in Figure 8 was established to ensure efficient data acquisition and reliable current control. The circuit includes a three-phase open-end structure with an R-L load and two independent IGBT inverters. One is the target inverter (open model), and it maintains the fixed duty setup, while the other inverter regulates the corresponding current to the desired value by means of a PI current controller applied to the RL circuit. Additionally, the two inverters share the DC-link power, enabling bidirectional current flow (e.g., +45 A and −45 A). This bidirectional flow is essential for identifying the conduction regions of each IGBT and diode. Overall, this design effectively demonstrates the proposed current control method and highlights its role in achieving accurate and reliable current regulation within the presented system.
Figure 9 illustrates the thermal distribution when power loss is concentrated on a specific junction in one phase leg inverter. Under each condition, 93% of the current flows through a specific junction, while the remaining 7% flows through its complementary device, allowing an analysis of the heat generation characteristics. For the 93% 45A (HT) condition, 93% of the current is concentrated on HT, where the primary power loss occurs. In LD, only 7% of the current flows, resulting in minimal heat generation. Similarly, for the 7% −45A (LT) condition, 93% of the current is concentrated on LT, with the primary power loss occurring there, while HD carries 7% of the current, generating minimal heat. In the 93% −45A (HD) condition, 93% of the current is concentrated on HD, where the primary power loss occurs. LT carries 7% of the current, resulting in minimal heat generation. For the 7% 45A (LD) condition, 93% of the current flows through LD, concentrating the primary power loss there, while HT carries 7% of the current, generating minimal heat. This method of concentrating current on a specific device minimizes the influence of other variables, enabling the analysis of the device’s pure thermal characteristics and facilitating the accurate extraction of RC parameters.
Additionally, the current path changes depending on the direction of the current, and the device experiencing power loss varies accordingly. When the current flows in the positive direction, the main current path is formed through HT and LD, and power loss occurs only in HT and LD. Conversely, when the current flows in the negative direction, the main current path is formed through LT and HD, and power loss occurs only in LT and HD. In the previously mentioned thermal impedance matrix equation (Equation (4)), the condition where the power loss of a specific device becomes zero is defined based on the direction of the current. When the current flows in the positive direction, the main current path is formed through HT ( p 1 ) and LD ( p 4 ), resulting in p 2 (LT) and p 3  (HD) being zero.
Conversely, when the current flows in the negative direction, the main current path is formed through LT ( p 2 ) and HD ( p 3 ), with p 1 (HT) and p 4 (LD) becoming zero. In this way, the primary devices experiencing power loss change depending on the current direction, which is expressed as different systems of equations in the thermal impedance matrix. When the current flows in the positive direction (I+), the current primarily flows through HT and LD, with significant power loss occurring in HT and LD. At this time, the temperature increment ( Δ T ) is calculated by the power losses in HT and LD. When the current flows in the positive direction, the temperature increment of HT ( Δ T I + 1 ) is given as follows:
Δ T ( I + ) 1 = Z 11 · P ( I + ) 1 + Z 14 · P ( I + ) 4
Here, Z 11 represents the self-heating of HT, while Z 14 represents the cross-heating effect where heat generated in LD is transferred to HT. Conversely, when the current flows in the negative direction (I-), the current primarily flows through LT and HD, with significant power loss occurring in LT and HD. In this case, the temperature increment is calculated by the power losses in LT and HD. When the current flows in the negative direction, the temperature increment of HT ( Δ T I + 1 ) is given as follows:
Δ T ( I ) 1 = Z 12 · P ( I ) 2 + Z 13 · P ( I ) 3
Here, Z 12 represents the cross-heating effect where heat generated in LT is transferred to HT, while Z 13  represents the cross-heating effect where heat generated in HD is transferred to HT. Consequently, for all experimental cases, the complete set of equations is listed as follows, when the current flows in the positive direction:
Δ T I + , D 1 1 = Z 11 · P I + , D 1 1 + Z 14 · P I + , D 1 4 , Δ T I + , D 2 1 = Z 11 · P I + , D 2 1 + Z 14 · P I + , D 2 4 Δ T I + , D 1 2 = Z 21 · P I + , D 1 1 + Z 24 · P I + , D 1 4 , Δ T I + , D 2 2 = Z 21 · P I + , D 2 1 + Z 24 · P I + , D 2 4 Δ T I + , D 1 3 = Z 31 · P I + , D 1 1 + Z 34 · P I + , D 1 4 , Δ T I + , D 2 3 = Z 31 · P I + , D 2 1 + Z 34 · P I + , D 2 4 Δ T I + , D 1 4 = Z 41 · P I + , D 1 1 + Z 44 · P I + , D 1 4 , Δ T ( I + , D 2 ) 4 = Z 41 · P ( I + , D 2 ) 1 + Z 44 · P ( I + , D 2 ) 4
When the current flows in the negative direction, the resultant equations are as follows:
Δ T I , D 1 1 = Z 12 · P I , D 1 2 + Z 13 · P I , D 1 3 , Δ T I , D 2 1 = Z 12 · P I , D 2 2 + Z 13 · P I , D 2 3 Δ T I , D 1 2 = Z 22 · P I , D 1 2 + Z 23 · P I , D 1 3 , Δ T I , D 2 2 = Z 22 · P I , D 2 2 + Z 23 · P I , D 2 3 Δ T I , D 1 3 = Z 32 · P I , D 1 2 + Z 33 · P I , D 1 3 , Δ T I , D 2 3 = Z 32 · P I , D 2 2 + Z 33 · P I , D 2 3 Δ T I , D 1 4 = Z 42 · P I , D 1 2 + Z 43 · P I , D 1 3 , Δ T ( I , D 2 ) 4 = Z 42 · P ( I , D 2 ) 2 + Z 43 · P ( I , D 2 ) 3
Equations (25) and (26) are rewritten in shorter form using a matrix form. the matrix equations are useful for computation in numerical analysis programs. When the current flows in the positive direction, the matrix form of (25) is as follows:
Δ T ( I + , D 1 ) 1 Δ T ( I + , D 2 ) 1 Δ T ( I + , D 1 ) 2 Δ T ( I + , D 2 ) 2 Δ T ( I + , D 1 ) 3 Δ T ( I + , D 2 ) 3 Δ T ( I + , D 1 ) 4 Δ T ( I + , D 2 ) 4 = Z 11 Z 14 Z 21 Z 24 Z 31 Z 34 Z 41 Z 44 · P ( I + , D 1 ) 1 P ( I + , D 2 ) 1 P ( I + , D 1 ) 4 P ( I + , D 2 ) 4  
When simplified, it is expressed in the following general equation:
Δ T I + = Z I + · P I +  
In the above equation, Z I + , which corresponds to the first and fourth columns of the thermal impedance matrix, is calculated as follows:
Z I + = Δ T I + · P I + 1  
When the current flows in the negative direction, the matrix form of (26) is as follows:
Δ T ( I , D 1 ) 1 Δ T ( I , D 2 ) 1 Δ T ( I , D 1 ) 2 Δ T ( I , D 2 ) 2 Δ T ( I , D 1 ) 3 Δ T ( I , D 2 ) 3 Δ T ( I , D 1 ) 4 Δ T ( I , D 2 ) 4 = Z 12 Z 13 Z 22 Z 23 Z 32 Z 33 Z 42 Z 43 · P ( I , D 1 ) 2 P ( I , D 2 ) 2 P ( I , D 1 ) 3 P ( I , D 2 ) 3
When simplified, it is expressed as the following general equation:
Δ T I = Z I · P I  
In the above equation, Z I , which corresponds to the second and third columns of the thermal impedance matrix, is calculated as follows:
Z I = Δ T I · P I 1  
Using this method, the time-varying data of each junction in the thermal impedance matrix was curve-fitted to the second-order form of the following equation, which represents the step response of the Foster thermal network, to extract R and τ 1 :
z i j t = k = 1 n R i j k 1 e x p t τ i j k
Table 2 shows the R and τ 1 values extracted for each junction of the thermal impedance matrix through curve fitting. Figure 10 visually compares the original data with the modeled data obtained through curve fitting for each element of the thermal impedance matrix.

4.7. Error Evaluation

The RC parameters obtained through the proposed RC parameter extraction process in Section 4.4 were applied to (14) to estimate the temperature increments for each junction (HT, LT, HD, LD) at each sample, considering the thermal coupling effects. To verify the reliability between the estimated values and the actual data, the Mean Absolute Error (MAE) was calculated. It is defined as follows:
MAE = 1 N k = 1 N T real k T e s t k
Here, T real k represents the actual measured temperature at sample k , and T est k represents the estimated temperature calculated using (8). N denotes the total number of samples. The MAE was calculated individually for each component (HT, LT, HD, LD), and the average MAE for all components was calculated as follows:
MAE avg = 1 4 k = 1 4 MAE k
Here, MAE k represents the error value for each component k .

5. Experimental Results

5.1. Performance Analysis of the Second-Order Model Under Various ± Currents and Duty Cycles

The average Mean Absolute Error (MAE) was analyzed across all current and duty conditions. Figure 11 visualizes the overall distribution of MAEs across all current and duty conditions using a 3D plot. In this graph, the MAE values were observed to decrease under extreme duty conditions (0.93 and 0.07). This is interpreted as the result of 93% of the current being concentrated on a specific component, with only 7% flowing through the complementary component, minimizing thermal interactions and simplifying thermal characteristics. Therefore, it stabilizes the modeling performance under extreme duty conditions.
Figure 12 presents the MAE values as a heatmap, providing a quantitative view of errors across various duty and load current combinations. In this heatmap, the maximum MAE value (2.26 °C) was recorded under the duty 0.5 and current 35A condition.
Figure 13 shows the actual junction temperature variations and the values estimated by the proposed method over a specific time (100 s) and under various duty and current conditions when the current flows in the positive direction (+). Analysis of the graph reveals that under low-current conditions, the small scale of the axis makes the quantitative MAE error between the two datasets appear less pronounced, but a tendency for the estimated data (solid line) to fail to accurately follow the real data (dotted line) is still observed. This suggests that the adopted Foster RC parameter-based model underestimates thermal responses under low-current conditions. Specifically, at 5A, a clear discrepancy between the estimated and real data is observed across all duty conditions, which is attributed to a scale-induced misperception caused by the reduced scale of the axis, making the MAE value appear smaller. On the other hand, in Figure 12, as the current increases to 45A and the duty approaches 0.93 or 0.07, the model demonstrates higher accuracy. This is interpreted as the RC parameters being extracted under the conditions of 0.93, 0.07, and 45A, −45A.
Figure 14 compares the estimated junction temperatures with the actual values in the same conditions that applied in Figure 13, except for current direction, where the current flows in the negative direction (−). Analysis of the graph reveals that under low-current conditions (especially −5A), the estimated data (solid line) tends to fail to follow the real data (dotted line) sufficiently. This suggests that, similar to the positive current condition, the RC parameter-based model underestimates thermal responses at low currents. If the parameter extraction is performed under low-current conditions, the accuracy for low-load conditions improves. However, the primary objective of junction temperature estimation is to monitor the hottest spot and prevent overheating accidents. Therefore, ensuring accuracy under high-current conditions is more critical than under low-current conditions.
Additionally, under negative current conditions, the modeling performance improves as the current increases, showing stable tendencies even under mid-duty conditions. In contrast, under positive current conditions (+Current), clear differences are observed, particularly at high currents under mid-duty conditions (0.3, 0.5, 0.7).
In conclusion, the current condition demonstrates high accuracy across both extreme duty conditions (0.93, 0.07) and mid-duty conditions, indicating that the RC parameters effectively reflect the thermal characteristics in these scenarios. This contrast highlights that the direction of the current significantly influences modeling performance.

5.2. Comparative Analysis of Foster Model Orders

The results of the MAE analysis across Foster model orders are visualized in Figure 15, which presents key performance metrics, including average MAE, minimum MAE, maximum MAE, and MAE variance. An analysis of the Mean Absolute Error (MAE) across first-, second-, third-, and fourth-order Foster models found that the first-order model yielded the highest average MAE value of 1.31. In contrast, the second-, third-, and fourth-order models exhibited similar performance, with average MAEs of 1.09, 1.07, and 1.07, respectively. Although predictive accuracy improved as the model order increased, improvements beyond the second order were minimal.
With regard to the minimum MAE, the first-order model again showed the highest minimum error (0.75), while the second-, third-, and fourth-order models recorded progressively lower values of 0.19, 0.07, and 0.05, respectively. However, the negligible difference between the third- and fourth-order models indicates that beyond a certain order, added complexity does not significantly enhance accuracy, particularly under ±45 A currents and duty cycles of 0.93 or 0.7. Moreover, because this model was constructed to reflect those operating conditions, it already achieves a high level of accuracy in this domain.
Concerning the maximum MAE, the first-order model recorded 2.52, whereas the second-, third-, and fourth-order models produced similar values of 2.26, 2.26, and 2.27, indicating that increasing the model order provides no substantial benefit in high-error scenarios. In addition, the MAE variance analysis showed that the first-order model had the lowest variance at 0.44, whereas the second-, third-, and fourth-order models displayed higher variances of 0.57, 0.60, and 0.60, respectively. This outcome suggests that, although mean accuracy tends to improve with higher-order models, their error fluctuations under certain conditions may also increase.
Overall, the most significant performance gain occurs in moving from the first- to the second-order model. Beyond that point, performance improvements diminish considerably despite the added computational overhead. Consequently, for temperature-tracking applications that span from several seconds to tens of seconds, the second-order Foster model emerges as the most practical choice, providing an optimal balance between accuracy and computational efficiency.

6. Conclusions

This study analyzed the performance and limitations of a Foster RC parameter-based junction temperature estimation under various current and duty conditions. The results indicate high accuracy under specific conditions (0.93, 0.07, ±45A) at which the RC parameters were extracted. However, under mid-duty conditions (0.3, 0.5, 0.7) and low-current conditions (±5A), the model failed to fully reflect thermal response characteristics, resulting in performance degradation. Notably, under the mid-duty condition of 0.5 and a current of 35A, the maximum MAE reached 2.26 °C, clearly revealing the limitations of the RC parameter model. A key observation was the asymmetric performance of the model depending on the current direction. Under positive current conditions, the modeling performance significantly deteriorated under mid-duty conditions at high currents. In contrast, under negative current conditions, the model maintained relatively stable performance, even under mid-duty conditions. This asymmetry highlights structural limitations in the RC parameter model for capturing nonlinear characteristics. Additionally, under low-current conditions (±5A), the model consistently underestimated the actual thermal response despite the smaller visual scale of error.
Moreover, an analysis of different Foster model orders (first-, second-, third-, and fourth-order) revealed that, while increasing the model order does improve accuracy, gains beyond the second order are marginal relative to the additional computational demands. Thus, the most significant improvement occurs when moving from the first- to the second-order model, indicating that the second-order Foster model provides a pragmatic balance between accuracy and complexity.
However, the primary objective of junction temperature estimation is to monitor the hottest spot and prevent overheating accidents. Therefore, ensuring accuracy under high-current conditions is more critical than under low-current conditions. Focusing on high-current scenarios is essential for enhancing the reliability and practical utility of junction temperature estimation. To address these limitations, a hybrid approach combining the RC parameter model with nonlinear methodologies, such as Recurrent Neural Networks (RNNs), could be effective. This integration could help capture nonlinearities and asymmetries while improving estimation accuracy. In conclusion, this study demonstrated the strengths and limitations of the RC parameter-based model under varying conditions and proposed hybrid modeling as a promising solution to enhance performance in diverse operating scenarios.

Author Contributions

Conceptualization, K.K. and J.C.; methodology, K.K. and J.C.; software, K.K.; validation, Y.H.; formal analysis, K.K.; investigation, K.K.; resources, J.C.; data curation, S.B. and S.J.; writing—original draft preparation, K.K.; writing—review and editing, Y.H.; visualization, K.K.; supervision, Y.H.; project administration, Y.H.; assistance with experimental setup, G.P. All authors have read and agreed to the published version of the manuscript.

Funding

This study was supported by the Korea Institute for Advancement of Technology (G02P18800005503) through the 2024 Ministry Collaborative Semiconductor Major Track Project.

Data Availability Statement

Available data is already included in the article.

Acknowledgments

We would like to express our gratitude to EGtronics for providing the research topic, mentoring, and assistance.

Conflicts of Interest

The authors declare no conflict of interest.

References

  1. Liu, Y.; Liu, Y.P.; Zhang, W.; Zhang, J. The Study of Temperature Calibration Method for NTC Thermistor. In Proceedings of the 2020 IEEE 4th International Conference on Frontiers of Sensors Technologies (ICFST), Shanghai, China, 6–9 November 2020. [Google Scholar] [CrossRef]
  2. Aminu, K.T.; Jumba, A.G.; Jimoh, A.A.; Shehu, A.; Halilu, B.D.; Baraza, S.A.; Kabiru, A.S.; Sule, M.A. NTC Thermistor Performance and Linearization of its Temperature-Resistance Characteristics Using Electronic Circuit. Int. J. Adv. Sci. Res. Eng. 2020, 6, 35–49. [Google Scholar] [CrossRef]
  3. Martin, S.; Ma, X. Correlating NTC-Reading and Chip-Temperature in Power Electronic Modules. In Proceedings of the PCIM Europe 2015, International Exhibition and Conference for Power Electronics, Intelligent Motion, Renewable Energy and Energy Management, Nuremberg, Germany, 9–11 May 2015. [Google Scholar]
  4. Petkovšek, M.; Nemec, M.; Zajec, P. Algorithm Execution Time and Accuracy of NTC Thermistor-Based Temperature Measurements in Time-Critical Applications. Mathematics 2021, 9, 2266. [Google Scholar] [CrossRef]
  5. Morel, C.; Morel, J.-Y. Power Semiconductor Junction Temperature and Lifetime Estimations: A Review. Energies 2024, 17, 4589. [Google Scholar] [CrossRef]
  6. Ma, H.; Gou, M.; Tian, X.; Tan, W.; Liang, H. Reliability Simulation of IGBT Module with Different Solders Based on the Finite Element Method. Metals 2024, 14, 1141. [Google Scholar] [CrossRef]
  7. Zhu, X.; Hu, X.; Zhang, L.; Li, W.; Gong, L.; Yu, W.; Wang, H.; Chen, F.; Zhang, X. Research and Analysis of Liquid Cooling Heat Dissipation Equipment for Insulated-Gate Bipolar Transistor Modules of Wind Power Converters Based on the Finite Element Analysis Method. Machines 2024, 12, 699. [Google Scholar] [CrossRef]
  8. Qian, C.; Gheitaghy, A.M.; Fan, J.; Tang, H.; Sun, B.; Ye, H.; Zhang, G. Thermal Management on IGBT Power Electronic Devices and Modules. IEEE Access 2018, 6, 12868–12884. [Google Scholar] [CrossRef]
  9. Sheng, K.; Williams, B.W.; Finney, S.J. A review of IGBT models. IEEE Trans. Power Electron. 2000, 15, 1250–1266. [Google Scholar] [CrossRef]
  10. Yun, C.S.; Malberti, P.; Ciappa, M.; Fichtner, W. Thermal component model for electrothermal analysis of IGBT module systems. IEEE Trans. Adva. Packag. 2001, 24, 401–406. [Google Scholar]
  11. Zhang, L.; Peng, H.; Ning, Z.; Mu, Z.; Sun, C. Comparative Research on RC Equivalent Circuit Models for Lithium-Ion Batteries of Electric Vehicles. Appl. Sci. 2017, 7, 1002. [Google Scholar] [CrossRef]
  12. Zhou, H.; He, Q.; Li, Y.; Wang, Y.; Wang, D.; Xie, Y. Enhanced Second-Order RC Equivalent Circuit Model with Hybrid Offline–Online Parameter Identification for Accurate SoC Estimation in Electric Vehicles under Varying Temperature Conditions. Energies 2024, 17, 4397. [Google Scholar] [CrossRef]
  13. An, N.; Du, M.; Hu, Z.; Wei, K. A High-Precision Adaptive Thermal Network Model for Monitoring of Temperature Variations in Insulated Gate Bipolar Transistor (IGBT) Modules. Energies 2018, 11, 595. [Google Scholar] [CrossRef]
  14. Yang, N.; Yang, Z.; Huang, Y.; Yang, W.; Liu, W.; Chen, X. Modeling Thermal Impedance of IGBT Devices Based on Fractional Calculus Techniques. Electronics 2024, 13, 4423. [Google Scholar] [CrossRef]
  15. Chang, Y.; Li, W.; Luo, H.; He, X.; Iannuzzo, F.; Blaabjerg, F.; Lin, W. A 3D Thermal Network Model for Monitoring Imbalanced Thermal Distribution of Press-Pack IGBT Modules in MMC-HVDC Applications. Energies 2019, 12, 1319. [Google Scholar] [CrossRef]
  16. Wang, Y.; Liang, Z.; Jin, B.; Pang, J. A Thermal Impedance Model for IGBT Modules Considering the Nonlinear Thermal Characteristics of Chips and Ceramic Materials. Electronics 2024, 13, 4465. [Google Scholar] [CrossRef]
  17. Shu, G.; Hu, C.; Tian, H.; Li, X.; Yu, Z.; Wang, M. Analysis and Optimization of Coupled Thermal Management Systems Used in Vehicles. Energies 2019, 12, 1265. [Google Scholar] [CrossRef]
  18. Cheng, H.-C.; Lin, S.-Y.; Liu, Y.-C. Transient Electro-Thermal Coupled Modeling of Three-Phase Power MOSFET Inverter during Load Cycles. Materials 2021, 14, 5427. [Google Scholar] [CrossRef] [PubMed]
  19. Wei, K.; Shi, P.; Bao, P.; Gao, X.; Du, Y.; Qin, Y. Thermal Analysis and Junction Temperature Estimation under Different Ambient Temperatures Considering Convection Thermal Coupling between Power Devices. Appl. Sci. 2023, 13, 5209. [Google Scholar] [CrossRef]
  20. Stippich, A.; Neubert, M.; Sewergin, A.; De Doncker, R.W. Significance of thermal cross-coupling effects in power semiconductor modules. In Proceedings of the 2016 IEEE 2nd Annual Southern Power Electronics Conference (SPEC), Auckland, New Zealand, 5–8 December 2016; pp. 1–6. [Google Scholar] [CrossRef]
  21. Luo, Z.; Ahn, H.; Nokali, M.A.E. A thermal model for insulated gate bipolar transistor module. IEEE Trans. Power Electron. 2004, 19, 902–907. [Google Scholar] [CrossRef]
  22. Ye, J.; Yang, K.; Ye, H.; Emadi, A. A Fast Electro-Thermal Model of Traction Inverters for Electrified Vehicles. IEEE Trans. Power Electron. 2016, 32, 3920–3934. [Google Scholar] [CrossRef]
Figure 1. Multi-Layer Structure and Thermal pathway of the power module.
Figure 1. Multi-Layer Structure and Thermal pathway of the power module.
Electronics 14 00999 g001
Figure 2. Thermal pathway of the power module.
Figure 2. Thermal pathway of the power module.
Electronics 14 00999 g002
Figure 3. Thermal coupling between transistor and diode in a single-phase inverter.
Figure 3. Thermal coupling between transistor and diode in a single-phase inverter.
Electronics 14 00999 g003
Figure 4. Foster thermal network.
Figure 4. Foster thermal network.
Electronics 14 00999 g004
Figure 5. Separated Foster thermal network.
Figure 5. Separated Foster thermal network.
Electronics 14 00999 g005
Figure 6. Left: IGBT and diode with applied black paint. Right: Layout of NTC sensors on the heatsink (red circles indicate the NTC sensors).
Figure 6. Left: IGBT and diode with applied black paint. Right: Layout of NTC sensors on the heatsink (red circles indicate the NTC sensors).
Electronics 14 00999 g006
Figure 7. Setup of the infrared thermal camera.
Figure 7. Setup of the infrared thermal camera.
Electronics 14 00999 g007
Figure 8. Experimental setup for fixed duty and current operation.
Figure 8. Experimental setup for fixed duty and current operation.
Electronics 14 00999 g008
Figure 9. Conducting components based on current direction(HT and HD: green, LT and LD: blue, dotted yellow arrows: low current, dotted red arrows: high current).
Figure 9. Conducting components based on current direction(HT and HD: green, LT and LD: blue, dotted yellow arrows: low current, dotted red arrows: high current).
Electronics 14 00999 g009
Figure 10. Curve fitting results of the thermal impedance matrix.
Figure 10. Curve fitting results of the thermal impedance matrix.
Electronics 14 00999 g010
Figure 11. 3D Distribution of Mean Absolute Errors across all experimental conditions.
Figure 11. 3D Distribution of Mean Absolute Errors across all experimental conditions.
Electronics 14 00999 g011
Figure 12. Heatmap of Mean Absolute Errors across all experimental conditions.
Figure 12. Heatmap of Mean Absolute Errors across all experimental conditions.
Electronics 14 00999 g012
Figure 13. Comparison of real and modeled temperatures over time under positive current duty conditions.
Figure 13. Comparison of real and modeled temperatures over time under positive current duty conditions.
Electronics 14 00999 g013
Figure 14. Comparison of real and modeled temperatures over time under negative current duty conditions.
Figure 14. Comparison of real and modeled temperatures over time under negative current duty conditions.
Electronics 14 00999 g014
Figure 15. Comparative analysis of MAE metrics across model orders.
Figure 15. Comparative analysis of MAE metrics across model orders.
Electronics 14 00999 g015
Table 1. Computational complexity across Foster model orders.
Table 1. Computational complexity across Foster model orders.
Order M u l t i p l i c a t i o n   C o u n t A d d i t i o n   C o u n t T o t a l   O p e r a t i o n   C o u n t
1324476
26476140
396108204
4128140268
Table 2. R and τ 1 extracted through curve fitting.
Table 2. R and τ 1 extracted through curve fitting.
z R 1 [Ω] τ 1 1 [sec−1] R 2 [Ω] τ 2 1 [sec−1]
z 11 0.119579610.065421180.274896762.87688024
z 12 0.085931500.060659060.105004780.77560298
z 13 0.107458790.964152550.077882980.08544452
z 14 0.099056370.072780840.127518991.07207738
z 21 0.086251980.071544080.109654741.00663075
z 22 0.133408630.071405350.354189713.13491898
z 23 0.057333560.080451760.058753030.36651199
z 24 0.128337990.990241610.084420040.07338766
z 31 0.102701970.065276620.161097781.37680120
z 32 0.067716910.045439910.076732290.28397553
z 33 0.546635254.536288390.130766890.09322244
z 34 0.095258410.517337000.073220200.06031366
z 41 0.070351860.193604440.048829270.04310037
z 42 0.135167211.054468450.093601120.06750820
z 43 0.091240490.685547000.068491930.08174109
z 44 0.138365590.083072340.563828464.98818066
Disclaimer/Publisher’s Note: The statements, opinions and data contained in all publications are solely those of the individual author(s) and contributor(s) and not of MDPI and/or the editor(s). MDPI and/or the editor(s) disclaim responsibility for any injury to people or property resulting from any ideas, methods, instructions or products referred to in the content.

Share and Cite

MDPI and ACS Style

Kong, K.; Choi, J.; Park, G.; Baek, S.; Ju, S.; Han, Y. Insulated Gate Bipolar Transistor Junction Temperature Estimation Technology for Traction Inverters Using a Thermal Model. Electronics 2025, 14, 999. https://doi.org/10.3390/electronics14050999

AMA Style

Kong K, Choi J, Park G, Baek S, Ju S, Han Y. Insulated Gate Bipolar Transistor Junction Temperature Estimation Technology for Traction Inverters Using a Thermal Model. Electronics. 2025; 14(5):999. https://doi.org/10.3390/electronics14050999

Chicago/Turabian Style

Kong, Kijung, Junhwan Choi, Geonhyeong Park, Seungmin Baek, Sungeun Ju, and Yongsu Han. 2025. "Insulated Gate Bipolar Transistor Junction Temperature Estimation Technology for Traction Inverters Using a Thermal Model" Electronics 14, no. 5: 999. https://doi.org/10.3390/electronics14050999

APA Style

Kong, K., Choi, J., Park, G., Baek, S., Ju, S., & Han, Y. (2025). Insulated Gate Bipolar Transistor Junction Temperature Estimation Technology for Traction Inverters Using a Thermal Model. Electronics, 14(5), 999. https://doi.org/10.3390/electronics14050999

Note that from the first issue of 2016, this journal uses article numbers instead of page numbers. See further details here.

Article Metrics

Back to TopTop