Next Article in Journal
Finite Time ESO-Based Line-of-Sight Following Method with Multi-Objective Path Planning Applied on an Autonomous Marine Surface Vehicle
Previous Article in Journal
Context Geometry Volume and Warping Refinement for Real-Time Stereo Matching
 
 
Font Type:
Arial Georgia Verdana
Font Size:
Aa Aa Aa
Line Spacing:
Column Width:
Background:
Article

Improved Droop Control Strategy for Islanded Microgrids Based on the Adaptive Weight Particle Swarm Optimization Algorithm

1
School of Automation, Wuhan University of Technology, Wuhan 430070, China
2
School of Power and Mechanical Engineering, Wuhan University, Wuhan 430072, China
*
Author to whom correspondence should be addressed.
Electronics 2025, 14(5), 893; https://doi.org/10.3390/electronics14050893
Submission received: 19 December 2024 / Revised: 18 February 2025 / Accepted: 20 February 2025 / Published: 24 February 2025

Abstract

In islanded low-voltage microgrids, the parallel operation of inverters using traditional droop control strategies often results in imbalanced output impedances among inverters due to variations in line impedance. This imbalance prevents the equitable distribution of reactive power according to the designated droop coefficients. To address this challenge, this paper proposes an improved droop control strategy. First, the virtual impedance control method is added to the strategy of traditional droop control, and then an adaptive weight particle swarm optimization algorithm (APSO) is introduced in the voltage outer loop control module to optimize the parameter setting of the PID controller. Finally, a comparative analysis was conducted on the output results of the improved droop control before and after introducing the algorithm. This proposed strategy is systematically analyzed through modeling and simulation in the MATLAB/Simulink environment to assess its impact on output voltage stability, reactive power sharing, and circulating current magnitude among parallel inverters. The simulation results indicate that the improved droop control with the introduction of virtual impedance effectively achieves equal reactive power sharing among parallel inverters. Moreover, by employing the APSO algorithm, the stability of the inverter output voltage is significantly enhanced. The maximum voltage deviation between two inverters is reduced to below 0.03%, while the maximum reactive power deviation decreases from over 3.5% to less than 2.5%. These improvements effectively reduce the circulating currents between two paralleled inverters, ensuring that the maximum current remains below 1.5 A and the minimum stays above −1 A.

1. Introduction

With the widespread application of new energy sources, such as solar energy, wind energy, and ocean energy, in the power grid sector, China has proposed the strategic goals of achieving carbon peaking by 2030 and carbon neutrality by 2060. Consequently, adopting distributed microgrid generation has become a key focus in the field of power generation research [1]. This is particularly significant for remote and isolated island regions in China, where access to the municipal power grid is severely limited. As a result, islanded microgrid generation has emerged as the preferred choice. With the increasing annual growth in electricity demand, higher capacity requirements are being placed on inverters in islanded microgrids. The use of parallel-connected inverters, owing to their unique advantages of convenient networking, flexibility, and efficiency, is gradually replacing traditional large-capacity inverters. Furthermore, research on parallel control without communication interconnection has gained prominence due to its “plug-and-play” capability and flexible deployment [2].
In recent years, many countries have widely adopted droop control as the primary control method for inverter parallel systems without communication interconnections. Key research focuses in this area include circulating current suppression and power sharing within the parallel system [3]. Most of these studies are based on the premise that the total equivalent output impedance of the system is inductive. However, in low-voltage islanded microgrid systems, the total equivalent output impedance is influenced by factors such as PI modulation, system parameters, and transmission line impedance and is actually resistive-inductive in nature, with resistance being the dominant component. Under these conditions, traditional droop control faces significant challenges in achieving precise proportional power sharing and effective circulating current suppression.
Therefore, many scholars have proposed some solutions. Ref. [4] proposed an improved droop control strategy to address the issue of uneven reactive power distribution in islanded microgrid systems caused by differences in transmission line characteristics. This method adjusts the characteristic curves of transmission lines to intersect at a common point with a fixed droop characteristic curve, ensuring balanced reactive power distribution. However, it relies on small voltage perturbations to observe line impedance and compensate for the reference voltage, which may introduce complexity and impact real-time performance under certain conditions. Ref. [5] proposed an improved droop control method to address the synchronization and power-sharing challenges in multiple Point of Common Coupling (PCC) islanded microgrids with high penetration rates of Distributed Generation Systems (DGs) based on renewable energy. This method considers the real characteristics of line feeders to enhance active and reactive power sharing across different DGs. However, its dependence on precise line parameter modeling may limit its robustness under dynamic conditions or in systems with uncertain feeder characteristics. Ref. [6] proposed an improved droop control strategy to address the lack of decoupling capability in traditional droop control for low-voltage microgrids containing multiple Distributed Generation (DG) units. This method incorporates virtual impedance and coupling compensation to reduce the influence of uncontrolled coupling factors, enhancing system stability and ensuring reasonable power distribution. However, the reliance on precise parameter tuning, such as the optimal droop control compensation coefficient obtained through an improved Particle Swarm Optimization, may pose challenges in dynamic or uncertain operating conditions. Ref. [7] proposed an improved droop control strategy to address reactive power sharing errors and reduced voltage accuracy in parallel inverter systems caused by unmatched line impedance. The method introduces a multidimensional adaptive droop strategy for improved reactive power sharing and adds frequency and voltage compensation to enhance PCC voltage accuracy. However, its reliance on precise compensation control may limit performance under highly dynamic conditions. Ref. [8] designed an improved droop control strategy based on a consensus algorithm to address uneven power distribution and circulating currents in islanded microgrids caused by line impedance inconsistency. Using adjacent communication, bus voltage information is shared, and local controllers dynamically correct output power until deviations are minimized. While effective in reducing communication and improving power distribution, its dependence on communication networks may affect reliability in case of communication failures. Ref. [9] proposed an optimized droop control strategy using an improved particle swarm optimization (IPSO) to address power allocation and voltage issues in islanded microgrids with multiple DGs. By introducing a fuzzy inference system (FIS) to adjust the PSO algorithm, the method improves both global and local search abilities. Refs. [10,11] and refs. [12,13,14] proposed strategies based on virtual impedance for high- and low-voltage microgrids, respectively, to eliminate impedance imbalance between parallel DG units. However, these strategies rely on known line impedance parameters and may fail when the degree of impedance imbalance is unknown. Ref. [15] proposed a modified droop strategy to improve reactive power sharing without the need for a secondary controller, relying solely on local measurements. Additionally, this strategy mitigates voltage and frequency deviations caused by load changes, addressing the coupling between real and reactive power. Refs. [16,17,18,19] corrected the inherent droop curve by changing the droop coefficient, enabling the system to track line changes and implement control in situations such as impedance imbalance and mismatched parallel DG capacity. However, due to the complex process of detecting impedance imbalance, the real-time performance of the control strategy is poor. Refs. [20,21,22] were based on an improved particle swarm optimization (PSO) algorithm to optimize droop control, but did not consider the circulation problem of parallel DG units, and the weights in the fitness function were fixed values, which results in insufficient adaptability. Reference [23] used fuzzy PI to replace the voltage outer loop PI control with voltage current dual loop in traditional droop control, but it does not solve the problem of reactive power sharing caused by impedance mismatch in traditional droop control when multiple machines are connected in parallel. Ref. [24] proposed a nonlinear droop control that can automatically adjust the droop coefficient according to the load situation to improve voltage regulation and current sharing effects, but its complex control structure limits its applicability. Ref. [25] proposed a power allocation strategy based on composite model predictive control by combining model predictive control with virtual capacitor resistor droop control, but it is only applicable to hybrid energy storage systems composed of batteries and supercapacitors. Ref. [26] provided fixed numerical compensation for voltage amplitude drop caused by virtual impedance, but the flexibility and accuracy of the compensation are limited. Ref. [27] compensated for the output load voltage by dynamically adjusting the virtual reactance size.
Recent advancements in microgrid control strategies have increasingly focused on improving the performance of parallel inverter systems, particularly in islanded microgrids. Contemporary studies have explored novel approaches such as the integration of genetic algorithms with model predictive control to enhance the handling of nonlinearity and non-convexity in microgrid systems [28]. An improved droop control strategy based on phase-locked loop is proposed in Ref. [29], which increases the damping link of control signal, improves the steady state performance of the system, reduces the oscillation and overshoot of active power and reactive power, and improves the steady state and dynamic performance of energy storage converter (PCS) during operation. However, in actual islanded microgrids, there are various disturbance factors, and research on the anti-interference dynamic regulation performance of inverters in parallel is still relatively scarce.
To address these challenges, this study introduces an improved droop control strategy that integrates virtual impedance with APSO for the optimal tuning of PID controller parameters. In contrast to prior works that heavily depend on precise line impedance modeling [4,5,6,7] or require extensive communication infrastructures [8], the proposed approach enhances system performance while avoiding excessive complexity and reliance on external networks. Furthermore, although the methods proposed in refs. [9,10,11,12,15,24] address specific issues such as reactive power sharing and impedance imbalance, they often exhibit limited adaptability under dynamic conditions.
Compared to the above studies, the primary advantage of the study lies in its approach to solving the longstanding issues of reactive power sharing and voltage stability in islanded low-voltage microgrids, which are exacerbated by line impedance mismatches. Traditional droop control methods, while widely used, struggle to handle these impedance-related issues effectively, often resulting in poor voltage regulation and imbalanced power sharing. The inclusion of virtual impedance in the proposed strategy provides a robust solution by compensating for these line impedance variations. This adaptive approach promotes a more balanced distribution of reactive power between parallel inverters, ensuring better voltage stability and minimizing the risk of system instability. Unlike traditional methods, which may rely heavily on precise system modeling and external communication infrastructures, the proposed virtual impedance-based droop control does not necessitate these complex setups, making it a more scalable and adaptable solution for real-world microgrid applications.
Moreover, the use of the APSO algorithm to optimize PID controller parameters addresses the shortcomings of traditional PID controllers, which are often limited by their linear nature. PID controllers assume a linear relationship between control inputs and outputs, which may not accurately capture the nonlinear dynamics of real-world systems, especially in environments with time-varying and unpredictable renewable energy sources. Additionally, PID controllers typically require the manual tuning of their gains, which can be time-consuming and may not perform well under all operating conditions. The APSO algorithm, on the other hand, provides a systematic and adaptive method for optimizing these parameters in real time, ensuring a better performance across a wide range of dynamic conditions. By combining virtual impedance with APSO, the proposed method not only addresses the reactive power sharing issue but also enhances the robustness of voltage regulation, overcoming the limitations of traditional PID control.
This combination of virtual impedance and APSO optimization not only improves system stability and efficiency but also reduces the complexity and dependency on external communication networks, making it a solution for modern islanded microgrids.
The summary of each section and the contributions of the article are as follows:
  • In this paper, the first section discusses relevant research on droop control; the second section presents the derivation of the characteristic equations of traditional droop control; the third section introduces the virtual impedance control method based on traditional droop control, while also introducing the APSO algorithm and applying it to the improved droop control method; the fourth section conducts a stability analysis of the designed control method; the fifth section presents the simulation results using traditional droop control, along with a comparison of simulations based on virtual impedance control before and after the introduction of the APSO algorithm; and the final section summarizes the work presented in the paper and provides an outlook for future research.
  • In response to the problem of uneven distribution of reactive power caused by differences in line impedance in traditional droop control strategies, certain improvements were made in this paper to enhance the accuracy of reactive power distribution and system stability of parallel inverters.
  • We explained the principle of particle swarm optimization algorithm with adaptive weights and used the cumulative sum expression of synchronization error absolute value as the fitting function.
  • A simulation model of the improved droop control was established to compare the performance of three methods: traditional droop control, improved droop control, and improved droop control with the APSO algorithm. The comparison focused on the reactive power sharing between two inverters, the output voltage magnitude, and the circulating current between the inverters. The results verify the superiority of the improved droop control based on the adaptive weight PSO algorithm in suppressing circulating currents.

2. Traditional Droop Control

In the microgrid system, the equivalent circuit of the inverter output is shown in the Figure 1. V n represents the inverter output voltage; Z n is the sum of the inverter output impedance and the line impedance; φ Z n is the impedance angle of the Z n ; V c o m represents the microgrid bus voltage, and its phase angle is defined as the reference phase angle of 0 0 ; and φ n is the phase difference between the inverter output voltage and the microgrid bus voltage.
The output current of the inverter is as follows:
I = V n φ n V c o m 0 ° Z n φ z n
The complex power output of the inverter is:
S ˜ = P n + j Q n = V ˙ n I ˙
where P n is the active power output of the inverter; Q n is the reactive power output of the inverter; V ˙ n is the phasor form of the inverter output voltage; and I ˙ is the conjugate complex number of the output current phasor of the inverter. From Equations (1) and (2), we can obtain:
S ˜ = V n 2 Z n e j φ Z n V n V c o m Z n e j ( φ n + φ Z n )
According to Equation (2), by extracting the real and imaginary parts of Equation (3), the inverter’s output active power and reactive power are obtained as follows:
P n = V n 2 cos φ Z n V n V c o m cos ( φ n + φ Z n ) Z n Q n = V n 2 sin φ Z n V n V c o m sin ( φ n + φ Z n ) Z n
In order to simplify Equation (4) to achieve the decoupling control of P n and Q n , an assumption was made in this paper. Assuming that the output impedance of the microgrid inverter and the line impedance are predominantly inductive, at this point, φ Z n = 90 , Equation (4) can be simplified as follows:
P n = V n V c o m sin φ n Z n Q n = V n 2 V n V c o m cos φ n Z
Since the phase difference φ n between the inverter output voltage and the microgrid bus voltage is very small, we can approximate s i n φ n φ n and c o s φ n 1 . Thus, Equation (5) can be further simplified as:
P n = V n V c o m φ n Z n Q n = V n ( V n V c o m ) Z n
Taking the partial derivatives of active power and reactive power with respect to their variables:
P n φ n V n V c o m Z n P n V n 0 Q n φ n 0 Q n V n 2 V n V c o m Z n
From the above partial differential results, it can be obtained that the active power ( P n ) output from the inverter mainly depends on the phase angle of the output voltage ( φ n ), while V n has little effect on the changes in P n ; the reactive power ( Q n ) mainly depends on the amplitude of the output voltage of the inverter ( V n ) and is almost unaffected by φ n . Therefore, we can argue that P n is positively correlated to φ n , and Q n is proportional to V n . However, in actual circumstances, the initial phase of the inverter and the power grid is uncertain, and it is difficult to measure the phase; so, it is necessary to introduce a variable that is easy to measure and related to φ n , and use the introduced variable to reflect the change in φ n .
Phase and angular frequency are related as follows:
ω n = d φ n d t
Therefore, the control of the inverter output voltage phase angle ( φ n ) can be reformulated as the control of the inverter output voltage angular frequency ( ω n ); meanwhile, in order to introduce a negative feedback mechanism, the droop control characteristics are converted into the following form:
ω n = ω 0 m ( P n P 0 ) V n = V 0 n ( Q n Q 0 )
In Equation (9), ω 0 represents the rated grid angular frequency, and V 0 represents the rated grid voltage amplitude. P 0 and Q 0 are the active and reactive power outputs of the microgrid inverter under the rated grid voltage frequency and amplitude, respectively. The parameters m and n represent the active power–frequency and reactive power–voltage droop coefficients, respectively.
Figure 2 illustrates the traditional droop control structure, as defined by Equation (9). i 0 represents the current of the inverter output filter inductor, and U 0 represents the voltage of the inverter output filter capacitor. ω and U represent the angular frequency and amplitude of the u r e f , respectively, adjusted by the droop controller. These parameters are used to generate the reference voltage for the dual-loop voltage and current control.
From the above analysis, it can be seen that the traditional droop control was proposed under the condition that the sum of the inverter output impedance and the line reactance is inductive. However, microgrids typically use low-voltage transmission lines, where the line impedance is predominantly resistive. When traditional droop control is applied in low-voltage microgrids, adjustments to the voltage amplitude will affect both the active and reactive power, as well as the frequency, leading to coupling between active and reactive power, which in turn impacts the system’s stability. To address this issue, virtual impedance is added to the inverter output circuit in the third part of the paper to decouple active and reactive power, allowing the droop control method represented by Equation (9) to remain effective.

3. The Improved Droop Control Strategy Based on the APSO Algorithm

3.1. Droop Control Based on Virtual Impedance

To ensure the applicability of Equation (9) in scenarios where multiple inverters are paralleled and the line impedances differ, a modified droop control method utilizing virtual impedance is introduced. This method involves the incorporation of virtual impedance into the output lines of the paralleled inverters, thereby mitigating the variations in voltage drops that arise due to unequal line impedances. For the sake of simplicity in analysis, this discussion focuses on the case involving only two paralleled inverters.
The equivalent circuit of an islanded microgrid with two DG units operating in parallel is shown in Figure 3.
The equivalent circuit of an islanded microgrid with two DG units operating in parallel is shown in Figure 3, where the DG units are connected to the PCC through different line impedances. R and X represent line impedances of equal magnitude for D G 1 and D G 2 , respectively, while Δ R and Δ X denote the differences in the line impedances between D G 1 and D G 2 . Δ U 1 and Δ U 2 represent the voltage drops from the outputs of D G 1 and D G 2 to the PCC, respectively.
Assume that the line impedance of D G 2 is greater than that of D G 1 . Based on Figure 3, we can obtain:
Δ U 1 X Q 1 + R P 1 U 0
Δ U 2 X Q 2 + R P 2 U 0 + Δ X Q 2 + Δ R P 2 U 0 = Δ U 2 + Δ U 2
In Equation (11), Δ U 2 and Δ U 2 represent the voltage drops caused by the output power of D G 2 passing through line impedances that are equal to and different from those of D G 1 , respectively. The voltage drop differences due to line impedance disparities lead to an improper distribution of reactive power based on the droop coefficients. To achieve a reasonable allocation of reactive power among inverters, an improved droop control method is proposed.
Let the voltage drops caused by the DG output power across the virtual impedance be Δ U v , where X v represents the virtual reactance and R v represents the virtual resistance. By ensuring that the equation Δ U v + Δ U 2 = 0 holds, the voltage drop differences caused by line impedance disparities can be eliminated, thereby achieving an equal distribution of reactive power.
From Equation (11), it can be obtained:
X v Q 2 + R v P 2 U 0 + Δ X Q 2 + Δ R P 2 U 0 = 0
The traditional virtual impedance method eliminates the impact of line impedance differences on reactive power distribution by designing X v = Δ X and R v = Δ R . However, this approach requires prior knowledge of the line impedance parameters, which is difficult to implement in practical engineering applications.
Let the virtual resistance and virtual reactance be equal, i.e., M v = X v = R v . From Equation (12), it can be obtained:
M v = Δ X + Δ R cot φ 1 + cot φ
In Equation (13), c o t φ = P 2 / Q 2 . If the virtual impedance M v satisfies Equation (13), accurate reactive power sharing can be achieved. For any values of Δ R , Δ X , P 2 , and Q 2 , there will exist a virtual impedance value that satisfies Equation (13). However, directly adding a virtual impedance requires prior knowledge of the line impedance parameters. To avoid using line impedance values, this study proposes adjusting the virtual impedance based on load power. The voltage drop across the virtual impedance compensates for the voltage drop differences caused by line impedance disparities, thereby achieving reasonable power distribution.
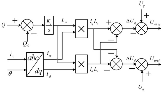
Since a constant c o t φ value implies a constant power factor, any change in the c o t φ value will result in a change in the power factor. Combining this with Equation (13), it can be seen that, when the load power factor varies, the required virtual impedance values will also change. Therefore, the virtual impedance value must be adaptively adjusted according to the variation in the load power factor. The control structure for the adaptive virtual impedance is shown in Figure 4.
The DG adjusts the virtual impedance value using the difference between the received reactive power output reference and the actual reactive power output, which is processed through an integral controller. The virtual impedance is then superimposed with the voltage reference value obtained from the droop control. Once the virtual impedance is adjusted so that the DG’s actual reactive power output equals the reactive power reference, the virtual impedance value will no longer change. The virtual impedance value will only change when the load power factor varies.
In Figure 4, L v represents the adaptive virtual impedance; U d , U q , and θ are all derived from the droop controller; and Q 0 is the given reactive power output reference for the inverter. K i is the integral coefficient. Through the integrator, the virtual impedance can automatically adjust its magnitude based on reactive power, unaffected by inconsistencies in DG line impedances, thus adapting to changes in operating conditions and achieving reasonable reactive power distribution. The expression for the adaptive virtual impedance is:
L v = K i s ( Q Q 0 )
In Equation (14), Q 0 is calculated by the central controller based on the load power and the power of each inverter, and is then sent to the local controllers of the inverters. The central controller allocates the reactive power according to the DG capacity. If the capacities of all DGs are the same, the load power is evenly distributed among the inverters. If N DGs are connected in parallel and the total load reactive power is Q L , the given reactive power for each inverter is Q L = Q 0 / N . If the capacities of the DGs are different, the central controller proportionally allocates the load power according to the capacities of each DG.
The expression for the inverter output voltage reference value under the improved droop control in the d q -coordinate system is:
U i d ref = U i d L v I i d + L v I i q U i q ref = U i q L v I i q L v I i d
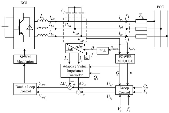
The improved droop control structure based on virtual impedance is shown in Figure 5. The control strategy of DG2 is similar to that of DG1. In the improved droop control structure based on virtual impedance, L f and C f represent the filter inductance and filter capacitance, respectively, while Z L denotes the line impedance. The voltage ( u o a , u o b and u o c ) and current ( i o a , i o b and i o c ) outputs of the DG1 inverter are processed through the power calculation module to obtain the active power P and reactive power Q . These calculated values are then compared to the reference active and reactive power values and fed into the droop control module to generate preliminary voltage references U i d and U i q .
Subsequently, the outputs of the adaptive virtual impedance control structure, U d and U q , are subtracted from the preliminary voltage references to determine the final voltage references required by the inverter. These final references are compared to the actual output voltage of the inverter and input into the voltage and current dual-loop control system. Through SPWM modulation, six pulse signals are generated to control the DG1 inverter effectively.

3.2. Introduction of the APSO Algorithm

Nowadays, Deep Reinforcement Learning (DRL) has emerged as a powerful tool for solving complex optimization and control problems, leveraging its ability to learn optimal strategies through interaction with the environment. DRL is a subset of artificial intelligence (AI) that has gained prominence for its efficacy in tackling complex control and decision-making challenges across diverse domains. By integrating Reinforcement Learning (RL) principles with Deep Neural Networks (DNNs), DRL empowers RL agents to learn optimal actions through interactions with their environments [30]. DRL has been widely applied in power systems, particularly in scenarios requiring adaptive and dynamic decision making under varying operating conditions. However, its practical application often involves high computational costs, extensive training data, and challenges related to convergence and stability in real-time systems.
The APSO algorithm, as applied in this work, offers several advantages over DRL methods, particularly in the context of controller parameter optimization in microgrids with parallel inverters. While both approaches aim to optimize parameters to enhance system performance, the APSO algorithm demonstrates lower computational complexity, faster convergence, and greater ease of implementation. Moreover, APSO requires fewer system resources and is less sensitive to initialization and hyperparameter tuning, making it more suitable for the specific requirements of microgrid applications. By combining adaptive weight adjustment and global–local search capabilities, APSO ensures robust and efficient optimization, addressing the limitations associated with DRL in real-time control scenarios. The basic PSO algorithm and APSO algorithm are presented in detail in the next section.

3.2.1. Basic PSO Algorithm

The basic PSO algorithm utilizes the sharing of information among individuals, which causes the movement of the entire swarm to evolve from disorder to order in the solution space, thereby obtaining the optimal solution. The N-dimensional search equation can be expressed as follows:
V i k + 1 = ω v i k + c 1 r d 1 ( Y i k x i k ) + c 2 r d 2 ( x pg k x i k ) , i = 1 , , N
x i k + 1 = x i k + v i k + 1
where i and k represent the dimension of the particle and its iteration count; v and x represent the velocity and position of the particle, respectively; and ω is the inertia weight. The constants c 1 and c 2 are preset values, and to maintain the convergence of the search, they are set to 1.4962; r d 1 and r d 2 are random numbers between [0, 1]; and Y i k and x p g k are the current particle’s and the entire swarm’s optimal values.

3.2.2. The Adaptive Weight-Based Optimization PSO Algorithm

The goal of droop control optimization in microgrids is to ensure the stability of system voltage, as well as the equal distribution of active and reactive power, even in the presence of external disturbances or line impedance imbalance. In other words, it aims to achieve a certain level of robustness and stable power quality. An optimized PSO algorithm is proposed in this paper that leverages the fast optimization capabilities of the basic PSO algorithm and its advantages in handling nonlinear problems. The algorithm minimizes voltage deviation during the system’s operation in real time. Additionally, an adaptive mean inertia weight factor and dynamic weight allocation are introduced to the basic PSO algorithm, allowing the optimization criteria to comprehensively and accurately reflect the line’s operational deviations, thereby ensuring the stable operation of the system and the rational distribution of power.
The optimized PSO algorithm proposed in this paper introduces an adaptive mean inertia weight factor to correct the “individual cognition” and “social learning” parts of the velocity update formula. In Equation (16), instead of directly comparing the individual best and global best particles, their linear combination is used as a replacement. The velocity update formula for the optimized PSO algorithm is modified as follows:
v i k + 1 = ω v i k + c 1 r d 1 ( ( Y i k + x pg k ) / 2 x i k ) + c 2 r d 2 ( ( Y i k + x pg k ) / 2 x i k ) , i = 1 , , N
The steps for determining the adaptive mean inertia weight factor are as follows: Compare the individual best and the current global best with the particle’s current fitness value and select the better one. After calculating the fitness values for each particle, sort them in descending order and divide them into two groups of equal size, calculating the average fitness values f a v e l and f a v e 2 for each group. Compare each particle’s fitness value f i t m e s s with f a v e 1 and f a v e 2 , which divides the particles into three levels. Different levels use corresponding adaptive inertia weights, as shown in Equation (19). This approach allows the value of ω to be selected based on the particle’s own situation, improving the global convergence speed and solution accuracy.
f iness < f avel , ω = 0.2 f iness > f ave 2 , ω = 0.9 f ave 1 < f itness < f ave 2 , ω [ 0.4 , 0.6 ]
When the fitness value is less than f a v e 1 , it indicates that the particle is one of the better individuals in the swarm, and its position is close to the global optimum. In this case, a smaller value of ω is beneficial for algorithm convergence, and ω = 0.2 is chosen. When the fitness value is greater than f a v e 2 , it indicates that the particle is relatively poor, and a larger value of ω helps improve the learning ability of the entire swarm and enhances global search capability. Therefore, ω = 0.9 is chosen. When the fitness value is between f a v e 1 and f a v e 2 , ω is selected as a random value in the range of [0.4, 0.6], which ensures a certain convergence speed while maintaining the diversity of the entire swarm. Once the value is determined, the particle’s position and velocity are updated according to Equations (17) and (18). The specific optimization process is illustrated in Figure 6.
Figure 6 presents the flowchart for optimizing PID controller parameters using the APSO algorithm in a voltage regulation loop. The process begins by inputting the voltage deviation from the outer voltage loop (ΔU) into the APSO module, which acts as the fitness function. The APSO algorithm is then initialized, where the first generation of particles is randomly selected to represent potential solutions for the PID controller parameters. These particles are evaluated and updated based on their fitness, which is determined by how well the voltage deviation is minimized. The particles are updated iteratively in each update cycle, with each particle’s position and velocity adjusted according to the APSO optimization rules.
At each iteration, the global best (the best solution found to date) and individual best (the best solution found by each particle) are updated. The APSO algorithm checks if all particles have been updated, and if not, the cycle continues. Once all particles are updated, the algorithm checks whether the predefined parameter update time or iteration limit has been reached. If the update time is met, the optimized PID parameters are then output to the PI controller, which controls the outer voltage loop to regulate the system voltage.
Finally, the algorithm verifies if the system has completed its operation. If the optimization process has successfully converged and the voltage regulation is satisfactory, the process ends.

3.2.3. The Application of the Optimized APSO Algorithm in Improved Droop Control

The structure diagram of the improved droop control based on the APSO algorithm is shown in Figure 7. The optimization APSO algorithm module is integrated with the voltage outer loop control of the improved droop control in the microgrid, enabling real-time interaction. Firstly, in the optimization APSO algorithm, the K p and K i parameters (four parameters in total) of the voltage outer loop control for two parallel DG units, DG1 and DG2, are treated as the four dimensions of the particle search: g (1), g (2), g (3), and g (4). During the droop control process, when the microgrid operates in the islanded mode and conditions such as line impedance imbalance occur, the voltage–current dual-loop control module feeds the line error information (voltage deviation U ) in real time to the optimization APSO module via the connecting line. The APSO module then performs the first update: It starts analyzing the error information and dynamically weights the voltage deviation based on the degree of the different types of errors. After calculating the corresponding fitness function values, the particles are updated, completing the first cycle. A judgment condition is then used to determine if the next update cycle should begin. The adaptive mean inertia weight factor ω is applied to accelerate the convergence speed of the algorithm, leading to the final optimization solution. The optimization APSO module then immediately feeds the optimization results back into the voltage outer loop PI controller via the connecting line, updating the original PI controller parameters. This results in the generation of an improved voltage U through SPWM modulation, thereby improving reactive power distribution under impedance imbalance conditions and stabilizing the output voltage magnitudes of the two inverters.
After optimizing the parameters of the voltage outer-loop PID controller using the APSO algorithm and the PSO algorithm, the convergence curves of both algorithms are shown in Figure 8.
From the comparison of convergence curves, it can be observed that the APSO algorithm exhibits a significantly faster convergence rate than PSO within the first 10 iterations. This indicates that its adaptive mechanism effectively accelerates the optimization process, enabling the algorithm to approach the optimal solution more rapidly. Although the PSO algorithm is also capable of finding the global optimum, its convergence speed is relatively slower, and it tends to stagnate near local optima for a longer period. In contrast, APSO stabilizes after approximately 10 iterations, whereas PSO still exhibits minor fluctuations between 20 and 40 iterations. This demonstrates the advantages of the APSO algorithm in terms of both global search capability and fine-tuning in later stages.

4. Stability Analysis of Improved Droop Control Strategies

To analyze the stability of the proposed control strategy, the static working point is linearized to model the small signal. According to the derivation of Section 2, Equation (4) is the power of the DG flowing into the transmission line, which is converted to the following form:
P = R c V n 2 R c V n V c o m cos φ + X c V n V c o m sin φ R c 2 + X c 2 Q = X c U 2 X c V n V c o m cos φ R c V n V c o m sin φ R c 2 + X c 2
where V n and V c o m are the output voltage of the inverter and the voltage at the PCC, respectively; R c and X c are the line impedance after the addition of the virtual impedance, with R c = R + L v and X c = X + L v .
Let φ 0 , V n 0 , and V c o m 0 be the stable running points of the system; according to the Equations (9) and (20), the relevant small signal equation can be obtained:
Δ ω = ω P Δ P Δ V n = V n Q Δ Q Δ P = P V n Δ V n + P φ Δ φ + P L v Δ L v Δ Q = Q V n Δ V n + Q φ Δ φ + Q L v Δ L v Δ L v = K i s Δ Q
Equation (21) can be reduced to the following form:
Δ ω = m Δ P Δ V n = n Δ Q Δ P = k p u Δ V n + k p φ Δ φ + k p l Δ L v Δ Q = k q u Δ V n + k q φ Δ φ + k q l Δ L v Δ L v = K i s Δ Q
In the above equation, K i is the integration coefficient of the PID controller in the virtual impedance control module. The expression for the individual parameters in Equation (22) is as follows:
k p u = 2 R c V n R c V c o m cos φ + X c V c o m sin φ R c 2 + X c 2 k q u = 2 X c V n X c V c o m cos φ R c V c o m sin φ R c 2 + X c 2 k p φ = R c V n V c o m sin φ + X c V n V c o m cos φ R c 2 + X c 2 k q φ = X c V n V c o m sin φ R c V n V c o m cos φ R c 2 + X c 2 k p l = 2 ( R c + X c ) P + V n 2 V n V c o m cos φ + U V c o m sin φ R c 2 + X c 2 k q l = 2 ( R c + X c ) Q + V n 2 V n V c o m cos φ V n V c o m sin φ R c 2 + X c 2
Since the power input to the droop control module is obtained by passing the measured instantaneous power through a first-order low-pass filter, Equation (23) can be converted to the following form:
Δ ω ( s ) = m ω c s + ω c k p u Δ V n ( s ) + k p φ Δ φ ( s ) + k p l Δ L v ( s ) Δ V n ( s ) = n ω c s + ω c k q u Δ V n ( s ) + k q φ Δ φ ( s ) + k q l Δ L v ( s ) Δ L V ( s ) = K i s k q u Δ V n ( s ) + k q φ Δ φ ( s ) + k q l Δ L v ( s )
In Equation (24), ω c is the low-pass filter cutoff frequency. Since ω ( s ) = s φ ( s ) , introducing it into Equation (24) can yield the system’s characteristic equation as follows:
A s 4 + B s 3 + C s 2 + D s + E = 0
The individual parameter expressions in Equation (25) are as follows:
A = 1 / ω c 2 B = 2 / ω c + n k q u / ω c k q l K i / ω c 2 C = 1 + m k p φ / ω c + n k q u 2 k q l K i / ω c D = m k p φ + n m k q u k p φ n m k p u k q φ k q φ K i m k q l K i k p φ / ω c + m k p φ K i / ω c E = m k q l K i k p φ + m k p l k q φ K i
when P = 10,000 W, Q = 10,000 W, V n = 217 V, V c o m = 215 V, R c = 0.0217, and X c = 0.0217 Ω. It is a steady-state operating point of the system. This paper analyzed the impact of changes in system parameters on the system stability based on this steady-state operating point.
Figure 9 shows the distribution of root locus corresponding to K i changing from 0 to 0.001 when the other control parameters are constant, the direction of the arrows indicates the variation trend of the four eigenvalues of the system’s characteristic equation as the parameter K i increases
In the root locus plot, the characteristic root near the imaginary axis has the greatest effect on the system stability. As the integration coefficient K i increases in the specified range, the two pairs of conjugate virtual root real parts are less than 0, indicating that the system can operate stably. As the value of K i increases, the imaginary parts of the two conjugate imaginary roots become zero, and the system shows strong damping characteristics, which increases the response time of the system. When K i is too small or too large, there is a characteristic root that will gradually approach the imaginary axis, affecting the stability of the system. Therefore, the value of the integration coefficient K cannot be too large; otherwise, it will affect the stability. The value of K i in the study was 0.00006.

5. Simulation Results

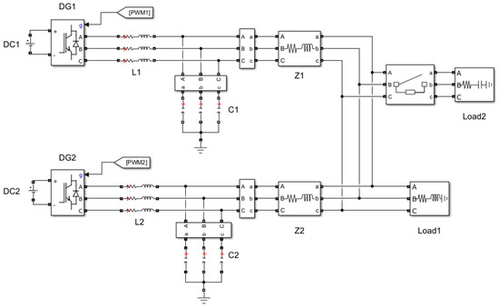
Based on the traditional and improved droop control structures introduced in Section 2 and Section 3, an islanded microgrid simulation model was constructed on the Matlab/Simulink platform. Additionally, the APSO algorithm was applied to the improved droop control to further enhance system performance. The main circuit and control components of the simulation model are shown in Figure 10 and Figure 11.
In Figure 10, DC1 and DC2 represent the DC power sources on two separate lines; DG1 and DG2 are the inverters on these two lines, responsible for converting the DC voltage into AC voltage. L1, C1 and L2, C2 are the filtering inductors and capacitors on the respective lines. Z1 and Z2 denote the line impedances of the two lines. Load1 represents the local load, while Load2 adjusts the size of Load1 via a switch to simulate load variations. Figure 11 shows the control modules of DG1 and DG2, which share the same control strategy. The output power of DG1 is measured through the park transformation and power calculation module 1. The collected power is then fed into the improved droop control module 1 to generate a reference voltage. This reference voltage is input into the module of voltage–current dual closed-loop control 1, which outputs the pulse width modulation (PWM1) signal to control DG1. The control of DG2 follows the same procedure.
The simulation model consists of two inverters connected in parallel to supply power to a linear load. The parameters used in the experiment are shown in Table 1.
In this experiment, the power-sharing performance of two inverters under traditional droop control was observed under two conditions: sudden load increase and sudden load decrease. The reactive power distribution and output voltage magnitude of the two inverters were compared between traditional droop control and the improved droop control, verifying the effectiveness of the improved method in achieving reactive power sharing. Furthermore, the improved droop control was compared with the APSO-enhanced droop control under both load variation conditions. The differences in inverter reactive power output and voltage magnitude before and after introducing the algorithm, as well as the circulating current suppression effect, were analyzed.

5.1. Reactive Power Distribution Under Traditional Droop Control

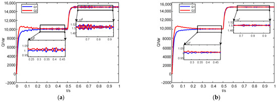
Figure 12a,b illustrate the reactive power distribution between the two inverters under traditional droop control before and after a sudden increase and decrease in reactive load, respectively. Similarly, Figure 13a,b show the output voltage amplitudes of the two inverters under traditional droop control during these scenarios. In the figures, Q 1 and Q 2 represent the reactive power outputs of DG1 and DG2, respectively. The initial local reactive load was set to 20 kVar, which increased to 30 kVar at 0.5 s.
As observed from Figure 12a,b, although the total reactive power output of the two inverters matches the reactive load before and after the load change, the reactive power is not equally shared between the inverters under traditional droop control. Furthermore, Figure 13a,b indicate that the output voltage amplitudes of the two parallel inverters differ before and after the reactive load changes, resulting in a voltage difference between the inverters. This voltage difference leads to circulating currents between the inverters, which can cause equipment damage.
Figure 14a,b depict the circulating current waveforms of phase A between two inverters under a sudden increase and decrease in reactive load, respectively. As shown in Figure 14, there exist significant circulating currents between the two inverters, both before and after load variations, when using the traditional droop control method. It can be seen that this method fails to effectively suppress circulating currents under external disturbances.

5.2. Improved Droop Control in the Case of Reactive Power Load Surge

Figure 15a,b illustrate the reactive power outputs of DG1 and DG2 under the improved droop control methods and the improved droop control based on the APSO algorithm, respectively, before and after changes in the reactive load. In the figures, Q 1 and Q 2 represent the reactive power outputs of DG1 and DG2. The initial local reactive load was set to 20 kVar, which increased to 30 kVar at 0.5 s.
As shown in Figure 15a, the improved droop control methods ensure equal reactive power sharing between the two inverters before and after the sudden increase in the reactive load. Before the load increase, both inverters output 10 kVar of reactive power. After the load increase, the reactive power output of both inverters rose to 15 kVar.
Comparing Figure 15a,b, it is evident that the improved droop control method optimized by APSO exhibits smoother reactive power output waveforms and achieves more ideal reactive power sharing. Even after the reactive load increases, the reactive power sharing between the two inverters remains well-balanced.
The reactive power deviations output by two inverters, each utilizing a distinct optimization method, before and after an increase in reactive load are presented in Table 2.
Figure 16a,b compare the output voltage amplitudes of DG1 and DG2 under the improved droop control methods and the improved droop control based on the APSO algorithm, respectively, before and after a sudden increase in reactive load. In the figures, U 1 and U 2 represent the output voltage amplitudes of DG1 and DG2.
The comparison of Figure 16a,b reveals that, as the reactive power output of the inverters increases, the voltage amplitudes of both inverters decrease. Before the load change, the output voltage amplitudes of both inverters remain stable at approximately 308 V. After the reactive load increases, the voltage amplitudes stabilize at around 306.5 V.
Under the droop control method optimized by APSO, the output voltage amplitudes are more stable, and the voltage amplitudes of the two inverters remain nearly identical before and after the reactive load increase. This results in a smaller voltage difference between the inverters, effectively suppressing circulating currents between the parallel inverters.
The voltage deviations output by two inverters, each utilizing a different control method, before and after an increase in reactive load are presented in Table 3.
Figure 17a,b illustrate the circulating current waveforms of phase A between two inverters before and after the introduction of the algorithm during the reactive load surge. As shown in Figure 17, the circulating current between the two inverters is significantly improved when an adaptive virtual impedance control method is incorporated into the traditional droop control. By comparing Figure 17a,b, it is evident that the improved droop control optimized by the APSO algorithm further suppresses the circulating current. Even after the sudden increase in reactive load, the circulating current remains at a relatively low level.

5.3. Improved Droop Control in the Case of Reactive Load Drop

Figure 18a,b show the reactive power outputs of DG1 and DG2 under the improved droop control methods and the improved droop control based on the APSO algorithm, respectively, before and after a decrease in reactive load. The initial local load remains unchanged, and at 0.5 s, the reactive load decreases to 10 kVar.
As shown in Figure 18a, with the improved droop control methods, the reactive power outputs of the two inverters remain equal before and after the decrease in reactive load. Prior to the load reduction, both inverters output 10 kVar of reactive power, which decreases to 5 kVar after the load reduction.
A comparison of Figure 18a,b indicates that the improved droop control method optimized by APSO ensures that the reactive power outputs of the two inverters remain nearly equal before and after the decrease in reactive load.
The reactive power deviations output by two inverters, each employing a different control method, before and after a reduction in reactive load are shown in Table 4.
Figure 19a,b compare the output voltage amplitudes of DG1 and DG2 under the improved droop control methods and the improved droop control based on the APSO algorithm, respectively, before and after a decrease in reactive load.
The figures show that the output voltage amplitudes of both inverters increase as their reactive power output decreases during the load change. Before the load change, the voltage amplitudes of both inverters stabilize at approximately 308 V. After the reactive load decreases, the voltage amplitudes stabilize at around 309.5 V.
A comparison of Figure 19a,b reveals that, under the improved droop control method optimized by APSO, the output voltage amplitudes of the two inverters remain nearly identical before and after the reactive load decrease. This ensures that the voltage deviation between the parallel inverters is kept to a minimal level, effectively suppressing circulating currents between them.
The voltage deviations of two inverters, each utilizing a different control method, before and after a reduction in reactive load, are presented in Table 5.
Figure 20a,b illustrate the circulating current waveforms of phase A between the two inverters under a load reduction, comparing the scenarios before and after the algorithm is implemented. A comparison of Figure 20a,b reveals that the improved droop control optimized by the APSO algorithm maintains a low circulating current level before and after reactive load variations, effectively suppressing it between the inverters.

5.4. Comparative Analysis of the Circulation Between Inverters

According to the simulation results, the circulation between the inverter with different control methods is shown in Table 6.
Based on the data in Table 6, it can be observed that, compared to the traditional droop control method, the improved droop control effectively suppresses circulating currents between inverters after load variations. Furthermore, by incorporating the APSO algorithm into the improved droop control strategy, the circulating currents between the inverters are further reduced. The results indicate that the improved droop control with the APSO algorithm provides a better suppression of circulating currents between inverters, thereby reducing the damage caused by these currents to the inverters.

6. Conclusions and Outlook

6.1. Conclusions

In summary, the implementation of an improved droop control method incorporating adaptive virtual impedance can achieve balanced reactive power sharing among between two parallel inverters in a microgrid, while also stabilizing the inverter output voltage magnitude. A real-time improved droop control strategy based on an optimized PSO algorithm, building upon existing droop control improvements, is proposed in this paper. To address the impedance characteristics of low-voltage microgrids, a coordinate rotation decoupling control for active and reactive power is introduced. The PSO algorithm is optimized using only voltage information: the voltage error signal from the voltage outer loop during operation is provided as input for PSO optimization, which minimizes the inverter output voltage error in real time. The optimization results are then fed back into the PID controller of the voltage outer loop in the voltage–current dual-loop control structure. This approach ensures a simple control structure with real-time optimization, guaranteeing stable system output voltage and balanced load power sharing. By analyzing the simulation results, the conclusions are follows:
  • By comparing the simulation results of the traditional droop control method with those of the droop control method based on virtual impedance, we observe that the introduction of virtual impedance in the traditional droop control eliminates the impedance differences in the lines of two paralleled inverters. This enables the two inverters to evenly distribute the output reactive power and ensures equal voltage amplitudes at the outputs of the two inverters, thereby reducing the circulating current between them.
  • By comparing the introduction of the APSO algorithm, an improved droop control before and after the simulation results can be seen, before and after the reactive load changes. Introducing apso algorithm-improved droop control means that the two inverter output reactive power can improve steadily, while keeping the output voltage more stable, reflecting the whole system’s strong anti-interference ability. In addition, after the introduction of the apso algorithm, the circulating current between the inverters is further suppressed, so that it can still remain at a low value when the external load changes, thus reducing the damage of the circulation to the inverter.

6.2. Outlook

The improved droop control strategy based on APSO proposed in this study has demonstrated significant improvements in reactive power distribution, voltage stability, and power quality in islanded low-voltage microgrids with multiple parallel inverters. Although the simulation results indicate promising prospects for this strategy, several research directions remain to further enhance the system’s performance and applicability.
  • This study primarily focuses on a system with two inverters. Future work could explore extending the PSO-based droop control strategy to large-scale microgrids with multiple inverters. As the number of inverters increases, the system may face additional challenges such as communication delays, control coordination, and system stability. Future research could focus on distributed control algorithms and hierarchical control structures to ensure that the proposed strategy maintains its superior performance in large-scale, distributed microgrids.
  • While the APSO algorithm effectively optimized system performance in a simulation environment, the real-time optimization of PID control parameters in dynamic conditions remains a challenge. Future research could aim to develop more computationally efficient PSO algorithms or hybrid optimization methods to meet the real-time control requirements of microgrid systems. This would enable the system to dynamically adjust its control strategy in response to varying load fluctuations or network disturbances, further enhancing the system’s adaptability.
  • Although the simulation results demonstrated the effectiveness of the proposed method, real-world experimental validation is essential to confirm its feasibility. Future research could prioritize the deployment of the APSO-based droop control strategy in a hardware platform to evaluate its practical performance.

Author Contributions

Conceptualization, B.T.; Data curation, B.T.; Formal analysis, Y.G. and B.T.; Investigation, T.Z.; Methodology, X.X.; Software, B.T.; Supervision, X.X.; Validation, K.D., Y.X., Q.W., K.W. and X.G.; Visualization, B.T.; Writing—original draft, B.T.; Writing—review and editing, X.X. All authors have read and agreed to the published version of the manuscript.

Funding

This research received no external funding.

Data Availability Statement

The raw/processed data cannot be shared at this time. Due to the nature of this research, participants of this study did not agree for their data to be shared publicly.

Conflicts of Interest

The authors declare no conflicts of interest.

References

  1. Zhang, J.; Yang, J. Circulating current restraining and bus voltage control of parallel inverters in islanding micro-grid. Electr. Meas. Instrum. 2021, 58, 125–132. [Google Scholar] [CrossRef]
  2. Lin, K.; Xiao, F.; Jie, G.; Fan, X.; Xie, Z. Droop Control Strategy in Microgrid Isolated Island Mode Using Active Power Disturbance. ElectricDrive 2020, 50, 55–60. [Google Scholar] [CrossRef]
  3. Lv, H.; Gao, P.; Shen, J.; Li, C. Study on Coordinated Control of Inverter Parallel System Based on Microgrid. Appl. IC 2020, 37, 136–137. [Google Scholar] [CrossRef]
  4. Xu, X.; Gu, Y.; Guo, J.; Song, Y. Research on Improved Droop Control Strategy of Microgrid in Island Mode. In Proceedings of the 2023 6th International Conference on Energy, Electrical and Power Engineering (CEEPE), Guangzhou, China, 12–14 May 2023; pp. 480–484. [Google Scholar] [CrossRef]
  5. Hennane, Y.; Martin, J.-P.; Berdai, A.; Pierfederici, S.; Meibody-Tabar, F. Power Sharing and Synchronization Strategies for Multiple PCC Islanded Microgrids. J. Electr. Electron. Eng. Telecommun. 2020, 9, 156–162. [Google Scholar] [CrossRef]
  6. Rong, H.; Chen, Y. Improved Droop Control Strategy of Microgrid Based on Optimized Particle Swarm Algorithm. In Proceedings of the 2020 Chinese Automation Congress (CAC), Shanghai, China, 6–8 November 2020; pp. 2324–2329. [Google Scholar] [CrossRef]
  7. Huang, X.; Chen, C. Improved Droop Control Scheme for Reactive Power Sharing of Parallel Inverter System. In Proceedings of the 2020 IEEE 1st China International Youth Conference on Electrical Engineering (CIYCEE), Wuhan, China, 1–4 November 2020; pp. 1–6. [Google Scholar] [CrossRef]
  8. Zhou, Z.; Zou, H. Improved Droop Control Strategy Based on Consensus Algorithm. In Proceedings of the 2023 3rd International Conference on Electrical Engineering and Control Science (IC2ECS), Hangzhou, China, 29–31 December 2023; pp. 1696–1700. [Google Scholar] [CrossRef]
  9. Zhang, L.; Zheng, H.; Hu, Q.; Su, B.; Lyu, L. An Adaptive Droop Control Strategy for Islanded Microgrid Based on Improved Particle Swarm Optimization. IEEE Access 2020, 8, 3579–3593. [Google Scholar] [CrossRef]
  10. Cheng, J.; Wang, W.; Chen, J. Control Strategy of Sharing Power in Proportion for Autonomous Microgridby Virtual Inductance. High Volt. Eng. 2016, 42, 2142–2148. [Google Scholar] [CrossRef]
  11. Han, H.; Liu, Y.; Sun, Y.; Su, M.; Guerrero, J.M. An Improved Droop Control Strategy for Reactive Power Sharing in Islanded Microgrid. IEEE Trans. Power Electron. 2015, 30, 3133–3141. [Google Scholar] [CrossRef]
  12. Zhang, P.; Zhao, H.; Cai, H.; Shi, J.; He, X. Power decoupling strategy based on ‘virtual negative resistor’ for inverters in low-voltage microgrids. IET Power Electron. 2016, 9, 1037–1044. [Google Scholar] [CrossRef]
  13. Xu, S.; Li, J.; Hu, D. Stability Analysis and Control Strategy of Parallel Storage Inverter System Working Under the Micro-grid’s Island Condition. High Volt. Eng. 2015, 41, 3266–3273. [Google Scholar] [CrossRef]
  14. Chen, Y.; Guerrero, J.M.; Shuai, Z.; Chen, Z.; Zhou, L.; Luo, A. Fast Reactive Power Sharing, Circulating Current and Resonance Suppression for Parallel Inverters Using Resistive-Capacitive Output Impedance. IEEE Trans. Power Electron. 2016, 31, 5524–5537. [Google Scholar] [CrossRef]
  15. Verma, V.; Solanki, S.K.; Solanki, J. Improved Reactive Power Sharing Between Droop Controlled Inverters in Islanded Microgrid. In Proceedings of the 2020 IEEE Power & Energy Society General Meeting (PESGM), Montreal, QC, Canada, 2–6 August 2020; pp. 1–5. [Google Scholar] [CrossRef]
  16. Soni, N.; Doolla, S.; Chandorkar, M.C. Improvement of Transient Response in Microgrids Using Virtual Inertia. IEEE Trans. Power Deliv. 2013, 28, 1830–1838. [Google Scholar] [CrossRef]
  17. Guo, Q.; Yuan, S.; Zhou, C. Research on Control Strategy of Smooth Switching Between Microgrid and Distribution Network Based on Fuzzy Principle. High Volt. Eng. 2015, 41, 3281–3287. [Google Scholar] [CrossRef]
  18. Elrayyah, A.; Sozer, Y. Construction of nonlinear droop relations to optimize islanded microgrids operation. In Proceedings of the 2013 IEEE Energy Conversion Congress and Exposition, Denver, CO, USA, 15–19 September 2013; pp. 1663–1668. [Google Scholar] [CrossRef]
  19. Kallamadi, M.; Sarkar, V. Enhanced real-time power balancingof an AC microgrid through transiently coupled droop control. IET Geneation Transm. Distrib. 2017, 11, 1933–1942. [Google Scholar] [CrossRef]
  20. Peng, Z.; Wang, J.; Bi, D.; Dai, Y.; Wen, Y. The Application of Microgrids Based on Droop Control with Coupling Compensation and Inertia. IEEE Trans. Sustain. Energy 2018, 9, 1157–1168. [Google Scholar] [CrossRef]
  21. Madhu, M.N.; Sasidharan, N.; Singh, J.G. Droop control incorporated power flow method for distribution and microgrid systems. In Proceedings of the 2015 IEEE Innovative Smart Grid Technologies-Asia (ISGT ASIA), Bangkok, Thailand, 3–6 November 2015; pp. 1–5. [Google Scholar] [CrossRef]
  22. Maulik, A.; Das, D. Optimal Operation of Droop-Controlled Islanded Microgrids. IEEE Trans. Sustain. Energy 2018, 9, 1337–1348. [Google Scholar] [CrossRef]
  23. Shi, X.; Lun, J. Research on Droop Control Based on Fuzzy PI and Linear Auto Disturbance Rejection. Electr. Autom. 2023, 45, 62–64+68. Available online: https://kns.cnki.net/kcms2/article/abstract?v=YMwpULBJqz4w3wlvOK53nNEq-1ivzVOSFSRYfnrdoVZTNNYe62oO35wpCDPcMqhb5Ro2px4z5r5KVOBTxHj6hLdYmzKKDhKxyBQqj4BsjiJetu_5j__2hBR_nE_bvcMTJ2kYdVV_hrkNJkoKCkNdM-pA-AS5OFO_PwDIguVIcVyBwLkAGwmmuUDURPJS-OkJwH03sDIyq8I=&unip (accessed on 1 November 2024).
  24. Wang, H.; Zhao, S.; Meng, J.; Wang, C.; Tian, Y. Adaptive Virtual Inertia Control for DC Microgrid Based on Droop Curve Intercept Adjustmen. Autom. Electr. Power Syst. 2021, 45, 97–105. [Google Scholar]
  25. Zhang, M.; Xu, Q.; Zhang, C.; Nordström, L.; Blaabjerg, F. Decentralized Coordination and Stabilization of Hybrid Energy Storage Systems in DC Microgrids. IEEE Trans. Smart Grid 2022, 13, 1751–1761. [Google Scholar] [CrossRef]
  26. Lv, Y.; Du, Y. Improved droop control technology of low voltage inverter parallel. Electr. Mach. Control 2020, 24, 38–47. [Google Scholar] [CrossRef]
  27. Zhang, Q.; Yu, Q.; Wang, J.; Li, J.; Zhang, Y. Improved Droop Control Based on Piecewise Virtual Impedance. Proc. CSU-EPSA 2021, 33, 87–93. [Google Scholar] [CrossRef]
  28. Cavus, M.; Allahham, A. Enhanced Microgrid Control through Genetic Predictive Control: Integrating Genetic Algorithms with Model Predictive Control for Improved Non-Linearity and Non-Convexity Handling. Energies 2024, 17, 4458. [Google Scholar] [CrossRef]
  29. Zhao, C.; Hao, Z.; Zhang, J.; Zhang, Y. Research on improved droop control strategy based on energy storage converters. Power Electron. 2024, 58, 69–73+77. [Google Scholar] [CrossRef]
  30. Dinata, N.F.P.; Ramli, M.A.M.; Jambak, M.I.; Sidik, M.A.B.; Alqahtani, M.M. Designing an optimal microgrid control system using deep reinforcement learning: A systematic review. Eng. Sci. Technol. Int. J. 2024, 51, 101651. [Google Scholar] [CrossRef]
Figure 1. The equivalent circuit of the inverter output.
Figure 1. The equivalent circuit of the inverter output.
Electronics 14 00893 g001
Figure 2. The traditional droop control structure.
Figure 2. The traditional droop control structure.
Electronics 14 00893 g002
Figure 3. The equivalent circuit of an islanded microgrid with two DG units operating in parallel.
Figure 3. The equivalent circuit of an islanded microgrid with two DG units operating in parallel.
Electronics 14 00893 g003
Figure 4. The control structure for the adaptive virtual impedance.
Figure 4. The control structure for the adaptive virtual impedance.
Electronics 14 00893 g004
Figure 5. The improved droop control structure based on virtual impedance.
Figure 5. The improved droop control structure based on virtual impedance.
Electronics 14 00893 g005
Figure 6. Flowchart for optimizing PI parameters of the outer voltage loop using APSO.
Figure 6. Flowchart for optimizing PI parameters of the outer voltage loop using APSO.
Electronics 14 00893 g006
Figure 7. Structure diagram of the improved droop control based on the APSO algorithm.
Figure 7. Structure diagram of the improved droop control based on the APSO algorithm.
Electronics 14 00893 g007
Figure 8. Comparison of the convergence curves between the Apso and pso algorithms.
Figure 8. Comparison of the convergence curves between the Apso and pso algorithms.
Electronics 14 00893 g008
Figure 9. Diagram of the root locus varying with Ki.
Figure 9. Diagram of the root locus varying with Ki.
Electronics 14 00893 g009
Figure 10. The main circuit of the improved droop control simulation model.
Figure 10. The main circuit of the improved droop control simulation model.
Electronics 14 00893 g010
Figure 11. The control section of the improved droop control simulation model.
Figure 11. The control section of the improved droop control simulation model.
Electronics 14 00893 g011
Figure 12. The reactive power distribution between the two inverters under traditional droop control. (a) The case of a sudden increase in reactive load. (b) The case of a reactive load decrease.
Figure 12. The reactive power distribution between the two inverters under traditional droop control. (a) The case of a sudden increase in reactive load. (b) The case of a reactive load decrease.
Electronics 14 00893 g012
Figure 13. The output voltage amplitudes of the two inverters under traditional droop control. (a) The case of a sudden increase in reactive load. (b) The case of a reactive load decrease.
Figure 13. The output voltage amplitudes of the two inverters under traditional droop control. (a) The case of a sudden increase in reactive load. (b) The case of a reactive load decrease.
Electronics 14 00893 g013
Figure 14. The circulating current waveforms of phase A between two inverters under two cases. (a) The case of reactive power load surge; (b) the case of reactive load drop.
Figure 14. The circulating current waveforms of phase A between two inverters under two cases. (a) The case of reactive power load surge; (b) the case of reactive load drop.
Electronics 14 00893 g014
Figure 15. Reactive power output of two inverters under two methods when the reactive load surge. (a) The improved droop control. (b) Improved droop control based on the APSO algorithm.
Figure 15. Reactive power output of two inverters under two methods when the reactive load surge. (a) The improved droop control. (b) Improved droop control based on the APSO algorithm.
Electronics 14 00893 g015
Figure 16. Waveforms of the output voltage magnitudes of two inverters under two methods when the reactive load surge. (a) The improved droop control. (b) Improved droop control based on the APSO algorithm.
Figure 16. Waveforms of the output voltage magnitudes of two inverters under two methods when the reactive load surge. (a) The improved droop control. (b) Improved droop control based on the APSO algorithm.
Electronics 14 00893 g016
Figure 17. The circulating current waveforms of phase A between two inverters under a sudden increase in reactive load for two different control methods. (a) The improved droop control; (b) improved droop control based on the APSO algorithm.
Figure 17. The circulating current waveforms of phase A between two inverters under a sudden increase in reactive load for two different control methods. (a) The improved droop control; (b) improved droop control based on the APSO algorithm.
Electronics 14 00893 g017
Figure 18. Reactive power output of two inverters under two methods when the reactive load drop. (a) The improved droop control; (b) improved droop control based on the APSO algorithm.
Figure 18. Reactive power output of two inverters under two methods when the reactive load drop. (a) The improved droop control; (b) improved droop control based on the APSO algorithm.
Electronics 14 00893 g018
Figure 19. Waveforms of the output voltage magnitudes of two inverters under two methods when the reactive load drop. (a) The improved droop control; (b) improved droop control based on the APSO algorithm.
Figure 19. Waveforms of the output voltage magnitudes of two inverters under two methods when the reactive load drop. (a) The improved droop control; (b) improved droop control based on the APSO algorithm.
Electronics 14 00893 g019
Figure 20. The circulating current waveforms of phase A between two inverters during a load decrease under two different control methods. (a) The improved droop control; (b) improved droop control based on the APSO algorithm.
Figure 20. The circulating current waveforms of phase A between two inverters during a load decrease under two different control methods. (a) The improved droop control; (b) improved droop control based on the APSO algorithm.
Electronics 14 00893 g020
Table 1. System parameters.
Table 1. System parameters.
System ParameterValues
DC800 V
AC311 V
Inverter resistance0.01 Ω
Filter inductance6 × 10−4 H
Filter capacitor15 × 10−3 μF
Impedance of line 1R = 0.04 Ω L = 4 × 10−4 H
Impedance of line 2R = 0.024 Ω L = 3.06 × 10−4 H
Standard frequency of microgrid50 Hz
Public load powerP = 20 × 103 W QL = 20 × 103 Var
Sudden load power increaseQL = 10 × 103 Var
Sudden load power decreaseQC = 10 × 103 Var
Voltage outer loop Kp/Ki3/300
APSO-optimized voltage outer loop Kp/Ki10.2539/199.707542690525
Table 2. The reactive power deviations output by two inverters when the reactive load surge.
Table 2. The reactive power deviations output by two inverters when the reactive load surge.
Optimization MethodReactive Power Deviation Before Load IncreaseReactive Power Deviation After Load Increase
Improved droop controlMax = 3.57%
Min = 1.40%
Max = 2.40%
Min = 0.068%
Improved droop control based on the APSO algorithmMax = 2.16%
Min = 1.41%
Max = 1.06%
Min = 0.072%
Table 3. The voltage deviations output by two inverters.
Table 3. The voltage deviations output by two inverters.
Optimization MethodVoltage Deviation Before Load IncreaseVoltage Deviation After Load Increase
Improved droop controlMax = 0.037%
Min = 0.0135%
Max = 0.0376%
Min = 0.001%
Improved droop control based on the APSO algorithmMax = 0.018%
Min = 0.0137%
Max = 0.014%
Min = 0.001%
Table 4. The reactive power deviations output by two inverters when the reactive load drop.
Table 4. The reactive power deviations output by two inverters when the reactive load drop.
Optimization MethodReactive Power Deviation
Before Load Reduction
Reactive Power Deviation After Load Reduction
Improved droop controlMax = 3.57%
Min = 1.39%
Max = 8.38%
Min = 0.42%
Improved droop control based on the APSO algorithmMax = 2.16%
Min = 1.41%
Max = 2.16%
Min = 0.43%
Table 5. The voltage deviations of two inverters.
Table 5. The voltage deviations of two inverters.
Optimization MethodVoltage Deviation Before Load ReductionVoltage Deviation After Load Reduction
Improved droop controlMax = 0.037%
Min = 0.0136%
Max = 0.039%
Min = 0.002%
Improved droop control based on the APSO algorithmMax = 0.018%
Min = 0.0137%
Max = 0.017%
Min = 0.002%
Table 6. The circulation between inverters with different control methods.
Table 6. The circulation between inverters with different control methods.
Control MethodThe mean of Circulation After Load ReductionThe mean of Circulation After Load Increase
Traditional droop controlMax = 5.179 A
Min = −4.923 A
Max = 8.390 A
Min = −7.46 A
Improved droop controlMax = 2.617 A
Min = −3.598 A
Max = 2.669 A
Min = −3.310 A
Improved droop control based on the APSO algorithmMax = 1.188 A
Min = −0.732 A
Max = 1.354 A
Min = −1.135 A
Disclaimer/Publisher’s Note: The statements, opinions and data contained in all publications are solely those of the individual author(s) and contributor(s) and not of MDPI and/or the editor(s). MDPI and/or the editor(s) disclaim responsibility for any injury to people or property resulting from any ideas, methods, instructions or products referred to in the content.

Share and Cite

MDPI and ACS Style

Tu, B.; Xu, X.; Gu, Y.; Deng, K.; Xu, Y.; Zhang, T.; Gao, X.; Wang, K.; Wei, Q. Improved Droop Control Strategy for Islanded Microgrids Based on the Adaptive Weight Particle Swarm Optimization Algorithm. Electronics 2025, 14, 893. https://doi.org/10.3390/electronics14050893

AMA Style

Tu B, Xu X, Gu Y, Deng K, Xu Y, Zhang T, Gao X, Wang K, Wei Q. Improved Droop Control Strategy for Islanded Microgrids Based on the Adaptive Weight Particle Swarm Optimization Algorithm. Electronics. 2025; 14(5):893. https://doi.org/10.3390/electronics14050893

Chicago/Turabian Style

Tu, Binge, Xianglian Xu, Yifeng Gu, Kaitian Deng, Yuli Xu, Tianyu Zhang, Xinrong Gao, Kangning Wang, and Qingjie Wei. 2025. "Improved Droop Control Strategy for Islanded Microgrids Based on the Adaptive Weight Particle Swarm Optimization Algorithm" Electronics 14, no. 5: 893. https://doi.org/10.3390/electronics14050893

APA Style

Tu, B., Xu, X., Gu, Y., Deng, K., Xu, Y., Zhang, T., Gao, X., Wang, K., & Wei, Q. (2025). Improved Droop Control Strategy for Islanded Microgrids Based on the Adaptive Weight Particle Swarm Optimization Algorithm. Electronics, 14(5), 893. https://doi.org/10.3390/electronics14050893

Note that from the first issue of 2016, this journal uses article numbers instead of page numbers. See further details here.

Article Metrics

Back to TopTop