MRB-YOLOv8: An Algorithm for Insulator Defect Detection
Abstract
1. Introduction
2. Materials and Methods
2.1. YOLOv8n Algorithm
2.2. Algorithm Improvement
2.2.1. Multi-Spectral Channel Attention
2.2.2. RFAConv Replaces C2F Convolution
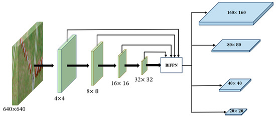
2.2.3. BiFPN and the Fourth Detection Layer
3. Results and Discussion
3.1. Dataset Preparation
3.2. Experimental Environment
3.3. Evaluation Metrics
3.4. Experimental Results and Analysis
3.4.1. Ablation Experiments
3.4.2. Comparison Experiment
3.5. Visualization Analysis
4. Conclusions
Author Contributions
Funding
Data Availability Statement
Acknowledgments
Conflicts of Interest
References
- Liu, X.Y. Recognition and Fault Diagnosis of Insulators in UAV Images. Master’s Thesis, North China Electric Power University, Beijing, China, 2018. [Google Scholar]
- Sadykova, D.; Pernebayeva, D.; Bagheri, M.; James, A. IN-YOLO: Real-Time Detection of Outdoor High Voltage Insulators Using UAV Imaging. IEEE Trans. Power Deliv. 2020, 35, 1599–1601. [Google Scholar] [CrossRef]
- Girshick, R. Fast R-CNN. In Proceedings of the IEEE International Conference on Computer Vision (ICCV), Santiago, Chile, 7–13 December 2015; IEEE: Piscataway, NJ, USA, 2015; pp. 1440–1448. [Google Scholar]
- Ren, S.; He, K.; Girshick, R.; Sun, J. Faster R-CNN: Towards real-time object detection with region proposal networks. Adv. Neural Inf. Process. Syst. 2015, 28, 1–9. [Google Scholar] [CrossRef] [PubMed]
- Redmon, J.; Divvala, S.; Girshick, R.; Farhadi, A. You Only Look Once: Unified, Real-time Object Detection. In Proceedings of the IEEE Conference on Computer Vision and Pattern Recognition (CVPR), Las Vegas, NV, USA, 27–30 June 2016; IEEE: Piscataway, NJ, USA, 2016; pp. 779–788. [Google Scholar]
- Redmon, J.; Farhadi, A. YOLO9000: Better, Faster, Stronger. In Proceedings of the IEEE Conference on Computer Vision and Pattern Recognition (CVPR), Honolulu, HI, USA, 21–26 July 2017; IEEE: Piscataway, NJ, USA, 2017; pp. 6517–6525. [Google Scholar]
- Redmon, J.; Farhadi, A. YOLOv3: An Incremental Improvement. arXiv 2018, arXiv:1804.02767. [Google Scholar]
- Bochkovskiy, A.; Wang, C.Y.; Liao, H.Y.M. YOLOv4: Optimal Speed and Accuracy of Object Detection. arXiv 2020, arXiv:2004.10934. [Google Scholar]
- Li, C.; Li, L.; Jiang, H.; Weng, K.; Geng, Y.; Li, L.; Ke, Z.; Li, Q.; Cheng, M.; Nie, W.; et al. YOLOv6: A Single-Stage Object Detection Framework for Industrial Applications. arXiv 2022, arXiv:2209.02976. [Google Scholar]
- Wang, C.; Bochkovskiy, A.; Liao, H.M. YOLOv7: Trainable Bag-of-Freebies Sets New State-of-the-Art for Real-Time Object Detectors. In Proceedings of the IEEE/CVF Conference on Computer Vision and Pattern Recognition (CVPR), Vancouver, BC, Canada, 17–24 June 2023; IEEE: Piscataway, NJ, USA, 2023; pp. 7464–7475. [Google Scholar]
- Varghese, R.; Sambath, M. YOLOv8: A Novel Object Detection Algorithm with Enhanced Performance and Robustness. In Proceedings of the 2024 International Conference on Advances in Data Engineering and Intelligent Computing Systems (ADICS), Chennai, India, 18–19 April 2024; IEEE: Piscataway, NJ, USA, 2024; pp. 1–6. [Google Scholar]
- Wang, C.Y.; Yeh, I.H.; Mark Liao, H.Y. YOLOv9: Learning What You Want to Learn Using Programmable Gradient Information. In Proceedings of the 18th European Conference on Computer Vision (ECCV), Milan, Italy, 29 September–4 October 2024; Lecture Notes in Computer Science. Leonardis, A., Ricci, E., Roth, S., Russakovsky, O., Sattler, T., Varol, G., Eds.; Springer: Cham, Switzerland, 2024; Volume 15089, pp. 1–21. [Google Scholar]
- Wang, A.; Chen, H.; Liu, L.; Chen, K.; Lin, Z.; Han, J.; Ding, G. YOLOv10: Real-Time End-to-End Object Detection. arXiv 2024, arXiv:2405.14458. [Google Scholar]
- Dian, S.Y.; Zhong, X.K.; Zhong, Y.Z. Faster R-Transformer: An efficient method for insulator detection in complex aerial environments. Measurement 2022, 199, 111238. [Google Scholar] [CrossRef]
- Xu, C.; Bo, B.; Liu, Y.; Tao, F. Detection method of insulator based on single shot multibox detector. J. Phys. Conf. Ser. 2018, 1069, 012183. [Google Scholar] [CrossRef]
- Liu, W.; Anguelov, D.; Erhan, D.; Szegedy, C.; Reed, S.; Fu, C.Y.; Berg, A.C. SSD: Single Shot MultiBox Detector. In Proceedings of the Computer Vision-ECCV 2016: 14th European Conference, Amsterdam, The Netherlands, 11–14 October 2016; Proceedings, Part I. Springer International Publishing: Berlin/Heidelberg, Germany, 2016; Volume 14, pp. 21–37. [Google Scholar]
- Zhou, M.; Wang, J.; Li, B. ARG-Mask RCNN: An infrared insulator fault-detection network based on improved mask RCNN. Sensors 2022, 22, 4720. [Google Scholar] [CrossRef]
- He, K.; Gkioxari, G.; Dollár, P.; Girshick, R. Mask R-CNN. In Proceedings of the IEEE International Conference on Computer Vision, Venice, Italy, 22–29 October 2017; pp. 2961–2969. [Google Scholar]
- Qi, Y.; Li, Y.; Du, A. Research on an Insulator Defect Detection Method Based on Improved YOLOv5. Appl. Sci. 2023, 13, 5741. [Google Scholar] [CrossRef]
- Zhao, W.Q.; Kang, Y.J.; Zhao, Z.B.; Zhai, Y.J. A remote sensing image object detection algorithm with improved YOLOv5s. CAAI Trans. Intell. Syst. 2023, 18, 86–95. [Google Scholar]
- Zhang, L.; Li, B.; Cui, Y.; Lai, Y.; Gao, J. Research on improved YOLOv8 algorithm for insulator defect detection. J. Real-Time Image Proc. 2024, 21, 22. [Google Scholar] [CrossRef]
- Zheng, J.; Wu, H.; Zhang, H.; Wang, Z.; Xu, W. Insulator-Defect Detection Algorithm Based on Improved YOLOv7. Sensors 2022, 22, 8801. [Google Scholar] [CrossRef]
- Lu, Y.; Hu, X.; Zou, X.; Han, L. Research on Insulator Defect Detection Model Based on Improved YOLOv8. J. Electrotechnol. Electr. Eng. Manag. 2024, 7, 11–17. [Google Scholar]
- Qin, Z.; Zhang, P.; Wu, F.; Li, X. FcaNet: Frequency Channel Attention Networks. In Proceedings of the IEEE/CVF International Conference on Computer Vision (ICCV), Montreal, QC, Canada, 10–17 October 2021; IEEE: Piscataway, NJ, USA, 2021; pp. 783–792. [Google Scholar]
- Zhang, X.; Liu, C.; Yang, D.; Song, T.; Ye, Y.; Li, K.; Song, Y. RFAConv: Innovating Spatial Attention and Standard Convolutional Operation. arXiv 2023, arXiv:2304.03198. [Google Scholar]
- Tan, M.; Pang, R.; Le, Q.V. EfficientDet: Scalable and Efficient Object Detection. In Proceedings of the IEEE/CVF Conference on Computer Vision and Pattern Recognition (CVPR), Seattle, WA, USA, 13–19 June 2020; Pimenidis, E., Angelov, P., Jayne, C., Papaleonidas, A., Aydin, M., Eds.; IEEE: Piscataway, NJ, USA, 2020; pp. 10778–10787. [Google Scholar]
- Wang, J.; Gao, X.; Liu, Z.; Wan, Y. GSC-YOLOv5: An Algorithm based on Improved Attention Mechanism for Road Creak Detection. In Proceedings of the 2023 IEEE 12th Data Driven Control and Learning Systems Conference (DDCLS), Xiangtan, China, 12–14 May 2023; IEEE: Piscataway, NJ, USA, 2023; pp. 1664–1671. [Google Scholar]
- Dai, Q.; Cheng, X.; Zhang, L. Multi-spectral Dynamic Feature Encoding Network for Image Demoiréing. In Proceedings of the 31st International Conference on Artificial Neural Networks (ICANN), Bristol, UK, 6–9 September 2022; Lecture Notes in Computer Science. Becerra, V.M., Plagianakos, L.I., García, M.P., Tiňo, P., Corchado, E., Magoulas, G.D., Wiering, M.A., Eds.; Springer: Cham, Switzerland, 2022; Volume 13512, pp. 175–186. [Google Scholar]
- Su, J.; Qin, Y.; Jia, Z.; Liang, B. MPE-YOLO: Enhanced small target detection in aerial imaging. Sci. Rep. 2024, 14, 17799. [Google Scholar] [CrossRef]
- Wang, A.; Zhang, K.; Wu, H.; Dai, S.; Iwahori, Y.; Yu, X. Noise-Disruption-Inspired Neural Architecture Search with Spatial–Spectral Attention for Hyperspectral Image Classification. Remote Sens. 2024, 16, 3123. [Google Scholar] [CrossRef]
- Ji, C.; Liu, J.; Zhang, F.; Jia, X.; Song, Z.; Liang, C.; Huang, X. Oil leak detection in substation equipment based on PFDAL-DETR network. J. Real-Time Image Proc. 2025, 22, 22. [Google Scholar] [CrossRef]
- Lin, T.; Dollár, P.; Girshick, R.; He, K.; Hariharan, B.; Belongie, S. Feature pyramid networks for object detection. In Proceedings of the IEEE Conference on Computer Vision and Pattern Recognition (CVPR), Honolulu, HI, USA, 21–26 July 2017; IEEE: Piscataway, NJ, USA, 2017; pp. 936–944. [Google Scholar]
- Liu, S.; Qi, L.; Qin, H.; Shi, J.; Jia, J. Path aggregation network for instance segmentation. In Proceedings of the IEEE/CVF Conference on Computer Vision and Pattern Recognition, Salt Lake City, UT, USA, 18–23 June 2018; IEEE: Piscataway, NJ, USA, 2018; pp. 8759–8768. [Google Scholar]
- Zhang, Z.; Huang, S.; Li, Y.; Li, H.; Hao, H. Image Detection of Insulator Defects Based on Morphological Processing and Deep Learning. Energies 2022, 15, 2465. [Google Scholar] [CrossRef]
- Zoph, B.; Le, Q.V. Neural Architecture Search with Reinforcement Learning. In Proceedings of the International Conference on Learning Representations (ICLR), Toulon, France, 24–26 April 2017. [Google Scholar]
- He, L.; Wei, H.; Wang, Q. A New Target Detection Method of Ferrography Wear Particle Images Based on ECAM-YOLOv5-BiFPN Network. Sensors 2023, 23, 6477. [Google Scholar] [CrossRef]
- Wu, J.; Zhu, J.; Tong, X.; Zhu, T.; Li, T.; Wang, C. Dynamic activation and enhanced image contour features for object detection. Connect. Sci. 2023, 35, 556–569. [Google Scholar] [CrossRef]
- Zheng, S.; Zhou, X.; Lv, Q.; Zhang, Z. Wire Arc Additive Manufacturing Microstructure Pore Defect Detection Algorithm Based on Improved YOLOv5. In Proceedings of the 2023 4th International Conference on Big Data, Artificial Intelligence and Internet of Things Engineering (ICBAIE), Hangzhou, China, 25–27 August 2023; IEEE: Piscataway, NJ, USA, 2023; pp. 102–106. [Google Scholar]
- Zhao, Y.; Zhang, G.; Luo, W.; Tang, R.; Sun, Y.Q.; Wang, P.; Liu, J.; Mei, K. IDD-YOLOv7: A lightweight and efficient feature extraction method for insulator defect detection. Energy Rep. 2025, 13, 1467–1487. [Google Scholar] [CrossRef]
- Zhang, N.; Su, J.; Zhao, Y.; Chen, H. Insulator-YOLO: Transmission Line Insulator Risk Identification Based on Improved YOLOv5. Processes 2024, 12, 2552. [Google Scholar] [CrossRef]







| 1 | 2 | 3 | 4 | 5 | 6 | |
|---|---|---|---|---|---|---|
| Yolov8n | √ | √ | √ | √ | √ | √ |
| Mu | √ | √ | √ | √ | ||
| RFA | √ | √ | √ | |||
| BiFPN4 | √ | √ | √ | |||
| Recall (%) | 0.852 | 0.828 | 0.866 | 0.877 | 0.897 | 0.897 |
| Precision (%) | 0.893 | 0.941 | 0.917 | 0.929 | 0.916 | 0.913 |
| mAP50 (%) | 0.889 | 0.892 | 0.904 | 0.914 | 0.912 | 0.921 |
| mAP50:95 (%) | 0.51 | 0.52 | 0.52 | 0.543 | 0.545 | 0.546 |
| Parameters (M) | 3,006,428 | 2,555,100 | 2,887,102 | 2,428,014 | 3,369,868 | 2,759,918 |
| GFLOPs | 8.1 | 7.7 | 9.6 | 11.7 | 13.9 | 13.5 |
| FPS (/f·) | 99.2 | 107.1 | 89.2 | 83.9 | 81.25 | 72.3 |
| Model | Forecast Accuracy | Number of Missed Tests | Misdetection Number |
|---|---|---|---|
| YOLOv8 | 1094 | 87 | 6 |
| MFB-YOLOv8 | 1125 | 58 | 4 |
| Model | Recall (%) | Precision (%) | mAP50 (%) | mAP50:95 (%) | Parameters (M) | GFLOPs | FPS () |
|---|---|---|---|---|---|---|---|
| SSD | 0.837 | 0.794 | 0.816 | 0.428 | 48,547,832 | 15.4 | 69.36 |
| YOLO5n | 0.863 | 0.909 | 0.898 | 0.485 | 1,764,577 | 4.1 | 133.33 |
| YOLO7-tiny | 0.908 | 0.856 | 0.892 | 0.501 | 60,155,714 | 13.0 | 92.59 |
| YOLO8n | 0.852 | 0.893 | 0.889 | 0.51 | 3,006,428 | 8.1 | 99.2 |
| YOLO9c | 0.879 | 0.914 | 0.909 | 0.558 | 32,736,328 | 131.5 | 37.45 |
| YOLO10n | 0.820 | 0.867 | 0.862 | 0.497 | 2,695,976 | 8.2 | 59.78 |
| YOLOv11 | 0.656 | 0.784 | 0.699 | 0.377 | 2,582,932 | 6.3 | 75.41 |
| MFB-YOLOv8 | 0.897 | 0.913 | 0.921 | 0.546 | 2,759,981 | 13.5 | 72.3 |
Disclaimer/Publisher’s Note: The statements, opinions and data contained in all publications are solely those of the individual author(s) and contributor(s) and not of MDPI and/or the editor(s). MDPI and/or the editor(s) disclaim responsibility for any injury to people or property resulting from any ideas, methods, instructions or products referred to in the content. |
© 2025 by the authors. Licensee MDPI, Basel, Switzerland. This article is an open access article distributed under the terms and conditions of the Creative Commons Attribution (CC BY) license (https://creativecommons.org/licenses/by/4.0/).
Share and Cite
Xu, J.; Zhao, S.; Li, Y.; Song, W.; Zhang, K. MRB-YOLOv8: An Algorithm for Insulator Defect Detection. Electronics 2025, 14, 830. https://doi.org/10.3390/electronics14050830
Xu J, Zhao S, Li Y, Song W, Zhang K. MRB-YOLOv8: An Algorithm for Insulator Defect Detection. Electronics. 2025; 14(5):830. https://doi.org/10.3390/electronics14050830
Chicago/Turabian StyleXu, Junhong, Shengjie Zhao, Yuan Li, Wenxin Song, and Kecheng Zhang. 2025. "MRB-YOLOv8: An Algorithm for Insulator Defect Detection" Electronics 14, no. 5: 830. https://doi.org/10.3390/electronics14050830
APA StyleXu, J., Zhao, S., Li, Y., Song, W., & Zhang, K. (2025). MRB-YOLOv8: An Algorithm for Insulator Defect Detection. Electronics, 14(5), 830. https://doi.org/10.3390/electronics14050830
