4 × 4 Wideband Slot Antenna Array Fed by TE440 Mode Based on Groove Gap Waveguide
Abstract
1. Introduction
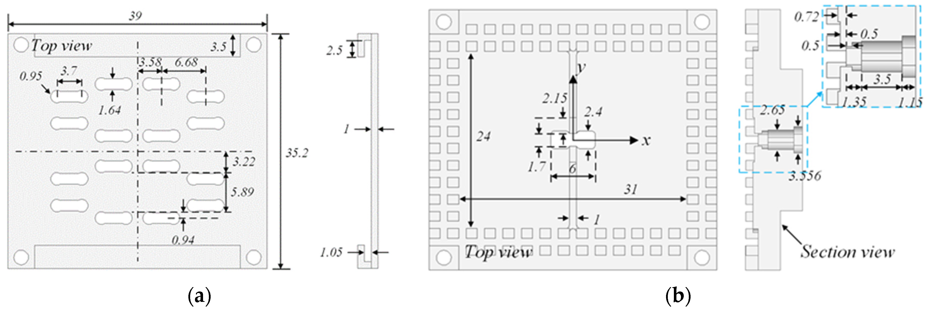
2. Antenna Design and Configuration
2.1. Antenna Configuration
2.2. Working Principle
3. Measurement and Discussion
4. Conclusions
Author Contributions
Funding
Data Availability Statement
Conflicts of Interest
Abbreviations
| mmWave | Millimeter-wave |
| GW | Gap waveguide |
| GGW | Groove gap waveguide |
| CP | Circularly polarized |
| AMC | Artificial magnetic conductor |
| CNC | Computer numerical control |
References
- Kildal, P.-S.; Zaman, A.U.; Rajo-Iglesias, E.; Alfonso, E.; Valero-Nogueira, A. Design and Experimental Verification of Ridge Gap Waveguide in Bed of Nails for Parallel-Plate Mode Suppression. IET Microw. Antennas Propag. 2011, 5, 262–270. [Google Scholar] [CrossRef]
- Zhang, T.; Chen, L.; Moghaddam, S.M.; Zaman, A.U.; Yang, J. Ultra-wideband Linearly Polarised Planar Bowtie Array Antenna with Feeding Network Using Dielectric-based Inverted Microstrip Gap Waveguide. IET Microw. Antennas Propag. 2020, 14, 485–490. [Google Scholar] [CrossRef]
- Ferrando-Rocher, M.; Herranz-Herruzo, J.I.; Valero-Nogueira, A.; Bernardo-Clemente, B.; Zaman, A.U.; Yang, J. 8 × 8 Ka-Band Dual-Polarized Array Antenna Based on Gap Waveguide Technology. IEEE Trans. Antennas Propag. 2019, 67, 4579–4588. [Google Scholar] [CrossRef]
- Vosoogh, A.; Kildal, P.-S.; Vassilev, V. Wideband and High-Gain Corporate-Fed Gap Waveguide Slot Array Antenna with ETSI Class II Radiation Pattern in V-Band. IEEE Trans. Antennas Propag. 2017, 65, 1823–1831. [Google Scholar] [CrossRef]
- Liu, J.; Vosoogh, A.; Zaman, A.U.; Yang, J. A Slot Array Antenna With Single-Layered Corporate-Feed Based on Ridge Gap Waveguide in the 60 GHz Band. IEEE Trans. Antennas Propag. 2019, 67, 1650–1658. [Google Scholar] [CrossRef]
- Asaadi, M.; Sebak, A. High-Gain Low-Profile Circularly Polarized Slotted SIW Cavity Antenna for MMW Applications. Antennas Wirel. Propag. Lett. 2017, 16, 752–755. [Google Scholar] [CrossRef]
- Cao, F.; Yang, D.; Pan, J.; Geng, D.; Xiao, H. A Compact Single-Layer Substrate-Integrated Waveguide (SIW) Monopulse Slot Antenna Array. Antennas Wirel. Propag. Lett. 2017, 16, 2755–2758. [Google Scholar] [CrossRef]
- Han, W.; Yang, F.; Long, R.; Zhou, L.; Yan, F. Single-Fed Low-Profile High-Gain Circularly Polarized Slotted Cavity Antenna Using a High-Order Mode. Antennas Wirel. Propag. Lett. 2016, 15, 110–113. [Google Scholar] [CrossRef]
- Han, W.; Yang, F.; Ouyang, J.; Yang, P. Low-Cost Wideband and High-Gain Slotted Cavity Antenna Using High-Order Modes for Millimeter-Wave Application. IEEE Trans. Antennas Propag. 2015, 63, 4624–4631. [Google Scholar] [CrossRef]
- Wu, P.; Liao, S.; Xue, Q. Wideband Excitations of Higher-Order Mode Substrate Integrated Waveguides and Their Applications to Antenna Array Design. IEEE Trans. Antennas Propag. 2017, 65, 4038–4047. [Google Scholar] [CrossRef]
- Talepour, Z.; Khaleghi, A. Groove Gap Cavity Slot Array Antenna for Millimeter Wave Applications. IEEE Trans. Antennas Propag. 2019, 67, 659–664. [Google Scholar] [CrossRef]
- Keivaan, A.; Oraizi, H.; Amini, A. Design of Circularly-Polarized Cavity-Backed Slot Array Antenna Using Higher-Order Mode Excitation Based on Gap Waveguide Technology. In Proceedings of the 2018 9th International Symposium on Telecommunications (IST), Tehran, Iran, 17–19 December 2018; pp. 535–537. [Google Scholar]
- Liao, Q.; Rajo-Iglesias, E.; Quevedo-Teruel, O. Ka -Band Fully Metallic TE40 Slot Array Antenna With Glide-Symmetric Gap Waveguide Technology. IEEE Trans. Antennas Propag. 2019, 67, 6410–6418. [Google Scholar] [CrossRef]











| Parameters | p1 | p2 | h | c1 | c2 | g |
|---|---|---|---|---|---|---|
| Values | 2.3 | 2.5 | 1.65 | 1.3 | 1.5 | 0.05 |
| Ref. | Array Scale | Feeding Technology | Impedance Bandwidth | 3-dB Gain Bandwidth | Max. Gain (dBi) |
|---|---|---|---|---|---|
| [9] | 3 × 3 | SIW | >26% | >14.1% | 13.8 |
| [10] | 4 × 4 | SIW | 15.2% | >15.2% | 15.8 |
| [11] | 4 × 4 | GW | 16% | 9.3% | 18.0 |
| [13] | 4 × 4 | GW | 11.1% | n.a. | 19.63 |
| Our work | 4 × 4 | GW | 26.7% | 22.8 | 17.7 |
Disclaimer/Publisher’s Note: The statements, opinions and data contained in all publications are solely those of the individual author(s) and contributor(s) and not of MDPI and/or the editor(s). MDPI and/or the editor(s) disclaim responsibility for any injury to people or property resulting from any ideas, methods, instructions or products referred to in the content. |
© 2025 by the authors. Licensee MDPI, Basel, Switzerland. This article is an open access article distributed under the terms and conditions of the Creative Commons Attribution (CC BY) license (https://creativecommons.org/licenses/by/4.0/).
Share and Cite
Shen, Y.; Zhang, T.; Luo, L.; Zhu, H.; Chen, L. 4 × 4 Wideband Slot Antenna Array Fed by TE440 Mode Based on Groove Gap Waveguide. Electronics 2025, 14, 813. https://doi.org/10.3390/electronics14040813
Shen Y, Zhang T, Luo L, Zhu H, Chen L. 4 × 4 Wideband Slot Antenna Array Fed by TE440 Mode Based on Groove Gap Waveguide. Electronics. 2025; 14(4):813. https://doi.org/10.3390/electronics14040813
Chicago/Turabian StyleShen, Yuanjun, Tianling Zhang, Liangqin Luo, Honghuan Zhu, and Lei Chen. 2025. "4 × 4 Wideband Slot Antenna Array Fed by TE440 Mode Based on Groove Gap Waveguide" Electronics 14, no. 4: 813. https://doi.org/10.3390/electronics14040813
APA StyleShen, Y., Zhang, T., Luo, L., Zhu, H., & Chen, L. (2025). 4 × 4 Wideband Slot Antenna Array Fed by TE440 Mode Based on Groove Gap Waveguide. Electronics, 14(4), 813. https://doi.org/10.3390/electronics14040813

