A Class-F High-Power Rectifier Circuit Based on Admittance Matching
Abstract
1. Introduction
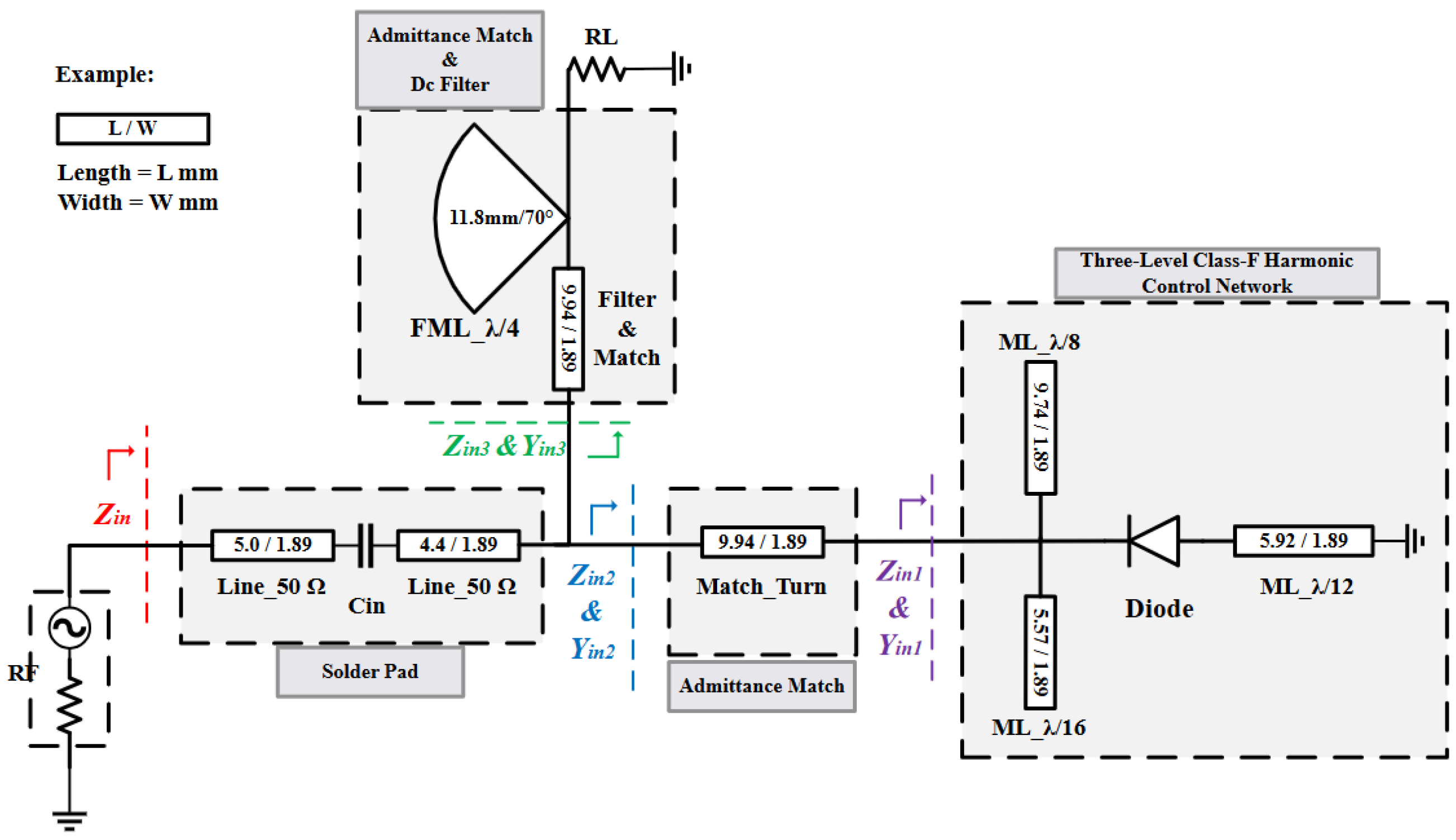
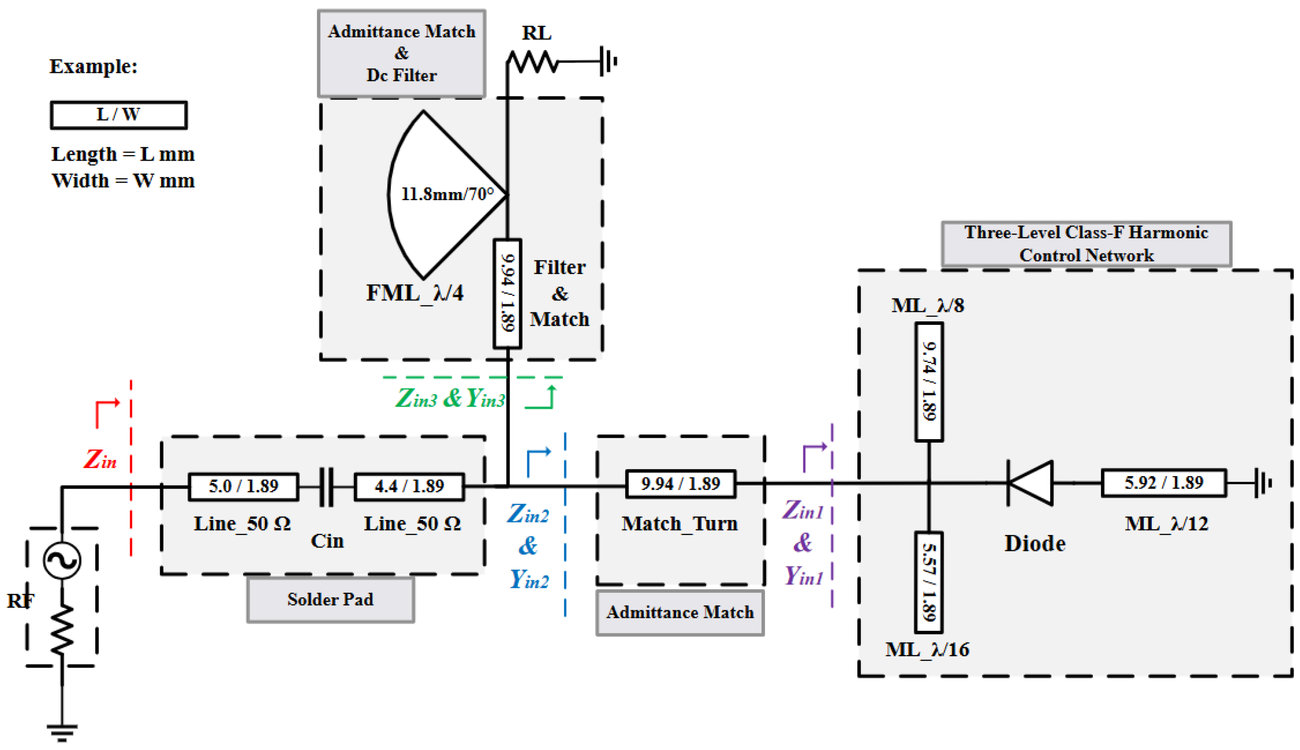
2. Design of the Class-F High-Power Rectifier
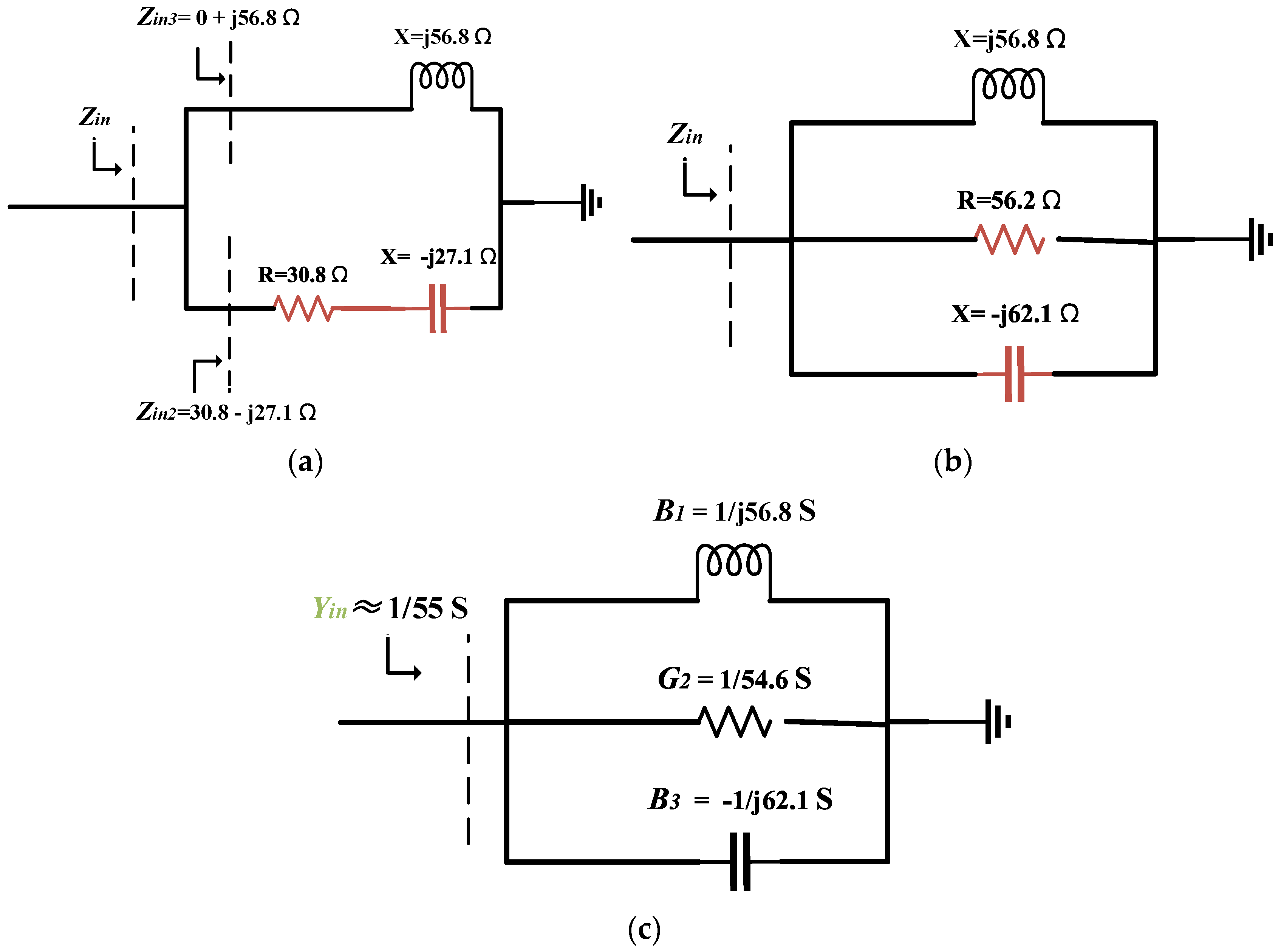
2.1. Design of Third Harmonic Control Network
2.2. Design of DC Filter&Match
3. Measuring and Simulating the Class-F High-Power Rectifier
4. Conclusions
Author Contributions
Funding
Data Availability Statement
Acknowledgments
Conflicts of Interest
References
- Parkale, Y.V.; Nalbalwar, S.L. Compressed Sensing (CS) for musical signal processing based on structured class of sensing matrices. In Proceedings of the 2016 International Conference on Wireless Communications, Signal Processing and Networking (WiSPNET), Chennai, India, 23–25 March 2016; pp. 2150–2155. [Google Scholar]
- Liu, H.; Wang, B.; Lang, D.; Huang, R. Processing Optical Fiber Sensing Signals with Compressed Sensing under special working conditions. In Proceedings of the 2020 International Conference on Intelligent Computing and Human-Computer Interaction (ICHCI), Sanya, China, 4–6 December 2020; pp. 126–129. [Google Scholar]
- Wang, L.; Chen, Y.; Tu, D. Speech Signal Processing and Simulation Analysis Based on Compressed Sensing. In Proceedings of the 2016 Eighth International Conference on Measuring Technology and Mechatronics Automation (ICMTMA), Macau, China, 11–12 March 2016; pp. 617–620. [Google Scholar]
- Xue, Z.; Ma, J.; Yuan, X. D-OAMP: A denoising-based signal recovery algorithm for compressed sensing. In Proceedings of the 2016 IEEE Global Conference on Signal and Information Processing (GlobalSIP), Washington, DC, USA, 7–9 December 2016; pp. 267–271. [Google Scholar]
- Yu, X.; Lin, Y.-X.; Mitrovic, I.Z.; Hall, S.; Chao, D.-S.; Liang, J.-H.; Huang, Y.; Yen, T.-J.; Zhou, J. 900 MHz RF power rectifier based on ultra-low turn-on voltage quasi-vertical GaN schottky diode. In Proceedings of the 2024 IEEE Wireless Power Technology Conference and Expo (WPTCE), Kyoto, Japan, 8–11 May 2024; pp. 441–444. [Google Scholar]
- Woo, Y.Y.; Yang, Y.; Kim, B. Analysis and experiments for high-efficiency class-F and inverse class-F power amplifiers. IEEE Trans. Microw. Theory Tech. 2006, 54, 1969–1974. [Google Scholar]
- Li, B.; Hu, B.-J.; Li, X.; Deng, M.; Wei, Z.-H. Efficiency enhancement of long-distance wireless power transmission using time reversal technique. In Proceedings of the 2016 IEEE International Conference on Computational Electromagnetics (ICCEM), Guangzhou, China, 23–25 February 2016; pp. 49–51. [Google Scholar]
- Jiang, H.; Dou, W. Methods for Improving the Distance of Microwave Wireless Power Transmission with a Given Beam Collection Efficiency. IEEE Antennas Wirel. Propag. Lett. 2020, 19, 2112–2116. [Google Scholar] [CrossRef]
- Hu, L.; Ma, X.; Yang, G.; Zhang, Q.; Zhao, D.; Cao, W.; Wang, B.-Z. Auto-Tracking Time Reversal Wireless Power Transfer System with a Low-Profile Planar RF-Channel Cascaded Transmitter. IEEE Trans. Ind. Electron. 2023, 70, 4245–4255. [Google Scholar] [CrossRef]
- Halimi, M.A.; Khan, T.; Palandoken, M.; Kishk, A.A.; Antar, Y.M.M. Rectifier Design Challenges for Wireless Energy Harvesting/Wireless Power Transfer Systems: Broadening Bandwidth and Extended Input Power Range. IEEE Microw. Mag. 2023, 24, 54–67. [Google Scholar] [CrossRef]
- Xiao, H.; Zhang, H.; Song, W.; Wang, J.; Chen, W.; Lu, M. A High-Input Power Rectifier Circuit for 2.45-GHz Microwave Wireless Power Transmission. IEEE Trans. Ind. Electron. 2022, 69, 2896–2903. [Google Scholar]
- Lai, S.; Zhang, Z.; Liu, Z.; Wang, G.; Zhou, Y.; Zhu, H.; Yang, Y. A Novel Self-Adaptive Rectifier with High Efficiency and Wide Input Power Range. Electronics 2023, 12, 712. [Google Scholar] [CrossRef]
- Nguyen, D.-A.; Woo, K.; Bui, G.T.; Nam, H.; Seo, C. Wide Dynamic-Range and High-Efficiency Shunt-Diode Rectifier Based on Class-R Harmonic Control and Resistance Compression Network. IEEE Trans. Circuits Syst. II Express Briefs 2024, 71, 2359–2363. [Google Scholar] [CrossRef]
- Chen, Y.-S.; Chiu, C.-W. Maximum Achievable Power Conversion Efficiency Obtained Through an Optimized Rectenna Structure for RF Energy Harvesting. IEEE Trans. Antennas Propag. 2017, 65, 2305–2317. [Google Scholar] [CrossRef]
- Zeng, B.H.; Zheng, S.Y.; Leung, K.W.; Xia, M.H. An Ultrawideband High-Efficiency Rectifier Based on Harmonic Feedback Topology. IEEE Trans. Ind. Electron. 2022, 69, 7974–7983. [Google Scholar] [CrossRef]
- Zhang, X.Y.; Du, Z.-X.; Xue, Q. High-Efficiency Broadband Rectifier with Wide Ranges of Input Power and Output Load Based on Branch-Line Coupler. IEEE Trans. Circuits Syst. I Regul. Pap. 2017, 64, 731–739. [Google Scholar] [CrossRef]
- Huang, F.; Chu, C.; Zhang, Y.; Tian, K.; Jia, X.; Peng, H.; Zhang, Z.-H. GaN-based quasi-vertical Schottky barrier diodes with the sidewall field plate termination for obtaining low leakage current and high breakdown voltage. In Proceedings of the 2021 IEEE 1st International Power Electronics and Application Symposium (PEAS), Shanghai, China, 13–15 November 2021; pp. 1–4. [Google Scholar]
- Bui, G.T.; Nguyen, D.-A.; Seo, C. A Novel Design of Dual-Band Inverse Class-F Shunt-Diode Rectifier for Energy Harvesting. IEEE Trans. Circuits Syst. II Express Briefs 2023, 70, 2345–2349. [Google Scholar] [CrossRef]
- Xiao, H.; Song, W.; Chen, J.; Su, D.; Lu, W.; Zhang, H. An Impedance-Matching Voltage Regulator for High-Power Rectifier in Microwave Wireless Power Transmission. IEEE J. Emerg. Sel. Top. Power Electron. 2024, 12, 1173–1184. [Google Scholar] [CrossRef]
- Liou, C.-Y.; Lee, M.-L.; Huang, S.-S.; Mao, S.-G. High-Power and High-Efficiency RF Rectifiers Using Series and Parallel Power Dividing Networks and Their Applications to Wirelessly Powered Devices. IEEE Trans. Microw. Theory Tech. 2013, 61, 616–624. [Google Scholar] [CrossRef]
- Zhang, H.; Li, D.; Wang, Z.; Yang, L.; Shinohara, N.; Liu, Y. A Compact High-Efficiency Wideband Watt-Level RF Rectifier for Microwave Power Transfer. In Proceedings of the 2024 IEEE Wireless Power Technology Conference and Expo (WPTCE), Kyoto, Japan, 8–11 May 2024; pp. 445–448. [Google Scholar]
- Li, S.; Xu, X.; Kang, X.; Lan, J.; Yue, Z.; Zhao, R.; Wu, H.; Liu, X.; Lin, X. High-Efficiency and High-Power Rectifiers Using Cost-Effective AlGaN/GaN Schottky Diode with Accurate Large-Signal Parameter Extraction. IEEE Microw. Wirel. Technol. Lett. 2024, 34, 560–563. [Google Scholar] [CrossRef]
- Dang, K.; Zhang, J.; Zhou, H.; Huang, S.; Zhang, T.; Bian, Z.; Zhang, Y.; Wang, X.; Zhao, S.; Wei, K.; et al. A 5.8-GHz High-Power and High-Efficiency Rectifier Circuit with Lateral GaN Schottky Diode for Wireless Power Transfer. IEEE Trans. Power Electron. 2020, 35, 2247–2252. [Google Scholar] [CrossRef]
- Zhang, B.; Zhao, X.; Yu, C.; Huang, K.; Liu, C. A Power Enhanced High Efficiency 2.45 GHz Rectifier Based on Diode Array. J. Electromagn. Waves Appl. 2012, 25, 765–774. [Google Scholar] [CrossRef]
- Peng, J.; Wang, S.; Li, X.; Wang, K. A Novel 10-Watt-Level High-Power Microwave Rectifier with an Inverse Class-F Harmonic Network for Microwave Power Transmission. Electronics 2024, 13, 3705. [Google Scholar] [CrossRef]





| Ref. | Freq. (GHz) | Pin (dBm) | Efficiency (%) | Diode Model | Diode BV (V) |
|---|---|---|---|---|---|
| [21] | 0.433 | 30 | 78.9 | HSMS-282P | 156 |
| [23] | 5.8 | 34 | 71 | Ga N | 164 |
| [24] | 2.45 | 33 | 66.8 | HSMS-282P | 15 |
| [20] | 2.45 | 30 | 74.4 | HSMS-2820 | 15 |
| [19] | 2.45 | 30 | 69.4 | HSMS-270P | 25 |
| [25] | 2.45 | 40 | 61.1 | HSMS-270C | 25 |
| This work | 2.55 | 32.5 | 76.9 | HSMS-270B | 25 |
Disclaimer/Publisher’s Note: The statements, opinions and data contained in all publications are solely those of the individual author(s) and contributor(s) and not of MDPI and/or the editor(s). MDPI and/or the editor(s) disclaim responsibility for any injury to people or property resulting from any ideas, methods, instructions or products referred to in the content. |
© 2025 by the authors. Licensee MDPI, Basel, Switzerland. This article is an open access article distributed under the terms and conditions of the Creative Commons Attribution (CC BY) license (https://creativecommons.org/licenses/by/4.0/).
Share and Cite
Li, X.-N.; Tian, L.-F.; Du, L.-F.; Wu, T.; Zhai, G.-C.; Chen, Y.-Q. A Class-F High-Power Rectifier Circuit Based on Admittance Matching. Electronics 2025, 14, 4461. https://doi.org/10.3390/electronics14224461
Li X-N, Tian L-F, Du L-F, Wu T, Zhai G-C, Chen Y-Q. A Class-F High-Power Rectifier Circuit Based on Admittance Matching. Electronics. 2025; 14(22):4461. https://doi.org/10.3390/electronics14224461
Chicago/Turabian StyleLi, Xiao-Ning, Long-Feng Tian, Lin-Feng Du, Tong Wu, Guang-Chuan Zhai, and Yong-Qiang Chen. 2025. "A Class-F High-Power Rectifier Circuit Based on Admittance Matching" Electronics 14, no. 22: 4461. https://doi.org/10.3390/electronics14224461
APA StyleLi, X.-N., Tian, L.-F., Du, L.-F., Wu, T., Zhai, G.-C., & Chen, Y.-Q. (2025). A Class-F High-Power Rectifier Circuit Based on Admittance Matching. Electronics, 14(22), 4461. https://doi.org/10.3390/electronics14224461
