Ultra-Wideband Power Amplifier Using Non-Foster Characteristics of Coupled Transmission Lines
Abstract
1. Introduction
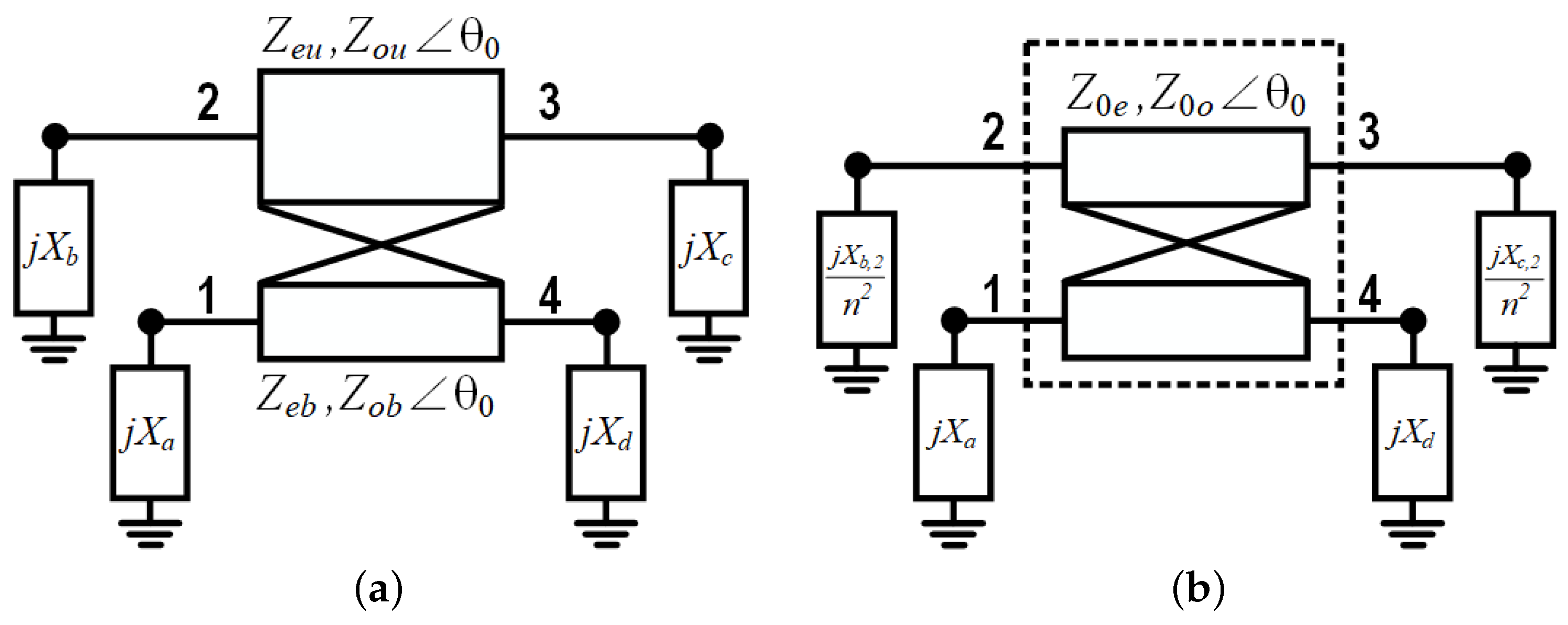
2. CTL-Based Impedance Matching Networks
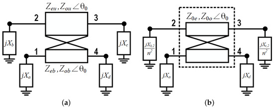
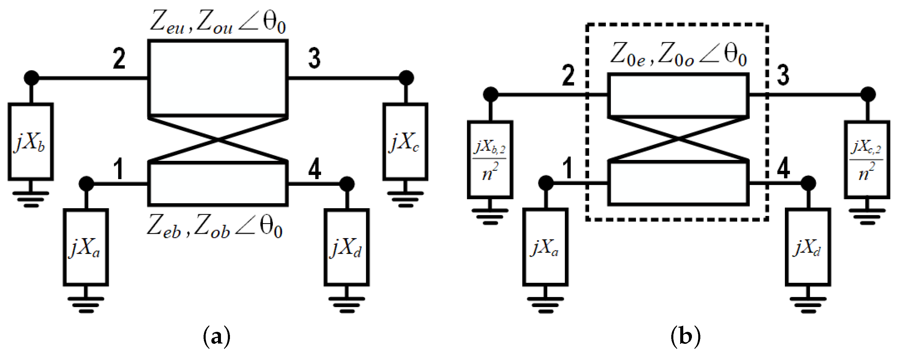
2.1. Equivalent Circuit of an Asymmetric CTL
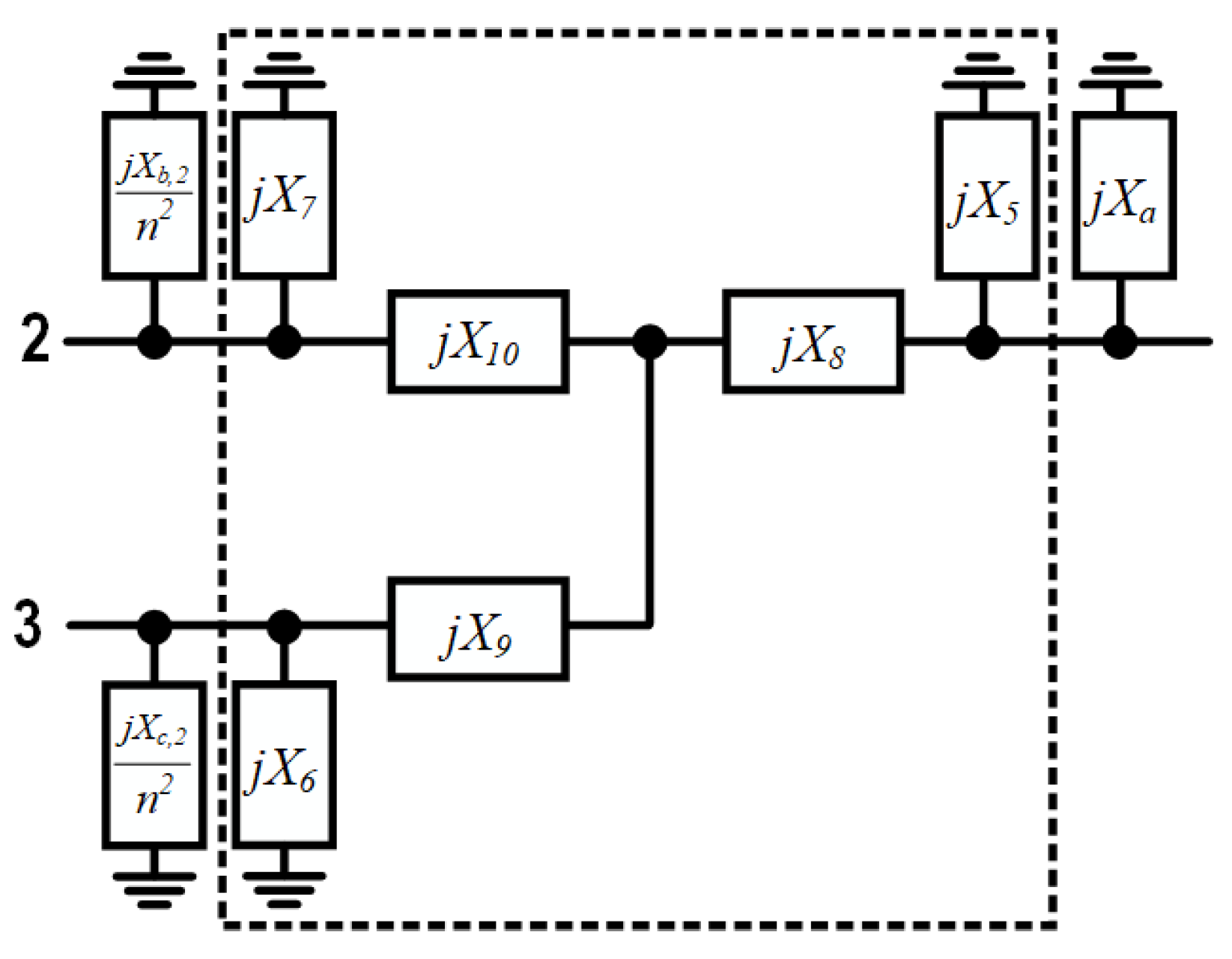
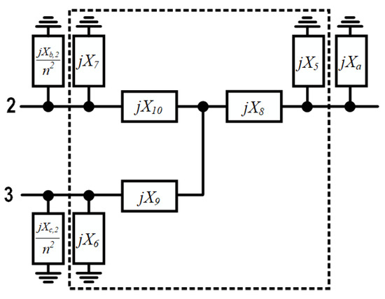
2.2. Broadband Matching Network Based on the CTL
- 1.
- Case I: = 102.3 , = 6.5 , = .
- 2.
- Case II: = 107.9 , = 7.2 , = .
- 3.
- Case III: = 97.4 , = 7.2 , = .
- 1.
- Case IV: = 135.2 , = 16.3 , = .
- 2.
- Case V: = 119.6 , = 11.6 , = .
- 3.
- Case VI: = 68.6 , = 8.3 , = .
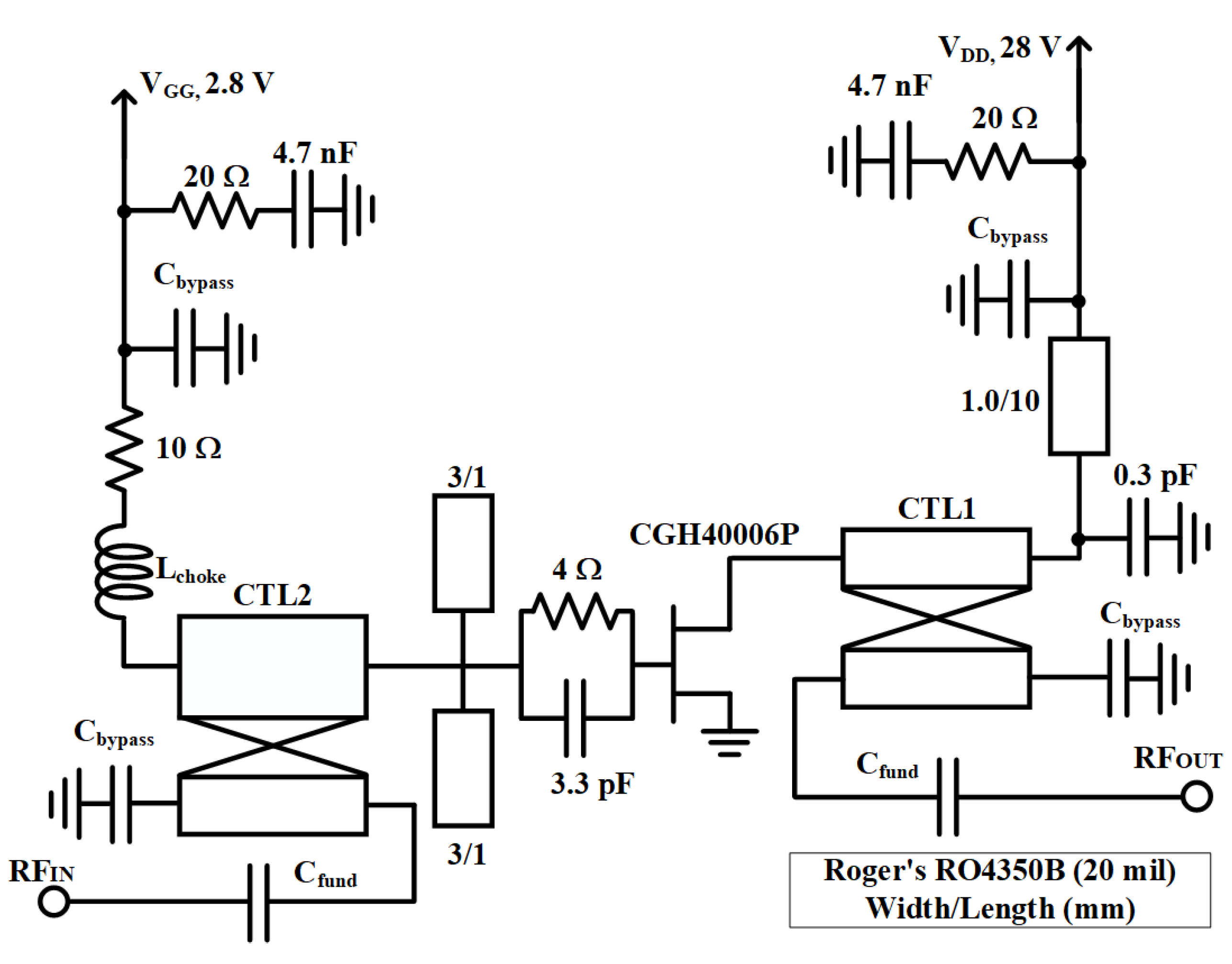
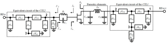
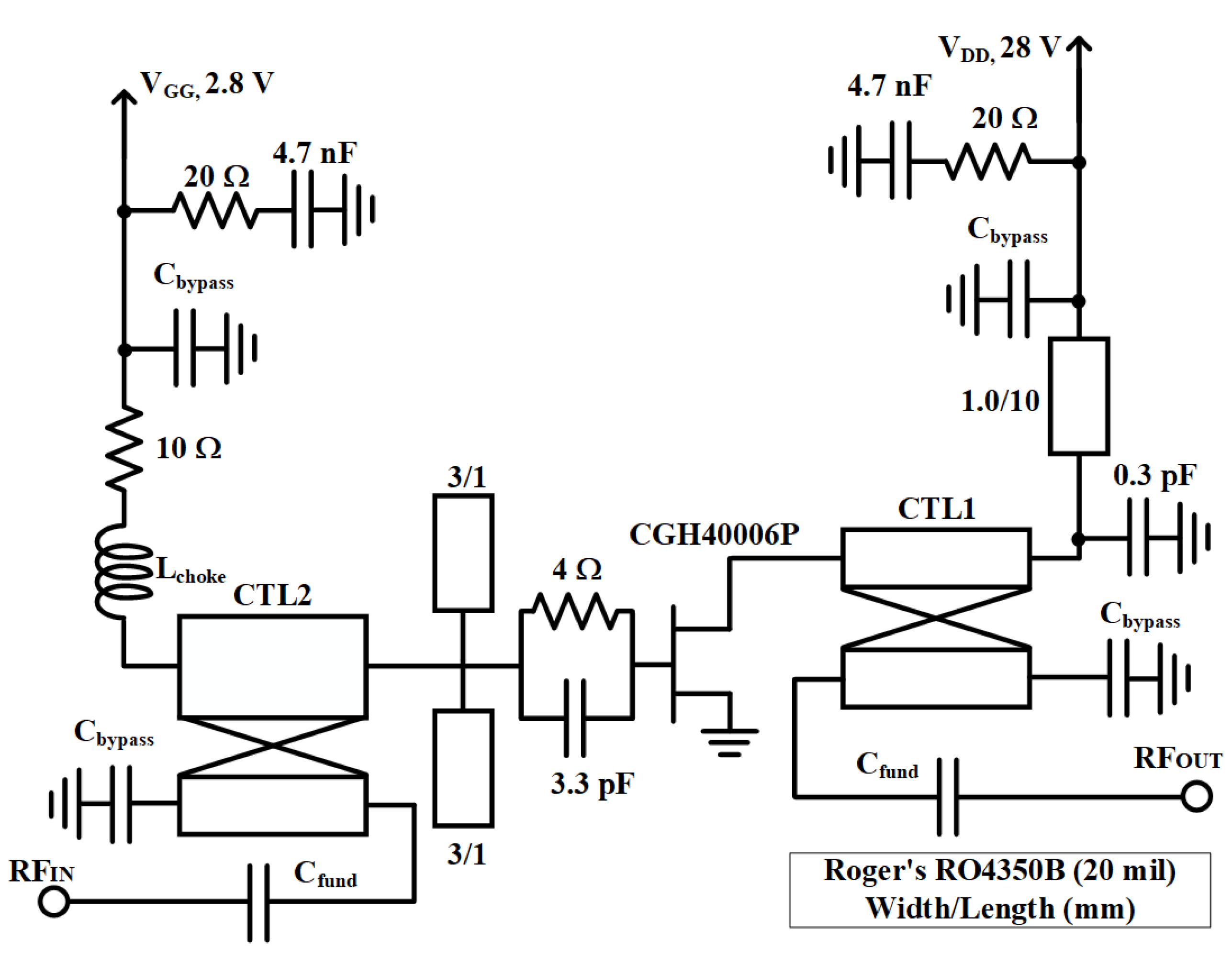
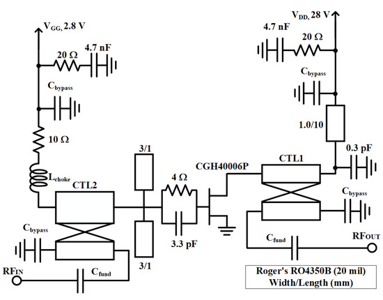
3. Implementation and Measurement Results
4. Conclusions
Author Contributions
Funding
Data Availability Statement
Conflicts of Interest
References
- Shi, W.; He, S.; Li, Q.; Qi, T.; Liu, Q. Design of broadband power amplifiers based on resistive–reactive series of continuous modes. IEEE Microw. Wirel. Compon. Lett. 2016, 26, 519–521. [Google Scholar] [CrossRef]
- Yang, T.; Zhou, Y.; Hong, J. A new distributed parameter broadband matching method for power amplifier via real frequency technique. IEEE Trans. Microw. Theory Tech. 2015, 63, 4258–4270. [Google Scholar]
- Feng, W.; Wu, W.; Zhou, X.Y.; Che, W.; Shi, Y. Broadband high-efficiency quasi-class-J power amplifier based on nonlinear output capacitance effect. IEEE Trans. Circuits Syst. II Express Briefs 2022, 69, 2091–2094. [Google Scholar] [CrossRef]
- Kilinc, S.; Yarman, B.S.; Ozoguz, S. Broadband power amplifier design via fictitious matching. IEEE Trans. Circuits Syst. II Express Briefs 2022, 69, 4844–4847. [Google Scholar] [CrossRef]
- Wang, H.; Nan, J.; Cong, M.; Ren, J. A broadband power amplifier with multifrequency impedance matching. IEEE Microw. Wirel. Compon. Lett. 2022, 32, 1339–1342. [Google Scholar] [CrossRef]
- Kim, Y.; Lee, D.; Kwon, S.; Kim, D.; Woo, Y.; Lee, K.-Y. Design of a compact GaN power amplifier with high efficiency and beyond-decade bandwidth. IEEE Trans. Microw. Theory Tech. 2022, 70, 1–12. [Google Scholar]
- Chen, Y.; Choi, W.; Shin, J.; Jeon, H.; Bae, S.; Bae, K.; Song, J.; Ju, Y.; Oh, H.; Kang, H.; et al. Comprehensive analysis of coupled transmission lines for broadband high-efficiency Doherty power amplifiers. IEEE Trans. Microw. Theory Tech. 2025; Early Access. [Google Scholar]
- Ju, Y.; Chen, Y.; Bae, S.; Jeon, H.; Bin, S.; Bae, K.; Lee, Y.; Woo, Y.; Lee, K.-Y.; Hwang, K.C.; et al. Load network for broadband Doherty power amplifiers using non-Foster characteristics of a coupled transmission line. IEEE Trans. Microw. Theory Tech. 2025; Early Access. [Google Scholar]
- Park, M.-J.; Lee, B. A symmetric coupled line equivalent circuit model for asymmetric coupled lines. Int. J. RF Microw. Comput.-Aided Eng. 2016, 26, 277–282. [Google Scholar] [CrossRef]
- Belchior, C.; Nunes, L.C.; Cabral, P.M.; Pedro, J.C. Automatic methodology for wideband power amplifier design. IEEE Microw. Wirel. Compon. Lett. 2021, 31, 989–992. [Google Scholar] [CrossRef]
- Eskandari, S.; Zhao, Y.; Helaoui, M.; Ghannouchi, F.M.; Kouki, A.B. Continuous-mode inverse class-GF power amplifier with second-harmonic impedance optimization at device input. IEEE Trans. Microw. Theory Tech. 2021, 69, 2506–2515. [Google Scholar] [CrossRef]

















| Ref. | Freq. | FBW | DE | Gain | ACLR | DE (@) | Topology | ||
|---|---|---|---|---|---|---|---|---|---|
| (GHz) | (%) | (W) | (%) | (dB) | (dBc) | (dBm) | (%) | ||
| [3] | 3.5–5.5 | 44.4 | 9.3–13.2 | 56–70 | 8.6–10.2 | –27 | 34.5 | 33 | Quasi-Class-J |
| [5] | 0.5–2.3 | 128.6 | 12.7–17.5 | 43.6–55.4 | 9.8–12.7 | –31.6 | 34.3 | 21–26 | Multi-Freq. Matching |
| [10] | 1.8–2.6 | 36.0 | 22–28 | 63–70 | 16–17 | – | – | – | SRFT |
| [11] | 3.05–3.85 | 23.0 | 9.8–13.8 | 69–74 | 11–12.4 | –26 | 40.0 | 35–40 * | Class-GF |
| This work | 1.9–4.9 | 88.2 | 7.1–9.3 | 47.5–60 | 10–14.8 | –30 | 30 | 20–27.5 | CTL |
Disclaimer/Publisher’s Note: The statements, opinions and data contained in all publications are solely those of the individual author(s) and contributor(s) and not of MDPI and/or the editor(s). MDPI and/or the editor(s) disclaim responsibility for any injury to people or property resulting from any ideas, methods, instructions or products referred to in the content. |
© 2025 by the authors. Licensee MDPI, Basel, Switzerland. This article is an open access article distributed under the terms and conditions of the Creative Commons Attribution (CC BY) license (https://creativecommons.org/licenses/by/4.0/).
Share and Cite
Jeon, H.; Bae, S.; Bae, K.; Bin, S.; Kim, S.; Ju, Y.; Ahn, M.; Mun, G.; Hwang, K.C.; Lee, K.-Y.; et al. Ultra-Wideband Power Amplifier Using Non-Foster Characteristics of Coupled Transmission Lines. Electronics 2025, 14, 4413. https://doi.org/10.3390/electronics14224413
Jeon H, Bae S, Bae K, Bin S, Kim S, Ju Y, Ahn M, Mun G, Hwang KC, Lee K-Y, et al. Ultra-Wideband Power Amplifier Using Non-Foster Characteristics of Coupled Transmission Lines. Electronics. 2025; 14(22):4413. https://doi.org/10.3390/electronics14224413
Chicago/Turabian StyleJeon, Hyeongjin, Sooncheol Bae, Kyungdong Bae, Soohyun Bin, Sangyeop Kim, Yunhyung Ju, Minseok Ahn, Gyuhyeon Mun, Keum Cheol Hwang, Kang-Yoon Lee, and et al. 2025. "Ultra-Wideband Power Amplifier Using Non-Foster Characteristics of Coupled Transmission Lines" Electronics 14, no. 22: 4413. https://doi.org/10.3390/electronics14224413
APA StyleJeon, H., Bae, S., Bae, K., Bin, S., Kim, S., Ju, Y., Ahn, M., Mun, G., Hwang, K. C., Lee, K.-Y., & Yang, Y. (2025). Ultra-Wideband Power Amplifier Using Non-Foster Characteristics of Coupled Transmission Lines. Electronics, 14(22), 4413. https://doi.org/10.3390/electronics14224413

