Abstract
This paper presents an optimization-based approach for the design of energy-dosing resonant inverters (RI) using a reference curve. RI are widely used in areas such as wireless charging, induction heating, and high-frequency power supplies due to their high efficiency and soft-switching capability. The proposed methodology uses a reference current curve in the alternating current (AC) circuit that describes the ideal behavior of the inverter during the start-up transient in order to operate in energy metering mode and minimize switching losses. This approach analyzes and optimizes the values of the circuit elements whose initial values are determined by applying a rational design methodology. The results of the study demonstrate increased dynamics of the power circuit and better stability compared to applying traditional design methods. The presented simulation results confirm the effectiveness of the proposed optimization and the improvement of the characteristics of the studied device.
1. Introduction
Resonant inverters with energy dosing (RIED) are a modification of classical resonant power circuits well known in the field of power electronics, and they are characterized by high-efficiency power conversion at constant power, independent of load variations [1,2]. RIEDs find applications in various industries, including wireless charging of devices and electric vehicles [3], induction heating [1], LED lighting [4], medical devices [5], and systems for aerospace and aviation applications [6]. These inverters offer unsurpassed efficiency and reliability, but their complexity and dependence on specific parameters require in-depth knowledge and experience in design. Future improvements in materials and technologies may significantly expand their applicability and reduce the disadvantages associated with their complexity and cost.
One of the main advantages of these inverters is their high efficiency. By using soft switching modes, such as zero-voltage switching (ZVS) or zero-current switching (ZCS), they significantly reduce switching losses in power transistors. This approach reduces heat losses and improves the overall efficiency of the device. Furthermore, resonant inverters reduce the generation of high-frequency harmonics, which minimizes electromagnetic interference (EMI) and makes electronic converters more reliable in areas and applications where electromagnetic compatibility is critical [7]. Compactness is another essential design aspect in power electronics, as operating at high frequencies allows for a reduction in the size and weight of passive components, such as transformers and chokes. These inverters also feature control flexibility by adjusting the operating frequency, which is essential for applications such as wireless charging [8,9] and industrial heating systems [9,10]. In this aspect, smooth switching and reduced stresses on components lead to an extension of their service life and increase the reliability of the entire electronic technological system [11].
Despite their many advantages, resonant inverters also have their drawbacks [4,5]. Their design is a complex process requiring precise modeling and simulations of the resonant circuits, which extends the development time. In addition, their efficiency can be highly dependent on the type and value of the load, which requires advanced control strategies. High-frequency operation requires the use of high-performance components, which increases the implementation cost. Operation outside the resonant mode can lead to significant inefficiency or even instability of the system, which places high demands on control synthesis. Small variations in the parameters of resonant components, such as inductance or capacitance, can also adversely affect the performance and operation of the devices. For all these reasons, the initial development and implementation costs are higher compared to traditional inverters [12].
In view of the great impact of the analysis and modeling of resonant inverters on the development of industry, transportation, and society, numerous studies have been presented in the literature. The study [13] presents an LCC resonant converter operating in continuous conduction mode. This topology demonstrates the advantage of improving the system efficiency, especially at rated loads. This is achieved by reducing conduction losses by optimizing the shape of the resonant current and reducing switching losses by increasing the lossless damping capacity. The proposed converter finds application in a wide range of industrial systems, including a 60 kW fast charger for electric vehicles, a high-voltage charger for capacitors with a capacity of 24 kJ/s, and a high-precision DC power supply with a power of 20 kV and 20 kW. Experimental results demonstrate that the proposed topology is effective for these applications. In [14], the analysis and optimization of an LCC resonant inverter designed to operate in 20 kHz AC distributed power systems is considered. Different resonant converter topologies have been investigated to evaluate their suitability for high-efficiency power conversion under different loads. Two variants of LCC inverters are presented—one with all switches operating in zero-voltage switching (ZVS) mode and the other with a combined ZVS and ZCS (zero-current switching) mode. Experimental results confirm the differences in the performance of the two designs. In [15], an LCC resonant inverter is presented, specifically designed for the needs of transportation systems, such as powering linear induction motors in urban trains. The topology offers reduced component stresses compared to traditional series and series-parallel resonant topologies. The inverter achieves high-efficiency operation by using a self-oscillating controller and optimized values of the transformer leakage inductance. These features allow operation in ZCZVS (zero-current and voltage switching) without additional auxiliary circuits, which reduces losses and increases power density. Theoretical analysis and experimental results based on a 750 V DC/700 VAC, 400 kW system confirm the effectiveness of the design. Ref. [16] discusses the principle of operation of LLC resonant circuits for induction heating applications. The paper emphasizes the importance of accurate inductor design to meet the specific requirements of the system. A quantitative analysis of the power transferred to the workhead is proposed, along with a design procedure that takes into account mechanical constraints. Furthermore, a technique for monitoring the soft switching status of power supplies using only voltage signals has been developed. The proposed approach has been verified through simulations and experiments. Ref. [17] presents an optimal design of an LLC inverter specifically designed for induction heating applications. The topology uses SiC MOSFET transistors and a phase-shift control method, which allows for minimizing reactive power and reducing current losses. The optimization results in an efficiency of 98.5% when operating at 500 kHz. Experiments demonstrate the robustness of the design in industrial conditions. Ref. [18] considers series resonant inverters for induction heating applications. This topology uses high-frequency modulation (20–100 kHz) for soft switching, resulting in a sinusoidal output suitable for fixed loads. Experimental data show that high-frequency operation reduces the size of the resonant components, making the system more compact and efficient. In [19], a self-resonant inverter with parallel-connected IGBT transistors for induction heating is investigated. The main goal is to minimize the current mismatch between the transistors, which is achieved by a precise analysis of the device parameters. Experimental results confirm the applicability of the design for laboratory and industrial purposes. The paper [20] analyzes a resonant inverter for ozone generation. Three types of resonant tanks are considered, with the SERT showing the best current and voltage gain, making it suitable for ozone cells. Ref. [21] presents an AC-AC resonant converter for induction heating. The topology uses direct conversion with dual operating modes that improve efficiency at low and high power. The converter is designed using MATLAB/Simulink [22] and verified by hardware implementation. The paper [23] considers a detailed mathematical analysis of a parallel quasi-resonant (QR) inverter and proposes a method for its design. The main objective of the study is to quickly determine the required parameters, such as quality factor, duty cycle, reflected load, and normalized resonant frequency. The design method allows for a detailed description of the steady-state quantities and determines the characteristics of the resonant tank, which are essential for achieving zero-voltage switching (ZVS). The process covers the optimization of the peak voltage, resonant current, switching frequency, and output power. The validation of the proposed methodology was performed by building an experimental induction heating system with a nominal power of 2.5 kW. The results demonstrate the accuracy and effectiveness of the method under real-world conditions. The study [24] discusses single-ended resonant converters, such as class E inverters, for low- and medium-power applications in wireless power transfer (WPT). The main advantage of these topologies is their compactness, low switching losses, and cost-effectiveness since they use only one switch with a simple driver. The paper addresses the design challenges of such converters, such as voltage, efficiency, and power density. The authors propose a new methodology for designing a resonant converter with a primary parallel resonant-matching network. This solution reduces the bulky input chokes by integrating them into the coil inductance. The proposed analytical expressions include an analysis of the critical conditions for ZVS and an assessment of the power transfer capabilities at different load voltages. The model is validated through simulations and experiments, demonstrating soft switching operation and optimal efficiency. The paper [25] presents a detailed study of an LLC resonant inverter used in industrial induction heating applications. The aim of the study is to develop a design procedure that will lead to optimal component sizing and loss minimization. The main highlights include an analysis of the operating frequency, the type of transistor technology, and the power regulation by phase shift (PS). One of the main advantages of the proposed methodology is the insensitivity of the inverter to variations in load impedance, which makes it suitable for a wide range of applications. The verification was carried out through tests on a 25 kW inverter operating at a frequency of 500 kHz, which demonstrated an efficiency of 98.5% using SiC MOSFETs. The paper formulates simple design rules that can be applied in various industrial scenarios.
Other approaches for the implementation of resonant inverters are also known, which maintain a constant power that does not depend on the load changes. In [26], an analytical and experimental study of a modular resonant inverter for power supply from a heating installation of a manufacturing plant building is proposed, in order to maintain a uniform heating profile. For this purpose, a hybrid control of the output voltage and the switching frequency of the inverter is proposed. In this way, both the reactive power minimization and soft switching of the semiconductor switches are achieved. The authors in [27] discuss a circuit topology in which a class D rectifier is used for the load of a resonant class E inverter. In order to ensure the operation mode of the device, independent of the load, a design method based on a numerical algorithm is applied. On this basis, the conditions for operation with zero voltage switching (ZVS) and maintaining a constant output voltage are determined. The authors in [28] consider a reconfigurable load-independent class-E resonant inverter. By adding additional elements, the device under study has the ability to switch between constant voltage (CV) or constant current (CC) operation modes under significant load changes. Thanks to the resonant operation mode, it is possible to maintain zero current switching (ZCS) despite load changes, which is very useful for wireless charging applications of energy storage devices. The advantages of the power circuit are also validated through experiments with a prototype.
Ultimately, RIED demonstrates high efficiency and reliability in a wide range of industrial applications, including transportation, induction heating, battery charging, and ozone generation. Their unique features, such as soft switching (ZVS, ZCS, ZCZVS) and optimization through advanced transistor technologies (SiC MOSFET, IGBT), significantly reduce losses and improve power density. The use of quantitative analysis and experimental verification ensures reliability and efficiency in various applications.
The analysis and design of RIED include various methods that ensure their safe and reliable operation, parameter optimization, and efficiency improvement. Each of these methods offers a specific approach and has its own advantages and limitations. Briefly, these methods can be summarized as follows [4,5,29,30]:
- -
- One of the main approaches is the analytical method, which is based on mathematical modeling through differential equations describing the interaction between the elements of the resonant circuit. This method allows the derivation of key parameters such as resonance frequency and harmonic content but is limited in the analysis of complex systems and requires significant development time.
- -
- The small-signal method provides a linear approximation of the nonlinear processes in the system. It is useful for studying the stability and dynamics of the system, as well as for designing control loops. However, this approach is limited in the analysis of large deviations from the operating point.
- -
- Frequency analysis is another popular method that considers the system in the frequency domain. This allows the study of amplitude-frequency characteristics, the quality of the output signal, and the influence of parasitic elements. This method is particularly suitable for filter optimization and electromagnetic interference reduction.
- -
- Model-based design, founded on software simulations with tools such as MATLAB/Simulink [22] or LTspice [31], allows for the creation of detailed models and the execution of simulations in different modes. This approach significantly speeds up development and reduces the cost of physical prototypes, but is dependent on the accuracy of the models.
- -
- The energy-balancing method analyzes the energy transfer in the resonant circuit, focusing on the optimization of the energy flow between the source and the load. It is useful in the design of wireless power transfer systems but is difficult to apply in dynamic applications.
- -
- The finite element method (FEM) provides a precise analysis of the electromagnetic and thermal processes in the inverter. This includes the assessment of magnetic properties, heat losses, and the influence of parasitic capacitances. Although it is a powerful tool, this method requires significant computational resources and time.
- -
- The experimental method involves the creation of physical prototypes and conducting measurements to evaluate the efficiency, stability, and thermal characteristics. This method provides the most accurate information about the real operation of the system but requires significant resources for development and testing.
Combining these methods allows for a complete analysis and design of resonant inverters, using the advantages of each approach. Theoretical methods provide fundamental understanding, while simulations and experiments allow for optimization and validation of results in real conditions. This holistic approach guarantees high efficiency, reliability, and adaptability of the system to various applications.
Optimization in the design of resonant inverters is a key aspect of achieving maximum efficiency and guaranteeing their performance. The development of models that integrate mathematical simulation with experimental data is essential. The most commonly used optimization approaches include the following [32,33]:
- -
- Simulation-based methods. Tools such as MATLAB/Simulink [22] and LTSpice [31] are used to model the behavior of resonant inverters.
- -
- Genetic algorithms and global optimization methods: Applicable to complex systems with many variables.
- -
- Reference curve optimization: An innovative approach in which the reference curve represents a predefined profile of desired output parameters, such as efficiency, harmonic content, and dynamic response.
Combining the design of resonant inverters with energy dosing with reference curve optimization allows the prototyping of devices that balance the efficiency and stability of the system. In this aspect, the work presents a rational approach to the design of RIED, based on the use of a reference curve regarding the shape of the current in the converter’s input current circuit, which combines the use of a simplified design methodology and model-based optimization. The use of a reference curve provides a visual and analytical representation of the desired system behavior. It is used to compare the current characteristics of the inverter with the optimal ones [34]. The main steps in this process include defining the reference curve, collecting experimental data to form an applicable reference base, and algorithmic integration using machine learning or other approaches to dynamically adjust the parameters of the circuit elements of the device. The proposed hybrid design approach will be demonstrated for the needs of implementing RIED with an induction heating application.
The manuscript presents and analyzes the current problems and trends related to the creation of wide, functional, and efficient high-frequency sources for powering various electro-technological loads or processes related to green energy. Self-maintenance of constant power when changing the load parameters and setting the level of converted power by changing the switching frequency and/or the value of the dosing/resonant capacitor are the main advantages of these schemes.
In accordance with the goal set in the paper, the design of the inverter with a split resonant capacitor is presented, and on this basis, using numerical coefficients, the proposed methodology is adapted for other circuit variants: full-bridge and half-bridge. Due to the complexity of the processes in these devices, their design and technical implementation are supported by modern methods and approaches for design and optimization in power electronics.
2. Mathematical Model of the Device
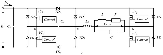
Different schematic variants of resonant inverters (RI) with energy dosing (ED) are recognized and documented in the literature [31,32]. In practical applications, any traditional RI circuit can be adapted to include ED by integrating restrictive diodes to control the voltage across the resonant capacitors. This modification allows the circuit to only consume energy from the power source through these capacitors. Despite variations in the design, the power delivered to the load remains constant if the capacity of the capacitors, the supply voltage, and the operating frequency are kept steady. Among the various RI topologies, the full-bridge, half-bridge, and split resonant capacitor circuits are particularly favored for physical implementations due to their practical convenience. These are depicted in Figure 1. However, each topology requires a tailored analysis based on specific numerical coefficients related to the power configuration, ensuring that analytical methods developed for one topology can be generalized and applied to others.

Figure 1.
Some types of resonant inverters with energy dosing (a) half-bridge; (b) with split resonant capacitor; and (c) full-bridge.
For practical experiments and prototype development, the split resonant capacitor circuit is often preferred, especially due to the absence of filter capacitors which are typically necessary for the half-bridge circuit. This particular power circuit configuration includes two transistors equipped with integrated reverse diodes (VT1 and VT2), a resonant inductance (LR), and a resonant capacitor divided into two equal halves (CR/2). Additionally, it incorporates limiting diodes (VD1 and VD2), and a parallel load circuit that consists of an inductor (L) representing the inductive component of the load, a resistor (R) as the active component, and a parallel compensating capacitor (C). The entire circuit is powered by a DC voltage source (E). The theoretical analysis of this setup presumes the ideal behavior of all circuit components, which simplifies the calculations and understanding of the circuit dynamics.
The bridge circuit in Figure 1c contains additional diodes compared to the other two circuit variants, thus being characterized by lower efficiency compared to the other variants. In addition, this circuit has an asymmetrical load on the transistors. On the other hand, the half-bridge circuit is also not a recommended implementation option due to the presence of two filter capacitors, which increases the cost, mass, and volume of the devices. With the current capabilities of the building components, the circuit with a split resonant capacitor is most often used, and for this reason, for the purposes of the study, the circuit variant shown in Figure 1b will be modeled.
Various design methodologies have been proposed for this circuit. Due to the complex principle of operation and the change in the structure of the power circuit during the half-period of operation, the switching between the individual configurations is not set only by the control system but also depends on the load parameters. In [1], the operating modes are discussed in detail, and a detailed design methodology is proposed. Unfortunately, the application of this methodology is associated with great computational complexity, and the determination of some of the quantities necessary for the design requires the use of recursive procedures until the desired parameters of the device are achieved. The diagrams illustrating the principle of operation of the modeled circuit are shown in Figure 2. They are shown sequentially as follows: the current in the AC circuit of the inverter iab and the voltages on the two resonant capacitors.
Figure 2.
Timing diagrams illustrating a fixed operating mode of an inverter with a split resonant capacitor and energy dosing.
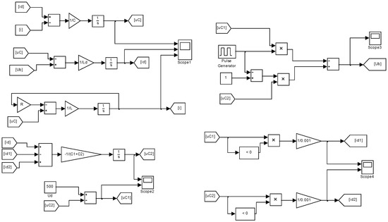
To implement the idea of optimization along a reference curve, it is necessary to form the current envelope in the AC circuit. Unfortunately, this is not a standard procedure in Matlab/Simulink. For this reason, it is necessary to create a specialized mathematical model of the device under study and an author’s program for obtaining the current envelope in the AC circuit.
Based on the diagrams in Figure 2, it is concluded that in each half-cycle formed by the conduction of the corresponding transistor, three stages are observed: energy consumption from the power source (0 to θd), a stage without consumption, characterized by a short circuit of the AC circuit (θd to π − φ0), and a pause during which none of the semiconductor elements conducts, but in the parallel load circuit resonant processes of energy exchange occur between the load inductance L and the load capacitor C.
Therefore, the modeled converter is a system with a changing structure, as within one half-cycle this structure changes twice. To model this change, several switching functions (cont1, cont2, and cont3) are used. Thus, the following mathematical model is obtained, described by the hybrid system of Equation (1):
where the state variables are as follows: iLR is the current in the inverter’s AC circuit (current through the resonant inductance), i e is the current through the load, uC is the voltage across the load (the voltage across the load capacitor C), and are the voltages on the resonant capacitors.
, , —switching functions, and Ron = 0.01 Ω—on-state resistance of the limiting (dosing) diodes.
Based on the above equations in the MATLAB/Simulink environment (version r2022b), the inverter model is created, which is shown in Figure 3. This implementation of the mathematical model (1) also serves for its better visualization and is suitable for specialists who are not trained to work with mathematical software.
Figure 3.
Matlab/Simulink model of an inverter with split resonant capacitor and energy dosing.
3. Proposed Design Methodology
This section offers a simplified design methodology that determines approximate values of the circuit elements, and the exact values are further specified by applying an optimization procedure. Typically, the design task includes the following input data:
Output active power of the converter—P [kW]; operating frequency—f [kHz]; load parameters, in the case under consideration represented by the power factor—cosφ and the nature of its change.
The design methodology is in the following sequence:
(1) The following relations are set between the resonant frequency of the inverter AC circuit ω0 and the circular control frequency ω = 2πf: ω0/ω = 1.2 ÷ 1.4 and tgδ > (1.2 ÷ 1.4)ω0/ω, where δ is the detuning angle of the inverter AC circuit.
(2) Based on the specified power and control frequency, the value of the resonant capacitance is calculated (in the scheme with a split resonant capacitor, its value is distributed equally between the two resonant capacitors):
(3) The detuning of the parallel load circuit, at which the voltage and current through it will have a phase corresponding to the time t0 (corresponding to the angle φ0, defined on the timing diagrams in Figure 2) is determined by the expression:
where ξ0 is disturbance of the parallel load circuit . Usually, the angle ψ is chosen to be zero, i.e., resonance operation of the parallel load circuit is preferred.
(4) For the selected value of tgδ (δ), the real and relative values of the equivalent load resistance are determined:
(5) The value of the parallel capacitor C is found through the generalized parameter a = C/CR, from the expression for the phase angle in the AC circuit of the inverter:
(6) From the resonance condition of the load circuit, the necessary equivalent parameters R and L are determined:
(7) The quality factor of the inverter AC circuit is calculated:
(8) With the obtained value of the parameter Q, the resonant inductance is calculated LR:
Using this methodology, RIED was calculated with the following parameters:
P = 15 kW, f = 20 kHz, cosφ = 0.17, E = 500 V, φ0 = 0.1π
As a result, the following values of the circuit elements were determined:
R = 0.05 Ω, L= 2.3 µH, LR = 11.1 µH, CR1 = CR2 = 1.5 µF
Figure 4 shows the results of the power circuit simulation, conducted with the model thus created and the circuit parameters determined by the methodology. They are given sequentially as follows: the current in the AC circuit, the current through the load, the voltage across it, and the voltages across the two resonant capacitors. The presented results show that the dosing diodes VD1 and VD2, even during the transient processes of starting the circuit, limit the voltage on the two resonant capacitors to the voltage level of the input DC power source. On the other hand, the current in the alternating current circuit initially has a greater value by about 20% than its nominal value in the established operating mode. This confirms the need for an optimization procedure to limit the current in the AC circuit during the inverter start-up.
Figure 4.
Visualization of the state variables in the studied scheme, obtained through the created model.
4. Formulation and Solution of an Optimization Problem
The split-resonant capacitor inverter in Figure 1b was designed using the methodology from the previous section. The main advantage of using a design procedure is that the values of the circuit elements are determined in a few steps without having to repeat the process until certain criteria are met. However, this methodology is based on expressions for the state variables when operating in a steady state without taking into account the dynamics of the device. In order to eliminate this drawback, the optimization problem will be formulated, implemented, and solved. The main goal of the optimization procedure is to improve the dynamics of the already designed device by achieving an aperiodic form of the transients regarding the current in the inverter’s AC circuit while keeping (with minimal changes) the inverter’s operation in a steady state unchanged.
Based on the design methodology from the previous section, initial values of the circuit elements were selected. Some of the values of the circuit elements are then further determined using the optimization method proposed in this article called model-based design based on a reference curve.
In this optimization, we will strive to realize a certain form of the current in the AC circuit iLR, in which we minimize the root mean square error of the difference between the realized and the reference values of this current. Specifically, the following optimization task has been chosen—limiting the maximum values of the current iLR in the AC circuit in the transient mode and monitoring a fixed value in the steady state through the optimal choice of the values of the inductance LR and the capacitance of the load capacitor C (for the studied power circuit of the inverter with a split resonant capacitor from Figure 1b).
According to the operating principle of the circuit, the current iLR oscillates during the transient, as shown in Figure 4. A more detailed transient, regarding the current through the resonant inductance is shown in Figure 5. Therefore, the construction of a suitable reference curve (which will track this current) will be quite complicated. For this, it is chosen to separate the so-called envelope of this current wrap(iLR) (shown in Figure 5 in red) and to “converge” the envelope wrap(iLR) and a previously selected reference envelope iLR,ref (shown in Figure 5 in green).
Figure 5.
Current iLR (blue), envelope iLR (red), and reference envelope iLR (green).
The separation of the current envelope in the AC circuit is completed using the following source code given below:
k=1;
t2(k)=0;
y2(k)=0;
for i=2:length(t)-1
if ( (y(i-1)<y(i)) && (y(i)>y(i+1)) )
k=k+1;
t2(k)=t(i);
y2(k)=y(i);
if k==2 & (t2(2)-t2(1)<3e-5), k=k-1; end
if k>2 & (t2(k)-t2(k-1)<4.2e-5), k=k-1; end
end
end
In this code, the variables t(i) and y(i) are stored:
t(i)—moments of time, y(i)—readings of the current in the inverter’s AC circuit at the corresponding points in time.
The difference between the reference curve iLR,ref and the envelope wrap(iLR) is minimized by minimizing the functional:
under the restrictions and .
This is an optimization problem that cannot be solved with a built-in procedure in MATLAB (version r2022b), for example using a standard “Check Against Reference” block in a MATLAB/Simulink environment, because this is a problem in which the envelope of one of the state variables is chosen to be monitored, and it cannot be separated in a Simulink/MATLAB environment and possibly then “approximated” to a suitable reference curve.
This new optimization problem is solved in a MATLAB environment, and for this purpose, an author’s program (m-file) is compiled.
In the program, the optimization is performed with a standard optimization command, i.e.,
x,Fval]=fmincon(@Opt,x0,[],[],[],[],xlb,xub,@Con,options)
The above command uses a built-in procedure for iterative calculation of LR, where xub, xlb, and x0 are the upper bound, the lower bound, and the initial value of LR. The fmincon command calls the Opt function, in which the cost function is formed. More precisely, Opt performs the following: simulating the model (1), separating the envelope wrap(iLR), and calculating the integral I. To simplify the calculations, this integral is replaced by a sum of squares, i.e.,
The result of the program execution is shown in Figure 6. The quantities shown in Figure 6 are defined as follows: F-count—number of calculated values of the objective function for the corresponding iteration; f(x)—the smallest value of the objective function for this iteration; max constraint—since the optimization problem is solved numerically with introduced constraints, this parameter gives the value of the constraint for this iteration; line search step length—gives the size of the calculated step λ (in this case, this step is calculated using the linear search method) for the corresponding iteration; directional derivative—the value of the calculated directional derivative, to these iterations; first-order optimality—is the value of the uniform norm of the gradient of the Lagrange function (used to solve the defined optimization problem with constraints), for this iteration.
Figure 6.
Result of the optimization program.
After executing the program, the following optimal values for the elements are obtained:
LR = 24.570 μH C = 10.036 μF
With the obtained optimal values, the power circuit is simulated again and the result shown in Figure 7 is obtained. The shape of the current in the AC circuit is very close to that in Figure 5, but it is aperiodic in nature because it is formed with the optimal values of LR and C already determined by the procedure.
Figure 7.
Current in the AC circuit of the inverter iLR (blue), envelope of this current (red), and a given reference envelope of the current (green), obtained after optimization.
From the analysis and comparison of the results regarding the shape of the current in the AC circuit before and after the optimization, it is found that as a result of the successful reworking of the task, the dynamics of the inverter have been improved. The results presented in Figure 7, regarding the shape of the current in the AC circuit, prove the effect of the used approach, as it is established that during the transient process of starting the device, no exceeding of the maximum current value was observed compared to the corresponding value in the established operating mode. Thus, by combining the use of a convenient design methodology, through which the values of the circuit elements are determined in several steps, and model-based optimization, regarding the envelope of the current in the AC circuit of the inverter, an optimally designed device is obtained without the need for detailed determination of all circuit parameters.
5. Discussion and Conclusions
Resonant inverters with energy dosing demonstrate high efficiency and reliability by using soft switching modes (ZVS and ZCS), which minimizes switching losses and increases the overall efficiency of the devices. The applied optimization methodology using a reference curve allows for detailed tuning of the inverter parameters, which leads to improved power circuit dynamics and optimized performance under various operating conditions. The design and optimization methodology is demonstrated through a specific example of application in an induction heating system, which confirms its applicability in industrial and transportation systems.
The developed methodology represents a significant innovative achievement in the field of power electronics. It integrates theoretical analyses, computer simulations, and practical tests to create efficient and reliable resonant inverters. Improvements in the design of inverters have potential applications in many industrial sectors, including induction heating, wireless charging, and aviation technologies, where high efficiency and reliability are critically important. Further advancement of the technology requires the exploration of new materials and advanced control strategies. This may include the integration of new semiconductor devices and the development of advanced control algorithms that will improve the adaptability and robustness of resonant inverters in a variety of applications.
The paper provides a solid foundation for the development of more efficient and innovative solutions in the field of power electronics, offering specific directions and approaches for future technological improvements.
The design of resonant inverters with energy dosing based on reference curve optimization offers significant opportunities for improving the efficiency, reliability, and adaptability of these systems. The integration of this approach into engineering practice leads to the creation of a new generation of high-performance electronic devices suitable for a wide range of applications. Future research directions include parametric analysis of the influence of circuit element tolerances on optimized and non-optimized devices, as well as the application of artificial intelligence techniques, such as neural networks, for the fully automated design of this type of resonant inverters.
Author Contributions
N.M., B.G. and N.H. were involved in the full process of producing this paper, including conceptualization, methodology, modeling, validation, visualization, and preparing the manuscript. All authors have read and agreed to the published version of the manuscript.
Funding
This research was funded by the European Regional Development Fund under the Operational Program “Scientific Research, Innovation and Digitization for Smart Transformation 2021-2027”, Project CoC “Smart Mechatronics, Eco- and Energy Saving Systems and Technologies”, BG16RFPR002-1.014-0005 and this study was financed by the European Union-NextGenerationEU, through the National Recovery and Resilience Plan of the Republic of Bulgaria, project No. BG-RRP-2.004-0005, and the APC was funded by BG16RFPR002-1.014-0005.
Data Availability Statement
Data are contained within the article.
Conflicts of Interest
The authors declare no conflicts of interest.
References
- Madzharov, N.; Hinov, N. Analysis and Design of Resonant DC/AC Converters with Energy Dosing for Induction Heating. Energies 2023, 16, 1462. [Google Scholar] [CrossRef]
- Madzharov, N. High-Frequency Power Source with Constant Output Power. J. Eng. Sci. Technol. Rev. 2016, 9, 157–162. [Google Scholar] [CrossRef]
- Madzharov, N.; Hinov, N. High-Performance Power Converter for Charging Electric Vehicles. Energies 2021, 14, 8569. [Google Scholar] [CrossRef]
- Kazimierczuk, M.K.; Czarkowski, D. Resonant Power Converters, 2nd ed.; IEEE Press: Piscataway, NJ, USA; John Wiley & Sons: New York, NY, USA, 2011; pp. 1–595. ISBN 978-0-470-90538-8. [Google Scholar]
- Dokić, B.L.; Blanuša, B. Power Electronics Converters and Regulators, 3rd ed.; Springer International Publishing: Cham, Switzerland, 2015; ISBN 978-3-319-09401-4. [Google Scholar]
- Langmaack, N.; Tareilus, G.; Henke, M. Modular Power Electronics for Electric Vehicles and Aviation Applications. In Proceedings of the 2019 IEEE 13th International Conference on Power Electronics and Drive Systems (PEDS), Toulouse, France, 9–12 July 2019; IEEE: Piscataway, NJ, USA, 2019; pp. 1–5. [Google Scholar]
- Aunsborg, T.S.; Bidoggia, B.; Duun, S.B.; Kjærsgaard, B.F.; Meinert, J.D.; Jørgensen, A.B.; Munk-Nielsen, S. Demonstration of a Class e push-pull resonant inverter for MHz induction heating. In Proceedings of the 2023 IEEE Applied Power Electronics Conference and Exposition APEC, Orlando, FL, USA, 19–23 March 2023; Institute of Electrical and Electronics Engineers Inc.: Piscataway, NJ, USA, 2023; pp. 705–709. [Google Scholar] [CrossRef]
- Diep, N.T.; Trung, N.K.; Minh, T.T. Wireless power transfer system design for electric vehicle dynamic charging application. Int. J. Power Electron. Drive Syst. 2020, 11, 1468–1480. [Google Scholar] [CrossRef]
- Ahmad, R.; Kumar, V.; Bilal, M.; Kumari, S. Dynamic Wireless Power Transfer (DWPT) for Charging Application of Electric Vehicle. In Proceedings of the 2022 1st International Conference on Sustainable Technology for Power and Energy Systems (STPES), Srinagar, India, 4–6 July 2022. [Google Scholar] [CrossRef]
- Baruah, A.; Samanta, A.; Dutta, A.; Bhattacharya, A.; Raman, R. Design and Analysis of Resonant Inverter-Based Induction Heating Equipment. In Lecture Notes in Electrical Engineering; Springer Science and Business Media Deutschland GmbH: Berlin/Heidelberg, Germany, 2021; pp. 75–87. [Google Scholar] [CrossRef]
- Espí, J.M.; Dede, E.J.; Ferreres, A.; García, R. Steady-state frequency analysis of the “LLC” resonant inverter for induction heating. In Proceedings of the International Power Electronics Congress, CIEP 96, Cuernavaca, Mexico, 14–17 October 1996; Volume 1996. [Google Scholar] [CrossRef]
- Aunsborg, T.S.; Duun, S.B.; Uhrenfeldt, C.; Munk-Nielsen, S. Development of a current source resonant inverter for high current MHz induction heating. IET Power Electron. 2021, 15, 1–10. [Google Scholar] [CrossRef]
- Ahn, S.-H.; Jang, S.-R.; Ryoo, H.-J. The Design and Applications of LCC Resonant Converter. Trans. Korean Inst. Power Electron. 2015, 20, 566–572. [Google Scholar] [CrossRef]
- Sabate, J.; Jovanovic, M.; Lee, F.; Gean, R. Analysis and Design-Optimization of LCC Resonant Inverter for High-Frequency AC Distributed Power System. IEEE Trans. Ind. Electron. 1995, 42, 63–71. [Google Scholar] [CrossRef]
- Youssef, M.; Qahouq, J.A.A.; Orabi, M. Analysis and design of LCC resonant inverter for the transportation systems applications. In Proceedings of the IEEE Applied Power Electronics Conference and Exposition (APEC), Palm Springs, CA, USA, 21–25 February 2010. [Google Scholar] [CrossRef]
- Ngo, T.P.; Nguyen, N.Q. LLC Inverter Design Procedure for Induction Heating with Quantitative Analysis of Power Transfer. Sci. Technol. Dev. J.—Eng. Technol. 2021, 4, 739–747. [Google Scholar] [CrossRef]
- Esteve, V.; Jordan, J.; Dede, E.J.; Sanchis-Kilders, E.; Martinez, P.J.; Maset, E.; Gilabert, D. Optimal LLC Inverter Design with SiC MOSFETs and Phase Shift Control for Induction Heating Applications. IEEE Trans. Ind. Electron. 2022, 69, 11100–11111. [Google Scholar] [CrossRef]
- Sayed, K.; Abo-Elyousr, F.; Abdelbar, F.N.; El-Zohri, H. Development of Series Resonant Inverters for Induction Heating Applications. Eur. J. Eng. Technol. Res. 2018, 3, 36–39. [Google Scholar] [CrossRef]
- Dimitrov, B.; Hayatleh, K.; Barker, S.; Collier, G. Design, Analysis and Experimental Verification of the Self-Resonant Inverter for Induction Heating Crucible Melting Furnace Based on IGBTs Connected in Parallel. Electricity 2021, 2, 439–458. [Google Scholar] [CrossRef]
- Juárez, M.; Vázquez, G.; Sosa, J.; Martínez, P.; Garcia, F. Analysis and design of resonant inverter for ozone generation. In Proceedings of the 2016 IEEE International Autumn Meeting on Power, Electronics and Computing, ROPEC, Ixtapa, Mexico, 9–11 November 2016. [Google Scholar] [CrossRef]
- Nirosha, S.; Duraimurugan, D. Design and implementation of AC-AC resonant converter for induction heating. Int. J. Appl. Eng. Res. 2015, 10, 22898–22902. [Google Scholar]
- Available online: https://www.mathworks.com/products/matlab.html (accessed on 20 October 2024).
- Nam, I. Analysis and design method for parallel quasi resonant inverter in induction heating applications. In Proceedings of the 2018 IEEE Applied Power Electronics Conference and Exposition (APEC), San Antonio, TX, USA, 4–8 March 2018. [Google Scholar] [CrossRef]
- Li, Q.; Duan, S.; Fu, H. Analysis and Design of Single-Ended Resonant Converter for Wireless Power Transfer Systems. Sensors 2022, 22, 5617. [Google Scholar] [CrossRef] [PubMed]
- VEsteve; Jordán, J.; Dede, E.J.; Martinez, P.J.; Ferrara, K.J.; Bellido, J.L. Comparative analysis and improved design of LLC inverters for induction heating. IET Power Electron. 2023, 16, 1754–1764. [Google Scholar] [CrossRef]
- Agamy, M. Modular high frequency resonant inverters in constant power mode. Int. J. Electron. Lett. 2024, 1–12. [Google Scholar] [CrossRef]
- Aizawa, S.; Yasuda, T.; Uchida, A.; Luo, W.; Wei, X.; Sekiya, H. Load-Indenpendent Class-E Inverter with a Class-D Rectifier. In Proceedings of the 2023 12th International Conference on Renewable Energy Research and Applications (ICRERA), Oshawa, ON, Canada, 29 August–1 September 2023; pp. 279–282. [Google Scholar] [CrossRef]
- Zhu, W.; Komanaka, A.; Komiyama, Y.; Wei, X.; Nguyen, K.; Sekiya, H. Reconfigurable Class-E/EF Load-independent Inverter With CC-CV Output. In Proceedings of the 2023 IEEE Energy Conversion Congress and Exposition (ECCE), Nashville, TN, USA, 29 October–2 November 2023; pp. 2307–2312. [Google Scholar] [CrossRef]
- Rashid, M.H. Power Electronics Handbook: Devices, Circuits, and Applications; Academic Press: Cambridge, MA, USA, 2007. [Google Scholar]
- Erickson, R.W.; Maksimovic, D. Fundamentals of Power Electronics, 2nd ed.; Kluwer Academic Publishers Group: London, UK, 2001. [Google Scholar]
- Available online: https://www.analog.com/en/resources/design-tools-and-calculators/ltspice-simulator.html (accessed on 29 October 2024).
- Delhommais, M. Review of optimization methods for the design of power electronics systems. In Proceedings of the European Conference on Power Electronics and Application, Lyon, France, 7–11 September 2020. [Google Scholar]
- Reese, S.; Maksimovic, D. An Approach to DC-DC Converter Optimization using Machine Learning-based Component Models. In Proceedings of the 2022 IEEE 23rd Workshop on Control and Modeling for Power Electronics (COMPEL), Tel Aviv, Israel, 20–23 June 2022; pp. 1–8. [Google Scholar]
- Hinov, N.; Gilev, B. Comparison of Different Optimization Techniques for Model-Based Design of a Buck Zero Voltage Switching Quasi-Resonant Direct Current to Direct Current Converter. Mathematics 2023, 11, 4990. [Google Scholar] [CrossRef]
Disclaimer/Publisher’s Note: The statements, opinions and data contained in all publications are solely those of the individual author(s) and contributor(s) and not of MDPI and/or the editor(s). MDPI and/or the editor(s) disclaim responsibility for any injury to people or property resulting from any ideas, methods, instructions or products referred to in the content. |
© 2025 by the authors. Licensee MDPI, Basel, Switzerland. This article is an open access article distributed under the terms and conditions of the Creative Commons Attribution (CC BY) license (https://creativecommons.org/licenses/by/4.0/).